泡沫灭火系统消防泵安装质量标准及检验方法.docx

上传人:p** 文档编号:247702 上传时间:2023-04-19 格式:DOCX 页数:1 大小:14.83KB
下载 相关 举报
泡沫灭火系统消防泵安装质量标准及检验方法.docx_第1页
第1页 / 共1页
亲,该文档总共1页,全部预览完了,如果喜欢就下载吧!
资源描述

《泡沫灭火系统消防泵安装质量标准及检验方法.docx》由会员分享,可在线阅读,更多相关《泡沫灭火系统消防泵安装质量标准及检验方法.docx(1页珍藏版)》请在第壹文秘上搜索。

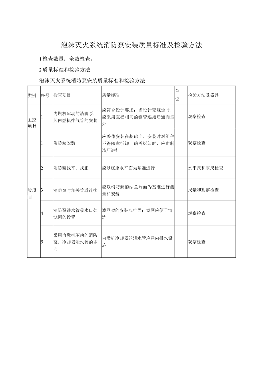
泡沫灭火系统消防泵安装质量标准及检验方法1检查数量:全数检查。2质量标准和检验方法泡沫灭火系统消防泵安装质量标准和检验方法类别序号检查项目质量标准单位检验方法及器具主控项H1内燃机驱动的消防泵,其内燃机排气管的安装应符合设计要求;当设计无规定时,应采用直径相同的钢管连接后通向室外观察检查般项ll1消防泵安装应整体安装在基础上,安装时对组件不得随意拆卸,确需拆卸时,应由制造厂进行观察检查2消防泵找平、找正应以底座水平面为基准进行水平尺和塞尺检查3消防泵与相关管道连接应以消防泵的法兰端面为基准进行测量和安装尺量和观察检查4消防泵进水管吸水口处滤网的设置滤网架的安装应牢固;滤网应便于清洗观察检查5采用内燃机驱动的消防泵,冷却器泄水管的走向内燃机冷却器的泄水管应通向排水设施观察检查

展开阅读全文
相关资源
猜你喜欢
相关搜索

当前位置:首页 > 建筑/环境 > 防火建筑

copyright@ 2008-2023 1wenmi网站版权所有

经营许可证编号:宁ICP备2022001189号-1

本站为文档C2C交易模式,即用户上传的文档直接被用户下载,本站只是中间服务平台,本站所有文档下载所得的收益归上传人(含作者)所有。第壹文秘仅提供信息存储空间,仅对用户上传内容的表现方式做保护处理,对上载内容本身不做任何修改或编辑。若文档所含内容侵犯了您的版权或隐私,请立即通知第壹文秘网,我们立即给予删除!