泡沫灭火系统管道、阀门和泡沫消火栓的安装质量标准及检验方法.docx

上传人:p** 文档编号:247753 上传时间:2023-04-19 格式:DOCX 页数:7 大小:28.57KB
下载 相关 举报
泡沫灭火系统管道、阀门和泡沫消火栓的安装质量标准及检验方法.docx_第1页
第1页 / 共7页
泡沫灭火系统管道、阀门和泡沫消火栓的安装质量标准及检验方法.docx_第2页
第2页 / 共7页
泡沫灭火系统管道、阀门和泡沫消火栓的安装质量标准及检验方法.docx_第3页
第3页 / 共7页
泡沫灭火系统管道、阀门和泡沫消火栓的安装质量标准及检验方法.docx_第4页
第4页 / 共7页
泡沫灭火系统管道、阀门和泡沫消火栓的安装质量标准及检验方法.docx_第5页
第5页 / 共7页
泡沫灭火系统管道、阀门和泡沫消火栓的安装质量标准及检验方法.docx_第6页
第6页 / 共7页
泡沫灭火系统管道、阀门和泡沫消火栓的安装质量标准及检验方法.docx_第7页
第7页 / 共7页
亲,该文档总共7页,全部预览完了,如果喜欢就下载吧!
资源描述

《泡沫灭火系统管道、阀门和泡沫消火栓的安装质量标准及检验方法.docx》由会员分享,可在线阅读,更多相关《泡沫灭火系统管道、阀门和泡沫消火栓的安装质量标准及检验方法.docx(7页珍藏版)》请在第壹文秘上搜索。

1、泡沫灭火系统管道、阀门和泡沫消火栓的安装质量标准及检验方法1检查数量:主控项目1)全数检查。一般项目2)表第1项:干管抽查1条;支管抽查2条;分支管抽查10%,且不得少于1条;泡沫喷淋分支管抽查5%,且不得少于1条。3)表第3项:1款按安装总数的10%抽查,且不得少于1个储罐的安装数量。4)表第4项:按安装总数的10%抽查,且不得少于5个。5)表第6项:1款5款按安装总数的10%抽查,且不得少于1个。6)其余全数检查。2质量标准和检验方法:泡沫灭火系统管道、阀门和泡沫消火栓安装质量标准和检验方法类序H.别号检查项目质量标准位检验方法及器具基础应符合设计要求主控项目埋地管道安装防腐埋地管道安装前

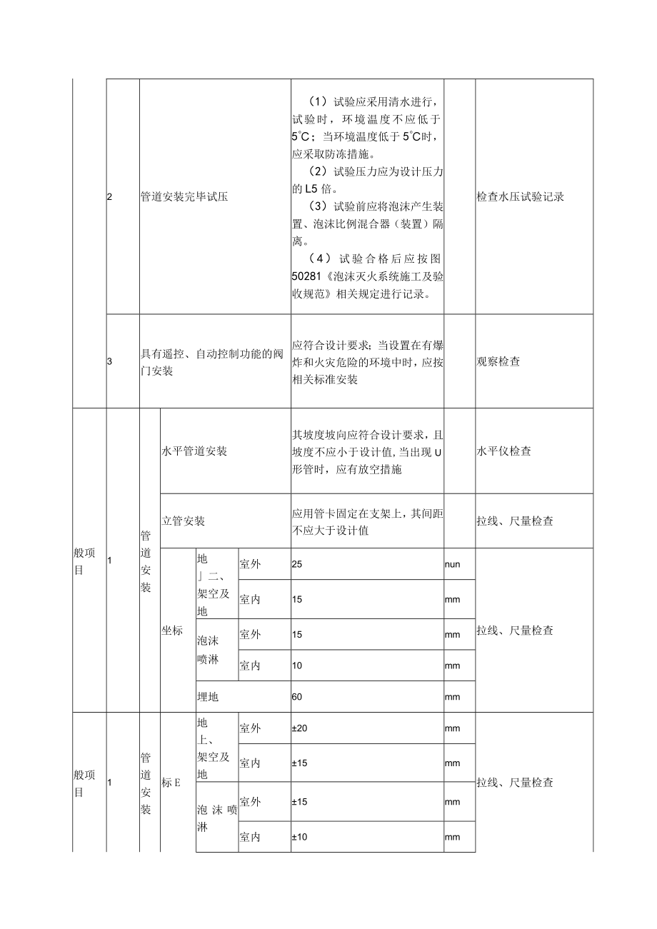
2、应做好防腐,安装时不应损坏防腐层1焊接埋地管道采用焊接时,焊缝部位应在试压合格后进行防腐处理观察检查回填埋地管道在回填前应进行隐蔽工程验收,合格后及时回填,分层夯实2管道安装完毕试压(1)试验应采用清水进行,试验时,环境温度不应低于5;当环境温度低于5时,应采取防冻措施。(2)试验压力应为设计压力的L5倍。(3)试验前应将泡沫产生装置、泡沫比例混合器(装置)隔离。(4)试验合格后应按图50281泡沫灭火系统施工及验收规范相关规定进行记录。检查水压试验记录3具有遥控、自动控制功能的阀门安装应符合设计要求;当设置在有爆炸和火灾危险的环境中时,应按相关标准安装观察检查般项目1管道安装水平管道安装其坡

3、度坡向应符合设计要求,且坡度不应小于设计值,当出现U形管时,应有放空措施水平仪检查立管安装应用管卡固定在支架上,其间距不应大于设计值拉线、尺量检查坐标地二、架空及地室外25nun拉线、尺量检查室内15mm泡沫喷淋室外15mm室内10mm埋地60mm般项目1管道安装标E地上、架空及地室外20mm拉线、尺量检查室内15mm泡沫喷淋室外15mm室内10mm埋地25mm水平管道平直度直径100mIJl2%,最大50mm直径3%o,最大80mm立管垂直度5Z,最大30mm与其他管道成排布置间15mm与其他管道交叉时外壁或绝热层间距20mm管道支、吊架安装应平整牢固,管墩的砌筑应规整,其间距应符合设计要求

4、穿过防火堤、防火墙、楼板应安装套管。穿防火堤和防火墙套管的长度不应小于防火堤和防火墙的厚度,穿楼板套管的长度应高出楼板50Inm,底部应与楼板底面相平;管道与套管间的空隙应采用防火材料封堵;管道穿过建筑物的变形缝时,应采取保护措施系统冲洗试压合格后,应用水冲洗,冲洗合格后,不得再进行影响管内清洁的其他工作采用系统最大设计流量,流速不低于1.5ms地上管道涂漆防腐应在试压、冲洗合格后进行观察检查2泡沐混介液管储罐上的泡沫混合液立管与防火堤内的地上水平管道或埋地管道用金属软管连接不得损坏其编织网,并应在金属软管与地上水平管道的连接处设置管道支架或管墩观察检查道安装锈渣清扫口设置储罐上泡沫混合液立管

5、下端设置的锈渣清扫口与储罐基础或地面的距离宜为0.3m0.5m;锈渣清扫口可采用闸阀或盲板封堵;当采用闸阀时,应竖直安装观察和尺量检查泡沫喷射口设置当外浮顶储罐的泡沫喷射口设置在浮顶上,且泡沫混合液管道采用的耐压软管从储罐内通过时,耐压软管安装后的运动轨迹不得与浮顶的支撑结构相碰,且与储罐底部伴热管的距离应大于0.5m观察和尺量检查般项目2泡沐混介液管道安装外浮顶储罐梯子平台上设置的带闷盖的管牙接应靠近平台栏杆安装,并宜高出平台LOm,其接口应朝向储罐;引至防火堤外设置的相应管牙接口,应面向道观察和尺量检查连接泡沫产生装置的泡沫混合液管道上设置的压力表安装接口宜靠近防火堤外侧,并应竖直安装观察

6、检查泡沫产生装置出、入口处的管道安装入M处的管道应用管卡固定在支架上,其出口管道在储罐上的开口位置和尺寸应符合设计及产品要求观察检查泡沫混合液主管道上留出的流量检测仪器安装位置应符合设计要求观察检查泡沫混合液管道上试验检测口的设置位置和数量应符合设计要求观察检查3液下喷射和半液下喷液下喷射泡沫喷射管的长度和泡沫喷射口的安装高度应符合设计要求。当液下喷射1个喷射口设在储罐中心时,其泡沫喷射管应固定在支架上;当液下喷射和半液下喷射设有2个及以上喷射口,并沿罐周均匀设置观察和尺量检查半固定式系统的泡沫管道,在防火堤外设置的高背压泡沫产生器应水平安装观察检查射泡沐管道安装液下喷射泡沫管道上的防油品渗漏

7、设施宜安装在止回阀出口或泡沫喷射口处观察检查半液下喷射泡沫管道上防油品渗漏的密封膜应安装在泡沫喷射装置的出口;安装应按设计要求进行,且不应损坏密封膜泡沫液管道冲洗及放空管道的设置应符合设计要求;当设计无要求时,应设置在泡沫液管道的最低处观察检查4泡沫喷淋管道的安装支、吊架与泡沫喷头之间的距离不应小于O.3m;与末端泡沫喷头之间的距离不宜大于0.5m,泡沫喷淋分支管上每一直管段、相邻两泡沫喷头之间管段设置的支、吊架均不宜少于1个,且支、吊架的间距不宜大于3.6m;当泡沫喷头的设置高度大于IOm时,支、吊架的间距不宜大于3.2m观察检查般项目5阀门安装泡沫混合液管道阀门应按相关标准进行安装,并应有

8、明显的启闭标志观察检查液下喷射和半液下喷射泡沫灭火系统泡沫管道进储罐处钢质明杆闸阀和止回阀安装应水平安装,其止回阀上标注的方向应与泡沫的流动方向一致观察检裔高倍数泡沫产生器进端泡沫混合液管道压力表、管道过滤器、控制阀的安装宜安装在水平支管上观察检查泡沫混合液管道自动排气阀应在系统试压、冲洗合格后立式安装观察检查泡沫混合液管道控制阀的安装(1)控制阀应安装在防火堤外压力表接口的外侧,并应有明显的启闭标志。(2)泡沫混合液管道设置在地上时,控制阀的安装高度宜为LlnlL5m。(3)当环境温度为及以下的地区采用铸铁控制阀时,若管道设置在地上,铸铁控制阀应安装在立管上;若管道埋地或在地沟内设置,铸铁控

9、制阀应安装在阀门井内或地沟内,并应采取防冻措施观察和尺量检查储罐区固定式泡沫灭火系统应在防火堤外泡沫混合液管道上安装带控制阀和闷盖的管牙接口观察检查泡沫混合液立管控制阀安装高度宜为1.lm-l.5m,并应有明显的启闭标志;当控制阀的安装高度大于1.8m时,应设置操作平台或操作凳观察和尺量检查消防泵出液管上带控制阀的回流管安装应符合设计要求,控制阀的安装高度距地面宜为O.6ml.2m观察和尺量检查管道放空阀应安装在最低处观察检查6泡沫消火栓的安装泡沫混合液管道上设置泡沫消火栓的规格、型号、数量、位置、安装方式、间距应符合设计要求观察和尺量检查地上式泡沫消火栓应垂直安装,地下式泡沫消火栓应安装在消火栓井内泡沫混合液管道上吊线和尺量检查地上式泡沫消火栓的大口径出液口应朝向消防车道观察检查地下式泡沫消火栓应有永久性明显标志,其顶部与井盖底面的距离不得大于O.4m,且不小于井盖半径观察检查室内泡沫消火栓的栓口方向宜向下或与设置泡沫消火检的墙面成90,栓口离地面或操作基面的高度宜为1.1m,允许偏差为20mm,坐标的允许偏差为20mm观察和尺量检查泡沫泵站内或站外附近泡沫混合液管道上设置的泡沫消火栓,应符合设计要求,其安装按本条相关规定执行观察和尺量检查注:L为管道长度。

展开阅读全文
相关资源
猜你喜欢
相关搜索

当前位置:首页 > 建筑/环境 > 防火建筑

copyright@ 2008-2023 1wenmi网站版权所有

经营许可证编号:宁ICP备2022001189号-1

本站为文档C2C交易模式,即用户上传的文档直接被用户下载,本站只是中间服务平台,本站所有文档下载所得的收益归上传人(含作者)所有。第壹文秘仅提供信息存储空间,仅对用户上传内容的表现方式做保护处理,对上载内容本身不做任何修改或编辑。若文档所含内容侵犯了您的版权或隐私,请立即通知第壹文秘网,我们立即给予删除!