混凝土及抹灰表面施涂油性涂料施工分项工程质量管理技术交底模板.docx

上传人:p** 文档编号:248843 上传时间:2023-04-19 格式:DOCX 页数:5 大小:25.20KB
下载 相关 举报
混凝土及抹灰表面施涂油性涂料施工分项工程质量管理技术交底模板.docx_第1页
第1页 / 共5页
混凝土及抹灰表面施涂油性涂料施工分项工程质量管理技术交底模板.docx_第2页
第2页 / 共5页
混凝土及抹灰表面施涂油性涂料施工分项工程质量管理技术交底模板.docx_第3页
第3页 / 共5页
混凝土及抹灰表面施涂油性涂料施工分项工程质量管理技术交底模板.docx_第4页
第4页 / 共5页
混凝土及抹灰表面施涂油性涂料施工分项工程质量管理技术交底模板.docx_第5页
第5页 / 共5页
亲,该文档总共5页,全部预览完了,如果喜欢就下载吧!
资源描述

《混凝土及抹灰表面施涂油性涂料施工分项工程质量管理技术交底模板.docx》由会员分享,可在线阅读,更多相关《混凝土及抹灰表面施涂油性涂料施工分项工程质量管理技术交底模板.docx(5页珍藏版)》请在第壹文秘上搜索。

1、混凝土及抹灰表面施涂油性涂料施工工程质量管理1、依据标准:建筑工程施工质量验收统一标准GB50300-2001建筑装饰装修工程施工质量验收规范GB50210-20012、施工准备2.1 材料要求1 .1.1涂料:光油、清油、铅油、各色油性调和漆(酯胶调和漆、酚醛调和漆、醇酸调和漆等),或各色无光调和漆等;应有产品合格证、出厂日期及使用说明。2 .1.2填充料:大白粉、滑石粉、石膏粉、地板黄、红土子、黑烟子、立德粉、按甲基纤维素、聚醋酸乙烯乳液等。2.1.3稀释剂:汽油、煤油、松香水、酒精、醇酸稀料等与油漆相应配套的稀料。2.L4各色颜料应耐碱、耐光。2.2主要机具:2.2.1一般应备有高凳、脚

2、手板、半截大桶、小油桶、铜丝梦、橡皮刮板、钢皮刮板、省帚、腻子槽、开刀、刷子、排笔、砂纸、棉丝、擦布等。2.3作业条件:2.3.1墙面必须干燥,基层含水率不得大于8%c2.3.2墙面的设备管洞应提前处理完毕,为确保墙面干燥,各种穿墙孔洞都应提前抹灰补齐。2.3.3门窗要提前安装好玻璃。2.3.4大面积施工前应事先做好样板间,经有关质量部门检查鉴定合格后,方可组织班组进行大面积施工。2.3.5施工环境应通风良好,湿作业已完成并具备一定的强度,环境比较干燥。2. 3.6冬期施工室内油漆涂料工程,应在采暖条件下进行,室温保持均衡,一般室内温度不宜低于+10,相对湿度为60%,不得突然变化。同时应设专

3、人负责测试和开关门窗,以利通风排除湿气。3、操作工艺3.1工艺流程:基层处理一修补腻子一第一遍满刮腻子一第二遍满刮腻子一弹分色线一刷第一道涂料一刷第二道涂料一刷第三道涂料一刷第四道涂料。3. 2基层处理:应将墙面上的灰渣等杂物清理干净,用苕帚将墙面浮土等扫净。3. 3修补腻子:用石膏腻子将墙面、门窗口角等磕碰破损处、麻面、风裂、接槎缝隙等分别找补好,干燥后用砂纸将凸出处磨平。3. 4第一遍满刮腻子:待满刮一遍腻子干燥后,用砂纸将墙面的腻子残渣、斑迹等磨平、磨光,然后将墙面清扫干净。腻子配合比为聚醋酸乙烯乳液(即白乳胶):滑石粉或大白粉:2%竣甲基纤维素溶液=1:5:35(重量比)。以上为适用于

4、室内的腻子:如厨房、厕所、浴室等应采用室外工程的乳胶腻子,这种腻子耐水性能较好。其配合比为聚醋酸乙烯乳液(即白乳液):水泥:水=1:5:1(重量比)o3.5第二遍满刮腻子(施涂高级涂料):腻子配合比和操作方法与第一遍腻子相同。待腻子干燥后个别地方再复补腻子,个别大的孔洞可复补石膏腻子,彻底干燥后,用1号砂纸打磨平整,清扫干净。3.6弹分色线:如墙面有分色线,应在施涂油漆前弹线,先涂刷浅色油漆,后涂刷深色油漆。3.7施涂第一道溶剂型薄涂料:可施涂铅油,它是一种遮盖力较强的涂料,是罩面涂料基层的底漆。铅油的稠度以盖底、不流淌、不显刷痕为宜,施涂每面墙的顺序应从上到下,从左到右,不应乱施涂,避免造成

5、漏涂或涂刷过厚、涂刷不均等。第一道涂料干燥后,个别缺陷或漏刮腻子处要复补腻子,待腻子干透后磨砂纸,把小疙瘩、野腻子渣、班迹等磨平、磨光,并清扫干净。3.8施涂第二道溶剂型薄涂料:施涂方法同第一道涂料(如墙面为中级涂料,此道可施涂铅油;如墙面为高级涂料,此道可施涂调和漆),待涂料干燥后,可用较细的砂纸把墙面打磨光滑;清扫干净,同时用潮布将墙面擦抹一遍。3.9施涂第三道溶剂型薄涂料:用调和漆施涂,如墙面为中级涂料,此道工序可作罩面涂料,即最后一道涂料,其施涂顺序同上。由于调和漆粘度较大,施涂时应多刷多理,以达到漆膜饱满、厚薄均匀一致、不流不坠。3.10施涂第四道溶剂型薄涂料:用醇酸磁漆涂料,如墙面

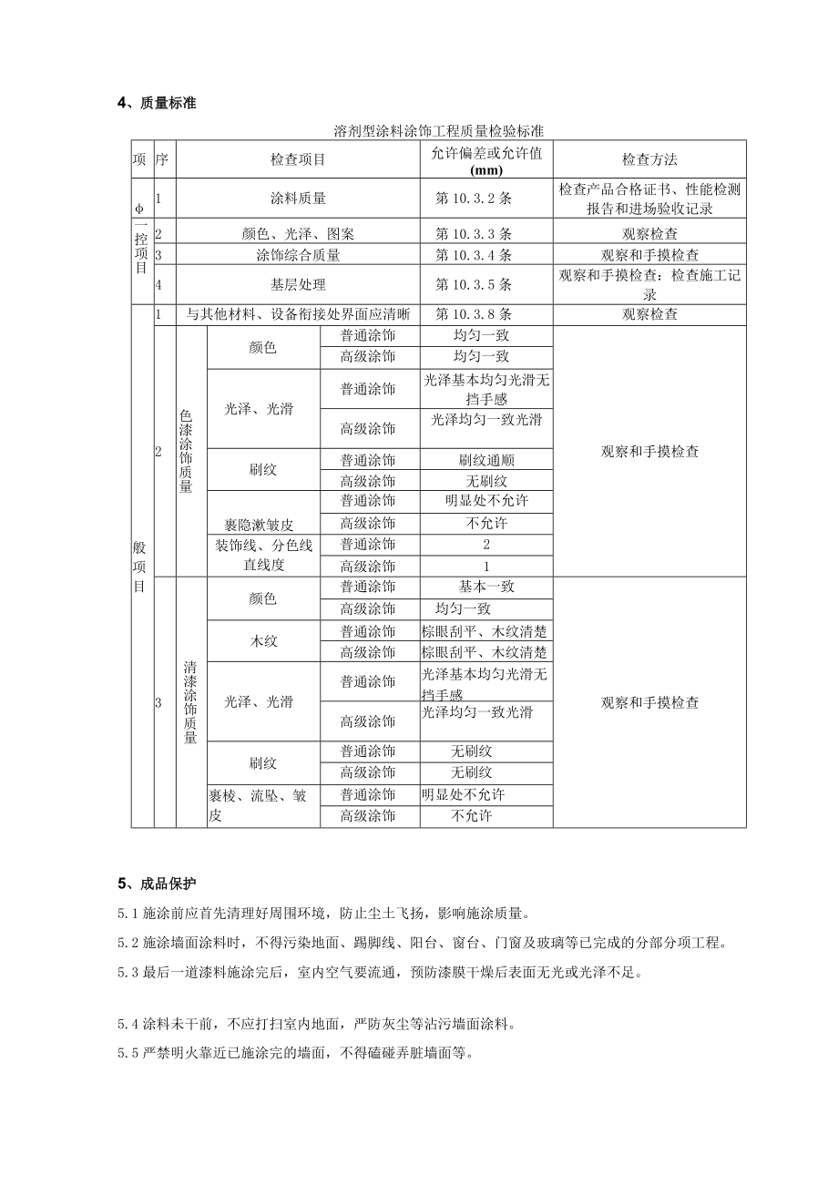
6、为高级涂料,此道工序称为罩面涂料,即最后一道涂料。如最后一道涂料改用无光调和漆时,可将第二道铅油改为有光调和漆,其余做法相同。4、质量标准溶剂型涂料涂饰工程质量检验标准项序检查项目允许偏差或允许值(mm)检查方法1涂料质量第10.3.2条检查产品合格证书、性能检测报告和进场验收记录一控项目2颜色、光泽、图案第10.3.3条观察检查3涂饰综合质量第10.3.4条观察和手摸检查4基层处理第10.3.5条观察和手摸检查:检查施工记录般项目1与其他材料、设备衔接处界面应清晰第10.3.8条观察检查2色漆涂饰质量颜色普通涂饰均匀一致观察和手摸检查高级涂饰均匀一致光泽、光滑普通涂饰光泽基本均匀光滑无挡手感

7、高级涂饰光泽均匀一致光滑刷纹普通涂饰刷纹通顺高级涂饰无刷纹裹隐漱皱皮普通涂饰明显处不允许高级涂饰不允许装饰线、分色线直线度普通涂饰2高级涂饰13清漆涂饰质量颜色普通涂饰基本一致观察和手摸检查高级涂饰均匀一致木纹普通涂饰棕眼刮平、木纹清楚高级涂饰棕眼刮平、木纹清楚光泽、光滑普通涂饰光泽基本均匀光滑无挡手感高级涂饰光泽均匀一致光滑刷纹普通涂饰无刷纹高级涂饰无刷纹裹棱、流坠、皱皮普通涂饰明显处不允许高级涂饰不允许5、成品保护5.1施涂前应首先清理好周围环境,防止尘土飞扬,影响施涂质量。5.2施涂墙面涂料时,不得污染地面、踢脚线、阳台、窗台、门窗及玻璃等已完成的分部分项工程。5.3最后一道漆料施涂完后

8、,室内空气要流通,预防漆膜干燥后表面无光或光泽不足。5.4涂料未干前,不应打扫室内地面,严防灰尘等沾污墙面涂料。5.5严禁明火靠近已施涂完的墙面,不得磕碰弄脏墙面等。6、应注意的质量问题6.1涂料工程基体或基层的含水率:混凝土和抹灰表面施涂溶剂型涂料时,含水率不得大于8%,施涂水性和乳液涂料时,含水率不得大于10%木料制品含水率不得大于12机6.2涂料工程使用的腻子,应坚应牢固,不得粉化、起皮和裂纹。外墙、厨房、浴室及厕所等需要使用涂料的部位和木地(楼)板表面需使用涂料时,应使用具有耐水性能的腻子。6.3流坠:产生的主要原因是涂料太稀、涂刷过厚、施工环境温度过低、干燥过程太慢,以及墙面不平或有

9、油、水等污物。防治方法是选择挥发性适当的稀释剂,加强墙面清理,涂刷均匀一致和施工环境温度要适当等。6.4透底:产生的主要原因是刷油前没有把涂料调拌均匀,密度大的填充料下沉;稀释剂加入太多破坏了原涂料的稠度;底子涂料不匀或色重造成。防治方法是严格控制涂料的稠度,不要随意在涂料中加稀释剂,底子涂料颜色要浅于交活涂料等。6.5倒光或光亮不足:产生的主要原因是墙面不平整、漏刮腻子或漏磨砂纸,涂料质量不好或加入稀释剂过多,施工环境温度过低或湿度过大等。防治方法是加强基层表面处理工作,如腻子要刮的周到,重视磨砂纸工作,选用合格产品的涂料,施工时不随意加入稀释剂,施涂时必须前一道工序干燥后再施涂下一道工序的

10、涂料,施工环境与温度符合要求等。6.6接槎明显:产生的主要原因是涂料干燥太快,或因操作面大油工不足等。防治方法是如果涂料是油性涂料,可稍加清油让它不要干燥的太快。还要注意施工时操作工人要配足,施工面不宜铺的过大,人与人之间的操作距离不宜过宽等。7、质量记录7.1油漆等材料的出厂合格证、施工说明书等。7.2本分项工程质量验评表。施工现场安全施工注意事项:1、施工人员进入施工现场前,必须要进行施工安全、消防知识的教育和考核工作,对考核不合格的职工,禁止进入施工现场参加施工。2、进入施工现场必须戴好安全帽,系好帽带,并正确使用个人劳动防护用品.3、严格执行操作规程,不得违章指挥和违章作业,对违章作业

11、的指令有权拒绝并有责任制止他人违章作业。4、施工作业时必须正确穿戴个人防护用品,进入施工现场必须戴安全帽。不许私自用火,严禁酒后操作。5、穿拖鞋、高跟鞋、赤脚或赤膊不准进入施工现场。6、穿硬底鞋不得进行登高作业。7、在高空、钢筋、结构上作业时,一定要穿防滑鞋.8、现场用电,一定要有专人管理,同时设专用配电箱,严禁乱接乱拉,采取用电挂牌制度,尤其杜绝违章作业,防止人身、线路,设备事故的发生。9、电钻、电锤、电焊机等电动机具用电、配电箱必须要有漏电保护装置和良好的接地保护地线,所有电动机具和线缆必须定期检查,保证绝缘良好,使用电动机具时应穿绝缘鞋,戴绝缘手套。10、工地施工照明用电,必须使用36伏

12、以下安全电压,所有电器机具在不使用时,必须随时切断电源,防止烧坏设备.11、在用喷灯、电焊机以及必要生火的地方,要填写用火申请登记和设专人看管,随带消防器材等,保证消防措施的落实。施焊时,特别注意检查下方有无易燃物,并做好相应的防护,用完后要检查,确认无火后再离开.12、未经安全教育培训合格不得上岗,非操作者严禁进入危险区域;特种作业必须持特种作业资格证上岗。13、凡2m以上的高处作业无安全设施,必须系好安全带;安全带必须先挂牢后再作业。14、高处作业材料和工具等物件不得上抛下掷.15、从事高空作业人员要定期体验。凡患有高血压、心脏病、贫血症、癫痫病以及不适于高空作业的人员,不得从事高空作业。

展开阅读全文
相关资源
猜你喜欢
相关搜索

当前位置:首页 > 行业资料 > 化学工业

copyright@ 2008-2023 1wenmi网站版权所有

经营许可证编号:宁ICP备2022001189号-1

本站为文档C2C交易模式,即用户上传的文档直接被用户下载,本站只是中间服务平台,本站所有文档下载所得的收益归上传人(含作者)所有。第壹文秘仅提供信息存储空间,仅对用户上传内容的表现方式做保护处理,对上载内容本身不做任何修改或编辑。若文档所含内容侵犯了您的版权或隐私,请立即通知第壹文秘网,我们立即给予删除!