混凝土防撞护栏现场质量检验报告单.docx

上传人:p** 文档编号:249066 上传时间:2023-04-19 格式:DOCX 页数:1 大小:15.17KB
下载 相关 举报
混凝土防撞护栏现场质量检验报告单.docx_第1页
第1页 / 共1页
亲,该文档总共1页,全部预览完了,如果喜欢就下载吧!
资源描述

《混凝土防撞护栏现场质量检验报告单.docx》由会员分享,可在线阅读,更多相关《混凝土防撞护栏现场质量检验报告单.docx(1页珍藏版)》请在第壹文秘上搜索。

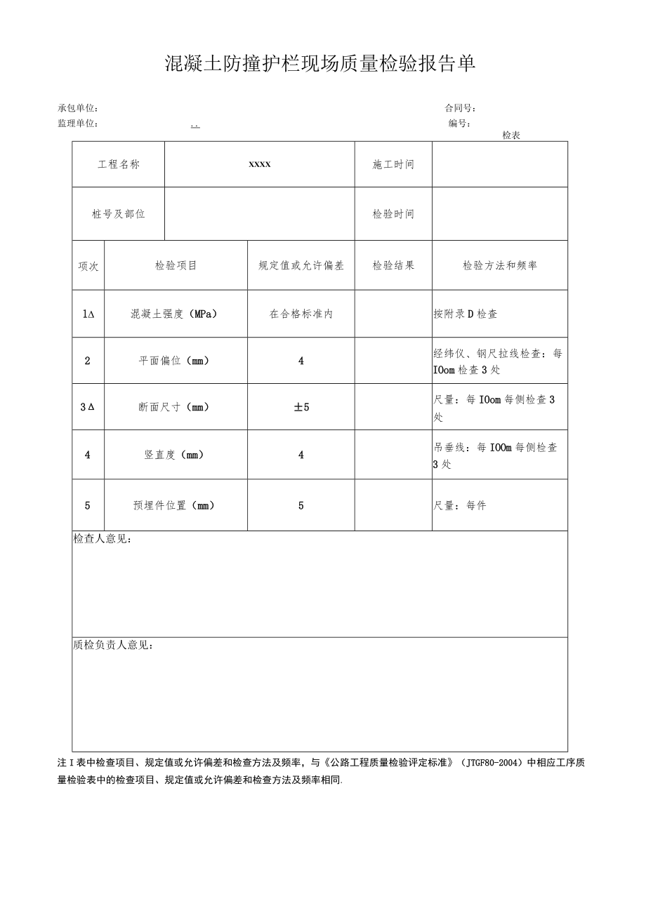
混凝土防撞护栏现场质量检验报告单承包单位:合同号:监理单位:.编号:检表工程名称XXXX施工时间桩号及部位检验时间项次检验项目规定值或允许偏差检验结果检验方法和频率l混凝土强度(MPa)在合格标准内按附录D检查2平面偏位(mm)4经纬仪、钢尺拉线检查:每IOom检查3处3断面尺寸(mm)5尺量:每IOom每侧检查3处4竖直度(mm)4吊垂线:每IOOm每侧检查3处5预埋件位置(mm)5尺量:每件检查人意见:质检负责人意见:注I表中检查项目、规定值或允许偏差和检查方法及频率,与公路工程质量检验评定标准(JTGF80-2004)中相应工序质量检验表中的检查项目、规定值或允许偏差和检查方法及频率相同.

展开阅读全文
相关资源
猜你喜欢
相关搜索

当前位置:首页 > 建筑/环境 > 建筑材料

copyright@ 2008-2023 1wenmi网站版权所有

经营许可证编号:宁ICP备2022001189号-1

本站为文档C2C交易模式,即用户上传的文档直接被用户下载,本站只是中间服务平台,本站所有文档下载所得的收益归上传人(含作者)所有。第壹文秘仅提供信息存储空间,仅对用户上传内容的表现方式做保护处理,对上载内容本身不做任何修改或编辑。若文档所含内容侵犯了您的版权或隐私,请立即通知第壹文秘网,我们立即给予删除!