溶剂型涂料涂饰工程(清漆)质量标准及检验方法.docx

上传人:p** 文档编号:249368 上传时间:2023-04-19 格式:DOCX 页数:2 大小:17.21KB
下载 相关 举报
溶剂型涂料涂饰工程(清漆)质量标准及检验方法.docx_第1页
第1页 / 共2页
溶剂型涂料涂饰工程(清漆)质量标准及检验方法.docx_第2页
第2页 / 共2页
亲,该文档总共2页,全部预览完了,如果喜欢就下载吧!
资源描述

《溶剂型涂料涂饰工程(清漆)质量标准及检验方法.docx》由会员分享,可在线阅读,更多相关《溶剂型涂料涂饰工程(清漆)质量标准及检验方法.docx(2页珍藏版)》请在第壹文秘上搜索。

1、溶剂型涂料涂饰工程(清漆)质量标准及检验方法1适用范围:本条适用于丙烯酸酯涂料、聚氨酯丙烯酸涂料、有机硅丙烯酸涂料等溶剂型涂料涂饰工程的质量验收。2检查数量:1)室外涂饰工程,每一栋楼的同类涂料涂饰的墙面每500m2-1000m2应划分为一个检验批,不足500m2也应划分为一个检验批。2)室内涂饰工程同类涂料涂饰的墙面每50间(大面积房间和走廊按涂饰面积30m2为一间)应划分为一个检验批,不足50间也应划分为一个检验批。3)室外涂饰工程,每100m2应至少检查1处,每处不得小于10m2o4)室内涂饰工程,每个检验批应至少抽查10%,并不得少于3间,不足3间时应全数检查。3质量标准和检验方法:溶

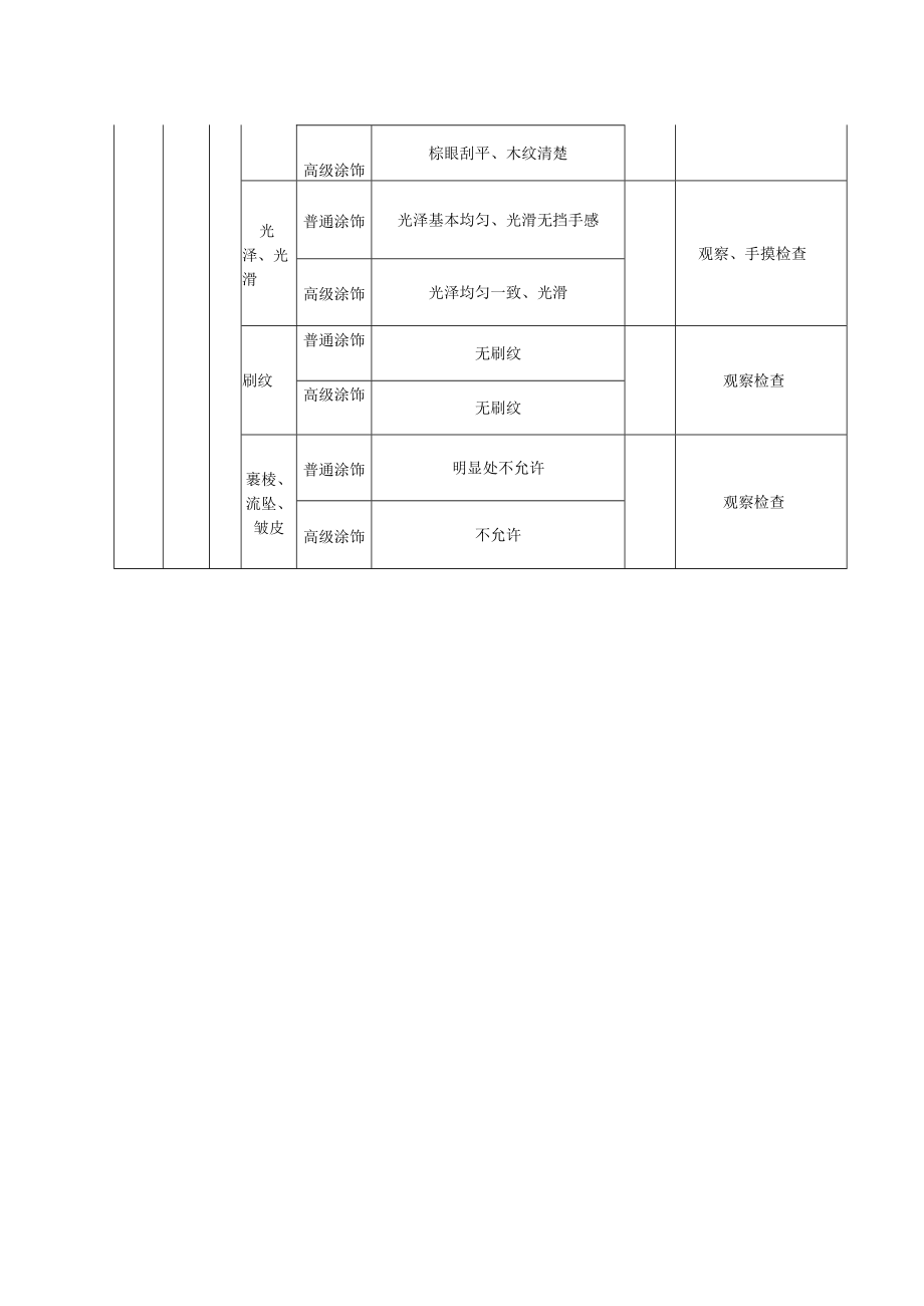
2、剂型涂料涂饰工程(清漆)质量标准和检验方法类别序,检查项目质量标准单位检验方法及器具主控项目I涂料品种、型号和性能建筑装饰装修工程所用材料应符合国家有关建筑装饰装修材料有害物质限量标准的规定检查产品合格证书、性能检测报告和进场验收记录2涂料颜色、光泽、图案应符合设计要求观察检查3涂饰综合质量涂料涂饰应均匀、黏结牢固,不得漏涂、透底、起皮和反锈观察、手摸检查4基层处理符合现行有关标准的规定观察、手摸检查、检查施工记录般项目1涂层与其他装修材料和设备衔接处应吻合,界面应清晰观察检查2涂饰质量颜色普通涂饰基本i致观察检查高级涂饰均匀致木纹普通涂饰棕眼刮平、木纹清楚观察检查高级涂饰棕眼刮平、木纹清楚光泽、光滑普通涂饰光泽基本均匀、光滑无挡手感观察、手摸检查高级涂饰光泽均匀一致、光滑刷纹普通涂饰无刷纹观察检查高级涂饰无刷纹裹棱、流坠、皱皮普通涂饰明显处不允许观察检查高级涂饰不允许

展开阅读全文
相关资源
猜你喜欢
相关搜索

当前位置:首页 > 建筑/环境 > 防水建筑

copyright@ 2008-2023 1wenmi网站版权所有

经营许可证编号:宁ICP备2022001189号-1

本站为文档C2C交易模式,即用户上传的文档直接被用户下载,本站只是中间服务平台,本站所有文档下载所得的收益归上传人(含作者)所有。第壹文秘仅提供信息存储空间,仅对用户上传内容的表现方式做保护处理,对上载内容本身不做任何修改或编辑。若文档所含内容侵犯了您的版权或隐私,请立即通知第壹文秘网,我们立即给予删除!