火灾自动报警系统区域显示器(火灾显示盘)调试质量标准和检验方法.docx

上传人:p** 文档编号:249592 上传时间:2023-04-19 格式:DOCX 页数:1 大小:13.77KB
下载 相关 举报
火灾自动报警系统区域显示器(火灾显示盘)调试质量标准和检验方法.docx_第1页
第1页 / 共1页
亲,该文档总共1页,全部预览完了,如果喜欢就下载吧!
资源描述

《火灾自动报警系统区域显示器(火灾显示盘)调试质量标准和检验方法.docx》由会员分享,可在线阅读,更多相关《火灾自动报警系统区域显示器(火灾显示盘)调试质量标准和检验方法.docx(1页珍藏版)》请在第壹文秘上搜索。

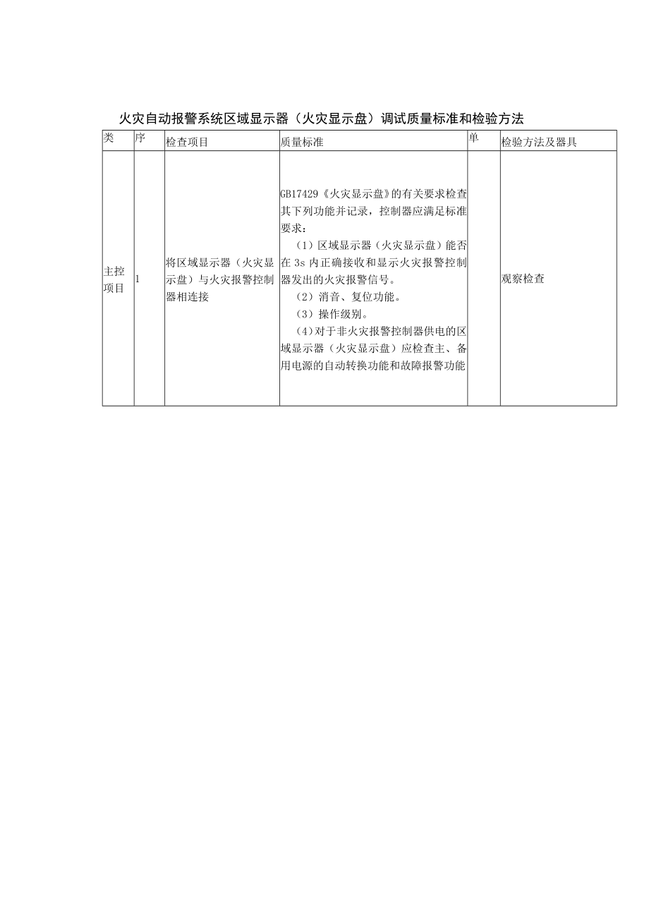
火灾自动报警系统区域显示器(火灾显示盘)调试质量标准和检验方法类序检查项目质量标准单检验方法及器具主控项目1将区域显示器(火灾显示盘)与火灾报警控制器相连接GB17429火灾显示盘的有关要求检查其下列功能并记录,控制器应满足标准要求:(1)区域显示器(火灾显示盘)能否在3s内正确接收和显示火灾报警控制器发出的火灾报警信号。(2)消音、复位功能。(3)操作级别。(4)对于非火灾报警控制器供电的区域显示器(火灾显示盘)应检查主、备用电源的自动转换功能和故障报警功能观察检查

展开阅读全文
相关资源
猜你喜欢
相关搜索

当前位置:首页 > 建筑/环境 > 防火建筑

copyright@ 2008-2023 1wenmi网站版权所有

经营许可证编号:宁ICP备2022001189号-1

本站为文档C2C交易模式,即用户上传的文档直接被用户下载,本站只是中间服务平台,本站所有文档下载所得的收益归上传人(含作者)所有。第壹文秘仅提供信息存储空间,仅对用户上传内容的表现方式做保护处理,对上载内容本身不做任何修改或编辑。若文档所含内容侵犯了您的版权或隐私,请立即通知第壹文秘网,我们立即给予删除!