火灾自动报警系统消防联动控制器调试质量标准及检验方法.docx

上传人:p** 文档编号:249599 上传时间:2023-04-19 格式:DOCX 页数:3 大小:16.23KB
下载 相关 举报
火灾自动报警系统消防联动控制器调试质量标准及检验方法.docx_第1页
第1页 / 共3页
火灾自动报警系统消防联动控制器调试质量标准及检验方法.docx_第2页
第2页 / 共3页
火灾自动报警系统消防联动控制器调试质量标准及检验方法.docx_第3页
第3页 / 共3页
亲,该文档总共3页,全部预览完了,如果喜欢就下载吧!
资源描述

《火灾自动报警系统消防联动控制器调试质量标准及检验方法.docx》由会员分享,可在线阅读,更多相关《火灾自动报警系统消防联动控制器调试质量标准及检验方法.docx(3页珍藏版)》请在第壹文秘上搜索。

1、火灾自动报警系统消防联动控制器调试质量标准及检验方法1检查数量:全数检查。2质量标准和检验方法:火灾自动报警系统消防联动控制器调试质量标准和检验方法类别序号检查项目质量标准单位检验方法及器具主控1试验条件将消防联动控制器与火灾报警控制器、任一回路的输入/输出模块及该回路模块控制的受控设备相连接,切断所有受控现场设备的控制连线,接通电源观察检查项目2消防联动控制系统内各类用电设备的各项控制、接收反馈信号(可模拟现场设备启动信号)和显示功能按GB16806消防联动控制系统的有关规定检查观察检查3使消防联动控制器分别处于自动工作和手动工作状态,检查其状态显示按GB16806的有关规定进行下列功能检查

2、并记录,控制器应满足相应要求:(1)自检功能和操作级别。(2)消防联动控制器与各模块之间的连线断路和短路时,消防联动控制器能在IOOS内发出故障信号。(3)消防联动控制器与备用电源之间的连线断路和短路时,消防联动控制器应能在IOOs内发出故障信号。(4)检查消音、复位功能。(5)检查屏蔽功能。(6)使总线隔离器保护范围内的任一点短路,检查总线隔离器的隔离保护功能。(7)使至少50个输入/输出模块同时处于动作状态(模块总数少于50个时,使所有模块动作),检查消防联动控制器的最大负载功能。(8)检查主、备用电源的自动转换功能,并在备用电源工作状态下重复上述(7)的检查观察检查4接通所有启动后可以恢

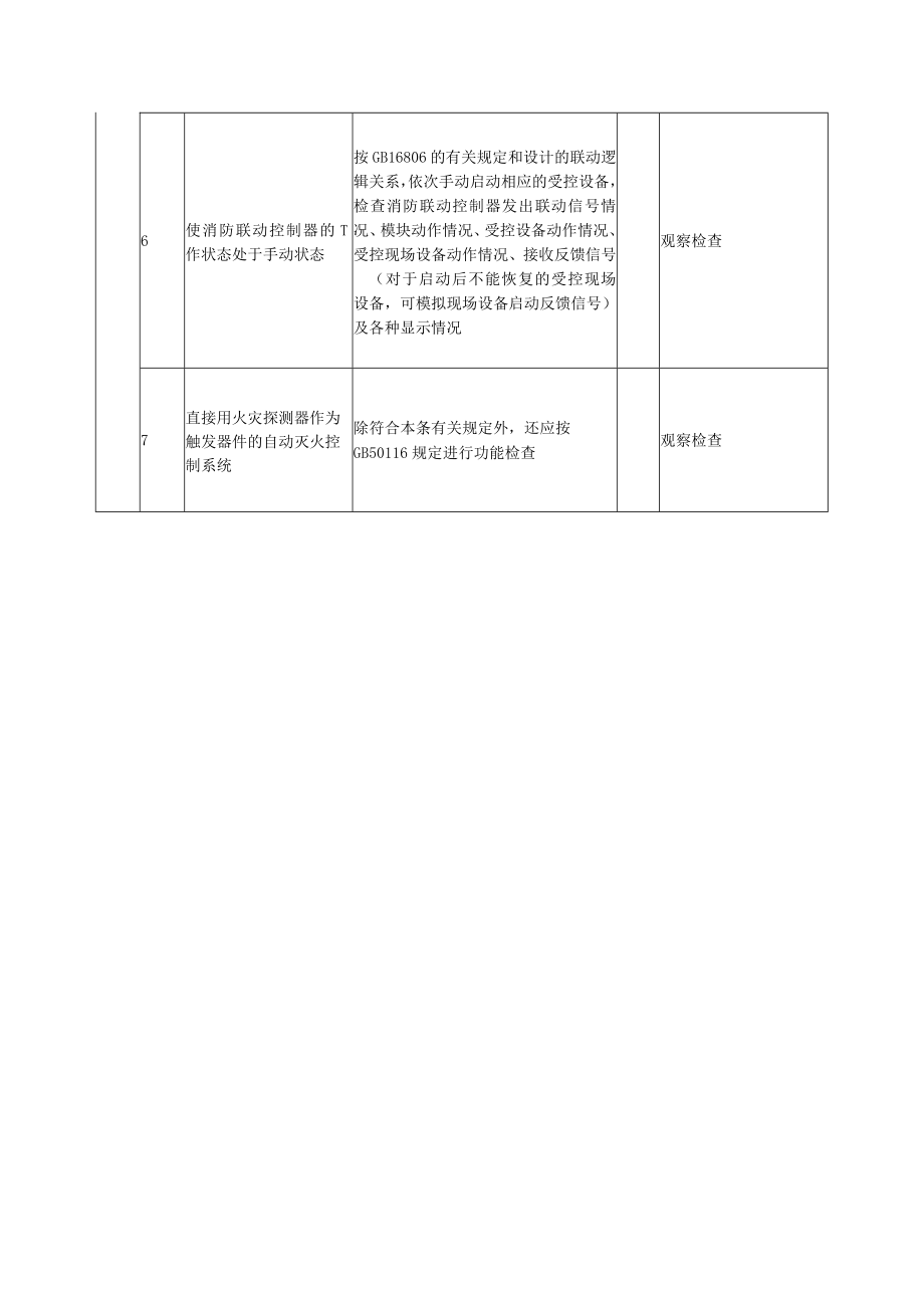
3、复的受控现场设备接通所有受控现场设备观察检查5使消防联动控制器的工作状态处于自动状态按GB16806的有关规定和设计的联动逻辑关系进行下列功能检查并记录:(1)按设计的联动逻辑关系,使相应的火灾探测器发出火灾报警信号,检查消防联动控制器接收火灾报警信号情况、发出联动信号情况、模块动作情况、受控设备动作情况、受控现场设备动作情况、接收反馈信号(对于启动后不能恢复的受控现场设备,可模拟现场设备启动反馈信号)及各种显示情况。(2)检查手动插入优先功能观察检查6使消防联动控制器的T作状态处于手动状态按GB16806的有关规定和设计的联动逻辑关系,依次手动启动相应的受控设备,检查消防联动控制器发出联动信号情况、模块动作情况、受控设备动作情况、受控现场设备动作情况、接收反馈信号(对于启动后不能恢复的受控现场设备,可模拟现场设备启动反馈信号)及各种显示情况观察检查7直接用火灾探测器作为触发器件的自动灭火控制系统除符合本条有关规定外,还应按GB50116规定进行功能检查观察检查

展开阅读全文
相关资源
猜你喜欢
相关搜索

当前位置:首页 > 建筑/环境 > 防火建筑

copyright@ 2008-2023 1wenmi网站版权所有

经营许可证编号:宁ICP备2022001189号-1

本站为文档C2C交易模式,即用户上传的文档直接被用户下载,本站只是中间服务平台,本站所有文档下载所得的收益归上传人(含作者)所有。第壹文秘仅提供信息存储空间,仅对用户上传内容的表现方式做保护处理,对上载内容本身不做任何修改或编辑。若文档所含内容侵犯了您的版权或隐私,请立即通知第壹文秘网,我们立即给予删除!