烟囱工程基础模板安装工程质量标准及检验方法.docx

上传人:p** 文档编号:249800 上传时间:2023-04-19 格式:DOCX 页数:2 大小:17.40KB
下载 相关 举报
烟囱工程基础模板安装工程质量标准及检验方法.docx_第1页
第1页 / 共2页
烟囱工程基础模板安装工程质量标准及检验方法.docx_第2页
第2页 / 共2页
亲,该文档总共2页,全部预览完了,如果喜欢就下载吧!
资源描述

《烟囱工程基础模板安装工程质量标准及检验方法.docx》由会员分享,可在线阅读,更多相关《烟囱工程基础模板安装工程质量标准及检验方法.docx(2页珍藏版)》请在第壹文秘上搜索。

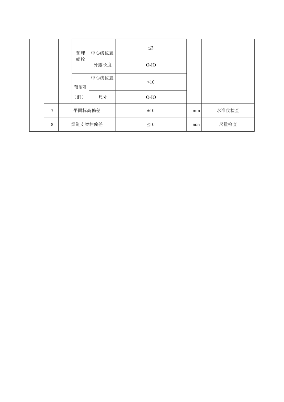
烟囱工程基础模板安装工程质量标准及检验方法模板安装工程(烟囱基础)质量标准和检验方法类别序号检验项目质量标准单位检验方法及器具主控项目1模板及其支架应根据工程结构形式、荷载大小、地基土类别、施工设备和材料供应等条件进行设计;应具有足够的承载能力、刚度和稳定性,能可靠地承受浇筑混凝土的重力、侧压力以及施工荷载对照模板设计文件和施工技术方案观察2隔离剂在涂刷模板隔离剂时,不得沾污钢筋和混凝土接槎处观察检查3预留孔(洞)齐全、正确、牢固仪器、尺量检查-般项目1模板安装(1)模板的接缝不应漏浆;在浇筑混凝土前,木模板应浇水湿润,但模板内不应有积水。(2)模板与混凝土的接触面应清理干净并涂刷隔离剂,但不得采用影响结构性能的隔离剂。(3)浇筑混凝土前,模板内的杂物应清理干净观察检查2基础中心点相对设计坐标的位移10mm仪器、尺量检查3相邻模板高低差5nun尺量检查4半径的偏差-5+10mm尺量检查5环壁或壳体基础外半径外半径的1%,且50mm尺量检查内半径内半径的1%,且40mm6预埋件及预留孔位置.预埋钢板中心线位置3mm尺量检查预埋管、预留孔中心线位置3预埋中心线位置2螺栓外露长度O-IO预留孔中心线位置10(洞)尺寸O-IO7平面标高偏差10mm水准仪检查8烟道支架柱偏差10nun尺量检查

展开阅读全文
相关资源
猜你喜欢
相关搜索

当前位置:首页 > 建筑/环境 > 防腐

copyright@ 2008-2023 1wenmi网站版权所有

经营许可证编号:宁ICP备2022001189号-1

本站为文档C2C交易模式,即用户上传的文档直接被用户下载,本站只是中间服务平台,本站所有文档下载所得的收益归上传人(含作者)所有。第壹文秘仅提供信息存储空间,仅对用户上传内容的表现方式做保护处理,对上载内容本身不做任何修改或编辑。若文档所含内容侵犯了您的版权或隐私,请立即通知第壹文秘网,我们立即给予删除!