烟囱工程砖内筒、钢内筒外侧隔热层工程质量标准及检验方法.docx

上传人:p** 文档编号:249804 上传时间:2023-04-19 格式:DOCX 页数:1 大小:14.59KB
下载 相关 举报
烟囱工程砖内筒、钢内筒外侧隔热层工程质量标准及检验方法.docx_第1页
第1页 / 共1页
亲,该文档总共1页,全部预览完了,如果喜欢就下载吧!
资源描述

《烟囱工程砖内筒、钢内筒外侧隔热层工程质量标准及检验方法.docx》由会员分享,可在线阅读,更多相关《烟囱工程砖内筒、钢内筒外侧隔热层工程质量标准及检验方法.docx(1页珍藏版)》请在第壹文秘上搜索。

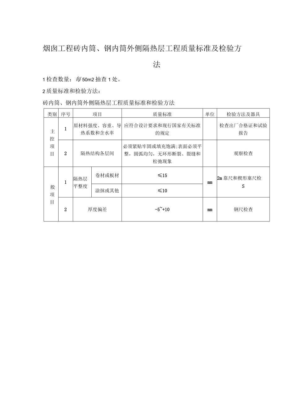
烟囱工程砖内筒、钢内筒外侧隔热层工程质量标准及检验方法1检查数量:每50m2抽查1处。2质量标准和检验方法:砖内筒、钢内筒外侧隔热层工程质量标准和检验方法类别序号项目质量标准单位检验方法及器具主控项目1原材料强度、容重、导热系数和含水率应符合设计要求和现行国家有关标准的规定检查出厂合格证和试验报告2隔热结构各层间必须紧贴牢固或填充饱满;表面必须平整,圆弧均匀,无环形断裂、裂缝和松弛现象观察检查般项目1隔热层平整度卷材或板材15mm2m靠尺和楔形塞尺检S涂抹或其他102厚度偏差-5+10mm钢尺检查

展开阅读全文
相关资源
猜你喜欢
相关搜索

当前位置:首页 > 建筑/环境 > 电气安装工程

copyright@ 2008-2023 1wenmi网站版权所有

经营许可证编号:宁ICP备2022001189号-1

本站为文档C2C交易模式,即用户上传的文档直接被用户下载,本站只是中间服务平台,本站所有文档下载所得的收益归上传人(含作者)所有。第壹文秘仅提供信息存储空间,仅对用户上传内容的表现方式做保护处理,对上载内容本身不做任何修改或编辑。若文档所含内容侵犯了您的版权或隐私,请立即通知第壹文秘网,我们立即给予删除!