牛田洋工地原材料取样与混凝土制件技术交底.docx

上传人:p** 文档编号:250383 上传时间:2023-04-19 格式:DOCX 页数:9 大小:36.28KB
下载 相关 举报
牛田洋工地原材料取样与混凝土制件技术交底.docx_第1页
第1页 / 共9页
牛田洋工地原材料取样与混凝土制件技术交底.docx_第2页
第2页 / 共9页
牛田洋工地原材料取样与混凝土制件技术交底.docx_第3页
第3页 / 共9页
牛田洋工地原材料取样与混凝土制件技术交底.docx_第4页
第4页 / 共9页
牛田洋工地原材料取样与混凝土制件技术交底.docx_第5页
第5页 / 共9页
牛田洋工地原材料取样与混凝土制件技术交底.docx_第6页
第6页 / 共9页
牛田洋工地原材料取样与混凝土制件技术交底.docx_第7页
第7页 / 共9页
牛田洋工地原材料取样与混凝土制件技术交底.docx_第8页
第8页 / 共9页
牛田洋工地原材料取样与混凝土制件技术交底.docx_第9页
第9页 / 共9页
亲,该文档总共9页,全部预览完了,如果喜欢就下载吧!
资源描述

《牛田洋工地原材料取样与混凝土制件技术交底.docx》由会员分享,可在线阅读,更多相关《牛田洋工地原材料取样与混凝土制件技术交底.docx(9页珍藏版)》请在第壹文秘上搜索。

1、汕头市牛田洋快速通道工程施工原材料取样检测及混凝土制件技术交底资料汇编交底人:被交底人:交底内容:水泥、碎石、砂、外加剂、钢筋及焊接件、混凝土及砂浆制件交底日期:水泥1.1 取样步骤:a)散装水泥:当所取水泥深度不超过2米时,每一个编号内采用散装水泥取样器取样。通过转动取样器内管控制开关,在适当位置插入水泥一定深度,关闭后小心抽出,将所取样品放入符合要求的容器中。b)袋装水泥:每一个编号内随机抽取不少于20袋水泥,采用袋装水泥取样器取样,将取样器沿对角线方向插入水泥包装袋中,用大拇指按住气孔,小心抽出取样管,将所取样品放入符合要求的容器中c)取样后,用塑料带密封装好,注意防潮并立即送试验室做试

2、验。1.2 取样数量a)水泥的取样数量应符合:袋装水泥同强度同批号水泥每编号每200T为一检验批,散装水泥每500T为一检验批。取样数量:总量至少16kg.样品取得后,应由负责取样人员填写取样单和样品标识单,同时提供生产厂家出具的质量保证书和水泥出厂3天检测报告。2、集料(碎石、砂)2.1、 集料(碎石)取样料堆取样JTGE422005公路工程集料试验规程规定:在材料场同批来料的料堆上取样时,应先铲除堆脚等处无代表性的部分,再在料堆的顶部,中部和底部,各由均匀分布的几个不同部位,取得大致相等的若干份组成一组试样,务必使所取试样能代表本批来料的情况和品质。2.2、 细集料(河砂、机制砂)取样料堆

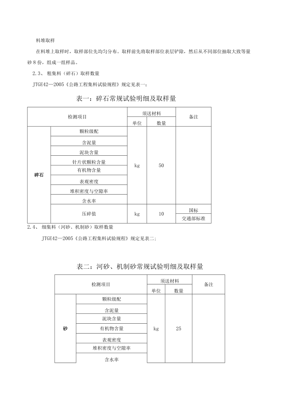
3、取样在料堆上取样时,取样部位先均匀分布。取样前先将取样部位表层铲除,然后从不同部位抽取大致等量砂8份,组成一组样品。2.3、 粗集料(碎石)取样数量JTGE422005公路工程集料试验规程规定见表一;表一:碎石常规试验明细及取样量检测项目须送材料备注单位数量碎石颗粒级配kg50含泥量泥块含量针片状颗粒含量有机物含量表观密度堆积密度与空隙率含水率压碎值kg10国标交通部标准2.4、 细集料(河砂、机制砂)取样数量JTGE422005公路工程集料试验规程规定见表二;表二:河砂、机制砂常规试验明细及取样量检测项目须送材料备注单位数量砂颗粒级配kg25含泥量泥块含量有机物含量表观密度堆积密度与空隙率含

4、水率压碎指标值亚甲蓝MBV砂当量3、土3.1引用标准:JTGE402007公路土工试验规程3.2 取样方法土样的采集、运输和保管,是完成土工试验极其重要的环节,尤其是对特殊土的采集和运输应特别注意,如果送到试验室的土样不符合要求,没有代表性,那么,任何精密的仪器和审慎的操作都将毫无意义。常见土样一般分原状土或扰动土,视工程对象而定。目前,公路工程施工试验室,一般只对扰动土进行试验,因此,本章节只针对用于公路工程填土路堤的扰动土取样方法进行介绍。a)取土场、挖方段土样应先清除表层植被土,根据施工用土的顺序及土层厚度情况,先挖好取土探坑,取样土探坑需具有代表性,再对从探坑中挖出来的土进行观察分类(

5、观察土的颜色、土类、颗粒、气味及夹杂特等)再根据分类测量出探坑中各类土层的厚度,根据土类厚度的比例,采集符合试验要求的土样重量,应使土样具有代表性。b)施工现场土样观察送到施工现场土样的颜色、土类、颗粒、气味及夹杂物等,再根据各种分类的土数量比例,采集符合试验要求的土样重量,应使土样具有代表性。3.3 取样数量(见表三):表三:常规试验明细及取样量检测项目须送材料备注单位数量土工含水量(烘干法、酒精燃烧法)kg各10颗粒分析(筛分法)界限含水量(液限和塑限联合测定法)最大干密度、最佳含水率35承载比(CBR)50100二种或三种干密度4、钢筋原材4.1 引用标准:GB/T228.1-2010金

6、属材料室温拉伸试验方法、GB/T232-2010金属材料弯曲试验方法、GB1499.1-2017钢筋混凝土用钢第一部分:热轧光圆钢筋、GB1499.2-2018钢筋混凝土用钢第二部分:热轧带肋钢筋。4.2 组批规则钢筋应按批进行检查和验收,每批由同一牌号、同一炉罐号、同一尺寸的钢筋组成。每批重量通常不大于60T。超过60T的部分,每增加40T(或不足40T的余数),增加一个拉伸试验试样和一个弯曲试验试样4.3 检验项目和取样数量钢筋常规检验项目应符合表四、表五的规定。局MH拉伸冷弯重量偏差长度(Dm)数量(根)长度(mm)数量(根)长度(mm)数量(根)85504250455010101214

7、16183002022表四热轧光圆钢筋检验项目、取样数量和取样长度表五热轧带肋钢筋检验项目、取样数量和取样长度钢筋标号拉伸冷弯(HRB400)重量偏差反弯长度(mm)数量(根)长度(nun)数量(根)长度(mm)数量(根)长度(mm)数量(根)85504300455010750210121416183508002022252845032另外,试样总长度也不宜太长,应满足钢筋拉断后万能试验机的行程要求。4.4 取样方法a)取样前,取样人员需先检查来样批钢筋的出厂标示牌、钢筋实物标记,确认来样批钢筋无异常,代表数量符合报验单要求后开始取样工作。b)在来样批钢筋中任选两根钢筋切去端头部位(50Omm

8、左右)后按表格规定的长度分别切取拉伸、弯曲(反弯)试样。c)在来样批钢筋中任选5根钢筋切去端头部分(50Omm左右)后,用砂轮切割机分别切取10根重量偏差试样,试样的两端头应尽量切平整。d)样品取得后,用软扎钢丝将同一根钢筋中取下的拉伸、弯曲各一根样品绑扎在一起,再按不同规格、不同批号的钢筋分别绑扎,以避免样品混杂。4.5 附件样品取得后,应要求钢筋购买单位提供厂家出具的钢筋材料质量保证书或钢筋出厂检验报告,证明材料应符合相关标准要求,5、钢筋连接公路工程钢筋连接主要分焊接与机械连接两大类5.1 组批规则a)钢筋焊接头:在同一台班内,由同一焊工按同一焊接参数完成的300个同类型(指钢筋级别和直

9、径均相同的接头)接头作为一批。一周内连续焊接时可以连续计算,一周内累计不足300个接头时,亦按一批计算。b)钢筋机械连接接头:同一施工条件下采用同一批材料的同等级、同型式、同规格接头,以500个为一个验收批进行检验与验收,不足500个也作为一个验收批。5.2 取样数量,样品长度,取样方法a)焊接头:取样数量、取样方法:应从每批成品中切取3个试件进行拉伸试验焊缝长度:1、单面焊:Lh=od(mm)、2双面焊:Lh=5d(mm)样品长度:双面帮条焊8d+Lh+2J(mm)单面帮条焊5d+Lh+2J(mm)双面搭接焊8d+Lh+2J(mm)单面搭接焊5d+Lh+2J(mm)d-钢筋直径(mm)Lh-

10、焊缝长度(mm)J-一夹具长度(mm)a弯心直径(mm)b)钢筋机械连接接头:取样数量、取样方法:型式检验:对每种型式、级别、规格、材料、工艺的钢筋机械连接接头,型式检验试件不应少于9个;其中单向拉伸试件不应少于3个,高应力反复拉压试件不应少于3个,大变形反复拉压试件不应少于3个。同时应另取3根钢筋试件做抗拉强度试验。全部试件均应在同一根钢筋上截取。工艺检验:钢筋连接工程开始前及施工进程中,应对每批进场钢筋进行接头工艺检验,工艺检验每种规格钢筋的接头试件不应少于3根,钢筋母材抗拉强度试件不应少于3应取自接头试件的同一根钢筋.现场检验:每检验批随机切取3根试件。样品长度:型式检验:应根据委托检测

11、单位的要求制取试件。工艺、现场检验:8d+Lh+2J5.3 附件:样品取得后,取样人员应要求接头生产单位出具以下资料:a)焊接钢筋工艺试验:钢筋、焊条、焊剂的出厂质量保证书。b)机械连接接头:钢筋、连接件出厂质量保证书。6、外加剂(减水剂)1、取样及编号8.1 试样分点样和混合样,点样是在一次生产的产品所得试样,混合样的三个或更多的点样等量均匀混合而取得的试样。8.2 生产厂应根据产量设备条件,将产品分批编号,掺量大于等于遇的同品种的外加剂每一编号为1201;掺量小于1%的同品种的外加剂每一编号为60t;不足120t或者60t的也可按一个批量计,同一编号的产品必须混合均匀。8.3每一个编号取样

12、量不少于0.2t水泥所需要的外加剂量。8.4取样完毕后,向外加剂够买单位提供厂家出具的外加剂材料质量保证书或外加出厂检验报告,证明材料应符合相关标准要求,注意:每种原材检测,往试验室送检五次,必须向中心试验室(广东交科)送检一次!7、水泥混凝土(一)根据混凝土结构工程施工质量验收规范(GB50204-2015)、混凝土强度检验评定标准(GB/T50107-2010)及公路桥涵施工技术规范(JTGTF50-2011)的规定,用于检查结构构件混凝土强度的试件,应在混凝土的浇筑地点随机抽取。取样与试件留置应符合以下规定:1、浇筑一般体积的结构物(如基础、墩台等)时,每一单元结构物应制取不少于2组;2

13、、连续浇筑大体积结构物时,每200m3或每一工作班应制取不少于2组;3、每片梁(板),长16m以下的应制取1组,16-3Om应制取2组,31-5Om应制取3组,50m以上者应不少于5组。4、就地浇筑混凝土的小桥涵,每一座或每一工作班应制取不少于2组;当原材料和配合比相同时,并由同一拌和站拌制时,可几座合并并制取不少于2组。5、每桩基取样3-4组,6、每批混泥土试样应制作的试件总组数,除满足混凝土强度检验评定标准所必需的组数外,还应留置为检验架构或构件施工阶段混凝土强度所必需的试件。(二)试件制作和养护根据普通混凝土力学性能试验方法标准GB/T50081-2002的要求,混凝土试件的制作和养护按

14、下列规定:1试件的制作1.1 混凝土试件的制作应符合下列规定:1.1.1 成型前,应检查试模尺寸并符合GB/T500812002的规定;试模内表面应涂一薄层矿物油或其他不与混凝土发生反应的脱模剂。1.1.2 取样或试验室拌制的混凝土应在拌制后尽短的时间内成型,一般不宜超过15min01.1.3 根据混凝土拌合物的稠度确定混凝土成型方法,坍落度不大于70mm的混凝土宜用振动振实;大于70mm的宜用捣棒人工捣实;检验现浇混凝土或预制构件的混凝土,试件成型方法官与实际采用的方法相同。1.2 混凝土试件制作应按下列步骤进行:1.2.1 搅拌站拌和第三盘混凝土取样,放到翻斗车里面要拌和均匀。1.2.2 取样或拌制好的混凝土拌合物应至少用铁锹再来回拌合三次。1.2.3 按以上1.1.3的规定,选择成型方法成型。1)用振动台振实制作试件应按下述方法进行:a.将混凝土拌合物一次装入试模,装料时应用抹刀沿各试模壁插捣,并使混凝土拌合物高出试模口;b.试模应附着或固定在符合有关要求的振动台上,振动时试模不得有任何跳动,振动应持续到表面出浆为止;不得过振。2)用人工插捣制作试件应按下述方法进行:a.混凝土拌合物应分两层装入模内,每层的装料厚度大致相等;b.插捣应按螺旋方向从边缘向中心均匀进行。在插捣底层混凝

展开阅读全文
相关资源
猜你喜欢
相关搜索

当前位置:首页 > 行业资料 > 金属学与金属工艺

copyright@ 2008-2023 1wenmi网站版权所有

经营许可证编号:宁ICP备2022001189号-1

本站为文档C2C交易模式,即用户上传的文档直接被用户下载,本站只是中间服务平台,本站所有文档下载所得的收益归上传人(含作者)所有。第壹文秘仅提供信息存储空间,仅对用户上传内容的表现方式做保护处理,对上载内容本身不做任何修改或编辑。若文档所含内容侵犯了您的版权或隐私,请立即通知第壹文秘网,我们立即给予删除!