5S活动推行管理方案.docx

上传人:p** 文档编号:250915 上传时间:2023-04-19 格式:DOCX 页数:34 大小:137.55KB
下载 相关 举报
5S活动推行管理方案.docx_第1页
第1页 / 共34页
5S活动推行管理方案.docx_第2页
第2页 / 共34页
5S活动推行管理方案.docx_第3页
第3页 / 共34页
5S活动推行管理方案.docx_第4页
第4页 / 共34页
5S活动推行管理方案.docx_第5页
第5页 / 共34页
5S活动推行管理方案.docx_第6页
第6页 / 共34页
5S活动推行管理方案.docx_第7页
第7页 / 共34页
5S活动推行管理方案.docx_第8页
第8页 / 共34页
5S活动推行管理方案.docx_第9页
第9页 / 共34页
5S活动推行管理方案.docx_第10页
第10页 / 共34页
亲,该文档总共34页,到这儿已超出免费预览范围,如果喜欢就下载吧!
资源描述

《5S活动推行管理方案.docx》由会员分享,可在线阅读,更多相关《5S活动推行管理方案.docx(34页珍藏版)》请在第壹文秘上搜索。

1、整理活动的推进方案一、目的为规范工厂工作现场的整理活动,区分必需品与非必需品,有效推进3定5S活动,提高工作效率和产品质量,特制定本方案。二、适用范围本方案适用于工厂内部3定5S推进过程中的整理活动。三、整理活动目标1 .腾出空间,增加作业面积。2 .减少库存,节约资金。3 .减少失误现象发生的可能性,提高生产的安全性。4 .消除管理死角,提高产品质量。5 .塑造整洁、清爽的工作场所,使员工心情舒畅,工作热情高涨。四、实施主体1 .3定5S推进办公室负责整理活动的策划、组织、监督执行及效果评估工作。2 .生产现场各部门人员负责具体的整理工作。五、实施时间整理活动应作为一个循环过程,在生产现场每

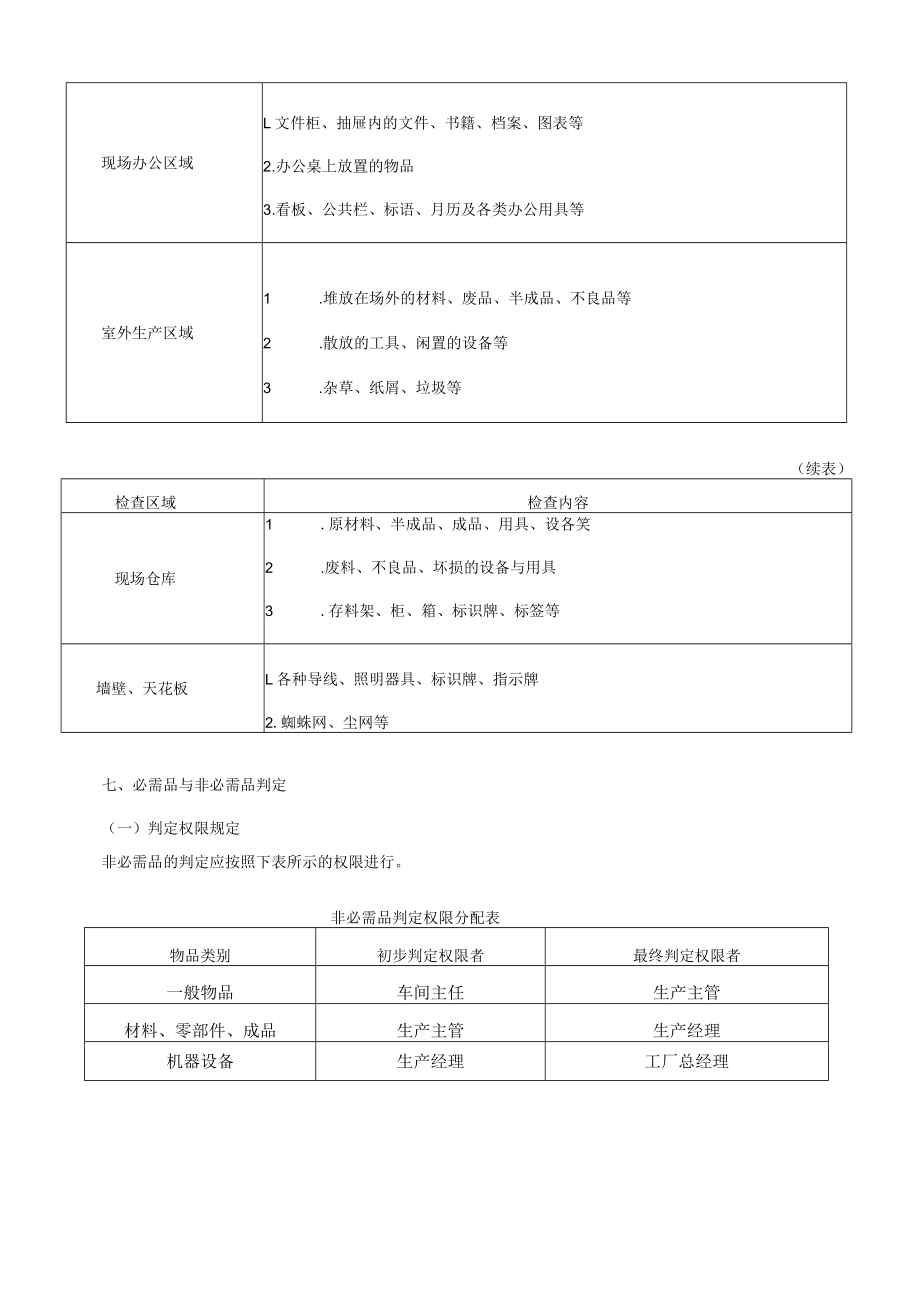
2、月定期执行。六、现场检查3 定5S推进办公室组织生产现场员工进行工作现场范围内的全面检查。具体检查内容参照下表。整理活动检查内容列表检查区域检查内容生产作业区域1 .机器设备、模具、零部件等2 .操作台面、机器设备上摆放的物品3 .工作场地及角落堆放的成品、半成品、不良品、材料、工具、垃圾等4 .生产现场中各类容器及其所装物品现场办公区域L文件柜、抽屉内的文件、书籍、档案、图表等2 .办公桌上放置的物品3 .看板、公共栏、标语、月历及各类办公用具等室外生产区域1 .堆放在场外的材料、废品、半成品、不良品等2 .散放的工具、闲置的设备等3 .杂草、纸屑、垃圾等(续表)检查区域检查内容现场仓库1

3、.原材料、半成品、成品、用具、设各笑2 .废料、不良品、坏损的设备与用具3 .存料架、柜、箱、标识牌、标签等墙壁、天花板L各种导线、照明器具、标识牌、指示牌2.蜘蛛网、尘网等七、必需品与非必需品判定(一)判定权限规定非必需品的判定应按照下表所示的权限进行。非必需品判定权限分配表物品类别初步判定权限者最终判定权限者一般物品车间主任生产主管材料、零部件、成品生产主管生产经理机器设备生产经理工厂总经理(二)判定标准必需品与非必需品判定标准如下表所示。必需品与非必需品的判定标准物品判定结果判定标准必需品1 .经常使用的2 .缺少时需要购入代替品、影响正常生产的3 .在标准存量范围内的非必需品1 .使用

4、周期较长的2 .对目前生产无任何作用的3 .超出生产需要存量的八、物品的处理(一)必需品的处理必需品的处理办法参照下表。必需品处理办法必需品类型处理办法经常使用的物品摆放在生产作业人员的身旁或附近不经常使用的物品摆放到较远的位置偶尔使用的物品安排专人保管需耗费较长时间取用的物品只留下必要的数量在生产现场(二)非必需品的处理非必需品的处理办法如下表所示。非必需品处理办法序号非必需品类型处理办法具体操作1材料、零部件、“设备、工具等改用改用于其他项目或其他有需要的部门2不良品、故障设备等修理、修复对其进行修理、修复,恢复其使用价值3由于其他客观原因无法使用的物品折价出售向供应商退货,或者以较低价格

5、出售,以回收价款4确实无法发掘其使用价值及商品价值的物品废弃本着资源再利用的原则,在不影响环境的条件下进行废弃处理(三)报废处理程序1 .由物品所在部门向5S推进小组提出废弃申请。2 .5S推进小组对申请进行受理,并交至技术部门和其他相关部门对物品价值进行鉴定。3 .由设备管理部门对其再利用的可行性进行分析,并向5S推进小组反馈信息。4 .经设备管理部门确认无再利用价值后,5S推进小组交至财务部门对物品价值进行确认。5 .经财务部确认无价值后,5S推进小组编制废弃计划,报总经理批准。6 .5S推进小组组织实施废弃处理,填写废弃处理申请单,并保留单据备查。7 .财务部门进行相应的账面销账处理。(

6、四)非必需品预防控制1 .生产部门各主管根据生产计划严格控制领料数量和用具的领用,防止员工领取多余的原材料和生产用具。2 .对于多余的原材料,零部件及各类用品、用具,应及时退回仓储部门。3 .生产主管应随时检查产成品和半成品的数量,及时办理入库,控制生产进度,预防堆积。4 .生产过程中的不良品应定期进行修复或废弃处理,九、整理活动评价(一)评价标准整理活动结束后,由3定5S办公室组织进行整理评估,对各生产区域进行整理效果评价。评价标准如下表所示。整理活动评价标准项目检查标准得分备注通道1 .物品堆放过多,无法通行,且脏乱,得O分2 .虽能通行,但要避开杂物,不能正常通行,得5分3 .杂物超出通

7、道,但有警示牌,得10分4 .通畅,但周围物品不够整洁,得15分5 .通道畅通、整洁,得20分设备周围及操作台1.1个月以上未用的设备或物品杂乱堆放,得0分2.放半个月以后要用的东西,且杂乱,得5分3.1周内要用,但无整理,得10分4.1周内要用,且整理好,得15分5.3日内使用,且整理很好,得20分料架1 .杂乱存放不使用的物品,得0分2 .摆放不使用的物品,但较整齐,得5分3 .料架上摆放近日需使用的物品,但较为杂乱,得10分4 .摆放物为3天内需使用的物品,很整齐,得15分项目检查标准得分备注现场仓库1 .东西摆放杂乱,得。分2 .有定位规定,但没被严格遵守,得5分3 .有定位规定,有管

8、理,但不满足“先进先出”原则,得10分4 .严格定位,有效管理,物品摆放有序、整洁,得15分台面及抽屉1 .不使用的物品杂乱堆放,得。分2 .摆放半个月才用一次的物品,得5分3 .摆放1周内要使用的物品,但摆放较为整齐,得10分4 .台面及抽屉内之物品均为当日使用,且整齐,得15分文件柜L私人文件与公用文件混杂,无用、重复、过期的文件充斥其间,得。分2 .有所整理,无非必需品,但较为杂乱,得5分3 .文件按照分类进行保存,排列较为整齐,得10分4 .文件归类整齐,标识明确,易于查找,且对重要文件进行备份,得15分合计(二)结果运用整理活动效果的评价结果分为5等,具体划分标准及处理办法如下表所示

9、。整理评价结果处理等级划分标准处理措施S90(含)口00分工厂会议上进行表彰并颁发奖状,责任人员月度奖金提高20%,现场张贴光荣榜A70(含)90(不含)分由5S推进小组对其区域内不合格项目进行复查,直至合格等级划分标准处理措施(三B)50(含)70(不含)分区域负责人员接受5S培训,限期改善现场不合格项,月度奖金扣减20%结果C-50(不含)分以下月度会议上提出批评,责令限期改正不合格项,责任人员月度奖金扣减50%(三)结果申诉对考核结果有意见者,可直接向3定5S推进办公室或委员会进行申诉,如对3定5S推进办公室或委员会的解释仍存有意见,可向工厂总经理提交报告,进行申诉。整顿活动推进方案一、

10、目的为了对生产现场的物品进行科学合理的布置和摆放,有效推进3定5S管理,提高工作效率和产品质量,保障生产安全,特制定本方案。二、适用范围本方案适用于工厂内部3定5S推进过程中的整顿活动。三、整顿目标1 .工作现场的物品摆放整齐有序。2 .各类物品标识清晰,一目了然。3 .物品取用方便,寻找时间为零。四、整顿时间工作现场进行整顿的时间应是结束整理活动之后一周内开始进行。五、分析现状L在进行整理活动之后,由3定5S推进小组组织进行现场实际情况诊断,并进行分析。4 .分析步骤包括以下5点。(1)检查整理工作是否全部完成,确认非必需品是否清理完毕。(2)将现场工作过程中,物品的传送情况用图纸表示出来。

11、(3)依据用品就近原则划分各类物品的摆放区域。(4)查看各类物品是否摆放在规定区域内。(5)将现场物品的实际分布情况用表格进行记录。六、明确场所1 .对现场情况进行分析后,在3定5S推进小组的组织下,各生产车间按照各类物品的使用需求,详细划分各类物品的摆放场所。2 .用不同颜色的油漆及引线来明确区分各区域用途,具体规定如下表所示。区域划分说明表区域划分说明黄色实线一般通道、区域、固定物品的定位线黄色虚线机器设备定位线,表示移动台车、工具车等的停放位置绿色区域表示原材料区、成品区红色区域表示不合格品区、废品区、危险区红色斑马线表示不得进入、不得放置,如配电装置、消防栓、升降梯等区域黄黑虎纹线表示

12、警告、警示,如地面突起物、易碰撞处、坑道、台阶等七、决定放置方法1 .整顿活动中的物品放置方法及适用对象如下表所示。物品放置方法及适用对象放置形式说明适用对象固定位置场所固定物品固定放置于区域线内或某一固定位置产成品、机器设备、工具等标识固定物品放置标识保持不变需防潮、轻放的物品自由位置物品放置有一定自由度,不必放回原处,按工艺流程、工序步骤进行流转移动原材料、零部件、半成品等2 .物品放置具体要求如下所示。(1)同类物品应集中放置,并按照“先进先出”原则进行取用。(2)长形物品应横放,或将多个长形物品用绳捆扎束紧后竖放。(3)各类使用频率高的工具,应依其形状画出外形轮廓,在固定场所定位,以便

13、于拿取、存放。(4)危险物品应放在特定场所保管,并用栅栏隔离。(5)文件应按照不同类别装入不同的文件夹,放入文件柜内,并保证柜内物品明显易见。(6)尽量使用物料架摆放物品,提高空间利用率。八、明确标识对整顿区域内的各类事物用标识牌标识区域、类别、物品名称、数量、用途、责任者等信息。具体内容如下表所示。标识牌内容说明表标识牌标识内容样板区域标识牌车间名称、责任人、活动时间工具架标识牌班组名称、物品类别(如五金工具类、模具类等)、责任人,物品名称工具柜标识牌车间名称、所属货架类别编号、责任人、物品名称工具、物品定点标识牌物品类别、物品名称、规格、数量、最大库存、最小库存文件柜标识部门名称、文件柜编

14、号、责任人、文件的类别(如常用文件、表单等)各类管理对象(如配电箱、消防用具等)车间名称、班组名称、物品名称、物品编号、责任人九、整顿检查(一)整顿合格标准整顿活动结束后,由3定5S推进小组负责检查整顿的执行情况。具体检查标准如下表所示。整顿评价标准整顿项目合格判定标准是否合格备注机器设备L设备之间摆放距离远近适中,既不影响清扫、维修,也不浪费空间2 .设备旁备有操作规程和操作注意事项3 .设备维修保养相关记录完整机台、台车L无多余作业台或棚架,且位置摆放合理2 .台、架稳固,无晃动3 .需移动物品的台架要有货轮,方便移动4 .台、架置于较高的地面上,便于清理整顿项目合格判定标准是否合格备注工装夹具1 .无多余或具有相同功能的工具2 .工具放置在离作业现场最近的地方,避免取用和归位时的过多步行和弯腰3 .频繁使用的工具采用吊挂式或放置在双手展开的最大范围内4 .工具还原位置有定位标识切削工具1 .常用工具由固定使用者负责管

展开阅读全文
相关资源
猜你喜欢
相关搜索

当前位置:首页 > 管理/人力资源 > 管理学资料

copyright@ 2008-2023 1wenmi网站版权所有

经营许可证编号:宁ICP备2022001189号-1

本站为文档C2C交易模式,即用户上传的文档直接被用户下载,本站只是中间服务平台,本站所有文档下载所得的收益归上传人(含作者)所有。第壹文秘仅提供信息存储空间,仅对用户上传内容的表现方式做保护处理,对上载内容本身不做任何修改或编辑。若文档所含内容侵犯了您的版权或隐私,请立即通知第壹文秘网,我们立即给予删除!