公寓房维修出新项目询价文件.docx

上传人:p** 文档编号:252117 上传时间:2023-04-19 格式:DOCX 页数:5 大小:22.15KB
下载 相关 举报
公寓房维修出新项目询价文件.docx_第1页
第1页 / 共5页
公寓房维修出新项目询价文件.docx_第2页
第2页 / 共5页
公寓房维修出新项目询价文件.docx_第3页
第3页 / 共5页
公寓房维修出新项目询价文件.docx_第4页
第4页 / 共5页
公寓房维修出新项目询价文件.docx_第5页
第5页 / 共5页
亲,该文档总共5页,全部预览完了,如果喜欢就下载吧!
资源描述

《公寓房维修出新项目询价文件.docx》由会员分享,可在线阅读,更多相关《公寓房维修出新项目询价文件.docx(5页珍藏版)》请在第壹文秘上搜索。

1、公寓房维修出新项目询价文件项目名称:某学院21套公寓房维修出新项目项目编号:某某科技大学国际关系学院服务保障中心询价邀请根据公开、公平、公正、诚信原则,某某科技大学国际关系学院采用询价的方式选取某学院21套公寓房维修出新项目服务单位。1、项目名称:某学院21套公寓房维修出新项目2、项目编号:3、项目内容:对家属区21套公寓房进行维修出新。(详见附件1)4、投标截止时间:2021年11月26日10:005、投标人自行前往考察现场,请务必对项目现场和周围环境进行仔细认真地查勘,在随后采购中,对现场资料和数据所作出的推论、解释和结论及由此造成的后果由供应商负责(未现场勘察和未提出疑义的投标人将被视为

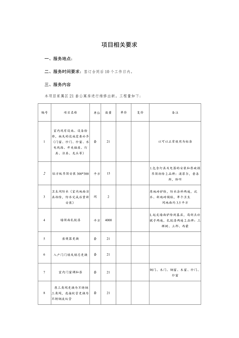
2、已勘察,认同项目要求的内容)。6、询价响应文件报送地点:。联系人:附件:L项目相关要求2.投标方资质要求及需提供的资料项目相关要求一、服务地点:二、服务时间要求:签订合同后10个工作日内。三、服务内容本项目家属区21套公寓房进行维修出新。工程量如下:编号项目名称单位数量单价复价备注1室内现有设施、设备检修,缺失的设施需要补齐(门窗、纱门、纱窗、水电线路、开关插座、灯具、洁具、龙头等)套21以可以正常使用为标准2铝方板吊顶安装300*300平方151.包含灯具及电器的安装和原破损吊顶拆除2.品牌:浦菲尔,普洛斯,聆听3卫生间防水(室内地面洁具拆除,防水完成后重新安装)间2原地砖铲除,防水涂料两遍

3、,试水、新地砖铺贴,单个卫生间地面约3.5平方4墙顶面乳胶漆平方4000L起皮墙面铲除到基层,局部点补腻子两遍,乳胶漆两遍2.品牌:三棵树、立邦、西蒙5座便器更换套216入户门门锁或锁芯更换套217室内门窗调和漆套21钢门、木门、钢窗、木窗、纱门、纱窗8原三角阀更换为不锈钢三角阀,连接软管更换为不锈钢波纹管套219室内保洁套21L施工区域整体保洁2 .保洁内容包括不限于地面、墙面、门、窗保洁以及灯具,风扇,桌椅、空调等擦洗。3 .投标人结合现场实际,综合考虑报价10拆除、垃圾外运、部分室内家具搬运套21报价包括人工、清洁工具、作业车辆设备等所需一切相关费用四、技术和服务要求L该项为现场作业项目

4、,需要现场考察。2.具有房屋修缮或装饰装修相关的经营资质。五、i聆示办法本项目评审采用经评审合格的最低价中标法。六、付款方式合同签订后,服务商10个工作日完成所有项目内容,并申请竣工验收,验收合格后付至工程合同价(除暂列金额)的70%;审计结算后付至审计金额的95%;保质期(竣工验收合格之日起两年)结束后支付审计金额的5%尾款。七、报价要求1 .控制总价14.62万元以内。2 .投标方报价包括人工、清洁工具、作业车辆设备等所需一切相关费用。投标人报价均超过招标人预算,招标人将做废标处理。报价格式详见附件“21套公寓房维修出新清单。投标方姿质要求及需提供的资料一、投标方的资质要求1 .投标人具有

5、独立法人资格并依法取得企业营业执照,营业执照处于有效期内(提供营业执照复印件并盖章)。2 .投标人为非外资独资或外资控股企业。3 .非企业法人代表投标,必须有企业法人委托书原件(法人签字或私人印章并加盖单位公章)和受委托人身份证复印件。4 .本项目不接受联合体投标。5 .具有房屋修缮或装饰装修相关的经营资质。6 .近3年内(2018年10月31日至2021年IO月31日)在经营活动中没有违法记录(投标人提供承诺并盖章)。7 .本采购项目不接受有关联关系的供应商参加采购活动。中华人民共和国公司法第二百一十六条“关联关系,是指公司控股股东、实际控制人、董事、监事、高级管理人员与其直接或者间接控制的企业之间的关系,以及可能导致公司利益转移的其他关系。但是,国家控股的企业之间不仅因为同受国家控股而具有关联关系”。二、投标方需提供资料1 .询价响应文件(一式2份,正本1份,副本1份)至少应含以下内容:法定代表人资格证明(或委托证明)、本人身份证、营业执照、组织机构代码证、税务登记证副本原件等材料、报价文件;无违法犯罪承诺(盖章),证书复印件以及需要补充和说明的其它文件。3 .报价文件需加盖投标人印章。4 .询价文件需密封并盖章,封面注明公司名称、联系人、联系方式及“2021年11

展开阅读全文
相关资源
猜你喜欢
相关搜索

当前位置:首页 > 建筑/环境 > 招标文件

copyright@ 2008-2023 1wenmi网站版权所有

经营许可证编号:宁ICP备2022001189号-1

本站为文档C2C交易模式,即用户上传的文档直接被用户下载,本站只是中间服务平台,本站所有文档下载所得的收益归上传人(含作者)所有。第壹文秘仅提供信息存储空间,仅对用户上传内容的表现方式做保护处理,对上载内容本身不做任何修改或编辑。若文档所含内容侵犯了您的版权或隐私,请立即通知第壹文秘网,我们立即给予删除!