粮食仓储企业安全风险辨识与管控分级指南.docx

上传人:p** 文档编号:255405 上传时间:2023-04-19 格式:DOCX 页数:31 大小:120.22KB
下载 相关 举报
粮食仓储企业安全风险辨识与管控分级指南.docx_第1页
第1页 / 共31页
粮食仓储企业安全风险辨识与管控分级指南.docx_第2页
第2页 / 共31页
粮食仓储企业安全风险辨识与管控分级指南.docx_第3页
第3页 / 共31页
粮食仓储企业安全风险辨识与管控分级指南.docx_第4页
第4页 / 共31页
粮食仓储企业安全风险辨识与管控分级指南.docx_第5页
第5页 / 共31页
粮食仓储企业安全风险辨识与管控分级指南.docx_第6页
第6页 / 共31页
粮食仓储企业安全风险辨识与管控分级指南.docx_第7页
第7页 / 共31页
粮食仓储企业安全风险辨识与管控分级指南.docx_第8页
第8页 / 共31页
粮食仓储企业安全风险辨识与管控分级指南.docx_第9页
第9页 / 共31页
粮食仓储企业安全风险辨识与管控分级指南.docx_第10页
第10页 / 共31页
亲,该文档总共31页,到这儿已超出免费预览范围,如果喜欢就下载吧!
资源描述

《粮食仓储企业安全风险辨识与管控分级指南.docx》由会员分享,可在线阅读,更多相关《粮食仓储企业安全风险辨识与管控分级指南.docx(31页珍藏版)》请在第壹文秘上搜索。

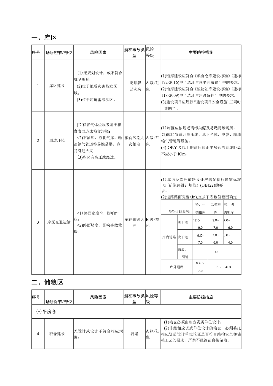
1、粮食仓储企业安全风险辨识与管控分级指南山西粮油集团朔州储备库有限责任公司一、库区1二、储粮区2(一)平房仓2(-)浅圆仓、立筒仓5(三)简易仓囤8三、办公生活区11四、药品(剂)管理16五、设备设施19(一)机械设备19(二)电气设备28(三)消防设施33(四)防汛设施35六、智能化系统管理36七、出入仓作业41八、专项作业48九、外包作业57一、库区序号场所密节/部位风险因素潜在事故类型风险等级主要防控措施1库区建设(1)无规划设计;或不符合城乡规划;(2)位于地质灾害易发区域;(3)位于河道蓄滞洪区。坍塌洪涝火灾A级/红色(1)粮库建设应符合粮食仓库建设标准(建标172-2016)中“选址

2、与总平面布置”中的要求。(2)油库建设应符合植物油库建设标准(建标118-2009)中“选址与建设条件”中的要求。(3)建设项目应履行“建设项目安全设施三同时制度”。2周边环境(D有害气体尘埃吸附于粮食表面造成粮食污染:2)石油库、液化气库、输油输气管道等易燃易爆,容易引起火灾:(3)库区有高压线经过。粮食污染火灾触电A级/红色(1)库区应依规远离污染源及易燃易爆场所。(2)库区宜避开高压线、地下光缆、电缆、输油输气管道等设施。(3)IOKY及以上的高压线距平房仓的直线距离不应小于IOmo3库区交通运输1)路面宽度窄,影响作业;2)路面堵塞,影响事故救援。车辆伤害火灾B级/橙色(1)库内及库外

3、道路设计应满足现行国家标准厂矿道路设计规范(GBJ22)的要求。(2)道路路面宽度(In),宜按下表数值范围确定:类别道路类另广特、一类粮库二类粮库三、四类粮库库内道路主干道12.0-9.09.07.07.06.0次干道9.O-7.07.06.0604.0辅道、引道4.0库外道路9.O7.07.。6.0二、储粮区序号场所保节/部位风险因索潜在事故类型风险等级主要防控措施(-)平房仓4粮仓建设无设计或设计不符合相应规范。坍塌A级/红色(1)粮仓必须由相应资质单位设计。(2)非经相应资质单位设计的粮仓,必须委托相应资质设计单位论证是否符合结构安全和储粮工艺的要求,严禁不经论证直接储粮。5粮仓使用超

4、限装粮,超年限使用。坍塌A级/红色(1)粮仓应制作和安装粮仓设计说明标牌,标明粮仓的设计单位、年份、储存品种、储存形式、装粮高度、仓容、使用年限等,用于指导和检查储粮。(2)超过设计结构使用年限的粮仓,必须委托相应资质的房屋鉴定机构进行鉴定,根据鉴定结论确定能否继续装粮。(3)墙面应按设计最大的仓容量标明装粮线及高度标尺,严禁超设计装粮线装粮。6压仓实验未进行压仓实验。坍塌B级/橙色粮仓第一次装粮应按设计要求进行压仓实验。7装粮高度粮面与屋顶水平构件净高过低。其他伤害D级/蓝色平房仓粮面与屋顶水平构件之间的净高应满足人员使用的最低要求,同时,保证定的净空高度有利于通风。对于采用屋架、钢架等有较

5、大的向下突出构件的平房仓,构件下表面至粮面的净高不宜小于1.8米,在满足使用要求的前提下,应尽可能降低平房仓的高度。8粮情检测门、斜梯和平台(D门洞过窄、过低;(2)斜梯和平台防护栏杆开焊、腐蚀;3)斜梯、平台、栏杆固定不牢固。其他伤害高处坠落C级/黄色(1)粮情检测门应保温、密闭,门洞宽度不应小于0.80米,高度不宜小于1.80米;仓外应设置通向粮情检测门的斜梯和平台,仓内应设人员活动的安全防护栏杆和钢梯。(2)斜梯与地面的夹角不宜大于45,临空侧栏杆高度不得小于1.05米。(3)依墙制作的斜梯、平台、栏杆应固定牢固、可靠。9壁挂式爬梯爬梯腐蚀、无护笼。高处坠落C级/黄色(1)巡检发现,及时

6、处理。(2)梯段高度超过3米时应设护笼,护笼下端距基准面为22.4米,护笼上端高出基准面应与GB4053.3中规定的栏杆高度一致。10防雷与接地(1)屋面无接闪器;(2)引下线断开;3)未定期检测。(4)电源系统未安装SPD火灾触电其他伤害D级/蓝色(1)平房仓屋面宜设接闪网(带)、接闪针或由这两种混合组成的接闪器。(2)金属屋面平房仓,当金属板材厚度满足现行国家标准建筑防雷设计规范(GB50057)相关条款要求时,可利用金属屋面作为接闪器,但金属屋面与引卜.线之间应有可靠的电气连接。(3)电源系统应当按照建筑防雷设计规范安装雷电浪涌保护器。(4)每栋仓引下线不应少于2处,且间距应W25米,宜

7、沿平房仓四周均匀布置。(5)在仓外适当地点设若干连接板,供测量接地阻和人工接地体用。(6)平房仓防雷接地装置的冲击接地阻不应大于30o(7)根据防雷减灾管理办法定期检测。11照明设施(1)使用高温灯具或普通灯具。火灾C级/黄色(1)可能产生高温的电气设备不得在仓内使用:(2)仓内用电设备和线路应采取防尘、防鼠害及防人身伤害的保护措施;(3)仓内使用的固定式电气设备应采取防熏蒸腐蚀措施;(4)平房仓应采用高效节能光源。2)灯具布置不合理,距粮面太近。火灾D级/蓝色(1)仓内灯具均匀布置,灯具距粮面的净距不宜小于LO米;(2)每单相照明电路,工作电流不宜大于16A,灯具数量不宜多于25盏;照明宜集

8、中控制。3)配电箱设置仓内,未设短路器。火灾D级/蓝色(1)每个版间宜独立设置配电箱,且宜设在仓房入口处的外墙上:(2)箱体防护等级不应低于IP55,并具有短路和过载保护功能。(二)浅圆仓、立筒仓12粮仓建设无设计或设计不符合相应规范。坍塌A级/红色(1)粮仓必须由相应资质单位设计。(2)非经相应资质单位设计的粮仓,必须委托相应资质设计单位论证是否符合结构安全和储粮工艺的要求,严禁不经论证直接储粮。13粮仓使用超限装粮,超年限使用。坍塌A级/红色(1)粮仓应制作和安装粮仓设计说明标牌,标明粮仓的设计单位、年份、储存品种、储存形式、装粮高度、仓容、使用年限等,用于指导和检查储粮:严禁超限装粮。(

9、2)超过设计结构使用年限的粮仓,必须委托相应资质的房屋鉴定机构进行鉴定,根据鉴定结论确定能否继续装粮。(3)墙面应按设计最大的仓容量标明装粮线及高度标尺,严禁超设计装粮线装粮。14压仓实验未进行压仓实验。坍塌B级/橙色粮仓第一次装粮应按设计要求进行压仓实验。15工作塔设备(1)设备阻挡主通道;其他伤害C级/黄色避免出现主通道被设备阻挡的现象,当设备阻挡通道时,应设置过梯、平台及扶手。(2)工作塔内设备传动部位无安全防护罩。机械伤害C级/黄色设备上外露的传动件,应加设安全防护罩,并固定牢固。16除尘装置未设除尘系统或除尘装置设置不合理。其他爆炸B级/橙色(1)卸粮坑的除尘宜采用独立除尘风网:(2

10、)除尘设备宜设置在室外,当在室内布置时,应设置通向室外的泄压管道,管道长度不宜超过3米:(3)带式输送机的进料口、抛料口等宣扬尘的位置均应设吸风口:(4)除尘系统应与有关设备电气联锁:作业设备启动前,除尘系统提前5分钟启动;作业设备停机后,除尘系统延后10分钟停机;(5)室内的斗式提升机及除尘器的泄压管应直通室外。17粮食接收铁相杂质进入刮板机,与刮板摩擦引起火灾。火灾C级/黄色在粮食接收流程的前端应设置清除磁性金属物的设备。18吊物洞吊物洞无盖板,或四周无防护栏杆。高处坠落C级/黄色工作塔内吊物洞应采用活动盖板封闭,吊物作业时应采取临时安全措施:当采用敞开式吊物洞时,四周应设高度不小于1.2

11、米的安全栏杆。19照明设施采用普通照明灯具。其他爆炸火灾C级/黄色爆炸危险区应采用粉尘防爆型照明装置,其他区域采用1P5X防尘型照明装置:应采用高效、节能的冷光源,严禁使用高温灯具。20防雷接地(1)屋面无接闪器:(2)引下线、接地线断开:(3)未定期检测。(4)电源系统未安装SPD其他爆炸火灾其他伤害D级/蓝色(1)筒仓、工作塔应在屋顶设置避雷网(带)、针或利用金属构件作为接闪器;(2)钢结构工作塔可利用钢构件自身作防雷引下线:(3)接地装置可利用基础钢筋。接地极、引下线、接闪器由下至上应有可靠的焊接,形成良好的电气通路;(4)电源系统应当按照建筑防雷设计规范安装雷电浪涌保护器。(5)建筑物

12、内所有电气装置外露导电部分均应做保护接地;粉尘爆炸危险区域内所有设备、构架、管道均应做防鄢电接地,并应单独与接地体或接地干线相连,不得相互串联后再接地;(6)根据防雷减灾管理办法定期检测。()简易仓囤21简易仓囤建设与周边环境未经有资质的单位进行规划设计。坍塌洪涝火灾A级/红色(1)简易仓、简易囤的选址应按粮油储藏技术规范(GB/T29890)及粮食仓库建设标准相关要求执行。(2)应设置独立的安全区域,且不应设置在高压电力线路的下方,与高压电力线路的水平距离按照电力设施保护条例规定执行。(3)应与污染源、危险源保持不小于1000米的安全距离:与居民区和库内生活区保持一定的安全距离。(4)四周道

13、路应坚实、通畅,能满足粮食运输和消防等车辆正常通行的需求。(5)简易仓应避开已有管线及暗沟渠等。22简易仓建设使用(1)未经有资质单位进行设计施工,未进行装粮压仓实验;坍塌A级/红色钢结构散装房式简易仓必须由符合资质要求的设计单位设计并通过施工图审查;必须由符合资质要求的施工企业建设:必须在竣工验收合格后方可进行装粮压仓试验。2)超限装粮:坍塌A级/红色(1)严禁超限装粮;(2)严禁把钢结构罩棚当散装仓或违规改造成散装仓装粮。(3)机动车辆刚踏仓房。坍塌C级/黄色(1)严禁机动车辆和机械输送设备刚蹭、碰撞钢结构散装房式简易仓;(2)简易仓四角应采取安装防护栏杆等防护措施。23照明设施采用普通照

14、明灯具。其他爆炸火灾C级/黄色爆炸危险区应采用粉尘防爆型照明装置,其他区域采用IP5X防尘型照明装置;应采用高效、节能的冷光源,严禁使用高温灯具。24简易囤(1)未经有资质单位进行设计施工;坍塌火灾A级/红色简易囤应由符合资质要求的单位设计和建造。简易囤应安装有效的避雷装置。(2)偏心装粮;3)不对称出粮:坍塌B级/橙色(1)装卸粮工艺设计科学合理,确保进出粮加载、卸我均匀,不偏投,安全可靠;(2)进粮作业应从简易囤中心入粮,严防偏心装粮;(3)入粮过程中,要专人实时检查,发现粮垛囤体歪斜、IUl陷时,应立刻停止入粮并及时补救;(4)出粮时,应采用对称出粮口同时出粮,严禁偏心出粮,以防偏载造成倒塌。初始出粮5060吨后,应换另外一组对称出粮口出粮,避免囤身出现倾斜倒塌。后续出粮时,应及时根据囤内粮食情况调整出粮口。出粮后,人员进入囤内清理资材应系安全绳,且不少于2人。(4)胀囤。坍塌C级/黄色应定期检查简易囤,如出现胀囤、倾斜等现象

展开阅读全文
相关资源
猜你喜欢
相关搜索

当前位置:首页 > 管理/人力资源 > 企业文化

copyright@ 2008-2023 1wenmi网站版权所有

经营许可证编号:宁ICP备2022001189号-1

本站为文档C2C交易模式,即用户上传的文档直接被用户下载,本站只是中间服务平台,本站所有文档下载所得的收益归上传人(含作者)所有。第壹文秘仅提供信息存储空间,仅对用户上传内容的表现方式做保护处理,对上载内容本身不做任何修改或编辑。若文档所含内容侵犯了您的版权或隐私,请立即通知第壹文秘网,我们立即给予删除!