堤防工程运行制度分类及编制内容、工程检测记录表.docx

上传人:p** 文档编号:259659 上传时间:2023-04-20 格式:DOCX 页数:3 大小:20.64KB
下载 相关 举报
堤防工程运行制度分类及编制内容、工程检测记录表.docx_第1页
第1页 / 共3页
堤防工程运行制度分类及编制内容、工程检测记录表.docx_第2页
第2页 / 共3页
堤防工程运行制度分类及编制内容、工程检测记录表.docx_第3页
第3页 / 共3页
亲,该文档总共3页,全部预览完了,如果喜欢就下载吧!
资源描述

《堤防工程运行制度分类及编制内容、工程检测记录表.docx》由会员分享,可在线阅读,更多相关《堤防工程运行制度分类及编制内容、工程检测记录表.docx(3页珍藏版)》请在第壹文秘上搜索。

1、附录A(资料性附录)工程运行制度分类及编制内容堤防工程运行过程中所需的制度可参照表A.1执行。表A.1堤防工程管理制度分类及编制内容制度名称编制内容岗位责任制度明确各工程管理岗位的岗位职责、任职条件、工作考核等。工程检查制度明确工程检查的组织、准备、频次、内容、方法、记录、分析、处理、报告等要求。工程监测制度明确工程监测的内容、仪器设备、时间、频次、方法、数据校核与处理、资料整理与分析、仪器检查与率定、资料归档等要求。维修养护制度明确日常维护项目的内容、方式、场次、质量标准,以及专场维修项目实施的程序、检查、验收等要求。值班制度明确值班的人员安排、工作内容、信息传递、值班记录、交接手续等要求,

2、并满足汛期24小时值班规定。请示报告制度明确工程检查、监测等工作中发现问题或异常等重要事项和其它重要信息的内部报告流程、内容、时限、方式,以及应向有关部门报告的事项、程序、内容、时限、方式等。防汛物资管理制度明确防汛物咨储务的种类、数量、分布以及储存、保管、更新、调运、使用等要求。档案管理制度明确与工程管理有关的文书、科技、声像等各类资料的收集、分类、整编、归档、保存、借阅、归还、数字化、保密等要求。职工教育培训制度明确职工培训教育的目标、频次、要求和内容等。附录B(资料性附录)工程检测记录表堤防工程检查记录可参照表B.1执行。表B.1堤防工程检查记录表堤防名称:桩号及范围:检查时间:水位:检

3、查负责人:参加检查人:记录人:序号工程部位检查内容检查记录处理意见1堤堤顶堤顶是否完整、倾斜,是否坚实平整、堤肩线是否顺直、堤顶有无凹陷、残缺、堤顶有无裂缝。相邻两堤段是否有错动。堤坡迎水坡有无雨淋沟、滑坡、裂缝、塌坑、洞穴,有无害堤动物洞穴和活动痕迹。有无渗水散浸。排水沟是否完好、顺畅,排水孔是否正常,渗漏水量、水质变化情况等。背水坡护坡结构混凝土结构有无溶蚀蚀、侵蚀和冻害、开裂、破损、老化等情况。砌石结构是否完好、紧密,有无松动、塌陷、脱落、风化、架空等情况。堤脚堤脚有无隆起、下沉,发生淘刷等情况。2护岸堤防护坡、护岸护面是否平整、完好,相邻段有无错动、伸缩缝开合和止水是否正常。砌体有无松

4、动、塌陷、脱落、架空、垫层淘刷现象。排水孔是否正常。混凝土异形块体、合金钢网亮块体等防护设施有无损坏、缺失。护脚是否出现裂缝、坍陷、冲毁。有无冲刷松动、走失;岸滩有无坍塌。3防渗排水设施防渗设施保护层是否完整,有无损坏、失效;有无异常渗水等。排水设施排水设施结构是否完整,有无漏水、阻水现象。排水体排水是否顺畅,是否存在淤堵现象。4交叉建筑物及连接段穿堤建筑物与堤防接合部的结合是否紧密,连接段是否存在异常渗漏、变形等情况。连接段上、下游两侧堤防是否存在护面冲损、堤脚掏空等。交叉建筑物交叉建筑物有无破损、开裂、变形、异常渗水等现象,能否安全运行。交叉建筑物对堤防工程安全有无影响。上、下堤道路及其排

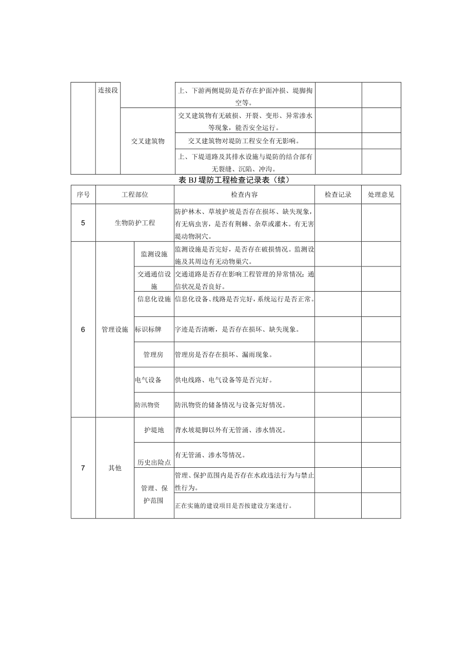
5、水设施与堤防的结合部有无裂缝、沉陷、冲沟。表BJ堤防工程检查记录表(续)序号工程部位检查内容检查记录处理意见5生物防护工程防护林木、草坡护坡是否存在损坏、缺失现象,有无病虫害,是否有荆棘、杂草或灌木。有无害堤动物洞穴。6管理设施监测设施监测设施是否完好,是否存在破损情况。监测设施及其周边有无动物巢穴。交通通信设施交通道路是否存在影响工程管理的异常情况;通信状况是否良好。信息化设施信息化设备、线路是否完好,系统运行是否正常。标识标牌字迹是否清晰,是否存在损坏、缺失现象。管理房管理房是否存在损坏、漏雨现象。电气设备供电线路、电气设备等是否完好。防汛物资防汛物资的储备情况与设备完好情况。7其他护堤地背水坡堤脚以外有无管涌、渗水情况。历史出险点有无管涌、渗水等情况。管理、保护范围管理、保护范围内是否存在水政违法行为与禁止性行为。正在实施的建设项目是否按建设方案进行。

展开阅读全文
相关资源
猜你喜欢
相关搜索

当前位置:首页 > 建筑/环境 > 施工组织

copyright@ 2008-2023 1wenmi网站版权所有

经营许可证编号:宁ICP备2022001189号-1

本站为文档C2C交易模式,即用户上传的文档直接被用户下载,本站只是中间服务平台,本站所有文档下载所得的收益归上传人(含作者)所有。第壹文秘仅提供信息存储空间,仅对用户上传内容的表现方式做保护处理,对上载内容本身不做任何修改或编辑。若文档所含内容侵犯了您的版权或隐私,请立即通知第壹文秘网,我们立即给予删除!