现场布置安全检查表.docx

上传人:p** 文档编号:262703 上传时间:2023-04-20 格式:DOCX 页数:2 大小:15.97KB
下载 相关 举报
现场布置安全检查表.docx_第1页
第1页 / 共2页
现场布置安全检查表.docx_第2页
第2页 / 共2页
亲,该文档总共2页,全部预览完了,如果喜欢就下载吧!
资源描述

《现场布置安全检查表.docx》由会员分享,可在线阅读,更多相关《现场布置安全检查表.docx(2页珍藏版)》请在第壹文秘上搜索。

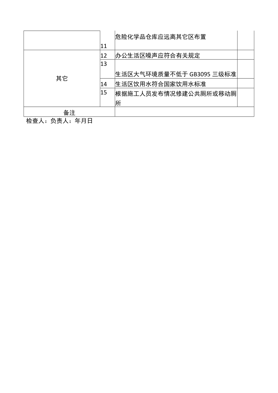
专项安全检查表一现场布置记录编号:工程项目(单位)所有编号:检查部位结果表示合格无此项-不合格X检查项目序检查内容检查结果基本要求1施工生产区域实行封闭管理2主要进出口处设有明显的施工警示标志和安全文明生产规定、禁令标示标牌3总体布置应满足防洪、防火等安全要求及环保要求4施工实施的布置符合防汛、防火、防砸、防风、防雷及职业卫生要求5交通频繁的施工道路、交叉路口应按规定设置警示标志或信号指示灯6施工现场的井、洞、坑、沟、口等危险处应设置明显的警示标志,采取加盖板或设置围栏进行防护7临水、临空、临边部位设置不低于L2米的安全防护拦生产、生活、办公区、仓库布置8选址地质稳定,不受洪水、滑坡、泥石流、塌方及危石等威胁9交通道路畅通,避免与施工主干线交叉10车间、职工宿舍、办公室、仓库的间距符合防火安全要求11危险化学品仓库应远离其它区布置其它12办公生活区噪声应符合有关规定13生活区大气环境质量不低于GB3095三级标准14生活区饮用水符合国家饮用水标准15根据施工人员发布情况修建公共厕所或移动厕所备注检查人:负责人:年月日

展开阅读全文
相关资源
猜你喜欢
相关搜索

当前位置:首页 > 建筑/环境 > 施工组织

copyright@ 2008-2023 1wenmi网站版权所有

经营许可证编号:宁ICP备2022001189号-1

本站为文档C2C交易模式,即用户上传的文档直接被用户下载,本站只是中间服务平台,本站所有文档下载所得的收益归上传人(含作者)所有。第壹文秘仅提供信息存储空间,仅对用户上传内容的表现方式做保护处理,对上载内容本身不做任何修改或编辑。若文档所含内容侵犯了您的版权或隐私,请立即通知第壹文秘网,我们立即给予删除!