电气线路的种类.docx

上传人:p** 文档编号:263049 上传时间:2023-04-20 格式:DOCX 页数:6 大小:29.37KB
下载 相关 举报
电气线路的种类.docx_第1页
第1页 / 共6页
电气线路的种类.docx_第2页
第2页 / 共6页
电气线路的种类.docx_第3页
第3页 / 共6页
电气线路的种类.docx_第4页
第4页 / 共6页
电气线路的种类.docx_第5页
第5页 / 共6页
电气线路的种类.docx_第6页
第6页 / 共6页
亲,该文档总共6页,全部预览完了,如果喜欢就下载吧!
资源描述

《电气线路的种类.docx》由会员分享,可在线阅读,更多相关《电气线路的种类.docx(6页珍藏版)》请在第壹文秘上搜索。

1、电气线路的种类电气线路是电力系统的重要组成部分。电气线路可分为电力线路和控制线路,电力线路主要是完成电能输送任务,而控制线路是供保护和测量的连接之用电气线路除应满足供电可靠性或控制可靠性的要求外,还必须满足各项安全要求。电气线路种类很多,按照敷设方式,分架空线路、电缆线路、穿管线路等;按照导体的绝缘,分塑料绝缘线、橡皮绝缘线、裸线等。一、架空线路架空线路指档距超过25m,利用杆塔敷设的高、低压电力线路。架空线路主要由导线、杆塔、绝缘子、横担、金具、拉线及基础等组成。架空线路的导线多采用钢芯铝绞线、硬铜绞线、硬铝绞线和铝合金绞线。厂区(特别是有火灾危险的场所)的低压架空线宜采用绝缘导线。架空线路

2、的杆塔是用以支撑导线及其附件的,按照材质分为钢筋混凝土杆、木杆和铁塔之分,按照功能分为直线杆塔、耐张杆塔、跨越杆塔、转角杆塔、分支杆塔和终端杆塔等。直线杆塔用于线路的直线段上,起支撑导线、横担、绝缘子、金具之用;耐,张杆塔断线或紧线施工的情况下,能承受线路单方向的拉力,用于线路直线段几座直线杆塔之间线段上;跨越杆塔是高大、加强的耐张型杆塔,用于线路跨越铁路、公路、河流等处;转角杆塔用于线路改变方向处,能承受线路两方面的合力;分支杆塔用于线路分支处,能承受各方向线路的合理;终端杆塔用于线路的终端,能承受线路全部导线的拉力。架空线路的绝缘子用以支撑、悬挂导线并使之与杆塔绝缘,它分为针式绝缘子、蝶式

3、绝缘子、悬式绝缘子、陶瓷横担绝缘子和拉紧绝缘子等。架空线路的横担是用以支撑导线的,常用的横担有角铁横担、木横担和陶瓷横担。架空线路的金具主要用于固定导线和横担,包括线夹、横担支撑、抱箍、垫铁、连接金具等金属器件。架空线路的拉线及其基础用以平衡杆塔各方向受力,保持杆塔的稳定性。架空线路的特点是造价低、施工和维修方便、机动性强;但架空线路容易受大气中各种有害因素的影响、妨碍交通和地面建设,而且容易与邻近的高大设施、设备或树木接触(或过分接近),会导致触电、短路等事故。二、电缆线路电力电缆线路由电力电缆、终端接头和中间街头组成。电力电缆分为油浸纸绝缘电缆、交联聚乙烯绝缘电缆和聚乙烯绝缘电缆。电力电缆

4、主要由缆芯导体、绝缘层和保护层组成。电缆缆芯导体分铜芯和铝芯两种;绝缘层有油浸纸绝缘、塑料绝缘、橡皮绝缘等几种;保护层分内保护层和外保护层,内保护层分铅包、铝包、聚氯乙烯护套、交联聚乙烯护套、橡套等几种,外保护层分黄麻衬垫、钢铠和和防腐层。户外用电缆终端接头有铸铁外壳、瓷外壳终端接头和环氧树脂终端接头;户内用电缆终端接头常用环氧树脂终端接头和尼龙终端接头。电缆中间接头有环氧树脂中间接头、铅套中间接头和铸铁中间街头。电缆接头事故占电缆事故的70%o电缆线路的特点是:造价高、不方便分支、施工和维修难度大,但是电缆线路不容易受大气中各种有害因素的影响、不妨碍交通和地幔面建设。所以,现代企业中,电缆线

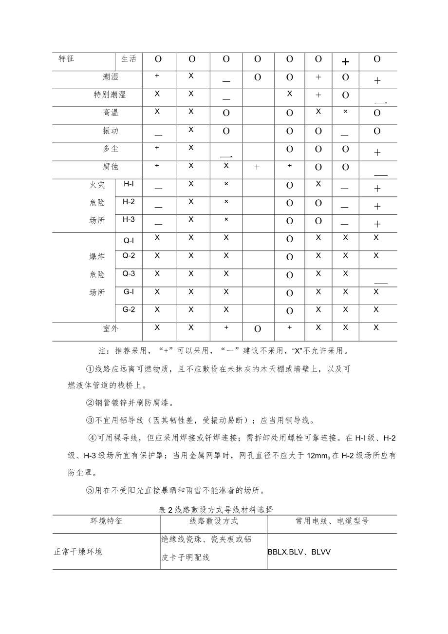
5、路得到了广泛的应用,特别是在有腐蚀性气体或蒸汽、有爆炸的火灾危险的场所,应用最为广泛。三、室内配线室内配线种类繁多,母线有硬母线和软母线之分;干线有明线、暗线和地下管配线之分;支线有护套线直敷配线、瓷夹板或塑料夹板配线、鼓型绝缘子或针式绝缘子配线、钢管配线、塑料管配线等多种形式。室内配线方式与环境条件、负荷特征、建筑要求相适应。各种配线方式的适用范围以及各种环境条件对线路的要求分别见下表1、2o表1配线方式适用范导线类别塑料护套配线绝缘线裸导线敷设方式直敷配线瓷塑料夹板鼓形绝缘子针式绝缘子焊接钢管电线管硬塑料管绝缘子场所干燥生产OOO+OO+X特征生活OOOOOO+O潮湿+XOO+O+特别潮湿

6、XXX+O一高温XXOOXO振动XOOOO多尘+X一OOO+腐蚀+XX+OO火灾H-IXOX+危险H-2XOO+场所H-3XOO+Q-IXXXOXXX爆炸Q-2XXXOXXX危险Q-3XXXOXX场所G-IXXXOXXXG-2XXXOXXX室外XX+O+XXX注:推荐采用,“+”可以采用,“一”建议不采用,“X”不允许采用。线路应远离可燃物质,且不应敷设在未抹灰的木天棚或墙壁上,以及可燃液体管道的栈桥上。钢管镀锌并刷防腐漆。不宜用铝导线(因其韧性差,受振动易断);应当用铜导线。可用裸导线,但应采用焊接或钎焊连接;需拆卸处用螺栓可靠连接。在H-I级、H-2级、H-3级场所宜有保护罩;当用金属网罩

7、时,网孔直径不应大于12mmo在H-2级场所应有防尘罩。用在不受阳光直接暴晒和雨雪不能淋着的场所。表2线路敷设方式导线材料选择环境特征线路敷设方式常用电线、电缆型号正常干燥环境绝缘线瓷珠、瓷夹板或铝皮卡子明配线BBLX.BLV、BLVV绝缘线、螺线瓷瓶明配线BBLX.BLV、LJ、LMJ绝缘线穿管或暗敷BBLX.BLV电缆明敷或沿电缆沟敷设ZLL、ZLLlI、VLV、YJV、XLV、ZLQ潮湿和特别潮湿的环境绝缘线瓷瓶明配线(高度3.5m)BBLX.BLV绝缘线穿塑料管、钢管明敷或暗敷BBLX.BLX电缆明敷ZLLII、VLV、YJV、XLV多尘环境(不包括火灾及爆炸危险粉尘)绝缘线瓷珠、瓷瓶

8、明配线BBLX.BLV、BLVV绝缘线穿钢管明敷或暗敷BBLX.BLV电缆明敷或沿电缆沟敷设ZLL、ZLLlI、VLV、YJV、XLV、ZLQ有腐蚀性的环境塑料线瓷珠、瓷瓶配线BBLV.BLV绝缘线穿塑料管明敷或暗敷BBLV、BLV、BV电缆明敷VLV、YJV、ZLLII、XLV火灾危险环境绝缘线瓷瓶明配线BBLX.BLV绝缘线穿钢管明敷或暗敷BBLX.BLV电缆明敷或沿电缆沟敷设ZLL、ZLQ、VLV、YJV、XLV、XLHF爆炸危险环境绝缘线穿钢管明敷或暗敷BBV、BV电缆明敷ZL20、ZQ20、VV20户外配线绝缘线、螺线瓷瓶明配线BBLF.BLV-ULJ绝缘线穿钢管沿外墙明敷BBLLF

9、、BBLX.BLVZLLIKZLQ2、VLV、VLV-2、YjV、电缆埋地VJV2注:35kV及以下电力电缆型号及产品表示方法:1 .用汉语拼音第一个字母的大写表示绝缘种类、导体材料、内护层材料和结构特点。如用Z代表纸(zhi);L代表铝(Iv);Q代表铅(qian);F代表分相(fen);ZR代表阻燃(zuran);NH代表耐火(naihuo)o2 .用数字表示外护层构成,有二位数字。无数字代表无铠装层,无外被层。第一位数字表示铠装,第二位数字表示外被,如粗钢丝铠装纤维外被表示为41。3 .电缆型号按电缆结构的排列一般依次序为:绝缘材料;导体材料;内护层;外护层。4 .电缆产品用型号、额定电

10、压和规格表示。其方法是在型号后再加上说明额定电压、芯数和标称截面积的阿拉伯数字。如VV42-103X50表示铜芯、聚氯乙稀绝缘、粗钢线铠装、聚氯乙稀护套、额定电压IOkV、3芯、标称截面积50mmsup2;的电力电缆。电力电缆型号各部分的代号及其含义:L绝缘种类:V代表聚氯乙稀;X代表橡胶;Y代表聚乙烯;YJ代表交联聚乙烯;Z代表纸。5 .导体材料:L代表铝;T(省略)代表铜。6 .内护层:V代表聚氯乙稀护套;Y聚乙烯护套;L铝护套;Q铅护套;H橡胶护套;F氯丁橡胶护套。7 .特征:D不滴流;F分相;CY充油;P贫油干绝缘;P屏蔽;Z直流。8 .控制层:0无;2双钢带;3细钢丝;4粗钢丝。9

11、.外被层:0无;1纤维外被;2聚氯乙稀护套;3聚乙烯护套。10 阻燃电缆在代号前加ZR;耐火电缆在代号前加NH。充油电缆型号及产品表示方法:充油电缆型号由产品系列代号和电缆结构各部分代号组成。自容式充油电缆产品系列代号CYo外护套结构从里到外用加强层、铠装层、外被层的代号组合表示。绝缘种类、导体材料、内护层代号及各代号的排列次序以及产品的表示方法与35kV及以下电力电缆相同。如CYZQlO2220/1X4表示铜芯、纸绝缘、铅护套、铜带径向加强、无铠装、聚氯乙稀护套、额定电压220kV、单芯、标称截面积400mm²;的自容式充油电缆。充油电缆外护层代号含义为:L加强层:1代表铜带径向加强;2代表不锈钢带径向加强;3钢带径向加强;4不锈钢带径向、窄不锈钢带纵向加强。2 .铠装层:0无铠装;2钢带铠装;4粗钢丝铠装。3 .外被层:1纤维层;2聚氯乙稀护套;3聚乙烯护套。由表可知,特别潮湿环境应采用硬塑料管配线或针式绝缘子配线;高温环境应采用电线管或焊接钢管配线,或针式绝缘子配线;多尘(非爆炸性粉尘)环境应采用各种管配线;腐蚀性环境应采用硬塑料管配线;火灾危险环境应采用电线管或焊接钢管配线;爆炸危险环境应采用焊接钢管配线。

展开阅读全文
相关资源
猜你喜欢
相关搜索

当前位置:首页 > 建筑/环境 > 电气安装工程

copyright@ 2008-2023 1wenmi网站版权所有

经营许可证编号:宁ICP备2022001189号-1

本站为文档C2C交易模式,即用户上传的文档直接被用户下载,本站只是中间服务平台,本站所有文档下载所得的收益归上传人(含作者)所有。第壹文秘仅提供信息存储空间,仅对用户上传内容的表现方式做保护处理,对上载内容本身不做任何修改或编辑。若文档所含内容侵犯了您的版权或隐私,请立即通知第壹文秘网,我们立即给予删除!