电力建设施工质量验收(锅炉烟、风、燃(物)料管道安装)检验项目及质量标准.docx

上传人:p** 文档编号:263710 上传时间:2023-04-20 格式:DOCX 页数:9 大小:51.07KB
下载 相关 举报
电力建设施工质量验收(锅炉烟、风、燃(物)料管道安装)检验项目及质量标准.docx_第1页
第1页 / 共9页
电力建设施工质量验收(锅炉烟、风、燃(物)料管道安装)检验项目及质量标准.docx_第2页
第2页 / 共9页
电力建设施工质量验收(锅炉烟、风、燃(物)料管道安装)检验项目及质量标准.docx_第3页
第3页 / 共9页
电力建设施工质量验收(锅炉烟、风、燃(物)料管道安装)检验项目及质量标准.docx_第4页
第4页 / 共9页
电力建设施工质量验收(锅炉烟、风、燃(物)料管道安装)检验项目及质量标准.docx_第5页
第5页 / 共9页
电力建设施工质量验收(锅炉烟、风、燃(物)料管道安装)检验项目及质量标准.docx_第6页
第6页 / 共9页
电力建设施工质量验收(锅炉烟、风、燃(物)料管道安装)检验项目及质量标准.docx_第7页
第7页 / 共9页
电力建设施工质量验收(锅炉烟、风、燃(物)料管道安装)检验项目及质量标准.docx_第8页
第8页 / 共9页
电力建设施工质量验收(锅炉烟、风、燃(物)料管道安装)检验项目及质量标准.docx_第9页
第9页 / 共9页
亲,该文档总共9页,全部预览完了,如果喜欢就下载吧!
资源描述

《电力建设施工质量验收(锅炉烟、风、燃(物)料管道安装)检验项目及质量标准.docx》由会员分享,可在线阅读,更多相关《电力建设施工质量验收(锅炉烟、风、燃(物)料管道安装)检验项目及质量标准.docx(9页珍藏版)》请在第壹文秘上搜索。

1、电力建设施工质验收(锅炉烟、风、燃(物)料管道安装)检验项目及质量标准1灰斗组合安装质量标准及检验方法应符合表1规定。表1灰斗组合安装工序检验项目性质单位质量标准检验方法和器具单片构件尺寸单片构件外形尺寸mm符合设备技术文件要求用钢尺检测灰斗组合外形尺寸接口边长偏差mmO-10用钢尺检测接口对角线差WIO安装灰斗上口、下口中心轴线垂直度偏差mm10吊线坠,用钢尺检测灰斗外观灰斗平面平整,无明显凹凸不平,临时焊接铁件切除并打磨干净,灰斗内无杂物目测焊接焊接符合设备技术文件要求,焊接无夹渣、咬边、气孔等缺陷,焊缝成型良好目测,焊缝尺寸用焊接检验尺检测焊缝严密性试验主控严密不漏渗油试验检查2烟风燃(

2、物)料管道安装质量标准及检验方法应符合表2规定。表2烟风燃(物)料管道安装工序检验项目性质单位质量标准检验方法和器具设备检查组件长度偏差mmW2%长度,且WIo在互成90两个方位用钢尺测量组件弯曲度mmW2%o长度,且WIo在互成900两个方位拉线,用钢尺检测设备安装管道对口对口间隙均匀,端头气割表面修理平整,对口错位Wlmm,管壁厚度Se5mm时应加工坡口目测,对口错位用IOOmm缺口尺、塞尺检测安装标高偏差mm20以锅炉Im标高线为基准,用钢尺、玻璃管工序检验项目性质单位质量标准检验方法和器具水平仪,每一组件测两点以上(两端必测)管道安装纵横位置偏差mm30以锅炉构架中心线为基准,用钢尺检

3、测管道内部清洁无杂物(包括临时加固铁件切割打磨干净)目测伸缩节安装波形伸缩节主控冷拉尺寸符合设备技术文件要求,密封板焊接牢固严密无泄漏,导流板开口方向与介质的流向一致,无卡涩检查冷拉记录套筒伸缩节主控有足够膨胀量,密封良好非金属膨胀节主控导流板安装方向及间隙符合设备技术文件要求,膨胀节有足够膨胀量,密封良好目测防爆门防爆门安装主控位置、方向正确,防爆膜厚度及制作应符合设计要求核对图纸暖风器安装安装位置方向符合设备技术文件设计目测严密性检查主控1.25倍最高工作压力,严密无渗漏水压试验其他部件安装消音器安装位置方向符合设备技术文件设计目测清洁度的要求检查锁气器位置、方向正确,动作灵活核对图纸木屑

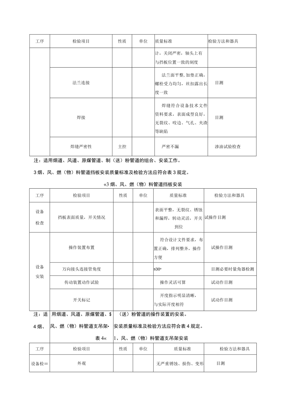
4、(木块)分离器符合设计核对图纸插板(闸门、挡板门)安装开关灵活,开度符合设试动作目测工序检验项目性质单位质量标准检验方法和器具计,关闭严密,轴头上有与挡板位置一致的刻度法兰连接法兰面平整,加垫正确,螺栓受力均匀,丝扣露出长度一致目测焊接焊缝符合设备技术文件资料要求,表面成型良好,无裂纹、咬边、气孔、夹渣等缺陷目测焊缝严密性主控严密不漏渗油试验检查注:适用烟道、风道、原煤管道、制(送)粉管道的组合、安装工作。3烟、风、燃(物)料管道挡板安装质量标准及检验方法应符合表3规定。3烟、风、燃(物)料管道挡板安装工序检验项目性质单位质量标准检验方法和器具设备检查挡板表面质量,开关情况表面平整,无裂纹、锈

5、蚀和漏焊,转动灵活,开关到位试操作目测设备安装操作装置布置符合设计文件要求,布置正确,排列整齐,操作方便试操作目测万向接头连接管角度30o目测必要时量角器检测传动装置动作试验操作灵活可算试动作目测开关标记开度指示明显清晰,与实际开度相符试动作目测注:适4烟、用烟道、风道、原煤管道、$风、燃(物)料管道支吊架表4(送)粉管道的操作装置的安装。安装质量标准及检验方法应符合表4规定。1、风、燃(物)料管道支吊架安装工序检验项目性质单位质量标准检验方法和器具设备检外观无严重锈蚀、损伤、变形目测外形尺寸符合设计技术文件用钢尺检测零部件数量齐全与图纸数量核对材质符合设计技术文件要求合金部件进行光谱分析检查

6、设备安装安装位置符合设计技术文件要求核对图纸安装的形式形式、规格符合设计文件的规定核对图纸安装标高nun与设备技术文件设计i致核对图纸安装方向方向正确核对图纸支吊架承载受力均匀核对图纸5烟、风、燃(物)料管道闸门安装质量标准及检验方法应符合表5规定。表5烟、风、燃(物)料管道闸门安装工序检验项目性质单位质量标准检验方法和器具设备检查设备外观检查设备外观无损伤、裂纹、锈蚀、压扁等缺陷目测外形尺寸nun符合设备技术文件用钢尺检测进出口端面材质检查符合设备技术文件要求核对出厂合格证开启方向与设备技术文件要求一致与图纸核对设备安装安装位置、方向安装位置正确,安装方向与设备技术文件一致,操作方便核对图纸

7、法兰连接加垫正确,严密不漏,螺栓受力均匀,丝扣露出一致目测闸门开关检查开关灵活,开度符合要求,操作方便试动作目测密封风系统内部清洁走向正确,目测工艺美观6循环流化床锅炉旋风分离器组合安装质量标准及检验方法应符合表6规定。6循环流化床锅炉旋风分离器组合安装工序检验项目性质单位质量标准检验方法和器具设备检查零件材质无错用,合金部件作光谱分析并在明显处作标识核对产品技术资料,合金部件作光谱分析,并出具报告外观无严重锈蚀、损伤、变形;没有明显的凹坑、裂纹目测组合长度偏差mm10用钢尺测量设备圆周周长偏差mm1O用钢尺测量直径偏差mm1O用钢尺测量筒体安装椭圆度偏差mm15用钢尺测量组合对口mm对口间隙

8、均匀,端头气割表面修理平整,对口错位Wl,且端面应加工坡口目测,必要时用钢尺标高偏差mm1O以钢结构基准标高为基准,用水准仪或玻璃管水平仪测量简体纵横中心偏差mm1O用钢尺测量旋风分离器中心垂直度偏差主控mm1O吊线坠检查直筒体上出口中心与锥体下出口中心烟气进入口角度偏差主控(0)O.5钢尺或角度尺测量内筒安装相对外筒中心偏差mm3用钢尺测量安装角度偏差主控r)0.5拉钢丝后用角度尺测量标高偏差mm3水准仪或玻璃管水平仪测量挂钩安装位置符合设备技术文件要求目测挂钩与内筒接触主控100%目测,必要时用塞尺冲击区与非冲击区隔离装置安装结构符合设备技术文件设计要求目测安装标高偏差mm10水准仪或玻璃

9、管水平仪测量安装位置偏差mm20用钢尺测量隔离板宽度偏差mm5用钢尺测量筒体内支承环安装标高偏差mm20水准仪或玻璃管水平仪测量支承环水平度偏差(0)不允许向下倾斜,向上倾斜不用角度尺测量工序检验项目性质单位质量标准检验方法和器具安装大于5支承环宽度偏差mm10用钢尺测量支架安装布置符合设备技术文件要求目测支座支承与底座接触良好目测限位符合设备技术文件要求目测焊接焊接焊接型式符合设备技术文件要求,焊接无夹渣、咬边、气孔等缺陷,焊缝成型良好目测,焊缝尺寸用焊接检验尺检测汽冷却装置安装安装位置和形式符合设备技术文件要求按常规锅炉安装位置检查,方法检查对口符合本规程表633规定密封焊接焊接型式符合设

10、备技术文件要求,焊缝成型良好无缺陷渗油试验检查7循环流化床锅炉回料器安装质量标准及检验方法应符合表7规定。表7循环流化床锅炉回料器安装工序检验项目性质单位质量标准检验方法和器具设备检查零件材质无错用,合金部件作光谱分析并在明显处作标识核对产品技术资料,合金部件作光谱分析,并出具报告外观无严重锈蚀、损伤、变形目测长度偏差mm1O用钢尺测量弯曲度mm5用钢尺测量内部炉墙i:控表面完好,无损伤目测筒体安装纵横中心偏差mm2O用钢尺测量标高偏差mm20水准仪或玻璃管水平仪测量壳体安装与旋风分离器锥段同心度偏差主控mm5用钢尺测量壳体垂直度偏差mm5用钢尺测量锥形阀安装位置位置正确目测锥形接触接触良好目

11、测伸缩伸缩自如,行程正确目测支架布置符合设备技术文件要求目测工序检验项目性质单位质量标准检验方法和器具安装支座支承与底座接触良好目测限位符合设备技术文件要求目测附件安装吹扫孔位置正确,无堵塞目测人孔门位置方向正确,符合设计要求目测焊接焊接焊接型式符合设备技术文件要求,焊接无夹渣、咬边、气孔等缺陷,焊缝成型良好目测,焊缝尺寸用焊接检验尺检测8循环流化床锅炉流道安装质量标准及检验方法应符合表8规定。表8循环流化床锅炉流道安装工序检验项目性质单位质量标准检验方法和器具设备检查设备外观检查无严重锈蚀、损伤、变形目测圆形灰道椭圆度mmWlO用钢尺测量方形灰道外形尺寸偏差mmI0用钢尺测量表面平整度偏差nun5用钢尺测量安装组件长度偏差mmW2%长度,且1()用钢尺测量组件弯曲度mmW2%长度,且WlO用钢尺测量纵横中心偏差mm10用钢尺测量标高安装偏差mm10水准仪或玻璃管水平仪测量jI:mm对口间隙均匀,端头修理平整。对口错位WImm。坡口符合要求目测,必要时用钢尺测量表面平整度偏差mm5用钢尺测量管道内部清洁清洁无杂物,无临时加固铁件目测支吊架安装符合本规程表6315规定目测

展开阅读全文
相关资源
猜你喜欢
相关搜索

当前位置:首页 > 建筑/环境 > 施工组织

copyright@ 2008-2023 1wenmi网站版权所有

经营许可证编号:宁ICP备2022001189号-1

本站为文档C2C交易模式,即用户上传的文档直接被用户下载,本站只是中间服务平台,本站所有文档下载所得的收益归上传人(含作者)所有。第壹文秘仅提供信息存储空间,仅对用户上传内容的表现方式做保护处理,对上载内容本身不做任何修改或编辑。若文档所含内容侵犯了您的版权或隐私,请立即通知第壹文秘网,我们立即给予删除!