砌体工程检验批质量验收记录表.docx

上传人:p** 文档编号:264438 上传时间:2023-04-20 格式:DOCX 页数:2 大小:24.93KB
下载 相关 举报
砌体工程检验批质量验收记录表.docx_第1页
第1页 / 共2页
砌体工程检验批质量验收记录表.docx_第2页
第2页 / 共2页
亲,该文档总共2页,全部预览完了,如果喜欢就下载吧!
资源描述

《砌体工程检验批质量验收记录表.docx》由会员分享,可在线阅读,更多相关《砌体工程检验批质量验收记录表.docx(2页珍藏版)》请在第壹文秘上搜索。

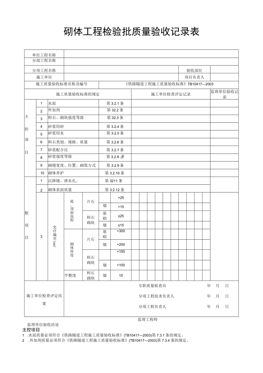
1、砌体工程检验批质量验收记录表单位工程名称分部工程名称分项工程名称验收部位施工单位项目负责人施工质量验收标准名称及编号铁路隧道工程施工质量验收标准TB104172003施工质量验收标准的规定施工单位检查评定记录监理单位验收记录主控项目1水泥第3.2.1条2外加剂第32.2条3料石、砌块强度等级第32.3条4砂浆用砂第3.2.4条5砂浆用水第3.2.5条6料石类别、规格、质量第3.2.6条7砂浆配合比第3.2.7条8砂浆强度等级第3.2.8条9砌缝宽度、位置、砌筑方式第3.2.9条10砌体养护第3.2.10条般项目1沉降缝、泄水孔、第3211条2砌体表面质量第3.2.12条3允许偏差(mm)底、顶

2、面高程片石+25墙+15料石砌块基础25墙15砌体厚度片石基础+300墙+200料石砌块+150墙+100平整度料石砌块墙10施工单位检查评定结果专职质量检查员年月日分项工程技术负责人年月日分项工程负责人年月日监理工程师监理单位验收结论主控项目1 .水泥质量必须符合铁路隧道工程施工质量验收标准(TB104172003)第7.3.1条的规定。2 .外加剂质量必须符合铁路隧道工程施工质量验收标准(TB104172003)第7.3.4条的规定。3 .砌体工程所用石材和混凝土砌块的强度等级必须符合设计要求,石材的其他品质指标尚应符合下列规定:(1)在最冷月平均气温低于一15C或一5*C-15C的地区使

3、用的石材,其抗冻性指标应分别符合冻融循环25次或15次的要求,且表面无破坏迹象;(2) 浸水和潮湿地区主体工程的石材软化系数不得小于0.8。检验数量:石材:同产地的石材至少抽取一组试件进行强度检验。最冷月平均气温低于一5和浸水潮湿地区,应各增加一组抗冻性指标和软化系数检验的试件。砌块:同生产条件,且连续生产的砌块,其混凝土抗压强度检验数量应符合铁路隧道工程施工质量验收标准(TBIo4172003)第739条的规定。施工单位全部检验,监理单位见证取样检测或平行检验次数为施工单位检验次数的20%或10%,但至少一次。检验方法:施工单位进行石材强度、抗冻性、软化系数和砌块强度试验。监理单位检查试验报

4、告并进行见证取样检测或平行检验4 .砂浆向砂应按批进行检验,其颗粒级配、细度模数和坚固性指标应符合国家现行标准普通混凝土用砂质量标准及检验方法(JGJ52)的规定,含泥量不宜大于5%,泥块含量应符合铁道部现行铁路混凝土与砌体工程施工质量验收标准(TBlo424)附录B的规定。检验数量:同一产地、同一品种、同一规格且连续进场的细骨料,每400n?或6001为一批,不足400nP或6001也按一批计。施工单位每批抽检一次。监理单位见证取样检测次数为施工单位抽检次数的20%,但至少一次。检验方法:施工单位观察、试验。监理单位检查进场试验报告并进行见证取样检测。5 .拌制砂浆宜采用饮用水,当采用其他水

5、源时,水质必须符合现行国家标准混凝土拌合用水标准(JGJ63)的规定。检验数量:同水源施工单位试验检查不应少于一次,监理单位见证试验。检验方法:施工单位做水质分析试验,监理单位检查试验报告,见证试验。6 .洞口工程砌筑所用材料应符合设计要求。石料类别、规格和质量要求应符合铁路混凝土与砌体工程施工质量验收标准(TB104242003)附录B的规定。检验数量:施工单位、监理单位全部检查。检验方法:观察和尺量。7 .洞口工程砌筑所用砂浆的配合比必须根据原材料性能、砂浆的技术条件和设计要求进行配合比设计,并通过试配试验调整后确定。砂浆配合比设计、试件制作、养护及抗压强度取值应符合铁路混凝土与砌体工程施

6、工质量验收标准(TB104242003)附录E的规定。检验数量:施工单位对同类型、同强度等级的砂浆至少进行一次砂浆配合比设计。监理单位全部检查。检验方法:施工单位进行配合比选定试验。监理单位检查配合比选定单。8 .洞口工程砌筑所用砂浆的强度等级必须符合设计要求。用于检查砂浆强度的试件应在搅拌机出料口随机抽样制作。检验数量:同类型、同强度等级每IOOm3砌体为一批,不足IOom3也按一批计。施工单位每批检验一次。监理单位见证取样检测或平行检验次数为施工单位检验次数的20%或10%,但至少一次。检验方法:施工单位进行砂浆强度试验。监理单位检查砂浆强度试验报告并进行见证取样检测或平行检验。9 .洞口

7、工程砂浆砌体砌缝宽度、位置和砌筑方式应符合铁路隧道工程施工质量验收标准(TBlO4172003)第3.2.9条的规定。10 .砌体砌筑完毕应及时覆盖,并经常洒水保持湿润,常温下养护期不得小于7d0检验数量:施工单位、监理单位全部检查。检验方法:观察。一般项目1 .沉降缝、泄水孔位置和数量应符合设计要求。检验数量:施工单位全部检查。检验方法:观察、尺量和计数检查。2 .洞口工程砌体表面应砂浆饱满、砌缝整齐。宽度和错缝距离符合规定,无脱落和裂纹。沉降缝整齐垂直,上下贯通。泄水孔坡度向外,无堵塞现象。检验数量:施工单位全部检查。检验方法:观察和尺量。3 .砌体尺寸的允许偏差和检验方法应符合下表的规定。砌体尺寸的允许偏差和检验方法序号项目允许偏差(mm)检验方法检验数量基础墙1底、顶面高程片石2515测量不少于5处施工单位全部检查料石、砌块25152砌体厚度片石+300+200尺量不少于5处料石、砌块+150+1003表面平整度料石、砌块102m靠尺和楔型塞尺检查,不少于3处

展开阅读全文
相关资源
猜你喜欢
相关搜索

当前位置:首页 > 建筑/环境 > 工程监理

copyright@ 2008-2023 1wenmi网站版权所有

经营许可证编号:宁ICP备2022001189号-1

本站为文档C2C交易模式,即用户上传的文档直接被用户下载,本站只是中间服务平台,本站所有文档下载所得的收益归上传人(含作者)所有。第壹文秘仅提供信息存储空间,仅对用户上传内容的表现方式做保护处理,对上载内容本身不做任何修改或编辑。若文档所含内容侵犯了您的版权或隐私,请立即通知第壹文秘网,我们立即给予删除!