绿色创新小镇周边(郑田)基础设施及标识建设工程--照明工程设计说明.docx

上传人:p** 文档编号:267574 上传时间:2023-04-20 格式:DOCX 页数:7 大小:31.47KB
下载 相关 举报
绿色创新小镇周边(郑田)基础设施及标识建设工程--照明工程设计说明.docx_第1页
第1页 / 共7页
绿色创新小镇周边(郑田)基础设施及标识建设工程--照明工程设计说明.docx_第2页
第2页 / 共7页
绿色创新小镇周边(郑田)基础设施及标识建设工程--照明工程设计说明.docx_第3页
第3页 / 共7页
绿色创新小镇周边(郑田)基础设施及标识建设工程--照明工程设计说明.docx_第4页
第4页 / 共7页
绿色创新小镇周边(郑田)基础设施及标识建设工程--照明工程设计说明.docx_第5页
第5页 / 共7页
绿色创新小镇周边(郑田)基础设施及标识建设工程--照明工程设计说明.docx_第6页
第6页 / 共7页
绿色创新小镇周边(郑田)基础设施及标识建设工程--照明工程设计说明.docx_第7页
第7页 / 共7页
亲,该文档总共7页,全部预览完了,如果喜欢就下载吧!
资源描述

《绿色创新小镇周边(郑田)基础设施及标识建设工程--照明工程设计说明.docx》由会员分享,可在线阅读,更多相关《绿色创新小镇周边(郑田)基础设施及标识建设工程--照明工程设计说明.docx(7页珍藏版)》请在第壹文秘上搜索。

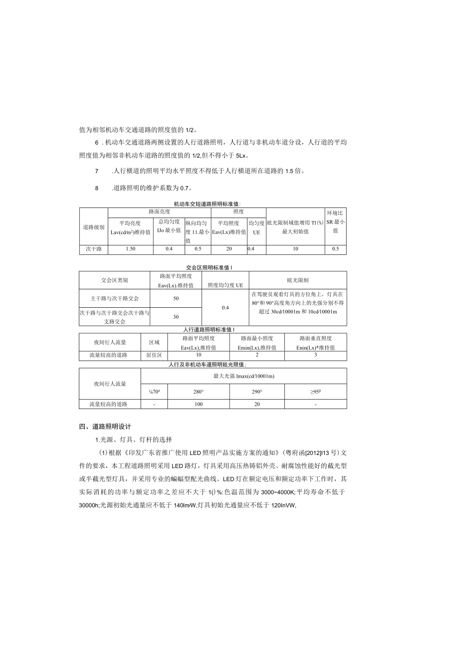
1、值为相邻机动车交通道路的照度值的1/2。6 .机动车交通道路两侧设置的人行道路照明,人行道与非机动车道分设,人行道的平均照度值为相邻非机动车道路的照度值的1/2,但不得小于5Lx。7 .人行横道的照明平均水平照度不得低于人行横道所在道路的1.5倍。8 .道路照明的维护系数为0.7。机动车交短道路照明标准值:道路级别路面亮度照度眩光限制域值增用Tl(%)最大初始值环境比SR最小值平均亮度Lav(cdm2)维持值总均匀度IJo最小值纵向均匀度11.最小值平均照度Eav(Lx)维持值均匀度UE次干路1.500.40.5200.4100.5交会区照明标准值I交会区类别路面平均照度Eav(Lx).维持值

2、照度均匀度UE眩光限制主干路与次干路交会500.4在驾驶员观看灯具的方位角上,灯具在80和90高度角方向上的光强分别不得超过30cd10001m和10cd10001m次干路与次干路交会次干路与支路交会30人行道路照明标准值I夜间行人流量区域路面平均照度Eav(Lx),维持值路面最小照度Emin(Lx),维持值路面垂直照度Enin(Lx)*维持值流量较高的道路居住区1023人行及非机动车道照明眩光限值;夜间行人流量最大光强lmax(cd10001m)70428029095流量较高的道路-10020-四、道路照明设计1.光源、灯具、灯杆的选择(1)根据印发广东省推广使用LED照明产品实施方案的通知

3、(粤府函2012l13号)文件的要求,本工程道路照明采用LED路灯,灯具采用高压热铸铝外壳、耐腐蚀性能好的截光型或半截光型灯具,并采用专业的蝙蝠型配光曲线。LED灯在额定电压和额定功率下工作时,其实际消耗的功率与额定功率之差应不大于1()%:色温范围为30004000K;平均寿命不低于30000h;光源初始光通量应不低于140lmW,灯具初始光通量应不低于120InVW,照明工程设计说明一、设计依据1 .城市道路工程设计规范(2016年版)(CJJ37-2012):2 .城市道路照明设计标准(CJJ45-2015);3 .低压配电设计规范(GB50054-2011);4 .供配电系统设计规范(

4、GB552-29):5 .建筑物防雷设计规范(GB50057-2010):6 .电力工程电缆设计标准(GB502172018):7 .2OkV及以下变电所设计规范(GB5OO53-2O13);8 .道路照明用LED灯性能要求(GB/T24907-2010):9 .LED城市道路照明应用要求(GB/T31832-2O15):10 .交流电气装置的接地设计(GB/T50065-2011)11 .印发广东省推广使用LED照明产品实施方案的通知(粤府函2012113号):12 .广州市住房和城乡建设委员会关于印发广州城市道路井盖建设实施指引的通知(建市改2018886号):13 .城市道路照明工程施工

5、及验收规程(CJJ89-2012);14 .本院道路专业、给排水专业提供的设计文件。二、设计范围本设计为石滩镇绿色创新小镇周边(郑田)基础设施及标识建设工程道路照明及配电设计。本项目全长约529.987米,按城市次干路标准设计。三、照明设计标准本项目为城市次干路,根据城市道路照明设计标准:1 .机动车交通道路照明以路面平均亮度、路面亮度总均匀度、纵向均匀度、眩光限制、环境比和诱导性为评价指标。2 .人行道路照明以路面平均照度、路面最小照度和垂直照度为评价指标。3 .交会区照明采用照度作为评价指标。4 .道路照明确保其具有良好的诱导性。5 .机动车交通道路两侧设置的与机动车交通道路分隔的非机动车

6、交通道路的平均照度200W+40W,12米/6米,挑臂长度为3米/1.5米,灯具仰角为6,灯杆间距31.5米,灯杆距车行道边线O75米;计算参数符合要求。(4)交叉路口照明采用LED光源,杆高12米广场泛光照明灯具,光源功率为3x200W0五、照明供配电、照明控制6 .照明供配电(1)道路照明、交控设备等负荷等级为三级负荷,三级负荷供电系统采用一路0.4kV电源供电。安装容量为13kW(2)本工程道路照明电源引自附近的箱式变配电站,配电系统采用TT系统。(3)照明配电箱内道路照明配电回路设断路器和高灵敏度剩余电流动作保护器(RCD),作为短路和间接接触电击防护。每一灯具设单独剩余电流动作保护器

7、(RCD),剩余动作电流不超过30mA,剩余电流动作保护器至导线变径处不应大于3m,安装在灯杆拉线孔或路灯接线盒内。(4)道路照明配电系统的接地形式采用TT系统,金属灯杆及构件、灯具外壳、配电及控制箱的外露可导电部分,应进行保护接地,并应符合国家现行相关标准的要求。(5)照明配电线路的供电必须保证灯具端电压维持在额定电压的90%-105%:配电电压380/220V.照明线路的功率因数不应小于0.9。(6)道路照明供电线路的人孔井盖及手孔井盖、照明灯杆的检修门,均应设置需使用专门工具开启的闭锁防盗装置。(7)道路照明供电线路的人孔井盖及手孔井盖采用装饰性井盖。7 .照明控制(1)照明控制方式有:

8、手动、时控、光控和无线监控集中遥控方式。每种控制方式相互独立,互不干扰。在正常情况下,道路照明由当地路灯控制所设置的无线监控集中遥控系统按季节变化合理遥控开关灯的时间:灯具预留接口,可接入本区域最新的节能智筑路灯系统。本工程LED灯具采用010V调光驱动电源,采用电力载波或无线通信的方式进行单灯调光控制。(2)道路照明开灯和关灯时的天然光照度水平主干路为30Lx,次干路及支路为20Lx.(3)道路照明采用无线监控集中遥控系统时,远动终端具有在通信中断的情况下自动开关路灯的控制功能和手动控制功能。在燃点200Oh时,其光通维持率应不低于98%:在燃点500Oh时,其光通维持率应不低于97%;在燃

9、点额定寿命的70%时,其光通维持率应不低于70%。LED路灯采用内置式AC220V/DC24V直流电源装置,灯具功率因数达到0.95以上;光源耍求采用符合国家标准产品。灯具AC220V/DC24V直流电源驱动模块自带定时功率输出调整功能,深夜(开灯6小时后)降低LED灯具功率按50%输出,进一步达到节能的效果。灯具防护等级应达IP65,灯具外壳耐腐蚀性能H类,防触电保护等级1类。(2)交叉路口照明采用LED光源,杆高12米广场泛光照明灯具,光源功率为3x2OOW(3)灯具的灯杆采用带良好防护涂层的钢杆或铝合金杆,灯杆内外应采用热镀锌防腐处理后,表面再进行彩色喷塑处理,防腐蚀年限不少于30年,并

10、能抵抗40米/秒风速。2照明方式(1)道路照明根据道路和场所的特点及照度要求,选用常规照明方式。(2)道路照明计算:XUXKXNE=GSXwEav一道路平均照度。0光源的总光通量。K一维护系数=0.7。U利用系数=0.5-0.7N一布灯系数,在单侧排列及交错排列时N=I:在对称排列时N=2。W一道路宽度。S一路灯安装间距。(3)本工程为城市次干路。A.起点至K0+150、K0+300至终点路段机动车道为双向6车道,灯具的布置采用单挑臂路灯双侧对称布置方式,光源为截光型LED灯,光源功率为200W,12米,挑臂长度为3米,灯具仰角为6,灯杆间距31.5米,灯杆距车行道边线0.75米;B.K0+1

11、50至KA300路段,道路东侧为三车道,道路西侧为两车道。道路东侧灯具的布置采用单挑臂路灯布置方式,光源为截光型LED灯,光源功率为200W,12米,挑臂长度为3米,灯具仰角为6,灯杆间距31.5米,灯杆距车行道边线0.75米;道路西侧灯具的布置采用双挑臂路灯布置方式,光源为截光型LED灯,光源功率为八、灯杆安装1 .灯杆中心线倾斜度不大于0.005;在连续排列为亢线的灯杆段,段内灯杆错位(横向偏离)不大于IOOmm,对于道路弯曲段,错位可放宽为20Omm以内:灯杆的纵向偏移允许士500mm,但仅限于相对于自身的原设计位置而言,不可与以后的灯杆连续积累误差,即各自灯杆误差按自己原设计定位就地消

12、化。当有因土建等各种因素无法在原设计位置立杆时,应及时反映以便作相应调整、变更。根据广州气象站的历年气象资料统计,增城区历年瞬时极大风速为35.4米/秒,且本地区多台风影响,有时还出现龙卷风等灾害性天气。灯具的灯杆应能抵抗40米/秒风速。2 .在所有路灯灯杆的背面处,明显标注路灯的回路、相序、杆序的标识(具体要求以当地路灯所要求为准)。九、其他1 .工程施工应严格按照城市道路照明工程施工及验收规程进行。2 .照明配电箱及路灯杆加工按业主及有关规范要求。十、初步设计阶段专家意见回复1 .注意调整引用规范的名称,GB50217名称有误;补充接地安全的相关依据。回复:按意见修改补充。2 .细化设计范

13、围相关内容,应补充道路氏度、道路等级和照明工程的设计分界点等信息。回复:按意见修改补充。3 .人行道照明标注取值偏低,宜按IOlx:补充人行道及非机动车道眩光限制的相关技术指标。回复:按意见修改补充。4 .复核工程量表中电缆及管线的数量,其中外电进线应补充电力拉线井的数量,照明供电干单管穿四根单芯电缆,缘何单芯电缆和HDPE管的数量相同。回夏:按意见补充及复核修改。5 .核实南北大道1#箱变的配电系统,应有足够的富裕容量和恰当的配电出线回路。回豆:路灯改由公园箱变供电,公园箱变己预留容量及配电出线回路。6 .道路照明配电箱应补充测量互感器、箱体的自用电回路。回复:按意见修改补充。7 .为减少树

14、冠时照明效果的影响,灯杆间距应与绿化乔木间距成比例模数布置。3.节能标准和措施(1)道路灯采用LED路灯。(2)LED光源及C220VDC24V直流电源驱动模块的性能指标应符合规范要求,灯具AC220V/DC24V直流电源驱动模块自带定时功率输出调整功能,后半夜降低LED灯具功率输出,进一步达到节能的效果。(3)机动车交通道路照明的照明功率密度(LPD)照明节能的评价指标。机动车交通H路的照明功率密度值:道路级别车道数(条)规范照明功率密度值(LPD)(Wbs)设计照明功率密度值(LPD)(fn1)对应的照度值(Lx)设计对应的照度值(LX)次干路40.80.562023六、线路敷设】.道路照

15、明回路的中性线的截面与相线相同。所有回路采用一:相供电,灯具接线按Ll、L2、L3相别顺序接线,力求三相平衡。2 .地面道路路灯干线采用单芯YJVO6lkV交联聚乙稀绝缘聚氯乙稀护套铜芯电力电缆穿HDPE管敷设于树池下,埋设位置详见照明标准横断面图,埋深H=0.7米(路面与电缆顶端距离)。管道穿越车行道时穿0100BWFRP纤维编绕拉挤管,壁厚3mm,埋深H=0.7米(路面与管顶距离),并在两端设路灯过路工作井。3 .接向灯具的接灯线采用RVV-5V3x2.5mm2三芯聚叙乙稀护套软电线。凡照明供电干线与接灯线相接处采用绝缘穿刺线夹压接,禁止绞接。七、接地L本工程路灯配电系统的接地形式为Tr系统,系统接地与保护接地必须分开设置。4 .接地装置利用灯杆杆座校基础内的主配钢筋、地脚螺栓等自然接地体,杆座碎基础内的主配钢筋、地脚螺栓应采用焊接方式进行有效等电位连接,再用热镀锌扁

展开阅读全文
相关资源
猜你喜欢
相关搜索

当前位置:首页 > 建筑/环境 > 招标文件

copyright@ 2008-2023 1wenmi网站版权所有

经营许可证编号:宁ICP备2022001189号-1

本站为文档C2C交易模式,即用户上传的文档直接被用户下载,本站只是中间服务平台,本站所有文档下载所得的收益归上传人(含作者)所有。第壹文秘仅提供信息存储空间,仅对用户上传内容的表现方式做保护处理,对上载内容本身不做任何修改或编辑。若文档所含内容侵犯了您的版权或隐私,请立即通知第壹文秘网,我们立即给予删除!