皮带输送机操作规程.docx

上传人:p** 文档编号:279385 上传时间:2023-04-27 格式:DOCX 页数:3 大小:43.66KB
下载 相关 举报
皮带输送机操作规程.docx_第1页
第1页 / 共3页
皮带输送机操作规程.docx_第2页
第2页 / 共3页
皮带输送机操作规程.docx_第3页
第3页 / 共3页
亲,该文档总共3页,全部预览完了,如果喜欢就下载吧!
资源描述

《皮带输送机操作规程.docx》由会员分享,可在线阅读,更多相关《皮带输送机操作规程.docx(3页珍藏版)》请在第壹文秘上搜索。

1、皮带输送机操作规程一、设备的基础信息。操作规程使用于XXX公司一工厂乙焕分厂大倾角输送带,输送带生产厂家为河南希迈,型号DJII800o生产能力:3-20m3/h电机功率:55KW0二、设备结构示意。三、设备工作原理大倾角带式输送机主要用于散装物料的大倾角连续输送,采用具有波状挡边和横隔板的输送带,输送倾角为0-90度(70度以下最好)本系列产品广泛用于电石渣、粮食、建材、化工、水电、农业、港口和冶金等行业部门。在环境温度为T9度一+40范围内输送堆积密度为0.5-2.5T的各种散装物料。对于有特殊要求的物料,如耐高温或具有酸碱性、油类物质的物料,可根据需要采用相应材料特殊设计。具有通用带式输

2、送机水平或小倾角输送可靠性高,节能和提升物料可靠经济的优点。四、设备开车前的准备。1、电机及线路是否正常。2、机械地脚螺栓是否松动;润滑油量是否正常。3、皮带机的安全防护装置是否完备好用。皮带机的安全防护装置即:开机警示铃、急停开关、头尾轮安全罩及联轴器防护罩等。4、皮带机上是否有人和其它杂物,机旁是否有修理人员作业等。五、设备开车步骤1、经检查确认无问题时才能发出开机指令。2、操作工在接到开机指令后,要确认皮带机上无人和其他杂物后,开启皮带机。特别注意:任何人在未接到开机指令前不得擅自开机。3、开机顺序:多条皮带串联时,开机顺序为从卸料端至上料端依次开启。4、开动以后,先空料运行35分钟,经

3、检查各部分正常后,才可以上料带负荷运行。5、往皮带机上加料一定要均匀,防止加料过多,压停皮带,影响机械安全运转。六、设备停车步骤1、停机时要首先停止给料,待皮带机上的物料全部卸完后,才能发出停机指令。2、多条皮带串联时,停机顺序为从上料端至卸料端依次停机。3、停机后在检查机械各部的同时,必须做好清洁工作,并认真填写台班运行记录,把当班的情况给下班交待清楚。七、设备可能出现的故障1、皮带机运行以后,操作人员必须集中思想坚守岗位,看管皮带的人员要经常沿线巡视,发现问题及时汇报或排除。2、运行中如发现皮带跑偏、打滑、乱跳等异常现象时,应及时调整。3、经常检查电气设备的接地保护和绝缘情况,电动机要经常

4、用仪表测量检查,并定期保养。4、皮带机架必须连接牢固,不能有裂纹、变形或异常声响。5、机械运行中,严禁任何人跨越皮带行走,不管皮带运行与否禁止跨越皮带或站在皮带上,严禁乘坐皮带,在皮带上睡觉等。6、皮带打滑时严禁往转轮和皮带间塞东西。7、皮带松紧度不合适时要及时调整拉紧装置,处理皮带跑偏时禁止用工具通过撬皮带的方式解决。8、皮带运行时,禁止用工器具接皮带机头尾轮皮带间的漏料。9、头尾轮与皮带间夹有异物,运行时严禁拿取,各导向滚筒上的黏附的积料皮带运行时严禁清理。10、禁止带手套触摸运行中的托辐以及其它运动部件。II、在运行中严禁重车停机(紧急事故除外);如果突然停电,应立即将电源切断。八、设备

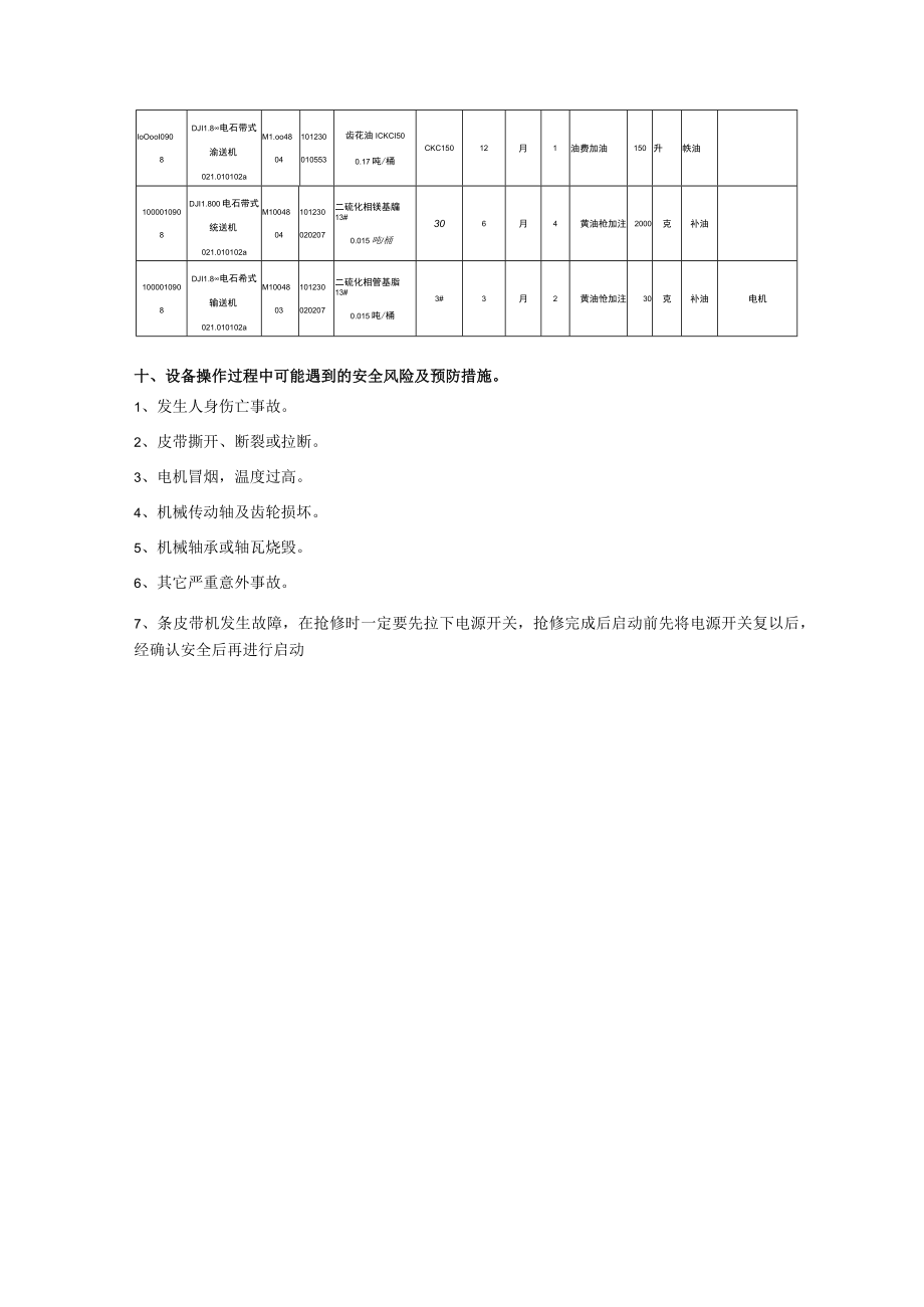
5、点检作业指导书。被善名彝部位名称设善状本点检犷目检舞标准检.方法点”期周期单位饴果单位1000010908DJI1.8电石带式Sft送机021.010102a滚筒1开机无异常响声目视所音24H1000010908DJI1.8电石带式给送机021.010102a输送带1开机无跑偏现象,无裂缰。目视.听音24H1000010908DJI1.800电石带式输送机021.010102a托转1开机无异常响声目视,听书24H1000010908DJI1.800电石带式输送机021.010102a跑偏开关1开机外观完好目视,听书24H九、设备润滑作业指导书设备码Ift善名:每位名:号酒清油名尊涮*油型号周期

6、周期单位,点数加注方式匍注量任务类S述10010908DJI1.800电石带式输送机021.010102aM1004803101230020207二硫化相管基脂13#0.015吨/桶3#3月2黄油枪加注30克补油电机IoOooI0908DJI1.8电石带式渝送机021.010102aM1.oo4803101230020207二硫化铝狸基脂13#0.015吨/桶3#36月2手工涂抹200克帙油电机IoOooI0908DJI1.8电石带式渝送机021.010102aM1.oo4804101230010553齿花油ICKCI500.17吨/桶CKC15012月1油费加油150升帙油100001090

7、8DJI1.800电石带式统送机021.010102aM1004804101230020207二硫化相镁基牖13#0.015吨/桶306月4黄油枪加注2000克补油1000010908DJI1.8电石希式输送机021.010102aM1004803101230020207二硫化相管基脂13#0.015吨/桶3#3月2黄油怆加注30克补油电机十、设备操作过程中可能遇到的安全风险及预防措施。1、发生人身伤亡事故。2、皮带撕开、断裂或拉断。3、电机冒烟,温度过高。4、机械传动轴及齿轮损坏。5、机械轴承或轴瓦烧毁。6、其它严重意外事故。7、条皮带机发生故障,在抢修时一定要先拉下电源开关,抢修完成后启动前先将电源开关复以后,经确认安全后再进行启动

展开阅读全文
相关资源
猜你喜欢
相关搜索

当前位置:首页 > 建筑/环境 > 安全文明施工

copyright@ 2008-2023 1wenmi网站版权所有

经营许可证编号:宁ICP备2022001189号-1

本站为文档C2C交易模式,即用户上传的文档直接被用户下载,本站只是中间服务平台,本站所有文档下载所得的收益归上传人(含作者)所有。第壹文秘仅提供信息存储空间,仅对用户上传内容的表现方式做保护处理,对上载内容本身不做任何修改或编辑。若文档所含内容侵犯了您的版权或隐私,请立即通知第壹文秘网,我们立即给予删除!