调速器检修规程.docx

上传人:p** 文档编号:280325 上传时间:2023-04-27 格式:DOCX 页数:10 大小:46.36KB
下载 相关 举报
调速器检修规程.docx_第1页
第1页 / 共10页
调速器检修规程.docx_第2页
第2页 / 共10页
调速器检修规程.docx_第3页
第3页 / 共10页
调速器检修规程.docx_第4页
第4页 / 共10页
调速器检修规程.docx_第5页
第5页 / 共10页
调速器检修规程.docx_第6页
第6页 / 共10页
调速器检修规程.docx_第7页
第7页 / 共10页
调速器检修规程.docx_第8页
第8页 / 共10页
调速器检修规程.docx_第9页
第9页 / 共10页
调速器检修规程.docx_第10页
第10页 / 共10页
亲,该文档总共10页,全部预览完了,如果喜欢就下载吧!
资源描述

《调速器检修规程.docx》由会员分享,可在线阅读,更多相关《调速器检修规程.docx(10页珍藏版)》请在第壹文秘上搜索。

1、调速器检修规程(试行)1 范围本规程规定了XXX水电厂调速器的检修方法及工艺要求等内容。本规程适用于XXX水电厂TVBDT-80-4.0及WBZT-5000-4.0型水轮机调速器检修。2 规范性引用文件下列标准(或文件)中的条款通过本规程的引用而成为本规程的条款。凡是注日期的引用文件,其随后所有的修改单(不包括勘误的内容)或修订版均不适用于本标准,然而,鼓励根据本标准达成协议的各方研究是否可使用这些文件的最新版本。凡是不注日期的引用文件,其最新版本适用于本规程。GB9652.12007水轮机控制系统技术条件D1.563-2004水轮机电液调节系统技术规程D1./T9652.1-1997水轮机调

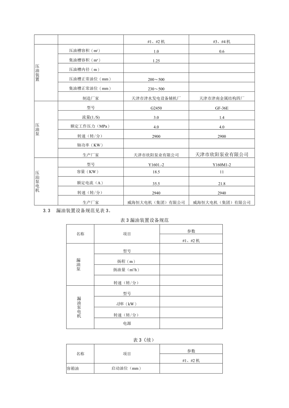
2、速器与油压装置技术条件WBDT-80-4.0及WBZT-5000-4.0型水轮机调速器产品说明书3 设备性能及主要技术参数3.1 调速器性能及主要技术参数见表1。表1调速器性能及主要技术参数型号#1、#2机#3、#4机WBDT-80-4.0WBZT-5000-4.0主06压阀直径80mm工作油压4.0MPa4.0电液转换装置步进电机步进电机调节规律PID(比例枳分微分型)测速方式齿盘+残压3.2 压油装置性能及主要技术参数见表2。表2压油装置性能及主要技术参数名称项目参数#1、#2机#3、#4机压油装置型号HYZ-1.04.0额定工作压力(MPa)4.04.0工作介质油一空气油一空气介质温度(

3、C)0-1000-55表2(续)名称项目参数#1、#2机#3、#4机压油装置压油槽容积(mj)1.00.6集油槽容积(ms)1.25压油槽内径(m)压油槽正常油位(mm)200500集油槽正常油位(mm)230500制造厂家天津市津水发电设备辅机厂天津市津南金属结构四厂压油泵型号G2450GF-36E流量(1./S)3.01.4额定工作压力(MPa)4.04.0转速(转/分)29002900轴功率(KW)生产厂家天津市欣阳泵业有限公司天津市欣阳泵业有限公司压汕泵电机型号Y1601.-2Y160M1-2容量(KW)18.511额定电流(A)35.521.8转速(转/分)29402940生产厂家威

4、海恒大电机(集团)有限公司威海恒大电机(集团)有限公司3.3 漏油装置设备规范见表3。表3漏油装置设备规范名称项目参数#1、#2机漏油泵型号扬程(m)扬油量(m/h)转速(转/分)漏油泵电机型号功率(kW)转速(转/分)电源表3(续)名称项目参数#1、#2机容箱油启动油位(mm)停泵油位(mm)报警油位(mm)4 调速器及压油装置检修周期及检修项目4.1 检修周期1 .1.1小修:每年一次。4 .1.2大修:四五年一次。4.2 检修项目及质量标准4. 2.1小修项目及质量标准见表4。表4小修项目及质量标准序号项目质量标准1调速器内紧急停机阀、切换阀、事故配压阀及其控制电磁阀检仃各接头、密封处无

5、渗漏,油路通畅:手动、自动操作灵活、可靠。2主配压阀、引导阀检查主配压阀、引导阀动作灵活,零位复中准确,无偏移现象,背帽紧固无松动。3自复中步进式电位移转换装苴检杳各零件清洁无磨损,紧定螺栓紧固,旋转手轮,壳内移动套以中位为基准上下移动IOmnb旋转过程中无发卡现象,复中灵活到位。4滤油器清扫检查滤油器滤网完好,无杂质,无油污,堵头无渗漏,把手切换灵活。5压油槽清扫检查油槽内无杂物、无油污,耐油漆有脱落处应重新补漆,回装好观察孔后,在额定压力下各部位无渗漏。6集油槽、漏油槽清扫检查油槽、滤网无杂物、无油污,滤网无破损,浮筒完好不漏,盖板平整无变形。7压油泵检查轴封、端或及各接头无渗漏汕,运行时

6、无异常振动及响声8组合阀检查(#1、#2机)组合阀各部分无渗漏油现象,紧固螺栓无松动,达到预定设置压力时各阀动作灵活、可靠。9组合阀动作值(#1、#2机):安全阀动作值(#3、#4机)开始排油压力为4.05-4.10MPa全开排油压力为4.15MPa10调速器开、关机时间调整开机:行程y:0300mm(#1、#2机);0-200mm(#3、#4机)时间t:O-IOs关机:行程y:300Omm(#1、#2机):200-0mm(#3、#4机)时间:t:08s表4(续)序号项目质量标准11接力器压紧行程测量调整压紧行程为35mm(撤除接力器油压,测量活塞返回距离的行程值,作为参考值)。12主配压阀中

7、间位置调整操作主接力器,使其开度在50%处,动作全行程接力器实际位置应与表针位置一致。空载扰动试验转速最大超调量不应超过扰动量的30%,振荡次数不应超过两次。5. 2.2大修项目及质量标准见表5。表5大修项目及质量标准序号项目质量标准1调速器内紧急停机阀、切换阀、事故配压阀及其控制电磁阀分解检查活塞和衬套无裂纹等严重缺陷,回装后活塞动作灵活,油管畅通,无渗漏现象。2自复中步进式电位移转换装置检查检查各零部件及轴承无损坏,如有损坏则需更换,各零部件清洁无杂物,轴承经清洗后加注润滑油(步进电机除外),装配后紧定螺栓紧固,旋转手轮,壳内移动套以中位为基准上下移动10mm,旋转过程中无发卡现象,复中灵

8、活。3滤油器分解检行滤油器内无杂物、油污,滤网完好无损,切换阀动作灵活,密封性好,通压力油后滤油器各部无渗漏。4引导阀、主配压阀分解检查处理活塞阀盘应保持尖锐棱角,无毛刺、缺口,活塞与缸体无严重伤痕,引导阀活塞与补套径向间隙应为0.01r,;主配压阀活塞与缸体径向间隙为0.02mm,组装后活塞在无油压情况下能在360任何一位置靠自重能自由下落。5事故配压阀分解检查处理(扪、#2机)活塞与缸体无严重磨损;棱角完好;处理后活塞在缸体内能抽动自如,通0.5MPa压力能动作灵活。无强烈振动,两端法兰面无渗漏油。6压油泵分解检查处理油泵主、从动螺旋杆完好,表面光滑无毛刺,推力套、推力垫完好,油泵主、从动

9、螺旋杆无较大磨损,油泵主、从动螺旋顶圆与从动螺旋根圆的间隙在0.04-0.07mm范围内,螺旋杆转动灵活。7组合阀分解检查处理(#1、#2机)活塞光滑无毛刺,活塞、衬套无严重磨痕与拉伤,配合间隙符合要求,组装后活塞动作灵活,充油后组合阀各部无渗漏油现象,安全阀达到预定值时动作灵活,停泵时组合阀逆止阀动作声音小,油泵无反转现象。8漏油泵分解检查处理主、从动齿轮齿形完好,无缺陷与严重磨痕,铜瓦无刮伤;两轮啮合间隙端面间隙和铜瓦配合间隙在0.020.05mm,组装后运转灵活,打油正常,无异音,盘根不漏油。表5(续)序号项目质量标准9调速系统油管路清扫管内无杂物,无油污,通压力油后各法兰接头无渗漏,管

10、头无渗漏,管夹牢固可靠。10调速系统阀门分解检查处理阀门操作灵活,关闭时无渗漏,方向安装正确,法兰及盘根处无渗漏。11接力器分解、检查、处理及回装活塞环表面无裂纹、砂眼、缩孔、毛刺等缺陷,活塞缸无划伤,各部位无渗油;活塞行程为246mm+5mm(#1、#2机)、mm(#3、#4机),接力器行程误差小于Imn1;接力器摆动时,各部件无整劲及卡阻现象。12接力器水平测量调整接力器安装的水平偏差,在活塞处于全关、中间、全开位置时,测活塞杆水平不应大于0.10mmm05各零部件的检修工艺5.1 紧急停机阀分解检查5.1.1 将紧急停机阀拆出,并用细白布将机座油孔封盖好。5.1.2 分解紧急停机阀,将零

11、部件保管好。5.1.3 将活塞从衬套内拉出,用汽油清洗活塞缸体。5.1.4 如有刮伤部位可用粒度300目以上的水砂纸或天然油石研磨。5.1.5 处理完后用汽油彻底清洗干净各零件,抹上干净透平油回装,注意密封圈要对好位置。5. 2自复中步进式电位移转换装置分解5.1.1 先将电气部分电源线拆除,再将上部步进电机部分拆除。6. 2.2将滚珠丝杆组件从阀壳中取出。6.3.3 分别分解滚珠丝杆组件和阀壳,检查各零部件情况,如有损坏则需更换。6.3.4 将各零部件清洗干净,装配过程中应避免杂物掉入壳内。5.2.5回装轴承过程中应注意对轴承加注润滑油。5.2.6组装好滚珠丝杆组件和阀壳。5.2.7将联轴器

12、与电机连接好,将紧定螺栓拧紧后涂螺纹胶,干后再将它与滚珠丝杆的轴联好。5.2.8装配完成后,来回旋转手轮,使壳内移动套以中位为准上下移动IOmn1,旋转过程中无发卡现象,复中灵活。5.3滤油器分解检查5.3.1先将滤油器两个滤芯堵头拆下排净滤筒内积油。5.3.2旋下漉筒,将滤芯拿出,检查滤网有无破损现象,如有,则更换。5.4引导阀、主配压阀分解检查处理5.4.1先将机柜、自复中位移转换装置、滤油器、电磁阀等拆除之后才能进行主配压阀的分解。5.4.2将主配行程调节螺母等附件拆除,引导阀部分拆除,拆时不能斜拉,用力均匀垂直,拆出后用布包好。5.4.3将主配上盖件螺杆松开,拆除上盖件,检查各油孔密封

13、圈情况。5.4.4将主配压阀活塞抽出,抽时必须垂直用力,如有卡阻应将活塞放下,转动一个方向再向上抽出,然后及时用布包好,以免碰伤阀棱角。5.4.5处理阀座的伤痕时,应将阀座平放于木桌上,桌面应垫上胶皮或羊毛毡,处理时可用粒度大于300目以上的水砂纸或天然油石沿圆周方向研磨,不能破坏阀盘的棱角。5.4,6处理缸体时应将工作服口袋里的杂物拿出,以免在工作时掉入缸体内。缸体的处理可用粒度在300目以上的水砂纸沿圆周方向研磨,注意保持缸体窗口的棱角。5.4.7各部件处理完后用汽油清洗干净,抹上干净的透平油,按先拆后装的顺序进行回装。特别注意的是主配压阀活塞和引导阀活塞的回装要轻放,垂直,放到底后抽动几

14、次看有无卡阻,确认没有任何问题后再回装底板。5.4.8上盖件回装要更换新密封垫及密封圈,保证在有油压状态下不漏油,对好垫片及密封圈后,对称均匀打紧螺杆。5.5事故配压阀分解检查处理(#1、#2机)5.5.1拆除、分解5.5.1.1卸去电磁阀到液压阀的油管,卸掉液压阀盖的螺丝,拿开阀盖,排去上腔油,用专用螺丝提出阀体。5.5.1.2卸掉液压阀两端法兰盘的连接螺丝,将液压阀壳体下落到工作台上放稳。5.5.1.3将事故配压阀与液压阀之间的连接管路拆除,测量并记录关机开口。5. 5.1.4测量阻尼活塞杆端到限位套背帽的距离并作好记录,卸下限位套的背帽,取出盘根。5.5. 1.5拆卸限位螺母背帽,取出限位螺母后,拆卸法兰的连接螺丝,将阻尼活塞脱开取出,再从再一端抽出事故配压阀活塞。5.5.2检查、处理、清洗5.5.2.1检查液压阀阀体应无锈蚀,阀口无缺损、划痕、阀座应紧固,如有,应用金相砂纸处理。5.5.2.2检查事故配压阀有无锈蚀、划痕,事故配压衬套有无划痕、磨损,如有应用细油石及金相砂纸处理。5.5.2.3阻

展开阅读全文
相关资源
猜你喜欢
相关搜索

当前位置:首页 > 行业资料 > 社会学

copyright@ 2008-2023 1wenmi网站版权所有

经营许可证编号:宁ICP备2022001189号-1

本站为文档C2C交易模式,即用户上传的文档直接被用户下载,本站只是中间服务平台,本站所有文档下载所得的收益归上传人(含作者)所有。第壹文秘仅提供信息存储空间,仅对用户上传内容的表现方式做保护处理,对上载内容本身不做任何修改或编辑。若文档所含内容侵犯了您的版权或隐私,请立即通知第壹文秘网,我们立即给予删除!