YMS数显液体密度计使用说明书.docx

上传人:p** 文档编号:283236 上传时间:2023-04-28 格式:DOCX 页数:7 大小:70.07KB
下载 相关 举报
YMS数显液体密度计使用说明书.docx_第1页
第1页 / 共7页
YMS数显液体密度计使用说明书.docx_第2页
第2页 / 共7页
YMS数显液体密度计使用说明书.docx_第3页
第3页 / 共7页
YMS数显液体密度计使用说明书.docx_第4页
第4页 / 共7页
YMS数显液体密度计使用说明书.docx_第5页
第5页 / 共7页
YMS数显液体密度计使用说明书.docx_第6页
第6页 / 共7页
YMS数显液体密度计使用说明书.docx_第7页
第7页 / 共7页
亲,该文档总共7页,全部预览完了,如果喜欢就下载吧!
资源描述

《YMS数显液体密度计使用说明书.docx》由会员分享,可在线阅读,更多相关《YMS数显液体密度计使用说明书.docx(7页珍藏版)》请在第壹文秘上搜索。

1、YMS数显液体密度计使用说明书ftfrf*温馨提示:请仔细阅读并严格按照设备(仪器)的操作规程和维护保养规程进行操作,否则由此造成的设备(仪器)之损坏,将不在保修之内。青岛鑫睿德石油仪器有限公司电话:+86邮箱:一、概述YMSO.1-5.0型数显式液体密度计是用于测定给定体积液体的密度,其精度足以测定0.01gcn?精度的任何一种液体密度值。采用压力传感器通过单片计算机程序换算,液晶显示器直接显示液体密度。避免杠杆式液体密度计因尺杆、支撑刃和游码变形损伤影响测量精度,测定精度高。该数显密度计集测定范围大、操作简单、多种杠杆式密度计优点于一体。是目前较先进的测量仪器。可广泛适用于各石油、化工、实

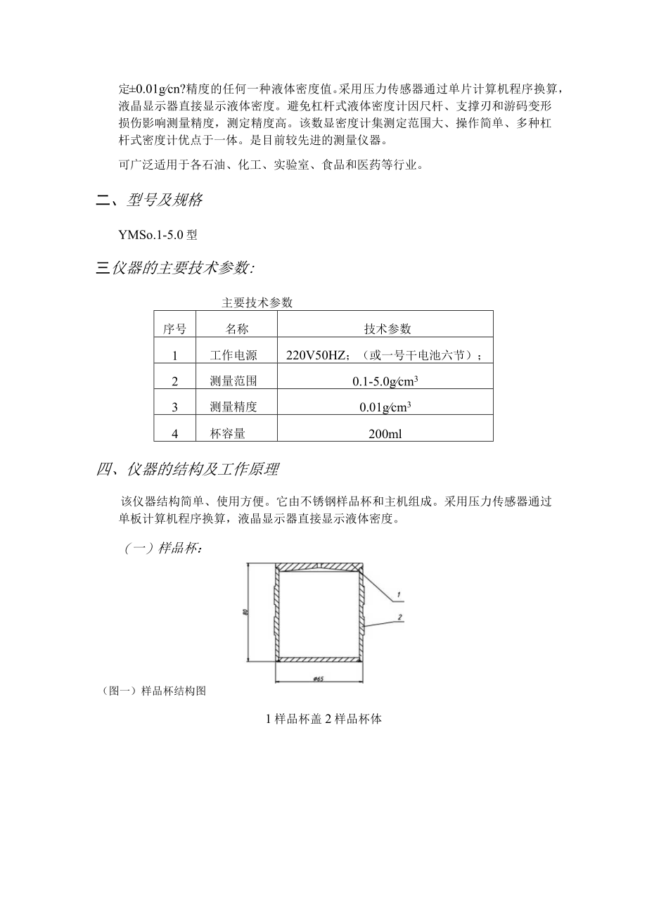
2、验室、食品和医药等行业。二、型号及规格YMSo.1-5.0型三仪器的主要技术参数:主要技术参数序号名称技术参数1工作电源220V50HZ;(或一号干电池六节);2测量范围0.1-5.0gcm33测量精度0.01gcm34杯容量200ml四、仪器的结构及工作原理该仪器结构简单、使用方便。它由不锈钢样品杯和主机组成。采用压力传感器通过单板计算机程序换算,液晶显示器直接显示液体密度。(一)样品杯:(图一)样品杯结构图1样品杯盖2样品杯体U)控制面版:(图二)控制面版图说明:1置零:用于将密度计置零。2清除:用于设置或清除样品杯重。3开/关:用于开/关该机。4窗口:用于观察水平泡。5显示窗:用于显示测

3、定值。6零位:当零点调整好且稳定时亮。7电池不足:当电池电压不足时亮,指示电池需更换。当电池电压低至该机不能正常工作时,其余显示熄灭,电池不足指示显示1分钟后电源自动彻底关闭。()仪器使用示意图:(图三)仪器使用示意图五、仪器的操作:(一)仪器的使用1、接通电源220V(或干电池)。新的干电池可连续使用500小时。2、将环境温度调至为21。3、密度计应放置在一个水平的平面上。调整底座螺钉使水平座处于水平位置。4、打开电源开关,将样品杯和杯盖置于密度计工作面上,显示窗口必须显示为“000”。注:显示窗口为“000”有两种操作方法:a、先将样品杯和杯盖置于密度计工作面上,再按动电源开关,此时,已将

4、样品杯重量除去。如显示不为零时,应按动“置零”键清零。b、也可先打开电源开关,然后将样品杯和杯盖置于密度计工作面上,按动“清除”键清零。除去样品杯重量。5、取下样品杯,打开样品杯盖注入需要测定的样品,轻敲样品杯,直至样品内气泡溢出(如测定水泥浆时,需摇动水泥浆25次)。6、盖上样品杯盖,并转动样品杯盖,保证使多余的样品液体和空气从杯盖小孔挤出,擦净杯体外的液体,使之洁净、干燥。、7、将样品杯置于密度计工作面上,显示窗口显示的数据既为被测定样品的密度值。8、每次使用完毕后,关闭电源清洗样品杯,重新放于盒内。仪器应水平放于干燥室内,仪器上面不得放置物品。不得碰撞,以免影响测试。9、如使用内置干电池

5、(1号干电池6节),稳压电源的插头应不在密度计的外接电源插座内。新的干电池可供该机连续使用500小时。10、如使用交流电源时,稳压电源的插头应插入密度计的外接电源插座。2仪器使用时一定要保证接地可靠。口工作台面除样品杯外不能放任何其他物品,保持绝对洁净、平整。当使用干电池作为电源时用完后请将电池取出。(二)仪器校验程序:1、通220V(或干电池)。新的干电池可连续使用500小时。2、将室温调至为21。3、密度计应放置在一个水平的平面上。调整底座螺钉使水平座处于水平位置。4、按动电源开关,将样品杯和杯盖置于密度计工作而中央位置上,显示窗口必须显示为“000”。显示窗口为“000”有两种操作方法:

6、(a)先将样品杯和杯盖置于密度计工作面上,再按动电源开关,此时,已将样品杯重量除去。如显示不为零时,应按动“置零”键清零。(b)也可先按动电源开关,然后将样品杯和杯盖置于密度计工作面上,按动“清除”键清零。除去样品杯重量。5、取下样品杯,将20OmI蒸馈水注入杯内,盖上杯盖,要保证水从杯盖小孔溢出,擦干杯体外的水。6、轻轻将样品杯置于密度计工作面上,显示窗口为“1.00”(表示lgcn?六、仪器的维护与保养1、仪器使用环境定要保持干燥、整洁。2、要求实验员熟悉全部操作过程和操作时可能出现的情况。3、当移动、维修或清洁仪器时。要轻拿、轻放,以免造成部件变形影响精度和使用。4、工作台面除样品杯外不

7、能放任何其他物品,保持绝对洁净、平整。5、维修和移动仪器时应切断电源,方能排除故障和移动。6、密度计绝对不能倒置。7、每次使用后,应及时将仪器擦拭干净,放置干燥环境内。8、仪器使用时要保证接地可靠。9、样品杯盖和样品杯体不得随意更换。七、仪器的运输与储存仪器的运输与储存应符合于JB/T9329T999标准。产品应储存在通风的室内,室内空气中不含有能引起器件腐蚀的杂质。/(故障的判定与排除序号现象原因维修方法1接通电源后,显示窗口不亮。电源插头接触不良。检查电源插头是否连接牢固。重新安装。2如使用干电池,若显示窗口显示“电池不足”提示。电池无电。调压器线圈受潮。应即时更换电池。用电吹风或白炽灯进干燥处理。3测量时出现误差。仪器不平。将密度计底脚调整水平螺钉,校验蒸储水为1gcm3o4测量时显示窗口显示UUUUn受外部因素干扰。应按动“清除”键清零。5测量时,无法读出准确数据。样品杯放置位置不对。应重新放置样品杯,并将其放置在工作台中央位置。九、随机配件、工具、主要零部件及技术文件一览表(-)随机配件、工具:序号名称及规格单位数量备注1样品杯件12稳压电源台13塑料防尘罩只1(二)主要零部件:序号编号名称及规格使用部位1YMSO.1-5.0-00样品杯组件测试组件2稳压电源测试组件()技术文件:序号名称及规格单位数量备注1使用说明书份12合格证份13装箱单份1

展开阅读全文
相关资源
猜你喜欢
相关搜索

当前位置:首页 > 行业资料 > 金属学与金属工艺

copyright@ 2008-2023 1wenmi网站版权所有

经营许可证编号:宁ICP备2022001189号-1

本站为文档C2C交易模式,即用户上传的文档直接被用户下载,本站只是中间服务平台,本站所有文档下载所得的收益归上传人(含作者)所有。第壹文秘仅提供信息存储空间,仅对用户上传内容的表现方式做保护处理,对上载内容本身不做任何修改或编辑。若文档所含内容侵犯了您的版权或隐私,请立即通知第壹文秘网,我们立即给予删除!