第四章采购需求清单和技术要求.docx

上传人:p** 文档编号:288558 上传时间:2023-04-28 格式:DOCX 页数:2 大小:19.43KB
下载 相关 举报
第四章采购需求清单和技术要求.docx_第1页
第1页 / 共2页
第四章采购需求清单和技术要求.docx_第2页
第2页 / 共2页
亲,该文档总共2页,全部预览完了,如果喜欢就下载吧!
资源描述

《第四章采购需求清单和技术要求.docx》由会员分享,可在线阅读,更多相关《第四章采购需求清单和技术要求.docx(2页珍藏版)》请在第壹文秘上搜索。

1、第四章采购需求清单和技术要求序号名称产品名称/规格/技术参数单位数量单价(含税)合计(元)一、一期柴油发电机供配电工程1柴油发电机组IOOOKW柴油发电机组技术规格参数:1、输出功率(KW/KVA):1000/1250;2、频率:50Hz;3、输出电压:400/230V;4、转速:150OrPn1;5、功率因数:0.8(滞后);6、机组燃油耗(gKw*h):195;7、最大输出电流(A)s1620;8、接线方式:三相四线。其中:一、柴油机,1、气缸排列方式:宜列;2、气缸数:6;3、活塞总排量(L):39.58;4、进气方式:增压中冷;5、压缩比:13.5:1,6、额定转速:150OrPIn;

2、7、功率:1110/1221KW;8、调速方式:电子调速;9、燃油消耗量:195gkw*h;10、润滑油规格、等级:15W/40CD;11、冷却方式:闭式循环水冷却;12、启动方式:24V直流电启动。二、发电机:1、绝缘等级:H;2、频率:50Hz;3、电压控制方式:自动电压调节;4、电压调整范围:10%;5、防护等级:IP22.6、励磁方式:无刷励磁;7、功率(KVA/KW),1125900台12柴油发电机组出线柜发电机配套自动切换柜:1、进线方式:电缆侧进;2、馈线方式:电缆上出;3、主进开关、联络开关:智能型万能型断路器,要求带长短延时保护,瞬时接地保护台13电力电缆电力电缆:1、规格:

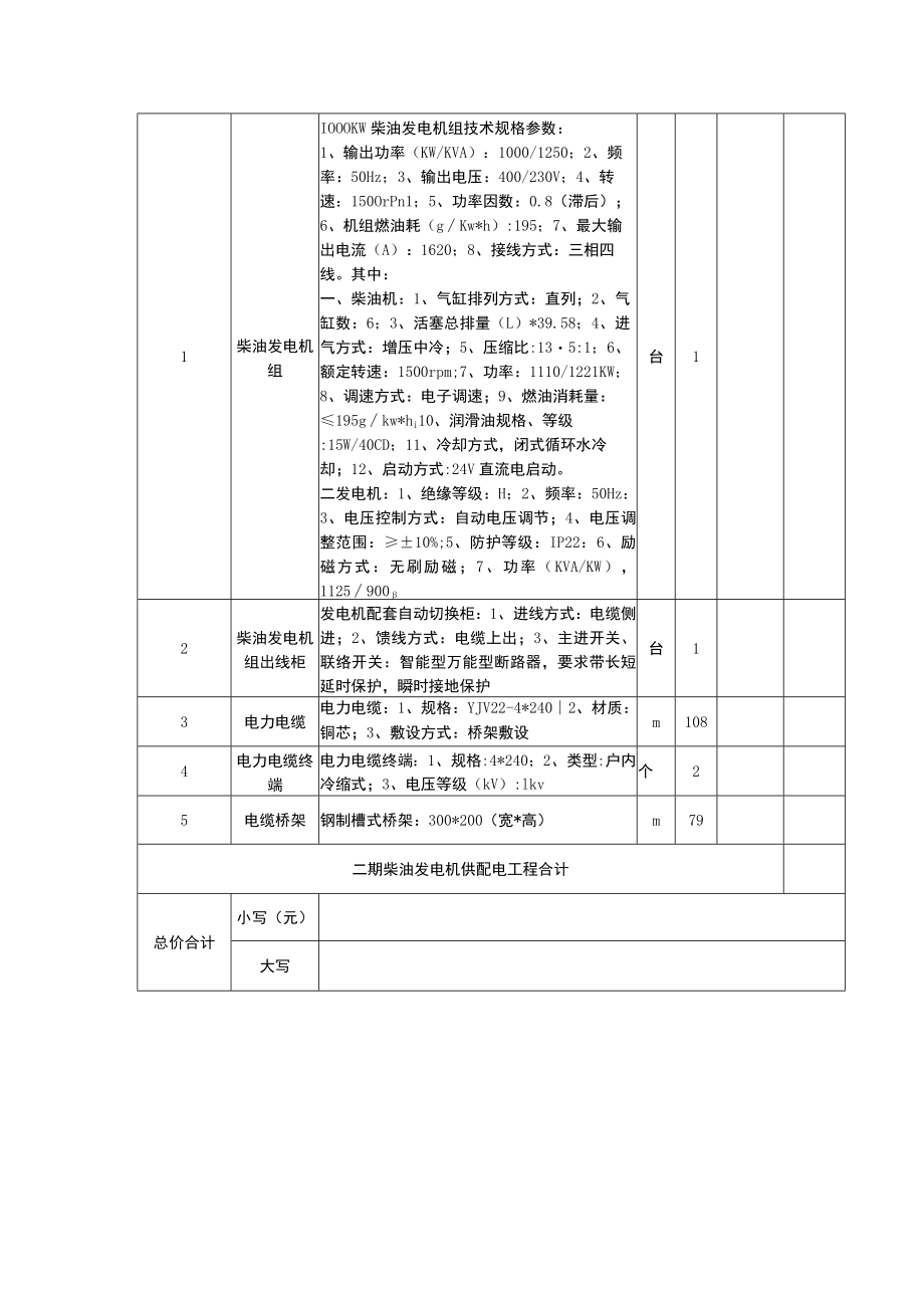
3、YJV22-4*24(h2、材质:铜芯;3、敷设方式:桥架敷设m1854电力电缆终端电力电缆终端:1、规格:4*240;2、类型:户内冷缩式;3、电压等级(kV):lkv个25电缆桥架钢制槽式桥架:300*200(宽*高)m155一期柴油发电机供配电工程合计二、二期柴油发电机供配电工程1柴油发电机组IOOOKW柴油发电机组技术规格参数:1、输出功率(KW/KVA):1000/1250;2、频率:50Hz;3、输出电压:400/230V;4、转速:150OrPn1;5、功率因数:0.8(滞后);6、机组燃油耗(gKw*h):195;7、最大输出电流(A):1620;8、接线方式:三相四线。其中:

4、一、柴油机:1、气缸排列方式:直列;2、气缸数:6;3、活塞总排量(L)*39.58;4、进气方式:增压中冷;5、压缩比:135:1;6、额定转速:1500rpm;7、功率:1110/1221KW;8、调速方式:电子调速;9、燃油消耗量:195gkw*hi10、润滑油规格、等级:15W/40CD;11、冷却方式,闭式循环水冷却;12、启动方式:24V直流电启动。二发电机:1、绝缘等级:H;2、频率:50Hz:3、电压控制方式:自动电压调节;4、电压调整范围:10%;5、防护等级:IP22:6、励磁方式:无刷励磁;7、功率(KVA/KW),1125900台12柴油发电机组出线柜发电机配套自动切换柜:1、进线方式:电缆侧进;2、馈线方式:电缆上出;3、主进开关、联络开关:智能型万能型断路器,要求带长短延时保护,瞬时接地保护台13电力电缆电力电缆:1、规格:YJV22-4*2402、材质:铜芯;3、敷设方式:桥架敷设m1084电力电缆终端电力电缆终端:1、规格:4*240;2、类型:户内冷缩式;3、电压等级(kV):lkv个25电缆桥架钢制槽式桥架:300*200(宽*高)m79二期柴油发电机供配电工程合计总价合计小写(元)大写

展开阅读全文
相关资源
猜你喜欢
相关搜索

当前位置:首页 > 建筑/环境 > 招标文件

copyright@ 2008-2023 1wenmi网站版权所有

经营许可证编号:宁ICP备2022001189号-1

本站为文档C2C交易模式,即用户上传的文档直接被用户下载,本站只是中间服务平台,本站所有文档下载所得的收益归上传人(含作者)所有。第壹文秘仅提供信息存储空间,仅对用户上传内容的表现方式做保护处理,对上载内容本身不做任何修改或编辑。若文档所含内容侵犯了您的版权或隐私,请立即通知第壹文秘网,我们立即给予删除!