表一抗震设防专项检查表.docx

上传人:p** 文档编号:289190 上传时间:2023-04-28 格式:DOCX 页数:4 大小:21.05KB
下载 相关 举报
表一抗震设防专项检查表.docx_第1页
第1页 / 共4页
表一抗震设防专项检查表.docx_第2页
第2页 / 共4页
表一抗震设防专项检查表.docx_第3页
第3页 / 共4页
表一抗震设防专项检查表.docx_第4页
第4页 / 共4页
亲,该文档总共4页,全部预览完了,如果喜欢就下载吧!
资源描述

《表一抗震设防专项检查表.docx》由会员分享,可在线阅读,更多相关《表一抗震设防专项检查表.docx(4页珍藏版)》请在第壹文秘上搜索。

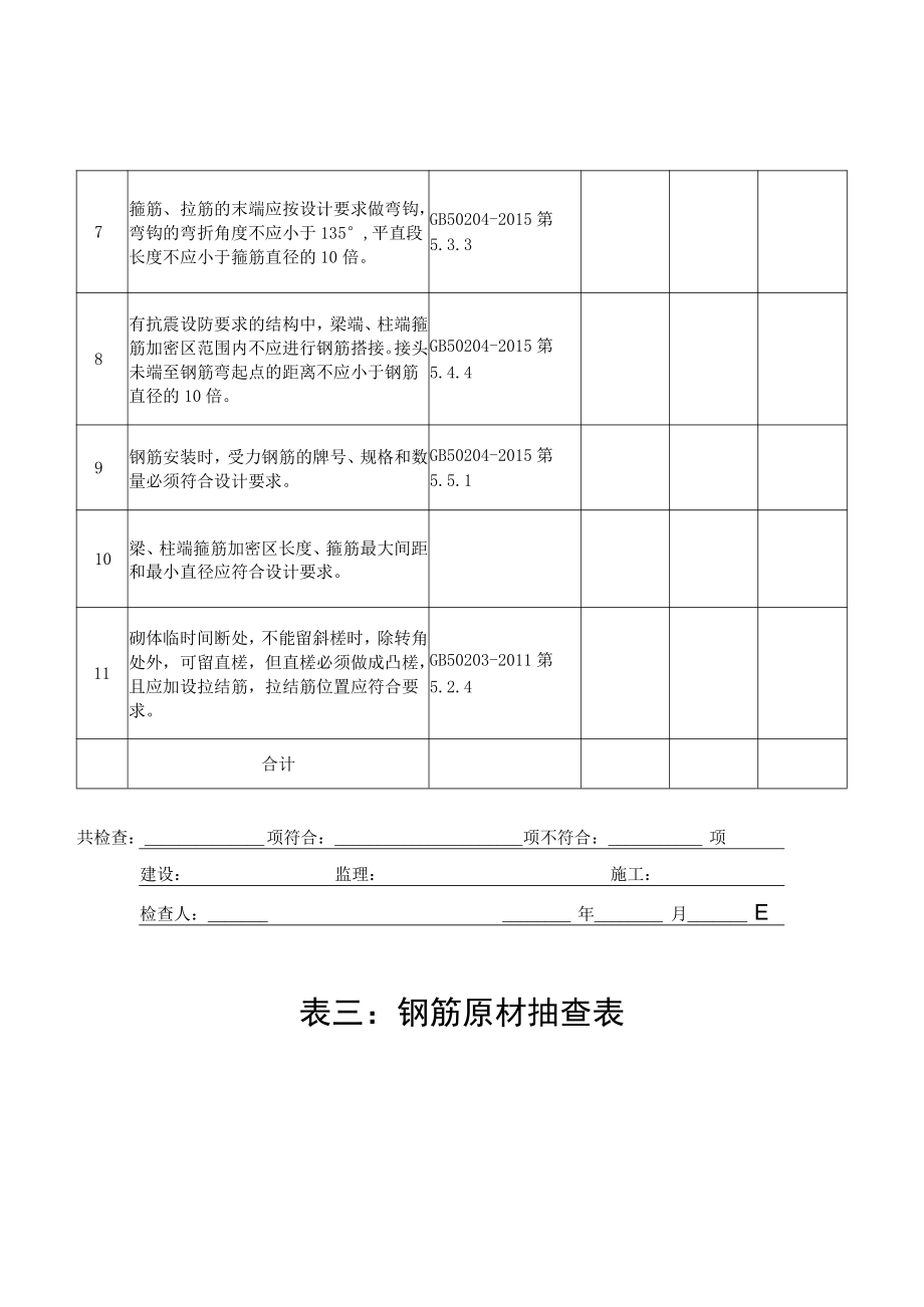
1、表一:抗震设防专项检查表编号_工程名称建设单位联系电话施工单位联系电话监理单位联系电话结构类型建筑高度抗震设防类别建筑面积抗震设防烈度场地类型施工图审查合格书开/竣工日期年月日年月日施工图设计文件审查情况涉及抗震的设计变更手续是否齐全被检查单位签字检查人签字表二:抗震设防及施工质量专项抽查用表序号抽查内容抽查内容规范依据规范依据符合符合不符合不符合备注备注1施工、监理单位主要管理人员应在岗。省政府令 2013 第 89号2建设单位应当按照有关规定向施工、 监理单位提供经施工图审查机构审查合格的施工图设计文件; 变更审查合格的施工图设计文件涉及工程建设强制性标准, 或者地基基础和主体结构安全性的

2、, 应当送原审查机构审查。省政府令 2013 第 90号3施工单位应当按照审查合格的施工图设计文件、 施工操作规程和施工质量验收规范施工。省政府令 2013 第 90号4凡涉及安全、 节能、 环境保护和主要使用功能的重要材料、 产品, 应按各专业工程施工规范、 验收规范和设计文件等规定进行复验,并应经监理工程师检查认可。GB50300-2013 第3.0.35隐蔽工程在隐蔽前应由施工单位通知监理单位进行验收, 并应形成验收文件, 验收合格后方可继续施工。GB50300-2013 第3.0.66对按一、 二、 三级抗震等级设计的框架和斜撑构件中的纵向受力普通钢筋应采用带 E 钢筋,复试指标应满足

3、规范要求。GB50204-2015 第5.2.37箍筋、拉筋的末端应按设计要求做弯钩,弯钩的弯折角度不应小于 135,平直段长度不应小于箍筋直径的 10 倍。GB50204-2015 第5.3.38有抗震设防要求的结构中, 梁端、 柱端箍筋加密区范围内不应进行钢筋搭接。 接头未端至钢筋弯起点的距离不应小于钢筋直径的 10 倍。GB50204-2015 第5.4.49钢筋安装时, 受力钢筋的牌号、 规格和数量必须符合设计要求。GB50204-2015 第5.5.110梁、 柱端箍筋加密区长度、 箍筋最大间距和最小直径应符合设计要求。11砌体临时间断处, 不能留斜槎时, 除转角处外,可留直槎,但直槎必须做成凸槎,且应加设拉结筋,拉结筋位置应符合要求。GB50203-2011 第5.2.4合计共检查:_项符合:_项不符合:_ 项建设:监理:施工:检查人:_ 年_ 月_E表三:钢筋原材抽查表编号样品名称(规格)检测参数生产厂家供货单位口拉伸 冷弯 质量偏差 抗震要求 其它拉伸冷弯口质量偏差抗震要求其它差求偏要伸弯量震它拉冷质抗其旦拉伸冷弯口质量偏差抗震要求其它差求偏要伸弯量震它一拉冷质抗其旦差求偏要伸弯震它拉冷质抗其旦建设(监理)单位:施工单位:抽样人员:

展开阅读全文
相关资源
猜你喜欢
相关搜索

当前位置:首页 > 建筑/环境 > 建筑科学

copyright@ 2008-2023 1wenmi网站版权所有

经营许可证编号:宁ICP备2022001189号-1

本站为文档C2C交易模式,即用户上传的文档直接被用户下载,本站只是中间服务平台,本站所有文档下载所得的收益归上传人(含作者)所有。第壹文秘仅提供信息存储空间,仅对用户上传内容的表现方式做保护处理,对上载内容本身不做任何修改或编辑。若文档所含内容侵犯了您的版权或隐私,请立即通知第壹文秘网,我们立即给予删除!