高处作业吊篮.docx

上传人:p** 文档编号:291098 上传时间:2023-04-28 格式:DOCX 页数:5 大小:26.01KB
下载 相关 举报
高处作业吊篮.docx_第1页
第1页 / 共5页
高处作业吊篮.docx_第2页
第2页 / 共5页
高处作业吊篮.docx_第3页
第3页 / 共5页
高处作业吊篮.docx_第4页
第4页 / 共5页
高处作业吊篮.docx_第5页
第5页 / 共5页
亲,该文档总共5页,全部预览完了,如果喜欢就下载吧!
资源描述

《高处作业吊篮.docx》由会员分享,可在线阅读,更多相关《高处作业吊篮.docx(5页珍藏版)》请在第壹文秘上搜索。

1、高处作业吊篮安装验收书施工单位(总包单位):使用单位:年月日吊篮安装验收书工程名称工程地址施工单位(总包单位)安装单位使用单位吊篮型号/编号生产厂家提升高度(m)速筑物高度安全锁型号起重钢丝绳型号/规格安全钢丝绳型号/规格安装时间年月日检测时间年月日名称序号验收内容要求验收结果资料1吊篮产员备案表2企业营业执照及安装资格证3设备出厂合格证及使用说明书4总承包与分包(使用)单位、安装单位签订的合同、安全协议书5设备租赁安装及维护保养合同6安装(拆卸)专项方案及方案监理审批表7高处作业吊篮安装验收书8吊篮作业人员上岗证书(每台2人)悬挂机构9支架支撑点处结构的承载能大于所选择吊篮各工况的荷载最大值

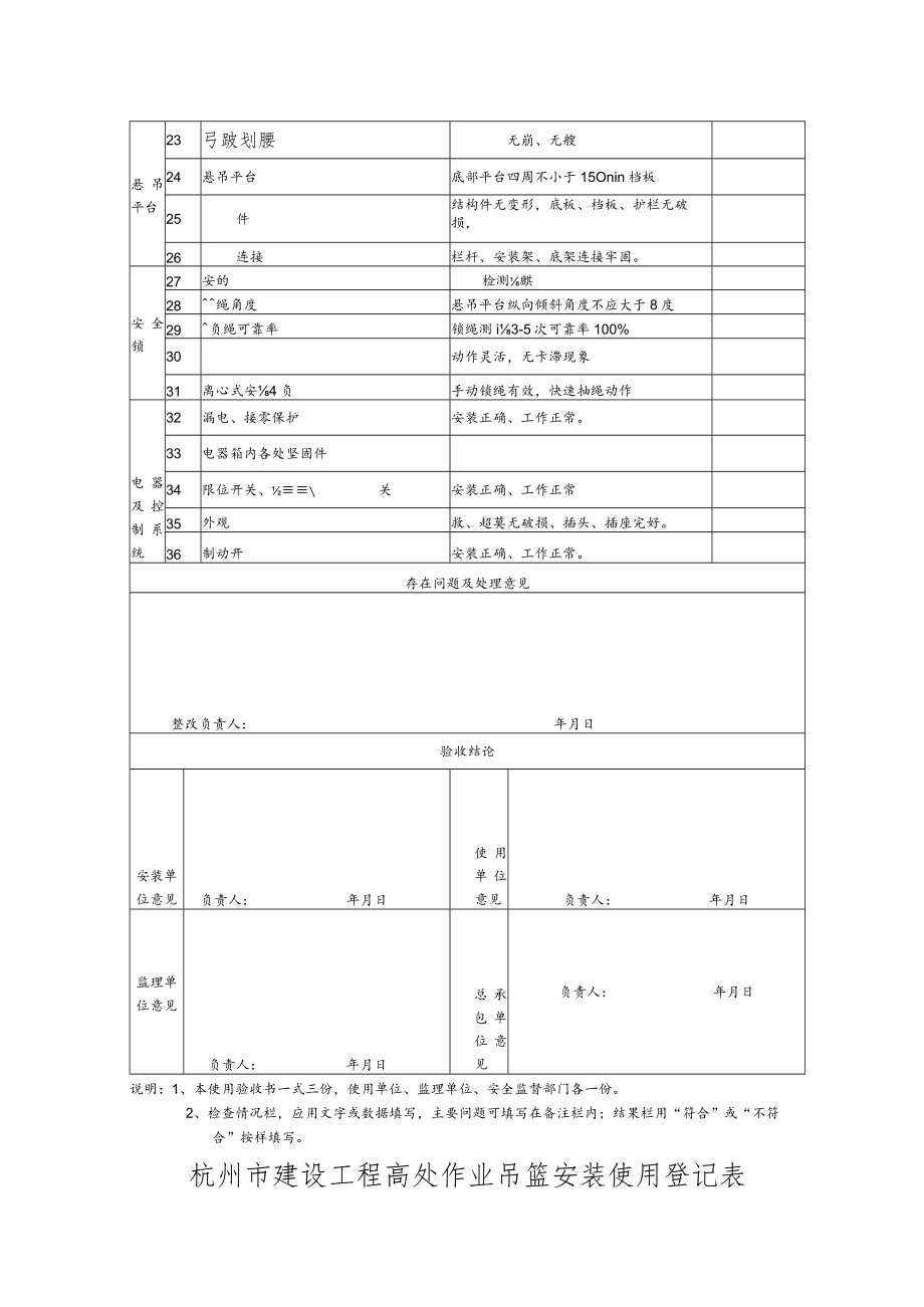
2、10弓踱郊渡M、无翊、无懒11配重数量齐全、固定。12各连接件牢固可靠,滚轮销紧。13距离及定位悬挂机构的距离准确,定位可靠。提升机1420minft状况无异常发热及声响,无漏油、渗油15额载制动距离WlOonm16提布度8hmin-lWmin17静载(150%)端218电机电磁制动器间隙正常,与安装架连接牢固钢丝绳19断丝及断股无断丝、无断股20厨员情况无明显变形(松股、折弯、起股)及锈蚀,无明显损伤(压痕、烧蚀、堆积),无明显磨损,减少W7%21与悬1构连接固,绳卡无22外观无油污及其它污物悬吊平台23弓跛划腰无崩、无艘24悬吊平台底部平台四周不小于15Onin档板25件结构件无变形,底板

3、、档板、护栏无破损,26连接栏杆、安装架、底架连接牢固。安全锁27安的检测麒28绳角度悬吊平台纵向倾斜角度不应大于8度29负绳可靠率锁绳测i3-5次可靠率100%30动作灵活,无卡滞现象31离心式安4负手动锁绳有效,快速抽绳动作电器及控制系统32漏电、接零保护安装正确、工作正常。33电器箱内各处坚固件34限位开关、关安装正确、工作正常35外观救、超莫无破损、插头、插座完好。36制动开安装正确、工作正常。存在问题及处理意见整改负责人:年月日验收结论安装单位意见负责人:年月日使用单位意见负责人:年月日监理单位意见负责人:年月日总承包单位意见负责人:年月日说明:1、本使用验收书一式三份,使用单位、监

4、理单位、安全监督部门各一份。2、检查情况栏,应用文字或数据填写,主要问题可填写在备注栏内;结果栏用“符合”或“不符合”按样填写。杭州市建设工程高处作业吊篮安装使用登记表基本情况工程名称工程地址使用单位总承包单位设备租赁单位拆装单位设备生产厂家设备型号/规格设备出厂编号安装至拆卸日期主要安装数据建筑物高度悬挂机构安装位置钢丝绳型号/规格悬吊平台与建筑物距离最大幅度(悬臂伸出长度)安全绳规格设备已使用年限最大提升高度额定荷载悬吊平台规格(长X宽X高)相关资料序号必须具备的资料结果安装作业人员1吊篮产权备案表工种安装人员上岗证2企业营业执照及安装资格证起重工(安装工)3设备出厂合格证及使用说明书4总

5、承包与分包(使用)单位、安装单位签订的合同、安全协议书5设备租赁安装及维护保养合同6安装(拆卸)专项方案及方案监理审批表7高处作业吊篮安装验收书8吊篮检验检测报告安装负责人9吊篮作业人员上岗证书(每台2人)施工员检测及验收情况检测单位检测日期上述有关资料、人员上岗证已具备齐全,设备检测合格后装拆单位、使用单位、总承包单位(施工项目部)和监理单位对设备共同验收,确认已符合要求。总承包单位负责人签字:使用单位负责人签字:安装负贲人签字:监理单位总监签字安装单位盖章年月日使用单位盖章年月日总承包单位盖章年月日监理单位盖章年月日安全监督部门登记记录登记资料已收讫(盖章)年月日注:本表一式六份,安装单位、使用单位、总承包单位、监理单位各一份,监督部门二份。

展开阅读全文
相关资源
猜你喜欢
相关搜索

当前位置:首页 > 建筑/环境 > 桩基础

copyright@ 2008-2023 1wenmi网站版权所有

经营许可证编号:宁ICP备2022001189号-1

本站为文档C2C交易模式,即用户上传的文档直接被用户下载,本站只是中间服务平台,本站所有文档下载所得的收益归上传人(含作者)所有。第壹文秘仅提供信息存储空间,仅对用户上传内容的表现方式做保护处理,对上载内容本身不做任何修改或编辑。若文档所含内容侵犯了您的版权或隐私,请立即通知第壹文秘网,我们立即给予删除!