铁路局车辆段QC小组研制铁路客车轴报播音联网测试仪成果汇报.docx

上传人:p** 文档编号:296034 上传时间:2023-05-04 格式:DOCX 页数:40 大小:1.11MB
下载 相关 举报
铁路局车辆段QC小组研制铁路客车轴报播音联网测试仪成果汇报.docx_第1页
第1页 / 共40页
铁路局车辆段QC小组研制铁路客车轴报播音联网测试仪成果汇报.docx_第2页
第2页 / 共40页
铁路局车辆段QC小组研制铁路客车轴报播音联网测试仪成果汇报.docx_第3页
第3页 / 共40页
铁路局车辆段QC小组研制铁路客车轴报播音联网测试仪成果汇报.docx_第4页
第4页 / 共40页
铁路局车辆段QC小组研制铁路客车轴报播音联网测试仪成果汇报.docx_第5页
第5页 / 共40页
铁路局车辆段QC小组研制铁路客车轴报播音联网测试仪成果汇报.docx_第6页
第6页 / 共40页
铁路局车辆段QC小组研制铁路客车轴报播音联网测试仪成果汇报.docx_第7页
第7页 / 共40页
铁路局车辆段QC小组研制铁路客车轴报播音联网测试仪成果汇报.docx_第8页
第8页 / 共40页
铁路局车辆段QC小组研制铁路客车轴报播音联网测试仪成果汇报.docx_第9页
第9页 / 共40页
铁路局车辆段QC小组研制铁路客车轴报播音联网测试仪成果汇报.docx_第10页
第10页 / 共40页
亲,该文档总共40页,到这儿已超出免费预览范围,如果喜欢就下载吧!
资源描述

《铁路局车辆段QC小组研制铁路客车轴报播音联网测试仪成果汇报.docx》由会员分享,可在线阅读,更多相关《铁路局车辆段QC小组研制铁路客车轴报播音联网测试仪成果汇报.docx(40页珍藏版)》请在第壹文秘上搜索。

1、研制铁路客车轴报播音联网测试仪一、概况(一)单位简介XX车辆段位于广西壮族自治区首府XX市郊,隶属XX铁路局,担负着XX铁路局所有客车车辆的段修(E2、E3修)检修及大部份的运用维修和乘务工作,现配属22、25G、25T、25K等各型客车1745辆,是XX铁路局运营部门的一个重要单位。XX车辆段年段修客车800多辆,始终坚持质量第一的宗旨,对检修质量严格把关,确保旅客列车安全运用,保证旅客安全出行、方便出行、温馨出行。(-)小组简介XX车辆段空电车间主要担当XX车辆段铁路客车电器类的段修检修工作。车电组负责XX车辆段普客车辆电器、轴温报警器段修及检测工作;并担负着解决全段各种客车电器类技术难题

2、,保证旅客列车检修质量。小组名称空电车间车电QC小组小组类型成立日期2016年1月登记号南辆2016-21课题研制铁路客车轴报仪、播音联网测试仪材料整理活动时间2016年1月一2016年12月出勤率100%小组成员简介姓名文化程度职务组内分工大学车间主任小组长策划、检查、分析验证大学教练员组员实施、数据统计大学车间副主任组员实施大学技术员组员实施大专工长组员实施大专车辆电工组员实施活动制度应用全面质量管理理论方法,以设计装置为目的,针对问题症结所在,结合实际情况,每月开展活动一次。表-1制表人:制表时间:2016年1月(S)设备介绍随着我国旅客列车提速范围越来越大,运行速度越来越高,途中停靠站

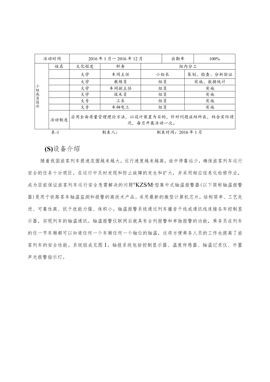
3、少,确保旅客列车运行安全的任务十分艰巨。在运行中及时发现和防止故障的发生和扩大,并采用相应信息化检修作业,成为目前保证旅客列车运行安全急需解决的问题KZSM型集中式轴温报警器(以下简称轴温报警器)是用于铁路客车轴温监测和报警的高技术产品。采用最新的微型计算机芯片,结构简单、工艺先进、可靠性高、抗干扰能力强、体积小。轴温报警系统通过列车播音干线或通讯线连接各车控制显示器,实现列车的轴温通讯。轴温报警仪联网后就具有全列报警和单独报警的功能,乘务员在列车的任一节车厢都可以知道任何一个车厢任何一个轴位的轴温,这将方便乘务人员的工作也提高了旅客列车的安全性能。系统组成见图1。轴报系统包括控制显示器、温度

4、传感器、轴温记录仪、外置声光报警指示灯。客车轴温报警联网简图 8卡的K.0FXH /看一 刊w N1. 0 /- _由轴温报警器系统网络简图可看出,轴温报警器主机和分布于各车厢的轴温报警器通过播音线或是其它专用线路(25T车)连接成一个总线式的通信网络。每个轴报器作为一个通信接点,在设计上都可以通过开关设置为主站或从站。当主站发生故障时,可选用其它轴温报警器作为主站重新构成网络,保证了信息传送的可靠性。在设计上轴温报警器主机不光是具有轴温报警器的所有功能,结构上(见图3)还比轴温报警器多了一个轴温数据的IC卡接口和相关的电源线路。二、选题理由(一)问题的提出根据中国铁路总公司发(铁总运2015

5、29号)铁路客车电气装置检修规则第4.26条要求:铁路客车E2、E3修时轴温报警器的控制显示器、记录仪和传感器下车检修,通电功能试验,第4.2624条轴温报警仪的联网功能检测,第4.21条播音设备测试广播功能良好,播音开关、调音旋钮功能正常。铁路客车E2、E3检修(段修)过程中由于分工的不同,轴温报警器由空电车间专修二组检修,客车车辆的播音设备检修、广播线、通讯线及轴温报警装置的装车调试由车电二组进行,交验时没有相关的设备进行联网测试,在铁路总公司各个铁路局也是一片空白。车电QC小组成员邓晓东、曾经到昆明、太原、合肥等车辆段进行学习取经询问是否有能够成功进行单辆车联网测试的便携设备;咨询铁路院

6、校科研所,了解到情况是铁路生产维修单位均没有类似设备,西南交大科研所也仅仅是有研制计划。(二)对轴温报警装置联网测试的要求根据铁路客车电气装置检修规则(2015)第4.26条和4.21播音设备检修要求:铁路客车E2、E3修(段修)对轴温报警器联网检测和播音设备测试时,须达到如下标准:序号项目功能测试标准1识别车厢号1.能识别车厢重号。2.轴温变化能显示相应车厢轴温。2轴报器模拟报警状态1.测试显示器报警时其他显示器均需报警,并显示报警车号、轴位、轴温。2.10S后其他显示器停止报警,但仍需显示报警车号、轴位、轴温,报警指示灯闪烁。3轴温高报警消音1.测试显示器按键后报警能消音,但报警指示灯和超

7、温轴温值仍闪烁。2.网络中其他显示器恢复正常。4两台及以上轴报报警1.每一台显示器循环显示报警车厢顺位号、轴位、轴位。2.每次显示时间(51)s。5测试联网显示器开机1.联网显示器开机至少30mino2.断电后再次开机,通过储存卡转录或调阅个数据记录间隔为IOmin,报警记录数据间隔为Imin。6播音设备测试广播功能良好,播音开关、调音旋钮功能正常。表-2制表人:苏家宙时间:2016年1月从列表看出,要求测试装置在测试段修客车车辆时,不仅要达到铁路客车电气装置检修规则的要求:必须具有检修良好的轴温报警器所有的功能,还要能够测试出连接轴报器的播音干线的技术状态,即可检测出轴报联网状态是否良好。在

8、运用车中,使用本测试仪可调取列车中任一辆车的轴报数据,检查全列轴报器的技术状态。播音设备的检测要求检测车厢内喇叭、开关、调音旋钮及与临车的连接情况。(三)轴温报警器、播音设备在联网测试的调查分析2015年铁路客车电气装置检修规则开始试行要求作联网测试,由于没有合适的检测设备,采用的是较原始的方法进行:序号测试内容测试工具具体方法备注1轴报器万用表、短接线短接车上轴温报警器通讯线的输出BY1/BY2接头,分别测量车厢的1、2、3、4位端头的插头、插座或是通讯座的11/12号插脚的电阻,如果显示阻值为。则表示联网通讯线良好。2播音设备万用表、短接线分解车厢内的三个播音开关使用万用表测量调节电阻阻值

9、是否可以连贯变化,如连贯变化则良好。分解车厢内的三个扬声器短接扬声器的两个接线端,在车辆的1、2、3、4位端头的插头、插座或是通讯座的11/12号插脚的电阻,如果显示限值为。则表示播音设备良好。表3制表人:苏家宙日期:2016年1月这些测试只能检测播音线、通讯线轴温信号线、扬声器及开关的静态参数,并不能按要求检测轴温报警器和播音设备的各项功能,而且耗时费力影响检修班组的工作效率,车间管理人员、质检和验收人员也很难对工作完成情况进行指导和督促。小组成员对2015年铁路客车电气装置检修规则试行以来,空电车间在E2、E3修(段修)执行第4.26条和4.21条要求检修测试的工作量及每项工作所需的时间进

10、行了现场统计(按每天交车5辆算)。2015年12月份轴温报警器、播音联网测试工作量调查表序号项目每日工作量每辆计时计算每日需要时间测试效果1轴温报警器联网测试5辆车30分钟150分钟没有功能测试2播音喇叭拆卸安装5辆车30分钟150分钟没有功能测试3播音开关拆卸安装5辆车20分钟100分钟没有功能测试4播音设备的联网测试5辆车10分钟50分钟没有功能测试5合计每天5辆车的轴温报警器、播音的联网检测需450分钟未能达到要求表4制表人:苏家宙时间:2016年1月由表4可以看出,轴温报警仪和播音设备的联网测试需要检修班组指派一专人负责,而且要耗费整个工作日:450分钟/60分钟=7.5小时,也未能达

11、到电规要求,严重的影响了检修班组的工作效率和在其它检修项目上的安排。由于轴温报警器联网检测手段的缺失,2015年XX车辆段就发生过多起运用换挂车在挂上编组通电试验后发现轴报联网不良,再次换挂时耽误了旅客列车正点发车。2015年运用反馈联网功能造成的临时换挂车序号车号故障原因最近修程造成后果1361386轴温报警器BY1.虚接E2-15.01临时换挂2345131轴温报警器BY1.脱焊E2-15.03临时换挂3348631轴温报警器BY2、BY1.接错线E2-15.03临时换挂4683671通讯线断路E2-15.04临时换挂5683623通讯线断路E2-15.06临时换挂6555869播音插座接

12、线需接E2-15.08临时换挂7551741播音连线断路E2-I5.08临时换挂8670176轴温报警器BY1.虚接E3-15.10临时换挂9347788轴温报警器BYI虚接E3-15.1.1.临时换挂10673699轴温报警器BY1.虚接E3-15.1.1.临时换挂表-5制表人:苏家宙时间:2016年1月从表5看出2015年XX车辆段就发生了10起由于轴温报警器、播音联网不良造成的临时换挂。故障发生的原因主要是客车E2、E3修时没能联网功能试验造成。(四)确定课题为了实现轴温报警仪联网测试的目的和联网测试的各项要求,提高检修班组的工作效率,QC小组运用“头脑风暴法”针对如何解决问题的各种办法

13、进行讨论,得出思路1()条,并运用亲和图进行归纳出五个课题。亲和图 1 3 TCDS图-4制图人:日期:2016年2月QC小组成员对亲和图归纳的五个课题进行了梳理,并就有效性、可实施性、经济性和创新性等四个方面进行了综合评估和打分。解决方案评估表(每项满分5分)项目课题一课题二课题三课题四课题五广播线的贯通检测轴报信号的传输测试轴报仪的刍项功能显不打印功能轴报播音联网测试仪思路一思路二思路一思路二思路一思路二思路一思路二思路一思路二有效性(1分)有效有效有效有效有效有效有效有效有效有效可实施性(2分)需要两端分别接线,效率低-1分操作简单,单个端子接线即可需要测量多个节点,效率低-1分操作简单,单个端子接线即可具有数据存储功能无数据存储功能1分需要申请TCDS板卡并下载软件-1分需要下载储存卡读取软件需要两端分别接线测量,效率低-1分由于工作频率不同可共线工作经济性(1分)发光二极管便宜花费较发光二极管大。-0.5分使用的万用表是常用工具可利用旧有轴报仅改造可利用旧有轴报仪改造可利用旧有轴报仪改造TCDS板卡造价高-1分储存卡相对板卡很便宜需要分别有各自的电源(电池)-0.5分可选用合

展开阅读全文
相关资源
猜你喜欢
相关搜索

当前位置:首页 > 行业资料 > 传媒

copyright@ 2008-2023 1wenmi网站版权所有

经营许可证编号:宁ICP备2022001189号-1

本站为文档C2C交易模式,即用户上传的文档直接被用户下载,本站只是中间服务平台,本站所有文档下载所得的收益归上传人(含作者)所有。第壹文秘仅提供信息存储空间,仅对用户上传内容的表现方式做保护处理,对上载内容本身不做任何修改或编辑。若文档所含内容侵犯了您的版权或隐私,请立即通知第壹文秘网,我们立即给予删除!