酒钢集团信息自动化分公司镜铁山矿汽车衡智能计量改造项目采购技术协议.docx

上传人:p** 文档编号:302794 上传时间:2023-05-10 格式:DOCX 页数:22 大小:74.54KB
下载 相关 举报
酒钢集团信息自动化分公司镜铁山矿汽车衡智能计量改造项目采购技术协议.docx_第1页
第1页 / 共22页
酒钢集团信息自动化分公司镜铁山矿汽车衡智能计量改造项目采购技术协议.docx_第2页
第2页 / 共22页
酒钢集团信息自动化分公司镜铁山矿汽车衡智能计量改造项目采购技术协议.docx_第3页
第3页 / 共22页
酒钢集团信息自动化分公司镜铁山矿汽车衡智能计量改造项目采购技术协议.docx_第4页
第4页 / 共22页
酒钢集团信息自动化分公司镜铁山矿汽车衡智能计量改造项目采购技术协议.docx_第5页
第5页 / 共22页
酒钢集团信息自动化分公司镜铁山矿汽车衡智能计量改造项目采购技术协议.docx_第6页
第6页 / 共22页
酒钢集团信息自动化分公司镜铁山矿汽车衡智能计量改造项目采购技术协议.docx_第7页
第7页 / 共22页
酒钢集团信息自动化分公司镜铁山矿汽车衡智能计量改造项目采购技术协议.docx_第8页
第8页 / 共22页
酒钢集团信息自动化分公司镜铁山矿汽车衡智能计量改造项目采购技术协议.docx_第9页
第9页 / 共22页
酒钢集团信息自动化分公司镜铁山矿汽车衡智能计量改造项目采购技术协议.docx_第10页
第10页 / 共22页
亲,该文档总共22页,到这儿已超出免费预览范围,如果喜欢就下载吧!
资源描述

《酒钢集团信息自动化分公司镜铁山矿汽车衡智能计量改造项目采购技术协议.docx》由会员分享,可在线阅读,更多相关《酒钢集团信息自动化分公司镜铁山矿汽车衡智能计量改造项目采购技术协议.docx(22页珍藏版)》请在第壹文秘上搜索。

1、酒钢集团信息自动化分公司镜铁山矿汽车衡智能计量改造项目采购技术协议一.规定事项1.本协议依法签订,经双方当事人认可,双方责任代表签字后,作为合同不可分割的一部分,与合同同时生效,具有同等法律效力。任何一方未按技术协议履行合同,应承担经济责任。2 .协议中未尽事宜或因故变更,需双方责任人协商一致后,拟定出补充条款或修改书面协议,双方签字,作为合同附件,具有同等法律效力。3 .本协议执行过程中,任何一方不能向第三方提供或透露本协议的内容。二.总则酒泉钢铁(集团)有限责任公司信息自动化分公司(以下简称甲方)与(以下简称乙方)经双方友好协商就酒钢集团镜铁山矿智能计量汽车衡无人值守改造项目达成以下具体协

2、议:1.概况(1)本技术规范书所提出的是最低限度的技术要求,并未对一切技术细节做出规定,也未全部引述有关标准和规范的条文,乙方保证提供符合现行技术规范、行业标准、国家标准的优质产品。(2)乙方提供的产品备件应完全符合甲方以书面方式提出的有关设备的技术条文或相关要求,产品技术成熟、运行可靠、操作安全且技术成熟,乙方对其质量、精度、安全、性能指标负全部责任。(3)在签订合同之后,甲方有权提出因规范标准和规程发生变化而产生的一些补充修改技术要求,具体款项由甲、乙双方共同商定。2.乙方责任(1)乙方应严格按照甲方的技术要求进行设备及备件制造、采购,保证甲方所提及对于设备的各项具体性能指标及技术需要。(

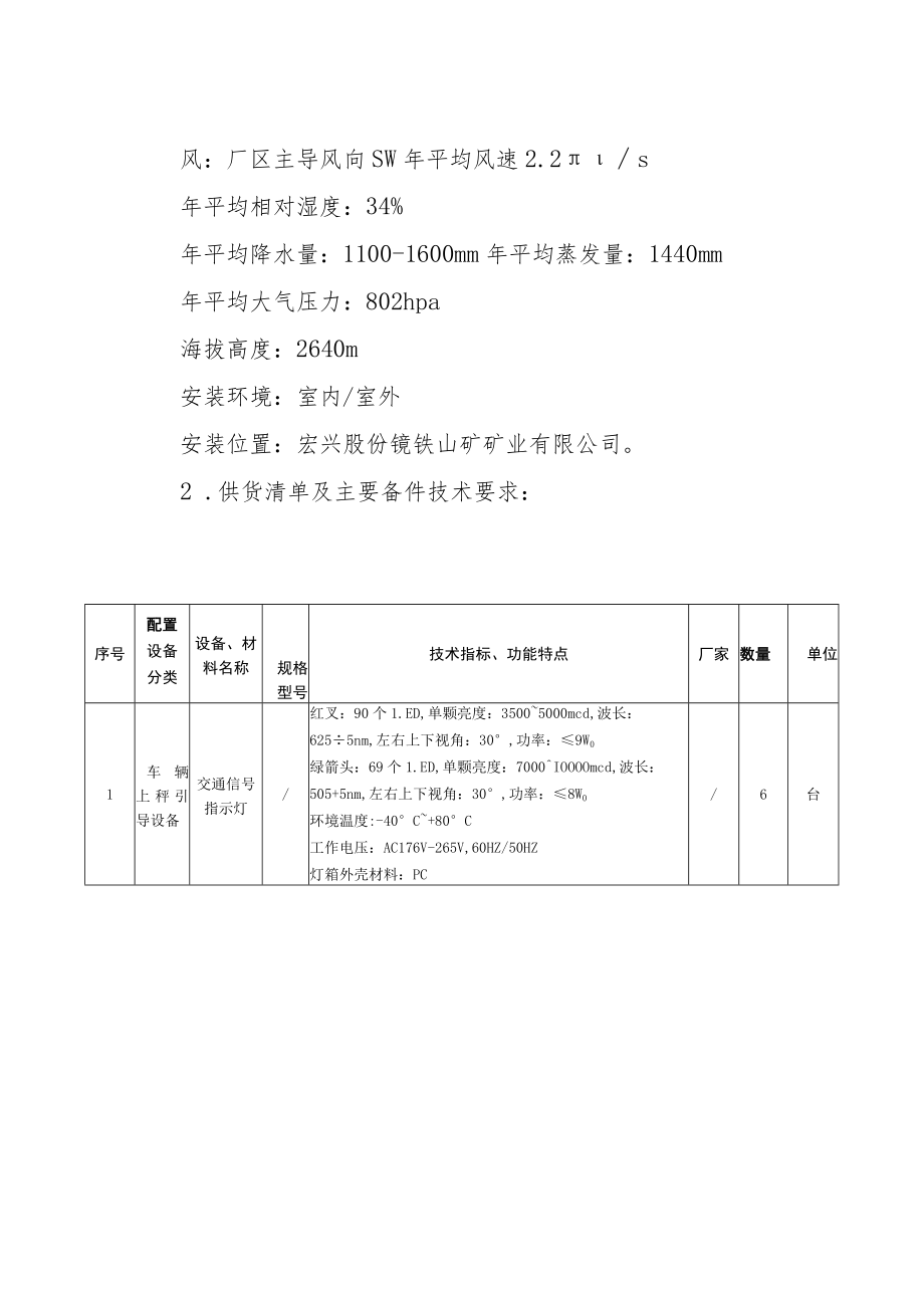
3、2)乙方执行的标准与甲方要求不一致时,按较高标准执行,如若无现成技术标准参考,乙方应按甲方指定的标准执行。三.项目主要内容改造镜铁山矿业公司现有2台汽车衡实现无人值守智能化计量,主要建设内容:对现有的2台汽车衡设备保留,采购安装车号识别装置、视频监控系统、语音对讲设施、网络传输设施、RFID识别装置、红外光栅、红绿灯、网络通讯及照明等设施。四.供货范围及要求1 .现场使用条件:极限最高温度40极限最低温度-30。C地震烈度:7度风:厂区主导风向SW年平均风速2.2s年平均相对湿度:34%年平均降水量:1100-1600mm年平均蒸发量:1440mm年平均大气压力:802hpa海拔高度:2640

4、m安装环境:室内/室外安装位置:宏兴股份镜铁山矿矿业有限公司。2 .供货清单及主要备件技术要求:序号配置设备分类设备、材料名称规格型号技术指标、功能特点厂家数量单位1车辆上秤引导设备交通信号指示灯/红叉:90个1.ED,单颗亮度:35005000mcd,波长:6255nm,左右上下视角:30,功率:9W0绿箭头:69个1.ED,单颗亮度:7000IOOOOmcd,波长:505+5nm,左右上下视角:30,功率:8W0环境温度:-40C+80C工作电压:AC176V-265V,60HZ/50HZ灯箱外壳材料:PC/6台灯组尺寸(mm):350x350x180IP等级:IP53可视距离230On1

5、.2车号识别设备网络高清高速智能球机/款式:400万8寸35倍变焦球机(含电源和支架)支持三种智能资源切换:Sn1.art事件、混合目标、人脸抓拍;Sinart事件:越界侦测,区域入侵侦测,进入/离开区域侦测等智能侦测功能混合目标:支持人脸+人体+车辆抓拍,人脸和人体关联输出人脸抓拍:支持同时抓拍30张人脸,支持对运动人脸进行检测、跟踪、抓拍、评分、筛选,输出最优的人脸抓图支持最大2560X144030fps高清画面输出采用双SenSOr架构,支持超宽光谱感光成像采用无光污染的混合补光技术,可有效提升整体监控效果支持GB35U4安全加密传感器类型:1/1.8progressivescanCMO

6、S,双SenSOr架构最低照度:彩色:0.00041.ux(F1.6,AGC0N),黑白:0.00011.ux(F1.6,AGCON),01.uxwithIR宽动态:120dB超宽动态光学变倍:35倍焦距:5.9206.5mm红外照射距离:250m防补光过曝:支持水平范围:360垂直范围:-2090(自动翻转)水平速度:水平键控速度:0.1210。s,速度可设:水平预置点速度:280。/s垂直速度:垂直键控速度:0.1150。/s,速度可设;垂直预置点速度:250o/s主码流帧率分辨率:50Hz:25fps(25601440);60Hz:30fps(2560X1440)视频压缩标准:H.265

7、,H.264,MJPEG网络存储:NAS(NFS,SMB/CIFS)网络接口:RJ45网口,自适应10M/100M网络数据SD卡扩展:支持MiCrOSD(即TF卡)/MicroSDHC/MiCrOSDXC卡,最大支持256GB报警输入:7路报警输入报警输出:2路报警输出音频输入:1路音频输入音频输出:1路音频输出具有RS485接口供电方式:AC24V/4台3视频监控立杆4米立杆、管径80、壁厚2mm白色防锈漆、配可调节高度的摄像机安装抱箍、带地座/2根1补光灯/光源类型:原装进口大功率白光1.ED4台(36W)1.ED灯珠数:16颗色温:50007000K发光角度:40。佳补光距离:16米25

8、米响应时间:20us日夜功能:支持环境亮度检测,低照度下自动开启设计寿命:250000小时外壳材质:压铸铝电源:AC220V20%,47Hz63Hz功率:36W(实际功率与控制方式相关)工作环境:工作温度-40C+70C,工作湿度10%90%防护等级:IP665RFID制卡器/产品描述:REID读写器可与符合IS018000-6C/6B两种协议标准的标签组成RF1.D系统,通过天线与标签进行无线通信,实现对标签识别码和内存数据的读出和写入操作。尺寸:17Omn1.XI22.5mX30.5mm(不含附件)工作温度:-20C+60C储存温度:-20C+60C湿度范围:5%95%RH(+25C)工作

9、频段:920MHz925MHZ/902MHZ928MHz符合标准:ISo18000-6B/6C读卡距离:OCm6cm(和标签及使用环境相关)输出功率:27dBm3.OdB(ZUi大值)通讯接口:RJ45、USB电源:电源适配器,AC输入100-240V,50-60Hz;DC输出5V0.3V/4A/2台6RFID射频卡读写主机/RF1.D射频卡读写主机包含(2个射频天线、2根馈线、电气箱、立杆【RFID射频卡读写主机】:工作频率:920.625MHz924.375MHz840.625MHz844.375MHz单标签读取速率:40次/秒多标签识别率:识别率100%(400张标签,5s以内,与标签摆

10、放位置、天线及使用环境相关)空中接口:ISO18000-6C(EPCg1.oba1.UHFC1.ass1.Gen2)最大输出功率:33dBm1.dB可调功率:1IdBm33dBm,步进为IdB工作温度:-20+70湿度范围:5%-95%RH,无凝露供电:电源适配器:AC输入100V-240V+10%1.5A,DC输出24V2.5A重量:约2.5kg体积:36On1.mX220.5mmX38.8mm/2套读卡模式:支持FHSS(跳频)和1.BT(先听后讲),可通过上位机软件设置。网络协议:TCP/IP,HTTP,SSH安全:支持标签加密、隐藏功能(需标签支持加密,除藏功能)。JAVAAPI:支持

11、WindOWS系列操作系统,1.inux系列操作系统。端口扩展:对外提供四路光电隔离输入通道和四路继电器输出通道。【天线参数】尺寸431InInX43Imn1.X60mm重量:3.3kg(不含支架)材料:工程塑料ASA、铝颜色:白色防护等级:IP65工作温度:TOC+70eC储藏温度:-40C+70eC频率范围:902MHZ928MHZ电压驻波比:W1.5:1增益:12dBiH面HPBW:45E面HPBW:45极化:线极化相对湿度:5%95%输入阻抗:50接头类型:N型射频同轴连接器【馈线】:用于连接RFID读写器与室外天线【电气箱】:尺寸:500*700*200mm,室外防雨,抱箍安装,固定

12、在立杆上【立杆】:立杆高度3.5米、管径80、壁厚2mm白色防锈漆、配可调节高度的安装抱箍、带地座(200*200)mm7RF1.D卡/陶瓷标签/200张8车辆压道检测设备红外光栅/发射光束:8光束IOM变频:数码八段变频,无需同步线连接。采用了同轴非球面精密光学透镜抗光强度:抗强光达500001.UX。智能功率发射:根据环境状况来自动调整对射的发射功率/8副9红外光栅立杆/DN75管径,壁厚2mm、管长1.5米,/4副10视频抓拍设备硬盘录像机(16路)/接口:8个SArA接口,1个eSATA接口最大容量:每个接口支持容量最大6TB的硬盘外部接口:语音对讲输入1个,RCA接口(电平:2.0V

13、p-p,阻抗:Ika)网络接口:2个RJ45IOM/100M/1000M自适应以太网串行接口:1个标准RS-485串行接口、1个键盘485接口、1个标准RS-232串行接口USB接口:3个,1个USB3.0、2个USB2.0报警输入:16路报警输出:4路/2台电源:AC220V功耗:(不含硬盘)W30W工作温度:-1(FC-+55C工作湿度:10%-90视音频输入网络视频输入:16路输入带宽:160Mbps视音频输出:HDM1.输出2路VGA输出:2路音频输出:2路,RCA接口(线性电平,阻抗:IKQ)预览分割:1/4/6用/9/16画面录像管理:录像/抓图模式手动录像、定时录像、事件录像、移

14、动侦测录像、报警录像、动测或报警录像、动测和报警录像回放模式:即时回放、常规回放、事件回放、标签回放、智能回放、视频摘要回放、分时段回放、外部文件回放备份模式:常规备份、事件备份同步回放:16路容量:16T接口:SATA6Gbs高速缓存:64MbMTBF:100万小时11室外全景智能云台监控球机/款式:半球摄像机(含电源和支架)最低照度:0.0051.ux分辨率:2560*1920工作温度:40C60CC支持深度学习算法,提供的人车分类侦测、报警、联动跟踪支持区域入侵侦测、越界侦测、进入区域侦测和离开区域侦等智能侦测并联动跟踪支持切换为人脸抓拍模式,同时抓拍5张人脸采用高效补光阵列,低功耗,红外补光150m内置加热玻璃,有效除雾支持2560X1.9202OfPS高清画面输出支持超低照度,0.0051.UX/F1.2(彩色),0.0011.UX/F1.2(黑白),01.uxwithIR支持33倍光学变倍,16倍数字变倍支持三码流技术,每路码流可独立配置分辨率及帧率码流平滑设置,适应不同场景下对图像质量、流畅性的不同要求支持低码率、低延时、ROI感兴趣区域增强编码/4

展开阅读全文
相关资源
猜你喜欢
相关搜索

当前位置:首页 > 管理/人力资源 > 绩效管理

copyright@ 2008-2023 1wenmi网站版权所有

经营许可证编号:宁ICP备2022001189号-1

本站为文档C2C交易模式,即用户上传的文档直接被用户下载,本站只是中间服务平台,本站所有文档下载所得的收益归上传人(含作者)所有。第壹文秘仅提供信息存储空间,仅对用户上传内容的表现方式做保护处理,对上载内容本身不做任何修改或编辑。若文档所含内容侵犯了您的版权或隐私,请立即通知第壹文秘网,我们立即给予删除!