救灾帐篷常用规格及材料性能示例、防雨性能、风、雪荷载检验方法、缺陷分类、国旗标志技术要求、使用说明书主要内容.docx

上传人:p** 文档编号:306705 上传时间:2023-05-13 格式:DOCX 页数:18 大小:151.74KB
下载 相关 举报
救灾帐篷常用规格及材料性能示例、防雨性能、风、雪荷载检验方法、缺陷分类、国旗标志技术要求、使用说明书主要内容.docx_第1页
第1页 / 共18页
救灾帐篷常用规格及材料性能示例、防雨性能、风、雪荷载检验方法、缺陷分类、国旗标志技术要求、使用说明书主要内容.docx_第2页
第2页 / 共18页
救灾帐篷常用规格及材料性能示例、防雨性能、风、雪荷载检验方法、缺陷分类、国旗标志技术要求、使用说明书主要内容.docx_第3页
第3页 / 共18页
救灾帐篷常用规格及材料性能示例、防雨性能、风、雪荷载检验方法、缺陷分类、国旗标志技术要求、使用说明书主要内容.docx_第4页
第4页 / 共18页
救灾帐篷常用规格及材料性能示例、防雨性能、风、雪荷载检验方法、缺陷分类、国旗标志技术要求、使用说明书主要内容.docx_第5页
第5页 / 共18页
救灾帐篷常用规格及材料性能示例、防雨性能、风、雪荷载检验方法、缺陷分类、国旗标志技术要求、使用说明书主要内容.docx_第6页
第6页 / 共18页
救灾帐篷常用规格及材料性能示例、防雨性能、风、雪荷载检验方法、缺陷分类、国旗标志技术要求、使用说明书主要内容.docx_第7页
第7页 / 共18页
救灾帐篷常用规格及材料性能示例、防雨性能、风、雪荷载检验方法、缺陷分类、国旗标志技术要求、使用说明书主要内容.docx_第8页
第8页 / 共18页
救灾帐篷常用规格及材料性能示例、防雨性能、风、雪荷载检验方法、缺陷分类、国旗标志技术要求、使用说明书主要内容.docx_第9页
第9页 / 共18页
救灾帐篷常用规格及材料性能示例、防雨性能、风、雪荷载检验方法、缺陷分类、国旗标志技术要求、使用说明书主要内容.docx_第10页
第10页 / 共18页
亲,该文档总共18页,到这儿已超出免费预览范围,如果喜欢就下载吧!
资源描述

《救灾帐篷常用规格及材料性能示例、防雨性能、风、雪荷载检验方法、缺陷分类、国旗标志技术要求、使用说明书主要内容.docx》由会员分享,可在线阅读,更多相关《救灾帐篷常用规格及材料性能示例、防雨性能、风、雪荷载检验方法、缺陷分类、国旗标志技术要求、使用说明书主要内容.docx(18页珍藏版)》请在第壹文秘上搜索。

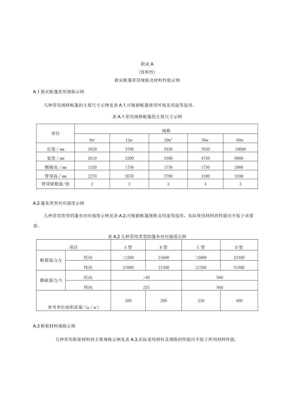
1、附录A(资料性)救灾帐篷常用规格及材料性能示例A.1救灾帐篷常用规格示例几种常用规格帐篷的主要尺寸示例见表A.1,可根据帐篷使用环境及用途等选用。表A.1常用规格帐篷的主要尺寸示例项目规格8m112m,20m736m,60m,长度mm302037005920783010000宽度mm26103200338047306000侧墙高mm15201750175017502000脊顶高mm22702670278031003390脊顶梁数量/组22343A.2篷布类型对应强度示例几种常用类型的篷布对应强度示例见表A.2,可根据帐篷规格及用途等选用,实际使用材料的性能应不低于该要求。表A.2几种常用类型的

2、篷布对应强度示例项目A型B型C型D型断裂强力力经向120021600200022400纬向210002130021500N1800撕破强力/N经向40N80纬向235N60参考单位面积质量/(gm,)200280230400A.3框架材料规格示例几种常用框架材料的主要规格示例见表A.3,实际采用材料及规格的性能应不低于所列材料性能。表A.3几种常用框架材料的主要规格示例单位为mm项目规格尺寸Q215喷塑焊接钢管6005T6铝合金管15面以下16肝35m,35nV以上15e以下杆件外径2525(棉帐篷38)3825壁厚1.21.21.21.2(棉帐篷1.8)加强筋-N2.6(单帐篷)通件外径28

3、30(棉帐篷42)4228壁厚1.01.51.51.0阳篷杆外径19191919壁厚1.01.01.01.0注:杆件采用铝合金管的帐篷,通件部分宜采用钢管材质。A.4地布类型及对应强度示例几种常用类型的地布对应强度示例列于表A.4,可根据帐篷用途及使用环境等选用。表A.4几种常用类型的地布对应强度示例项目A型B型断裂强力/N经向1000500纬向1000350刺破强力/N3002200参考单位面积质量/(gtf)400120附录B(规范性)防雨性能试验方法B. 1试验原理帐篷按使用状态架设并固定,篷顶部位保持平展,以规定条件模拟降雨对帐篷进行喷淋试验,检验帐篷的防雨性。B.2喷淋设备喷淋试验设

4、备如图B.1所示,应具备以下条件:a)喷淋设备顶部同一水平面设置喷头,喷头与帐篷顶间距不小于0.8m;b)喷头各向间距不大于1m;c)每个喷头喷水量不小于401.30min;d)喷淋面积可均匀覆盖整个帐篷:e)为保证喷淋流量均匀,喷水管道可设置水量调节阀、流量阀、水泵等。图B.1防雨性能检验示意图1 .3试验程序帐篷按使用状态展开并用拉绳拉紧,使篷顶部位平展,帐篷完全处于受力状态。帐篷架设符合试验要求后,打开喷淋设备水量调节阀,调整好流量,按图B.1实施人工降雨测试,连续喷淋30Inin后停止喷淋。8 -4试验结果观察并记录篷体的内表面有无渗水现象。附录C(规范性)风荷载试验方法C. 1试验原

5、理以静态荷重方法模拟帐篷在大风时受到的风荷载情况,测试在承受相应风荷载挂点重力一定时间后帐篷的状态。注:风荷载挂点重力的数值主要参照GB50009计算。C.2试验装置C.2.1挂点重锤,具有相应的重锤以对帐篷施加挂重,重锤允差0.1kgoC.2.2支撑装置,能够支撑重锤以要求的位置和方向对各挂点施加重力。C.3试验程序C.3.1将帐篷按使用状态支撑好,并用拉绳拉紧,使篷顶部位平展,帐篷完全处于受力状态。C.3.2确定风荷载挂点并标记。任意设定帐篷的某一侧面为迎风面,则该侧框架杆件为迎风立柱(边立柱、中立柱)、迎风横梁、迎风斜梁;而框架另一侧对应杆件则为背风立柱、背风横梁、背风斜梁。所有杆件中心

6、点均为风荷载挂点,其杆件垂直向为施力方向。如图C.1C.2所示。C.3.3将相当于6级风的风荷载重锤分别施加于各挂点施力方向,所有挂点重锤应在2min内施加完成。表C.1C.4给出了常用规格帐篷挂点重量示例。C.3.4在6级风的荷载上静置15Inin后,观察框架、拉绳、地桩等是否出现明显变形、损坏和影响正常使用的现象,如出现类似情况,则停止试验,并记录受损情况;如帐篷整体稳固、未出现异常情况,则在6级风的荷载的基础上,继续加载至7级风的荷载(2min内完成)。C.3.5在7级风的荷载上静置15min,按C.3.4观察,如无异常继续加载至8级风的荷载。C.3.6在8级风的荷载上静置30min,按

7、C.3.4观察并记录帐篷状态。C. 4试验结果报告帐篷在承受8级风荷载30min后的状态,帐篷整体结构是否稳固完好,如有框架、拉绳、地桩等出现明显变形、损坏和影响正常使用的现象,应予报告。如帐篷在6级或7级风荷载即出现明显变形、损坏和影响正常使用的现象,应予说明。A3图C.2风荷载挂点示意图2表C.1风荷载挂点加载重量(总荷载)1(8m2)单位为kg荷载部位(代号)6级风荷载7级风荷载8级风荷载边迎风立柱(A1.)5.58.512.5边迎风斜梁(A2)000边背风斜梁(A3)3.55.58.5边背风立柱(4)3.55.58.5中迎风立柱(B1.)11.017.025.0中迎风斜梁(B2)000

8、中背风斜梁(B3)7.011.016.0中背风立柱(B4)7.011.016.0迎风横梁(C1.)5.58.5.012.5顶横梁(C2)3.55.58.0背风横梁(C3Y)5.08.012.0背风横梁(C3X)3.05.07.5注:规格3020m(长度)X2610mm(宽度)X1520nun(侧墙高)X2270mm(脊顶高)表C.2风荷载挂点加载重量(总荷载)2(12m2)单位为kg荷载部位(代号)6级风荷载7级风荷载8级风荷载边迎风立柱(A1.)7.511.517.0边迎风斜梁(A2)000边背风斜梁(A3)5.08.012.0边背风立柱(A4)5.07.511.0中迎风立柱(B1.)14.

9、522.533.0中迎风斜梁(B2)000中背风斜梁(B3)10.015.523.0中背风立柱(B4)9.014.020.5表C.2风荷载挂点加载重量(总荷载)2(12m2)(续)荷载部位(代号)6级风荷载7级风荷载8级风荷载迎风横梁(C1.)8.012.518.5顶横梁(C2)5.08.012.0背风横梁(C3Y)7.511.517.0背风横梁(C3X)4.57.010.5注:规格3700mm(长度)X3200mm(宽度)X1750mm(侧墙高)X2670nun(脊顶高)表C3风荷载挂点加载重量(总荷载)3(20m2)单位为kg荷载部位(代号)6级风荷载7级风荷载8级风荷载边迎风立柱(A1.

10、)7.511.517.0边迎风斜梁(A2)000边背风斜梁(A3)6.09.513.5边背风立柱(A4)4.57.010.5中迎风立柱(B1.)14.522.533.0中迎风斜梁(B2)000中背风斜梁(B3)11.518.026.5中背风立柱(B4)9.014.020.5迎风横梁(C1.)9.514.521.0顶横梁(C2)6.09.514.0背风横梁(C3Y)8.513.019.5背风横梁(C3X)5.08.012.0注:规格5920nun(长度)X3380nun(宽度)X1520mm(侧墙高)X2780nun(脊顶高)表C.4风荷载挂点加载重量(总荷载)4(36m2)单位为kg荷载部位(

11、代号)6级风荷载7级风荷载8级风荷载边迎风立柱(A1.)7.511.517.0边迎风斜梁(A2)000C.4风荷载挂点加载重量(总荷载)4(36m?)(续)单位为kg荷载部位(代号)6级风荷载7级风荷载8级风荷毂边背风斜梁(A3)10.516.023.5边背风立柱(A4)4.57.010.5中迎风立柱(B1.)14.522.533.0中迎风斜梁(B2)000中背风斜梁(B3)21.032.047.0中背风立柱(B4)9.014.020.5迎风横梁(C1.)14.522.533.0顶横梁(C2)10.516.023.5背风横梁(C3Y)14.522.5330背风横梁(C3X)9.014.020.

12、5注:规格7830mm(长度)X4730mm(宽度)X1750mm(侧墙高)3100nun(脊顶高)附录D(规范性)雪荷载检验方法D.1试验原理以静态荷重方法模拟帐篷在大雪时受到的雪荷载情况,测试帐篷在承受相应雪荷载挂点重力一定时间后帐篷的状态。注:雪荷载挂点重力的数值主要参照GB50009计算。D.2试验装置D.2.1挂点重锤,具有相应的重锤以对帐篷施加挂重,重锤允差0.1kg。D.2.2支撑装置,能够支撑重锤以要求的位置和方向对各挂点的施加重力。D.3试验程序D.3.1将帐篷按使用状态支撑好,并用拉绳拉紧,使篷顶部位平展,帐篷完全处于受力状态。D.3.2确定雪荷载挂点并标记。框架中所有横梁

13、、斜梁中心点均为雪荷载挂点,其杆件垂直向为施力方向。如图D.1D.2所示。D. 3.3将相当于60mm的雪荷载重锤分别施加于各挂点施力方向,所有挂点重锤应在2min内施加完成。表D.1D.4给出了常用规格帐篷挂点重量示例。E. 3.4在60mm的雪荷载上静置15Inin后,观察框架、拉绳、地桩等是否出现明显变形、损坏和影响正常使用的现象,如出现类似情况,则停止试验,并记录受损情况;如帐篷整体稳固、未出现异常情况,则在60mm的雪荷载的基础上,继续加载至70皿的雪荷载(2Inin内完成)。F. 3.5在70mm的雪荷载上静置15min,按D.3.4观察,如无异常继续加载至80m的雪荷载。D.3.6在80mm的雪荷载上静置30min,按D.3.4观察并记录帐篷状态。D. 4结果报告帐篷在承受80mm的雪荷载30min后的状态,帐篷整体结构是否稳固完好,如有框架、拉绳、地桩等出现明显变形、损坏和影响正常使用的现象,应予报告。

展开阅读全文
相关资源
猜你喜欢
相关搜索

当前位置:首页 > 行业资料 > 生活用品

copyright@ 2008-2023 1wenmi网站版权所有

经营许可证编号:宁ICP备2022001189号-1

本站为文档C2C交易模式,即用户上传的文档直接被用户下载,本站只是中间服务平台,本站所有文档下载所得的收益归上传人(含作者)所有。第壹文秘仅提供信息存储空间,仅对用户上传内容的表现方式做保护处理,对上载内容本身不做任何修改或编辑。若文档所含内容侵犯了您的版权或隐私,请立即通知第壹文秘网,我们立即给予删除!