智能电表事件判断设定值范围及其默认设定值、功能配置推荐表、蓝牙通信要求.docx

上传人:p** 文档编号:306748 上传时间:2023-05-13 格式:DOCX 页数:10 大小:57.19KB
下载 相关 举报
智能电表事件判断设定值范围及其默认设定值、功能配置推荐表、蓝牙通信要求.docx_第1页
第1页 / 共10页
智能电表事件判断设定值范围及其默认设定值、功能配置推荐表、蓝牙通信要求.docx_第2页
第2页 / 共10页
智能电表事件判断设定值范围及其默认设定值、功能配置推荐表、蓝牙通信要求.docx_第3页
第3页 / 共10页
智能电表事件判断设定值范围及其默认设定值、功能配置推荐表、蓝牙通信要求.docx_第4页
第4页 / 共10页
智能电表事件判断设定值范围及其默认设定值、功能配置推荐表、蓝牙通信要求.docx_第5页
第5页 / 共10页
智能电表事件判断设定值范围及其默认设定值、功能配置推荐表、蓝牙通信要求.docx_第6页
第6页 / 共10页
智能电表事件判断设定值范围及其默认设定值、功能配置推荐表、蓝牙通信要求.docx_第7页
第7页 / 共10页
智能电表事件判断设定值范围及其默认设定值、功能配置推荐表、蓝牙通信要求.docx_第8页
第8页 / 共10页
智能电表事件判断设定值范围及其默认设定值、功能配置推荐表、蓝牙通信要求.docx_第9页
第9页 / 共10页
智能电表事件判断设定值范围及其默认设定值、功能配置推荐表、蓝牙通信要求.docx_第10页
第10页 / 共10页
亲,该文档总共10页,全部预览完了,如果喜欢就下载吧!
资源描述

《智能电表事件判断设定值范围及其默认设定值、功能配置推荐表、蓝牙通信要求.docx》由会员分享,可在线阅读,更多相关《智能电表事件判断设定值范围及其默认设定值、功能配置推荐表、蓝牙通信要求.docx(10页珍藏版)》请在第壹文秘上搜索。

1、附录A(规范性)事件判断设定值范围及其默认设定值电能表事件判断设定值范围及默认设定值见表A.1。表A.1时间判断设定值范围及默认设定值序号事件名称设定值范困默认设定值允许误差1欠压1.欠压事件电压触发上限定值范围:70%90%标称电压,最小设定值级差0.IV78%标称电压+3%2.欠压事件判定延时时间定值范围:10S99s,最小设定值级差Is60s2s2过压1.过压事件电压触发下限定值范围:110%130%标称电压,最小设定值级差0.IV120%标称电压3%2.过压事件判定延时时间定值范围:IOS99s,最小设定值级差Is60s2s3过流1.过流事件电流触发下限定值范围:0.51.54,最小设

2、定值级差0.IA1.2ZBX3%2.过流事件判定延时时间定值范围:10$99s,最小设定值级差Is60s2s4断流1.断流事件电压触发下限定值范围:60%85%标称电压,最小设定值级差O.IV临界电压+3%2.断流事件电流触发上限定值范围:0.5%5%额定(基本)电流,最小设定值级差O.ImA0.5%额定(基本)电流3%3.断流事件判定延时时间定值范囤:10S99s,最小设定值级差IS60s2s5电压不平衡1.电压不平衡率限值定值范围:10%99%,最小设定值级差0.01%30%5%2.电压不平衡率判定延时时间定值范围:K)S99s,最小设定值级差Is60s2s6电流不平衡1.电流不平衡率限值

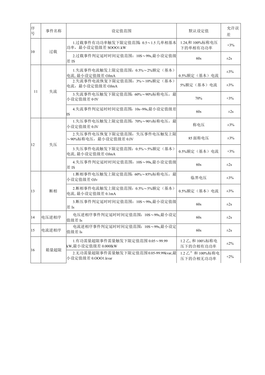
3、定值范围:10%90%,最小设定值级差0.0%30%5%2.电流不平衡率判定延时时间定值范围:10S99s,最小设定值级差Is60s2s7电流严重不平衡1.电流严重不平衡率限值定值范围:20%99%,最小设定值级差0.01%90%5%2.电流严重不平衡触发判定延时时间定值范囤:10S99s,最小设定值级差Is60s2s8功率因数超下限1.功率因数超下限阀值定值范围:0.2-0.6,最小设定值级差O.OO1.0.30.022.功率因数超下限判定延时时间定值范围:10$99s,最小设定值级差IS60s2s9有功功率反向1.有功功率反向事件有功功率触发下限定值范围:0.5%5%单相基本功率,最小设定

4、值级差0.000IkW0.5%单相基本功率+3%2.有功功率反向事件判定延时时间定值范围:10S99s,最小设定值级差Is60s2s序号事件名称设定值范围默认设定值允许误差10过载1.过载事件有功功率触发下限定值范围:0.51.5几单相基本功率,最小设定值级差SOOO1.kW1.24,和100%标称电压下的单相有功功率+3%2.过载事件判定延时时间定值范围:10S99s,最小设定值级差IS60s2s11失流1.失流事件电流触发上限定值范围:0.5%2%额定(基本)电流,最小设定值级差OJmA0.5%额定(基本)电流3%2.失流事件电流恢复下限定值范围:3%10%额定(基本)电流,最小设定值级差

5、OJmA5%额定(基本)电流3%3.失流事件电压触发下限定值范围:60%90%标称电压,最小设定值级差0IV70%+3%4.失流事件判定延时时间定值范围:10s99s,最小设定值级差IS60s2s12失压1.失压事件电压触发上限定值范围:70%90标称电压,最小设定值级差0.IV称电压3%2.失压事件电压恢复下限定值范围:失压事件电压触发上限90%标称电压,最小设定值级差0.IV85面称电压3%3.失压事件电流触发下限定值范围:0.5%5%额定(基本)电流,最小设定值级差OJmA0.5%额定(基本)电流+3%4.失压事件判定延时时间定值范围:10S99s,最小设定值级差IS60s2s13断相1

6、.断相事件电压触发上限定值范围:60%85%标称电压,最小设定值级差OJv临界电压3%2.断相事件电流触发上限定值范围:0.5%5%额定(基本)电流,最小设定值级差0.1mA0.5%额定(基本)电流3%3.断压事件判定延时时间定值范围:10S99s,最小设定值级差Is60s2s14电压逆相序电压逆相序事件判定延时时间定值范围:10S99s,最小设定值级差Is60s2s15电流逆相序电流逆相序事件判定延时时间定值范围:10S99s,最小设定值级差Is60s2s16箱量超限1.有功需量超限事件需量触发下限定值范围0.0599.99kW,最小设定值级差0.000IkW1.2乙,和100标称电压下的合

7、相有功功率2%2.无功需量超限事件需量触发下限定值范围0.05-99.99kvar,最小设定值级差0.OOO1.kvar1.2乙”和100%标称电压下的合相无功功率+2%3.需量超限事件判定延时时间定值范围:10S99s,最小设定值级差Is60s2s序号事件设定值范围默认设定值允许A:17电压合格率1.电压考核上限定限值范围:电压考核上限定值115舟125%参比电压,最小设定值级差0.IV120%标称电压3%2.电压考核下限定值范围:电压考核下限定值65%80%参比电压,最小设定值级差OJV70%标称电压3%3.电压合格上限定值范围:电压合格上限定值105%110%参比电压,最小设定值级差O.

8、IV107%标称电压3%4.电压合格下限定值范围:电压合格下限定值85%195%参比电压,最小设定值级差O.IV90%标称电压3%18零线电流异常1.零线电流异常事件电流触发下限最小设定值级差O.ImA20%额定(基本)电流5%2.零线电流与火线电流(三相表火线电流为三相电流矢量和)的不平衡率限值定值范围:10%99%,最小设定值级差0.01%50%5%3.零线电流异常事件判定延时时间定值范围:10S99s,最小设定值级差Is60s2s19计量芯片故障计量芯片故障事件判定延时时间定值范围:IOs99s,最小设定值级差Is60s2s20时钟电池欠压1.时钟电池欠压事件触发下限定值范围:2.8V3

9、.2V3V+0.IV2.时钟电池欠压事件判定延时时间定值范围:10S99s,最小设定值级差Is60s2s21抄表及全失压电池欠压1.抄表及全失压电池欠压事件触发下限定值:4.5V5V4.8V+0.IV2.抄表及全失压电池欠压事件判定延时时间范围:10S99s,最小设定值级差IS60s2s注1:上述所有定值均允许现场设置,定值范围是指导性的,不强制要求电能表在设置时判断。注2:订货协议中有规定,出厂时按订货协议中指定的设定值设置。注3:订货协议中未规定,出厂时按默认设定值设置。附录B(规范性)电能表功能配置推荐表电能表功能配置表见表B.Io表B.1电能表功能配置推荐表序号类型功能电能表类型123

10、456789101112131计量组合有功总电能2正向有功总电能3反向有功总电能4组合有功各费率电能5正向各费率有功电能6反向各费率有功电能7正向分相有功电能8反向分相有功电能9四象限无功电能OOOO10组合无功电能1OOOO11组合无功电能2OOOO12正向有功最大需量13正向有功各费率最大需量14反向有功最大需量15反向有功各费率最大需量16冻结瞬时冻结17分钟冻结18整点冻结19日冻结20切换冻结21结算日冻结22月冻结表BJ(续)序号类型功能电能表类型1234567891011121323冻结阶梯结算冻结24清零需量清零25电能表清零26事件清零27输出控制信号.28电量脉冲29时钟信号/时段投切30需量周期信号31时间日历、计时和闰年切换32两套费率、时段转换33两套阶梯电价转换34广播对时35事件记录失压(A,B,O事件36欠压(A,B,O事件37过压(A,B,O事件38断相(A,B,O事件39失流(A,B,O事件40断流(A,B,O事件41过流

展开阅读全文
相关资源
猜你喜欢
相关搜索

当前位置:首页 > 论文 > 论文指导/设计

copyright@ 2008-2023 1wenmi网站版权所有

经营许可证编号:宁ICP备2022001189号-1

本站为文档C2C交易模式,即用户上传的文档直接被用户下载,本站只是中间服务平台,本站所有文档下载所得的收益归上传人(含作者)所有。第壹文秘仅提供信息存储空间,仅对用户上传内容的表现方式做保护处理,对上载内容本身不做任何修改或编辑。若文档所含内容侵犯了您的版权或隐私,请立即通知第壹文秘网,我们立即给予删除!