指路标志(分流、合流诱导标)施工记录.docx

上传人:p** 文档编号:312267 上传时间:2023-05-18 格式:DOCX 页数:1 大小:33.26KB
下载 相关 举报
指路标志(分流、合流诱导标)施工记录.docx_第1页
第1页 / 共1页
亲,该文档总共1页,全部预览完了,如果喜欢就下载吧!
资源描述

《指路标志(分流、合流诱导标)施工记录.docx》由会员分享,可在线阅读,更多相关《指路标志(分流、合流诱导标)施工记录.docx(1页珍藏版)》请在第壹文秘上搜索。

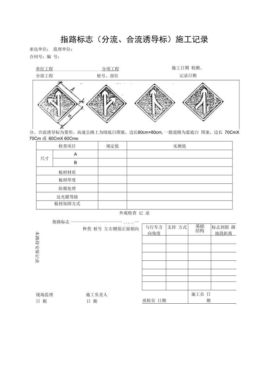
指路标志(分流、合流诱导标)施工记录承包单位: 监理单位:合同号:编 号:施工日期 检测、记录日期单位工程分项工程分部工程桩号、部位分、合流诱导标为菱形,高速公路上为绿底白图窠,边长80cm80cm, 一般道路为蓝底白 图案,边长 70CmX 70Cm 或 60CmX 60Cmo检查项目规定值实测值尺寸AB板材材质板材厚度防腐处理反光膜等级板材加固方式外观检查 记 录指路标志种类 桩号 左右侧别正面朝向本路段安装记录现场监理施工负责人日 期日 期与行车方 向角度支持 方式础构 基结标志到指 路地段距离质检员 日期施工员 日期

展开阅读全文
相关资源
猜你喜欢
相关搜索

当前位置:首页 > 行业资料 > 国内外标准规范

copyright@ 2008-2023 1wenmi网站版权所有

经营许可证编号:宁ICP备2022001189号-1

本站为文档C2C交易模式,即用户上传的文档直接被用户下载,本站只是中间服务平台,本站所有文档下载所得的收益归上传人(含作者)所有。第壹文秘仅提供信息存储空间,仅对用户上传内容的表现方式做保护处理,对上载内容本身不做任何修改或编辑。若文档所含内容侵犯了您的版权或隐私,请立即通知第壹文秘网,我们立即给予删除!