公路工程井字架(龙门架)安装验收表.docx

上传人:p** 文档编号:315062 上传时间:2023-05-22 格式:DOCX 页数:3 大小:25.56KB
下载 相关 举报
公路工程井字架(龙门架)安装验收表.docx_第1页
第1页 / 共3页
公路工程井字架(龙门架)安装验收表.docx_第2页
第2页 / 共3页
公路工程井字架(龙门架)安装验收表.docx_第3页
第3页 / 共3页
亲,该文档总共3页,全部预览完了,如果喜欢就下载吧!
资源描述

《公路工程井字架(龙门架)安装验收表.docx》由会员分享,可在线阅读,更多相关《公路工程井字架(龙门架)安装验收表.docx(3页珍藏版)》请在第壹文秘上搜索。

1、建设项目:公路工程井字架(龙门架)安装验收表工程名称施工单位项目负责人分包单位分包负责人安装单位安装资格情况检测单位资质证号设备名称规格型号出厂编号自编号拟安装高度m初安装高度m额定起重量t扒杆工作半径m安装时间验收时间序号检查项目检查内容与要求实测实量实查验收结果管理与资料起重机械基础(隐蔽工程)验收记录井架垂直度测量记录经审批的安装(拆除)方案井架安装前的机械及结构性能检测报告有健全的安全管理制度和岗位责任制吊篮容许载重标志牌、严禁乘人警告牌、安全技术操作规程牌、定人定机牌、验收合格牌齐全操作人员已接受技交底、进厂教育及经培训合格持证上岗结构部分各结构防腐,主要受力杆件断面腐蚀量应不大于原

2、尺寸的10%各连接件螺栓齐全,固定牢固滑轮无缺损及严重磨扳,安装符合要求且牢固防脱槽装置有效架体的垂直度偏差,新机不大于全高1.5%,各次使用的不大于全而不超过3%。,并不得超过20Omm-吊臂卷扬机安装平稳牢固,且距第一导向轮中心距离不少于卷筒长度的1520倍钢丝绳放出最大长度后,卷筒上至少保留三圈,卷筒两端凸缘至外层钢丝绳的距离,不得小于钢丝绳直径的2倍钢丝绳直径与绳卡匹配正确,绳卡间距合理,鞍坐放置以及绳卡数量符合要求钢丝绳符合国家安全使用规定,工作时无拖地、浸水,有过路保护卷筒上应安装防脱绳装置监理单位:工程名称:施工单位:卷扬机上方应搭设能防落物冲击和防晒防护棚井字架(龙门架)安装验

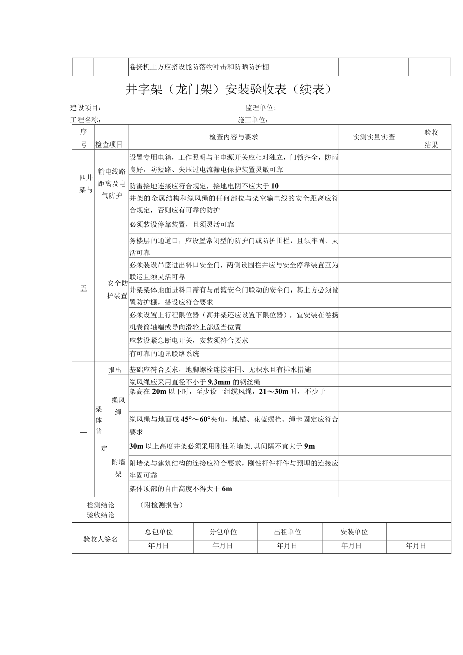
3、收表(续表)建设项目:监理单位:工程名称:施工单位:序号检查项目检查内容与要求实测实量实查验收结果四井架与输电线路距离及电气防护设置专用电箱,工作照明与主电源开关应相对独立,门锁齐全,防雨良好,防短路、失压过电流漏电保护装置灵敏可靠防雷接地连接应符合规定,接地电阴不应大于10井架的金属结构和缆风绳的任何部位与架空输电线的安全距离应符合规定,否则应有可靠的防护五安全防护装置必须装设停靠装置,且须灵活可靠务楼层的通道口,应设置常闭型的防护门或防护围栏,且须牢固、灵活可靠必须装设吊篮进出料口安全门,两侧设围栏并应与安全停靠装置互为联运且须灵活可靠井架架体地面进料口需有与吊篮安全门联动的安全门,其上方

4、必须设置防护棚,搭设应符合要求必须设置上行程限位器(高井架还应设置下限位器),宜安装在卷扬机卷筒轴端或导向滑轮上部适当位置应装设紧急断电开关,安装须符合要求有可靠的通讯联络系统架体普报出基础应符合要求,地脚螺栓连接牢固、无积水且有排水措施缆风绳缆风绳应采用直径不小于9.3mm的钢丝绳架高在20m以下时,至少设一组缆风绳,2130m时,不少于缆风绳与地面成4560夹角,地锚、花蓝螺栓、绳卡固定应符合要求定附墙架30m以上高度井架必须采用刚性附墙架,其间隔不宜大于9m附墙架与建筑结构的连接应符合要求,刚性杆件杆件与预埋的连接应牢固可靠架体顶部的自由高度不得大于6m检测结论(附检测报告)验收结论验收人签名总包单位分包单位出租单位安装单位年月日年月日年月日年月日年月日监理单位意见:专业监理工程师:年月

展开阅读全文
相关资源
猜你喜欢
相关搜索

当前位置:首页 > 建筑/环境 > 公路与桥梁

copyright@ 2008-2023 1wenmi网站版权所有

经营许可证编号:宁ICP备2022001189号-1

本站为文档C2C交易模式,即用户上传的文档直接被用户下载,本站只是中间服务平台,本站所有文档下载所得的收益归上传人(含作者)所有。第壹文秘仅提供信息存储空间,仅对用户上传内容的表现方式做保护处理,对上载内容本身不做任何修改或编辑。若文档所含内容侵犯了您的版权或隐私,请立即通知第壹文秘网,我们立即给予删除!