桥梁工程施工箱涵顶进检验批质量验收记录表.docx

上传人:p** 文档编号:316051 上传时间:2023-05-22 格式:DOCX 页数:2 大小:20.03KB
下载 相关 举报
桥梁工程施工箱涵顶进检验批质量验收记录表.docx_第1页
第1页 / 共2页
桥梁工程施工箱涵顶进检验批质量验收记录表.docx_第2页
第2页 / 共2页
亲,该文档总共2页,全部预览完了,如果喜欢就下载吧!
资源描述

《桥梁工程施工箱涵顶进检验批质量验收记录表.docx》由会员分享,可在线阅读,更多相关《桥梁工程施工箱涵顶进检验批质量验收记录表.docx(2页珍藏版)》请在第壹文秘上搜索。

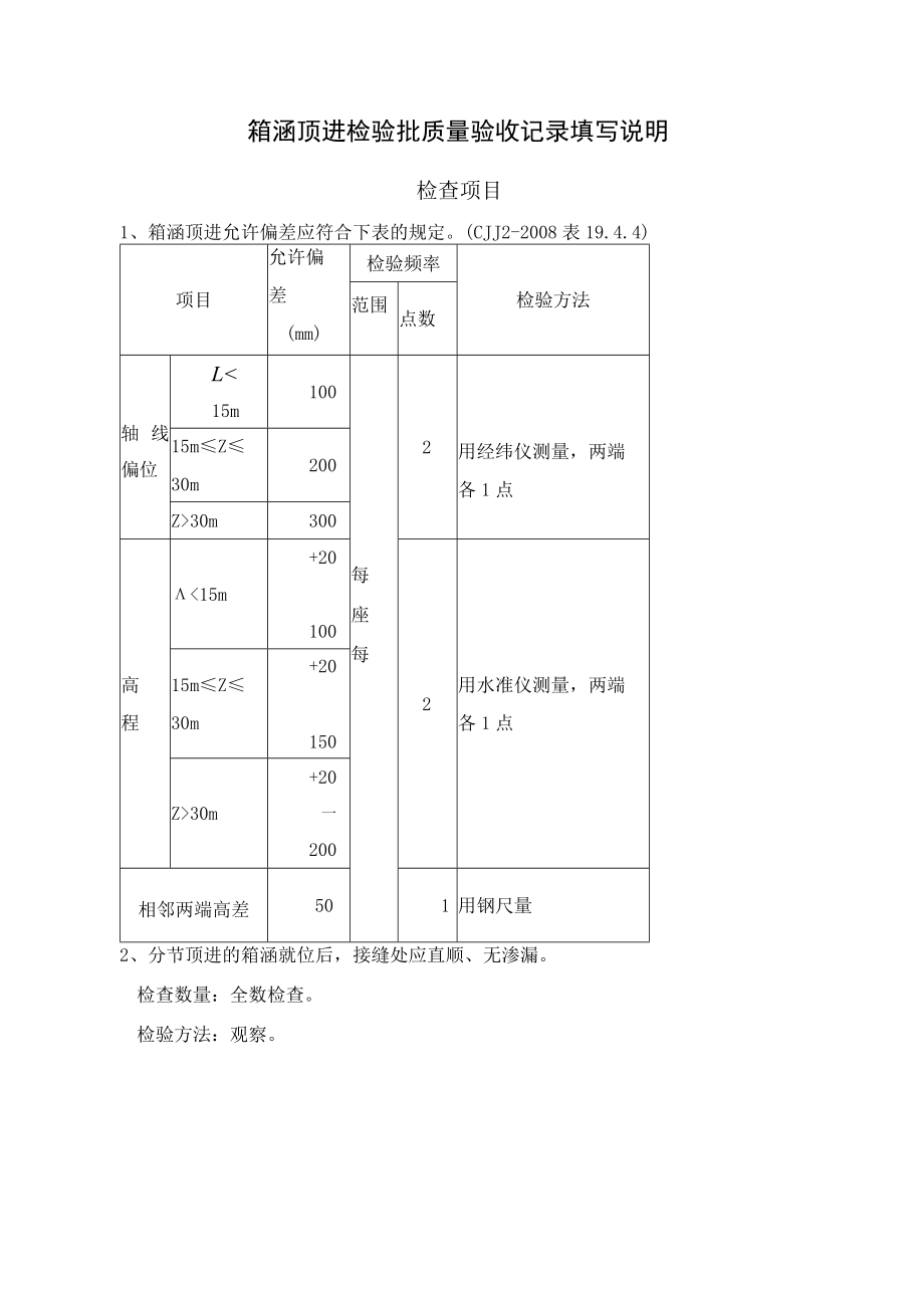
桥梁工程施工箱涵顶进检验批质量验收记录表单位(子单位)工程名称分部(子分部)工程名称验收部位施工单位项“经理分包单位分包项目经理验收执行标准名称及编号城市桥梁工程施工与质量验收规范(CJJ2-2008)施工质量验收规范的规定施工单位检查评定记录监理(建设)单位验收意见项目允许偏差(mm)轴线偏位V15In10015mZ30m200Z30m300般1Z30m+20-200相邻两端高差502分节顶进的箱涵就位后,接缝处应直顺、漏。无渗专业工长(施工员)施工班组长施工单位检查评定结果项目专业质量检查员:年月日监理(建设)单位验收结论专业监理工程师:(建设单位项目专业技术负责人)年月日箱涵顶进检验批质量验收记录填写说明检查项目1、箱涵顶进允许偏差应符合下表的规定。(CJJ2-2008表19.4.4)项目允许偏差(mm)检验频率检验方法范围点数轴线偏位L30m30030m一200相邻两端高差501用钢尺量2、分节顶进的箱涵就位后,接缝处应直顺、无渗漏。检查数量:全数检查。检验方法:观察。

展开阅读全文
相关资源
猜你喜欢
相关搜索

当前位置:首页 > 建筑/环境 > 公路与桥梁

copyright@ 2008-2023 1wenmi网站版权所有

经营许可证编号:宁ICP备2022001189号-1

本站为文档C2C交易模式,即用户上传的文档直接被用户下载,本站只是中间服务平台,本站所有文档下载所得的收益归上传人(含作者)所有。第壹文秘仅提供信息存储空间,仅对用户上传内容的表现方式做保护处理,对上载内容本身不做任何修改或编辑。若文档所含内容侵犯了您的版权或隐私,请立即通知第壹文秘网,我们立即给予删除!