经销商代理商实地考察评价表.docx

上传人:p** 文档编号:316653 上传时间:2023-05-22 格式:DOCX 页数:2 大小:18.77KB
下载 相关 举报
经销商代理商实地考察评价表.docx_第1页
第1页 / 共2页
经销商代理商实地考察评价表.docx_第2页
第2页 / 共2页
亲,该文档总共2页,全部预览完了,如果喜欢就下载吧!
资源描述

《经销商代理商实地考察评价表.docx》由会员分享,可在线阅读,更多相关《经销商代理商实地考察评价表.docx(2页珍藏版)》请在第壹文秘上搜索。

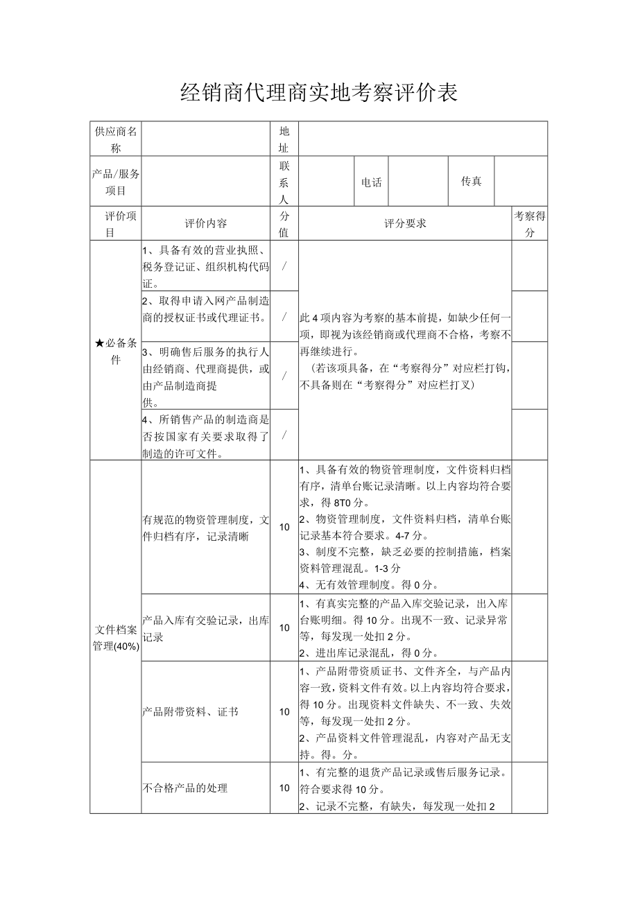
1、经销商代理商实地考察评价表供应商名称地址产品/服务项目联系人电话传真评价项目评价内容分值评分要求考察得分必备条件1、具备有效的营业执照、税务登记证、组织机构代码证。/此4项内容为考察的基本前提,如缺少任何一项,即视为该经销商或代理商不合格,考察不再继续进行。(若该项具备,在“考察得分”对应栏打钩,不具备则在“考察得分”对应栏打叉)2、取得申请入网产品制造商的授权证书或代理证书。/3、明确售后服务的执行人由经销商、代理商提供,或由产品制造商提供。/4、所销售产品的制造商是否按国家有关要求取得了制造的许可文件。/文件档案管理(40%)有规范的物资管理制度,文件归档有序,记录清晰101、具备有效的物

2、资管理制度,文件资料归档有序,清单台账记录清晰。以上内容均符合要求,得8T0分。2、物资管理制度,文件资料归档,清单台账记录基本符合要求。4-7分。3、制度不完整,缺乏必要的控制措施,档案资料管理混乱。1-3分4、无有效管理制度。得0分。产品入库有交验记录,出库记录101、有真实完整的产品入库交验记录,出入库台账明细。得10分。出现不一致、记录异常等,每发现一处扣2分。2、进出库记录混乱,得0分。产品附带资料、证书101、产品附带资质证书、文件齐全,与产品内容一致,资料文件有效。以上内容均符合要求,得10分。出现资料文件缺失、不一致、失效等,每发现一处扣2分。2、产品资料文件管理混乱,内容对产

3、品无支持。得。分。不合格产品的处理101、有完整的退货产品记录或售后服务记录。符合要求得10分。2、记录不完整,有缺失,每发现一处扣2分。3、退货产品管理记录混乱。得0分。库存及库房管理(30%)产品储存场地和备货量101、有自有备货仓库,能保障库存物资安全,满足备货量要求。得10分。2、无自有备货仓库,能保障库存物资安全,满足备货量要求。得7-9分。3、无自有备货仓库,库存物资安全有隐患,备货量基本满足。得3-6分4、无仓库、无备货。得0分仓库管理10仓库管理规范,产品分类有序,堆放整齐,标识明确,防护得当。均符合要求得10分。每发现一处不合格,扣2分。库存产品管理10入库的产品无划伤、锈蚀

4、、过期、变质等问题,得10分。每发现一处不合格,扣2分。用户服务及管理(30%)用户服务,交货跟踪15有用户服务管理制度,交货后有跟踪、能及时了解产品到货后使用状况。以上均符合,得15分。每发现一处不合格,扣5分。用户投诉处理及沟通151、对用户投诉能及时处理,并及时与用户沟通。相关记录有效并可验证得13T5分。2、记录有效,不能及时有效验证。9-12分。3、记录有效,管理凌乱。3-8分。4、无相关记录。得。分。总分100考察小组评价填表人审核人考察人签字会议评审意见本表格适用于对经销商和代理商的实地考察,考核小组对表中评价的真实性和结果负责。总体打分在80分以下原则上不予通过,如为市场紧缺物资,经会议评审后可按实际使用要求进行确定。

展开阅读全文
相关资源
猜你喜欢
相关搜索

当前位置:首页 > 管理/人力资源 > 代理连锁

copyright@ 2008-2023 1wenmi网站版权所有

经营许可证编号:宁ICP备2022001189号-1

本站为文档C2C交易模式,即用户上传的文档直接被用户下载,本站只是中间服务平台,本站所有文档下载所得的收益归上传人(含作者)所有。第壹文秘仅提供信息存储空间,仅对用户上传内容的表现方式做保护处理,对上载内容本身不做任何修改或编辑。若文档所含内容侵犯了您的版权或隐私,请立即通知第壹文秘网,我们立即给予删除!