工程建设各方责任主体和有关机构检查表(质量行为部分).docx

上传人:p** 文档编号:318618 上传时间:2023-05-23 格式:DOCX 页数:3 大小:24.78KB
下载 相关 举报
工程建设各方责任主体和有关机构检查表(质量行为部分).docx_第1页
第1页 / 共3页
工程建设各方责任主体和有关机构检查表(质量行为部分).docx_第2页
第2页 / 共3页
工程建设各方责任主体和有关机构检查表(质量行为部分).docx_第3页
第3页 / 共3页
亲,该文档总共3页,全部预览完了,如果喜欢就下载吧!
资源描述

《工程建设各方责任主体和有关机构检查表(质量行为部分).docx》由会员分享,可在线阅读,更多相关《工程建设各方责任主体和有关机构检查表(质量行为部分).docx(3页珍藏版)》请在第壹文秘上搜索。

1、工程建设各方责任主体和有关机构检查表(质量行为部分)序号检查项目检查情况评价建设1I-位1施工前办理质量监督手续情况按规定办理未按规定办理符合口不符合2施工前办理施工图设计文件审查情况按规定办理未按规定办理符合口不符合3施工前办理施工许可(开工报告)情况按规定办理未按规定办理符合不符合4按规定委托监理情况按规定委托未按规定委托口符合不符合5组织图纸会审、设计交底、设计变更工作情况按规定组织未按规定组织口符合口不符合6原设计有重大修改、变动的,施工图设计文件重新报审情况按要求重新报审未重新报审口符合口不符合勘察设计单位7勘察单位资质情况单位资质符合相应要求单位资质不符合相应要求符合不符合8设计单

2、位资质情况单位资质符合相应要求单位资质不符合相应要求符合口不符合9参加地基验槽、基础、主体结构及有关重要部位工程质量验收情况全部参加验收工作部分参加验收工作未参加任何验收工作符合口基本符合不符合10签发设计修改变更、技术洽商通知情况全部签发签发主要的设计变更、技术洽商通知没有签发符合基本符合不符合11参加有关工程质量问题的处理情况参加有关工程质量问题的处理未参加有关工程质量问题的处理符合口不符合施工1I-位12单位资质情况单位资质符合相应要求单位资质不符合相应要求符合不符合13项目经理资格和到位情况资格符合相应要求,人员到位资格符合相应要求,但人员没到位资格不符合相应要求符合口基本符合口不符合

3、14主要专业工种操作人员上岗资格、配备及到位情况主要专业工种操作人员上岗资格符合相应规定,工种配备到位主要专业工种操作人员上岗资格符合相应规定,工种配备不到位主要专业工种操作人员上岗资格不符合相应规定符合口基本符合口不符合施工单位15施工组织设计或施工方案审批及执行情况按管理制度审批,并严格执行按管理制度审批,但执行过程中有偏差审批程序混乱,不按施工组织设计或施工方案执行口符合口基本符合口不符合16施工现场施工操作技术规程及国家有关规范、标准的配置情况按规定配置配置不全没按规定配置口符合口基本符合口不符合17工程技术标准及审查合格的施工图设计文件的实施情况严格按照工程技术标准及审查合格的施工图

4、设计文件实施不严格按照工程技术标准及审查合格的施工图设计文件实施不按照工程技术标准及审查合格的施工图设计文件实施口符合口基本符合口不符合18质量问题和质量事故处理情况处理及时,整改措施有效处理及时,但整改不到位未及时处理口符合口基本符合口不符合监理单位19单位资质情况单位资质符合相应要求单位资质不符合相应要求口符合口不符合20总监理工程师资格及到位情况总监理工程师资格符合相应要求,人员到位总监理工程师资格符合相应要求,但人员没到位总监理工程师资格不符合相应要求口符合口基本符合口不符合21监理规划、监理实施细则的编制审批内容的执行情况按规定编制、审批,并严格执行按规定编制、审批,但执行不认真未按

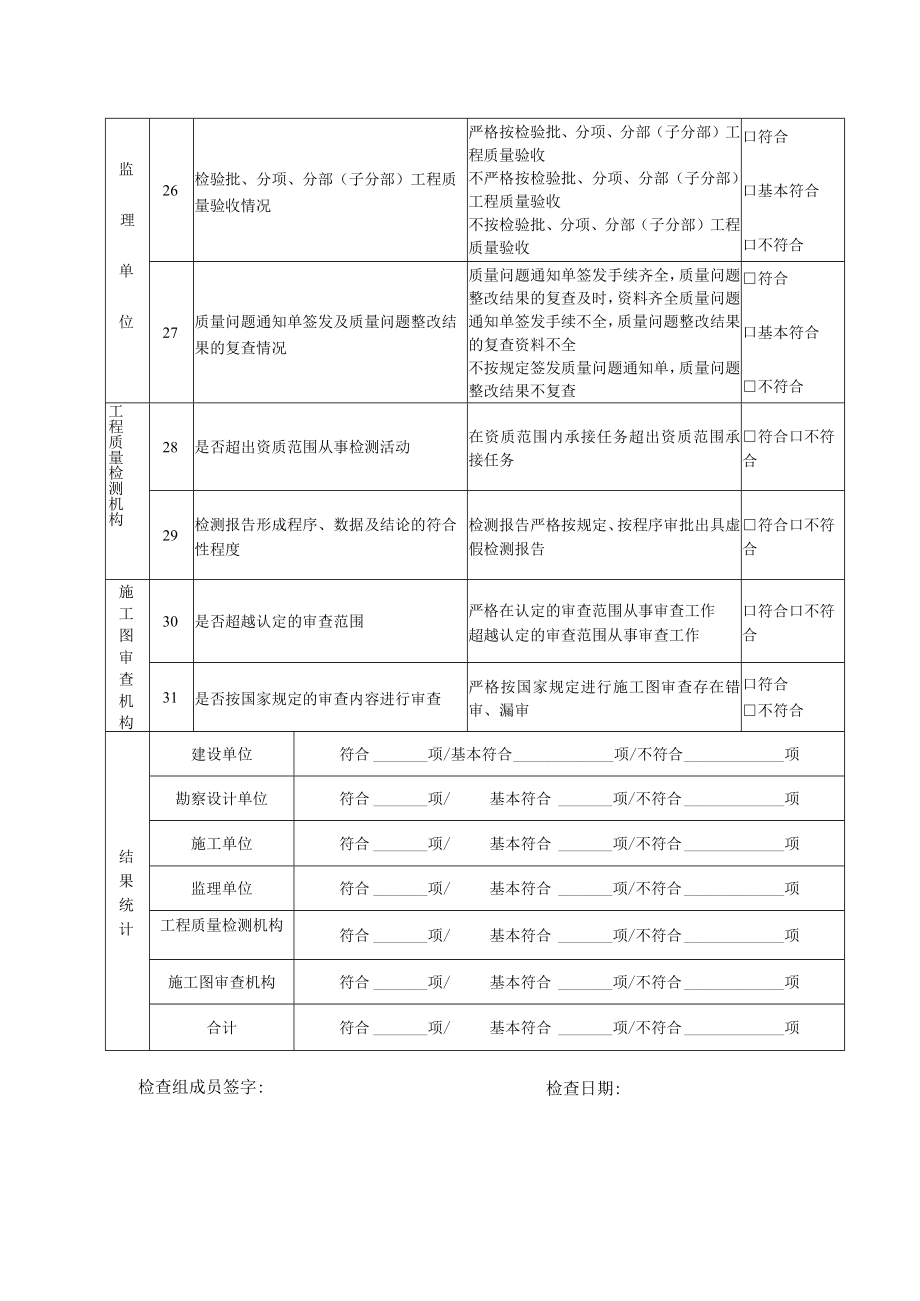
5、规定编制、审批口符合口基本符合口不符合22对材料、构配件、设备投入使用或安装前进行审查情况认真进行审查不认真进行审查未进行审查口符合口基本符合口不符合23对分包单位的资质进行核查情况严格进行核查不严格进行审查未进行核查口符合口基本符合口不符合24见证取样制度的实施情况严格实施见证取样制度不严格实施见证取样制度未实施见证取样制度口符合口基本符合口不符合25对重点部位、关键工序实施旁站监理情况严格按规定实施旁站监理实施旁站监理,但不严格到位未实施旁站监理口符合口基本符合口不符合监理单位26检验批、分项、分部(子分部)工程质量验收情况严格按检验批、分项、分部(子分部)工程质量验收不严格按检验批、分项

6、、分部(子分部)工程质量验收不按检验批、分项、分部(子分部)工程质量验收口符合口基本符合口不符合27质量问题通知单签发及质量问题整改结果的复查情况质量问题通知单签发手续齐全,质量问题整改结果的复查及时,资料齐全质量问题通知单签发手续不全,质量问题整改结果的复查资料不全不按规定签发质量问题通知单,质量问题整改结果不复查符合口基本符合不符合工程质量检测机构28是否超出资质范围从事检测活动在资质范围内承接任务超出资质范围承接任务符合口不符合29检测报告形成程序、数据及结论的符合性程度检测报告严格按规定、按程序审批出具虚假检测报告符合口不符合施工图审查机构30是否超越认定的审查范围严格在认定的审查范围从事审查工作超越认定的审查范围从事审查工作口符合口不符合31是否按国家规定的审查内容进行审查严格按国家规定进行施工图审查存在错审、漏审口符合不符合结果统计建设单位符合项/基本符合项/不符合项勘察设计单位符合项/基本符合项/不符合项施工单位符合项/基本符合项/不符合项监理单位符合项/基本符合项/不符合项工程质量检测机构符合项/基本符合项/不符合项施工图审查机构符合项/基本符合项/不符合项合计符合项/基本符合项/不符合项检查日期:检查组成员签字:

展开阅读全文
相关资源
猜你喜欢
相关搜索

当前位置:首页 > 建筑/环境 > 工程监理

copyright@ 2008-2023 1wenmi网站版权所有

经营许可证编号:宁ICP备2022001189号-1

本站为文档C2C交易模式,即用户上传的文档直接被用户下载,本站只是中间服务平台,本站所有文档下载所得的收益归上传人(含作者)所有。第壹文秘仅提供信息存储空间,仅对用户上传内容的表现方式做保护处理,对上载内容本身不做任何修改或编辑。若文档所含内容侵犯了您的版权或隐私,请立即通知第壹文秘网,我们立即给予删除!