工程建设强制性标准执行情况检查表(房屋建筑工程设计部分).docx

上传人:p** 文档编号:318631 上传时间:2023-05-23 格式:DOCX 页数:2 大小:20.05KB
下载 相关 举报
工程建设强制性标准执行情况检查表(房屋建筑工程设计部分).docx_第1页
第1页 / 共2页
工程建设强制性标准执行情况检查表(房屋建筑工程设计部分).docx_第2页
第2页 / 共2页
亲,该文档总共2页,全部预览完了,如果喜欢就下载吧!
资源描述

《工程建设强制性标准执行情况检查表(房屋建筑工程设计部分).docx》由会员分享,可在线阅读,更多相关《工程建设强制性标准执行情况检查表(房屋建筑工程设计部分).docx(2页珍藏版)》请在第壹文秘上搜索。

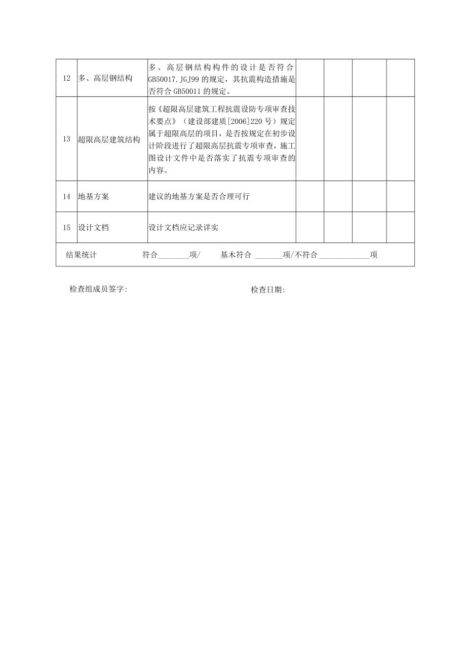
1、工程建设强制性标准执行情况检查表(房屋建筑工程设计部分)序号检查项目检查内容与方法评价备注符合基本符合不符合1地基基础设计设计采用的地基参数是否符合勘察成果,地基计算、地基处理、桩基及基础设计是否符合GB50007等强制性标准的规定。2结构类型是否采用了规范规定的结构类型,多层砌体房屋的层数和高度是否符合GB50011第7.1.2条的规定。3设计荷载设计采用的荷载是否符合GB50009等强制性标准的规定,标准中未明确规定的荷载取值是否有依据。4抗震设防类别和抗震设防标准抗震设防类别和抗震设防标准是否符合GB50223sGB50011等强制性标准的规定,建筑场地类别是否符合勘察成果。5建筑设计和

2、建筑结构的规则性建筑设计和建筑结构的规则性是否符合GB50011等强制性标准的规定。6结构材料结构材料强度设计值及其性能指标是否符合GB50003、GB50010.GB50017及GB50011第3.9.2条等强制性标准的规定。7地震作用和抗震验算地震作用和抗震验算是否符合GB5001UJGJ3等强制性标准的规定。8钢筋混凝土构件的最小配筋率钢筋混凝土结构构件中纵向钢筋的配筋率是否符合GB50010的规定。9多、高层混凝土结构的抗震等级和抗震构造措施结构的抗震等级、框架梁、框架柱、框支梁、框支柱的纵向钢筋最小配筋率(量)、箍筋的最小直径及最大间距、剪力墙分布钢筋的最小配筋率是否符合GB5001

3、1.JGJ3等强制性标准的规定。10砌体结构基本构造砌体结构中墙与柱的高厚比、圈梁、墙梁、挑梁的构造是否符合GB50003的规定。11多层砌体结构的抗震措施房屋抗震横墙的间距、构造柱(芯柱)和圈梁的设置和构造、楼(屋)盖构造、楼梯间构造是否符合GB500U等强制性标准的规定。12多、高层钢结构多、高层钢结构构件的设计是否符合GB50017.JGJ99的规定,其抗震构造措施是否符合GB50011的规定。13超限高层建筑结构按超限高层建筑工程抗震设防专项审查技术要点(建设部建质2006220号)规定属于超限高层的项目,是否按规定在初步设计阶段进行了超限高层抗震专项审查,施工图设计文件中是否落实了抗震专项审查的内容。14地基方案建议的地基方案是否合理可行15设计文档设计文档应记录详实结果统计符合项/基木符合项/不符合项检查日期:检查组成员签字:

展开阅读全文
相关资源
猜你喜欢
相关搜索

当前位置:首页 > 建筑/环境 > 招标文件

copyright@ 2008-2023 1wenmi网站版权所有

经营许可证编号:宁ICP备2022001189号-1

本站为文档C2C交易模式,即用户上传的文档直接被用户下载,本站只是中间服务平台,本站所有文档下载所得的收益归上传人(含作者)所有。第壹文秘仅提供信息存储空间,仅对用户上传内容的表现方式做保护处理,对上载内容本身不做任何修改或编辑。若文档所含内容侵犯了您的版权或隐私,请立即通知第壹文秘网,我们立即给予删除!