桥涵工程质量提升整治专项检查表(桩基工程).docx

上传人:p** 文档编号:318900 上传时间:2023-05-23 格式:DOCX 页数:1 大小:15.90KB
下载 相关 举报
桥涵工程质量提升整治专项检查表(桩基工程).docx_第1页
第1页 / 共1页
亲,该文档总共1页,全部预览完了,如果喜欢就下载吧!
资源描述

《桥涵工程质量提升整治专项检查表(桩基工程).docx》由会员分享,可在线阅读,更多相关《桥涵工程质量提升整治专项检查表(桩基工程).docx(1页珍藏版)》请在第壹文秘上搜索。

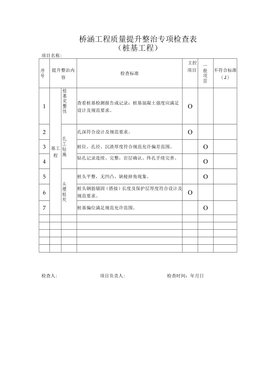
桥涵工程质量提升整治专项检查表(桩基工程)项目名称:序号提升整治内容检查标准主控项目一般项目不符合标准(J)1基工程桩基完整性查看桩基检测报告或记录;桩基混凝土强度应满足设计及规范要求。O2孔工钻施孔深符合设计及规范要求。O3桩位、孔径、沉渣厚度符合规范允许偏差范围。O4钻孔记录连续、完整,岩层确认、终孔手续完善。O5头理桩处桩头平整,无凹凸、缺棱掉角现象。O6桩头钢筋锚固(搭接)长度及保护层厚度符合设计及规范要求。O7桩基偏位满足规范允许范围。O检查人:项目负责人:检查时间:年月日

展开阅读全文
相关资源
猜你喜欢
相关搜索

当前位置:首页 > 建筑/环境 > 铁路工程

copyright@ 2008-2023 1wenmi网站版权所有

经营许可证编号:宁ICP备2022001189号-1

本站为文档C2C交易模式,即用户上传的文档直接被用户下载,本站只是中间服务平台,本站所有文档下载所得的收益归上传人(含作者)所有。第壹文秘仅提供信息存储空间,仅对用户上传内容的表现方式做保护处理,对上载内容本身不做任何修改或编辑。若文档所含内容侵犯了您的版权或隐私,请立即通知第壹文秘网,我们立即给予删除!