工业企业碳排放报告.docx

上传人:p** 文档编号:322067 上传时间:2023-05-26 格式:DOCX 页数:7 大小:22.64KB
下载 相关 举报
工业企业碳排放报告.docx_第1页
第1页 / 共7页
工业企业碳排放报告.docx_第2页
第2页 / 共7页
工业企业碳排放报告.docx_第3页
第3页 / 共7页
工业企业碳排放报告.docx_第4页
第4页 / 共7页
工业企业碳排放报告.docx_第5页
第5页 / 共7页
工业企业碳排放报告.docx_第6页
第6页 / 共7页
工业企业碳排放报告.docx_第7页
第7页 / 共7页
亲,该文档总共7页,全部预览完了,如果喜欢就下载吧!
资源描述

《工业企业碳排放报告.docx》由会员分享,可在线阅读,更多相关《工业企业碳排放报告.docx(7页珍藏版)》请在第壹文秘上搜索。

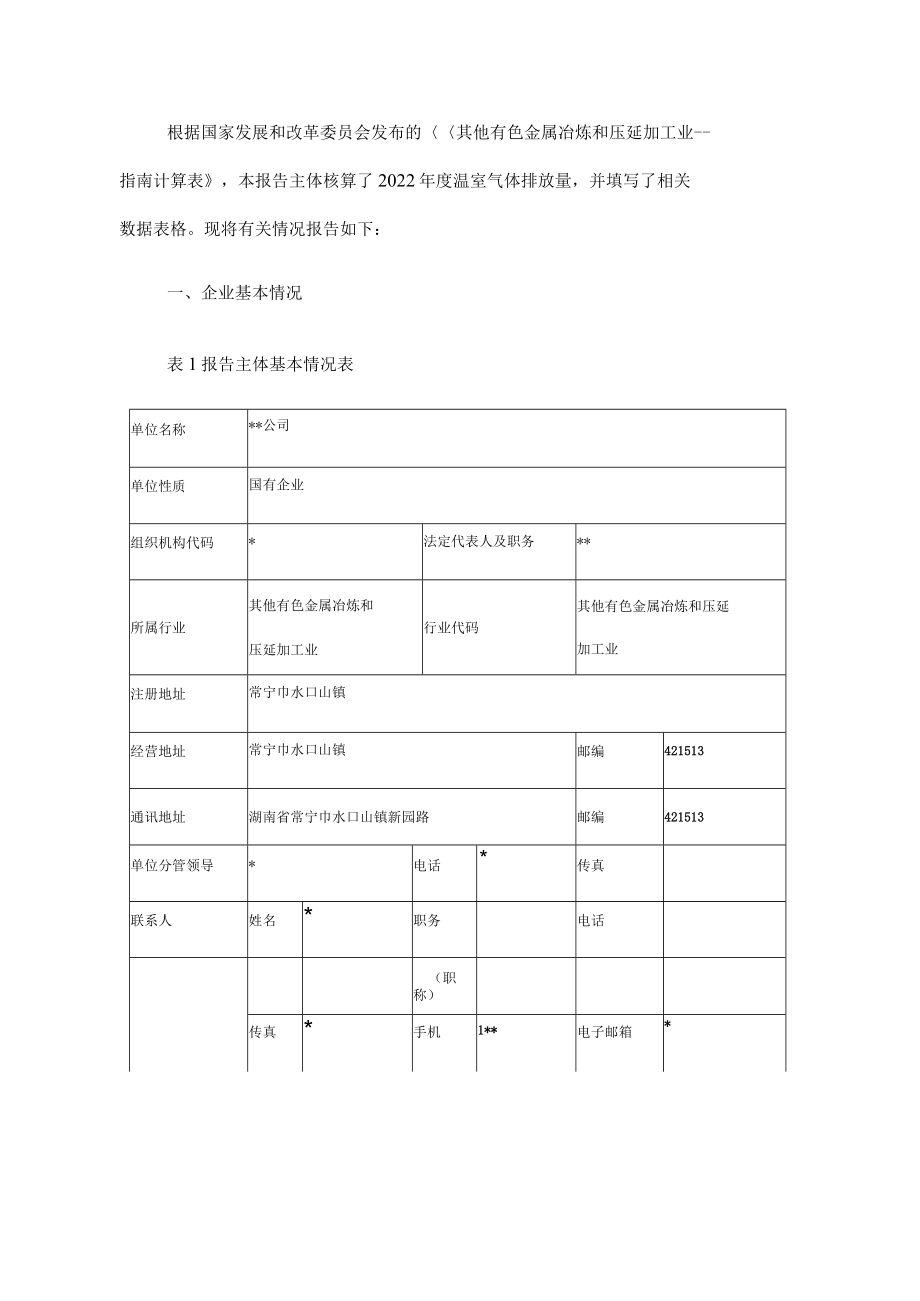
1、其他有色金属冶炼和压延加工业温室气体排放报告报告主体(盖章):*公司报告年度:2022根据国家发展和改革委员会发布的其他有色金属冶炼和压延加工业-指南计算表,本报告主体核算了2022年度温室气体排放量,并填写了相关数据表格。现将有关情况报告如下:一、企业基本情况表1报告主体基本情况表单位名称*公司单位性质国有企业组织机构代码*法定代表人及职务*所属行业其他有色金属冶炼和压延加工业行业代码其他有色金属冶炼和压延加工业注册地址常宁巾水口山镇经营地址常宁巾水口山镇邮编421513通讯地址湖南省常宁巾水口山镇新园路邮编421513单位分管领导*电话*传真联系人姓名*职务电话(职称)传真*手机1*电子邮

2、箱*企业简介公司(以下简称“公司”)设立于2022年10月,位于湖南省常宁巾水口山镇。公司属*直管企业,负责实施注册资本亿元,现有员工413人。金铜项目是*五矿2022年重组湖南有色后投资建设的第一个重大项目,属湖南省重点工程,为衡阳市建国以来实际投资额最大的工业项目之一*O、温室气体排放表2报告主体2022年温宰气体排放最报告源类别排放量企业温室气体总排放量燃料燃烧排放能源作为原材料用途的排放信息工业生产过程排放信息-碳酸盐分解工业生产过程排放信息-草酸0能源间接排放三、活动水平数据及来源说明表3报告主体2022年活动水平数据及来源燃料燃烧排放设备/生产线燃料品种燃料名称年消耗量(万3固定设

3、备气体燃料天然气fh!能源作为原材料用途的排政信息作为还原剂的能源产品种类消耗量(万天然气工业生产过程排放信息-碳酸盐分解碳酸盐种类消耗量(t)纯碱发票/单据能源I即接排放类型购入单(MWh外销堇(MWh净购入量(MWh电力fll!四、排放因二一奴姑及米源说明表4报告主体2022年排放因子和计算系数数据及来源燃料燃烧排放设备/生产线燃料品种燃料名称低位发热量(GJ/万3单位热值含碳里(tCGJ)碳氧化率固定设备气体燃料天然气缺省值缺省值缺省值99能源作为原材料J用途的排放信息作为还原剂的能源产品种类能源产品作为还原剂用途的排放因子(tC02万Nm3天然气缺省值工业生产过程排放信息-碳酸盐分解碳酸盐种类排放因子(tC02t)纯碱缺省值能源间接排放类型净购入量(MWhCOZB放因子(tC02MWh电力缺省值本报告真实、可靠,如报告中的信息与实际情况不符,本企业将承担相应的法律责任。法人(签字):2022年04月09日体排放报告补充数据补充数据数值计算万法或者填与要主产品产量(t)二氧化碳排放总量(tC02)96,112,

展开阅读全文
相关资源
猜你喜欢
相关搜索

当前位置:首页 > 管理/人力资源 > 企业文化

copyright@ 2008-2023 1wenmi网站版权所有

经营许可证编号:宁ICP备2022001189号-1

本站为文档C2C交易模式,即用户上传的文档直接被用户下载,本站只是中间服务平台,本站所有文档下载所得的收益归上传人(含作者)所有。第壹文秘仅提供信息存储空间,仅对用户上传内容的表现方式做保护处理,对上载内容本身不做任何修改或编辑。若文档所含内容侵犯了您的版权或隐私,请立即通知第壹文秘网,我们立即给予删除!