宾馆安全检查表.docx

上传人:p** 文档编号:324803 上传时间:2023-05-28 格式:DOCX 页数:4 大小:20.10KB
下载 相关 举报
宾馆安全检查表.docx_第1页
第1页 / 共4页
宾馆安全检查表.docx_第2页
第2页 / 共4页
宾馆安全检查表.docx_第3页
第3页 / 共4页
宾馆安全检查表.docx_第4页
第4页 / 共4页
亲,该文档总共4页,全部预览完了,如果喜欢就下载吧!
资源描述

《宾馆安全检查表.docx》由会员分享,可在线阅读,更多相关《宾馆安全检查表.docx(4页珍藏版)》请在第壹文秘上搜索。

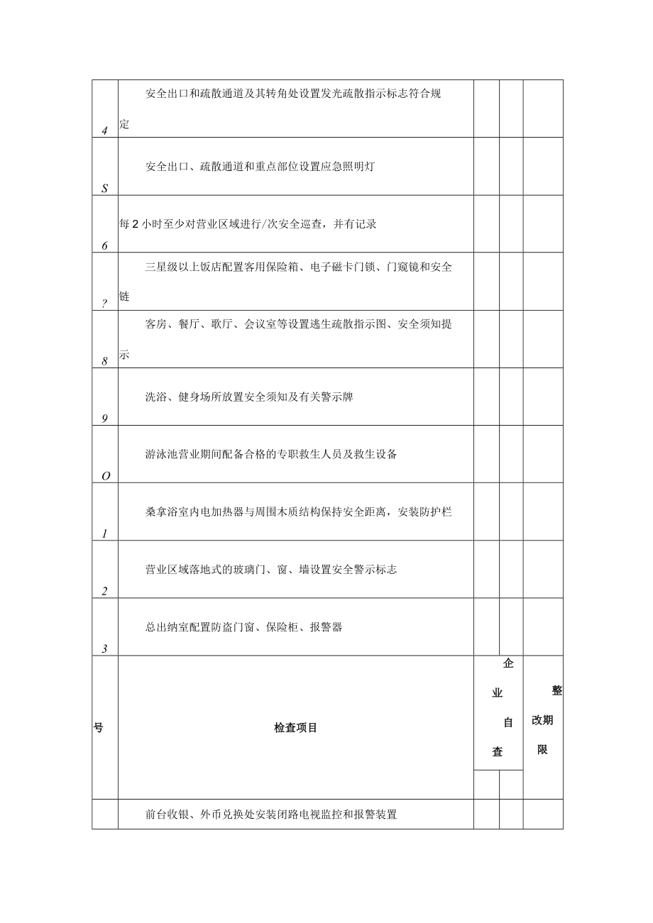
1、北京市星级饭店安全管理检查表序号检查项目企业自查整改期限建立安全生产例会制度建立安全事故隐患排查制度建立安全事故应急预案,应急预案每半年至少演练/次,并有记录建立安全生产操作规程按规定设置安全管理机构或配备专兼职安全生产管理人员对员工进行安全生产教育、培训,有记录特种工作人员(消防、配电、锅炉等)持操作资格证书上岗从业人员能熟练使用消防器材,了解安全出口和疏散通道的位置以及本岗位的应急救援职责饭店建筑周围的消防车通道、消防栓不被挤占、封堵O定期检测、维修和保养消防设施设备,并记录存档/疏散通道和安全出口畅通,无封堵2疏散门和疏散通道的宽度符合国家标准或行业标准3安全出口数目、安全疏散距离符合国

2、家标准或行业标准单位名称并盖章:检查时间:2008年月日4安全出口和疏散通道及其转角处设置发光疏散指示标志符合规定S安全出口、疏散通道和重点部位设置应急照明灯6每2小时至少对营业区域进行/次安全巡查,并有记录?三星级以上饭店配置客用保险箱、电子磁卡门锁、门窥镜和安全链8客房、餐厅、歌厅、会议室等设置逃生疏散指示图、安全须知提示9洗浴、健身场所放置安全须知及有关警示牌O游泳池营业期间配备合格的专职救生人员及救生设备1桑拿浴室内电加热器与周围木质结构保持安全距离,安装防护栏2营业区域落地式的玻璃门、窗、墙设置安全警示标志3总出纳室配置防盗门窗、保险柜、报警器号检查项目企业自查整改期限前台收银、外币

3、兑换处安装闭路电视监控和报警装置4S库房门窗有防护装置6变配电室设置用电设备和配电线路平面分布图、变配电系统操作模拟图板7变配电室不存放危险物品和杂物;变配电室的门、窗、电缆沟设置防水设施和挡鼠板8电源线路的设置符合国家标准或行业标准9对特种设备至少每月检查一次,并有记录O灭菌、消毒、防疫设备设施及用具符合相关规定1消防监控室、闭路电视监控室、电话总机室、变配电室、锅炉房设专人以小时值班2新建、扩建和装修改造方案符合消防安全,并经所属公安消防监督机关核准3施工区域与其他营业区域相隔离,采取安全措施4在营业区域内进行装修、维修、改造等施工且不停止营业的,与施工单位签订专门的安全生产管理协议,明确安全责任S将经营场所出租的,与承租单位签订安全生产管理协定,明确各自的安全生产管理职责6设置能够覆盖全部营业区域的应急广播,使用中英文两种语言播放合计企业法人代表签字:总经理签字:

展开阅读全文
相关资源
猜你喜欢
相关搜索

当前位置:首页 > 建筑/环境 > 施工组织

copyright@ 2008-2023 1wenmi网站版权所有

经营许可证编号:宁ICP备2022001189号-1

本站为文档C2C交易模式,即用户上传的文档直接被用户下载,本站只是中间服务平台,本站所有文档下载所得的收益归上传人(含作者)所有。第壹文秘仅提供信息存储空间,仅对用户上传内容的表现方式做保护处理,对上载内容本身不做任何修改或编辑。若文档所含内容侵犯了您的版权或隐私,请立即通知第壹文秘网,我们立即给予删除!