96北京市锅炉生产安全事故隐患目录(2022年度).docx

上传人:p** 文档编号:325963 上传时间:2023-05-28 格式:DOCX 页数:5 大小:30.51KB
下载 相关 举报
96北京市锅炉生产安全事故隐患目录(2022年度).docx_第1页
第1页 / 共5页
96北京市锅炉生产安全事故隐患目录(2022年度).docx_第2页
第2页 / 共5页
96北京市锅炉生产安全事故隐患目录(2022年度).docx_第3页
第3页 / 共5页
96北京市锅炉生产安全事故隐患目录(2022年度).docx_第4页
第4页 / 共5页
96北京市锅炉生产安全事故隐患目录(2022年度).docx_第5页
第5页 / 共5页
亲,该文档总共5页,全部预览完了,如果喜欢就下载吧!
资源描述

《96北京市锅炉生产安全事故隐患目录(2022年度).docx》由会员分享,可在线阅读,更多相关《96北京市锅炉生产安全事故隐患目录(2022年度).docx(5页珍藏版)》请在第壹文秘上搜索。

1、9.6北京市锅炉生产安全事故隐患目录(2022年度)煽号隐患分类隐患内容依据备注一类二类2022.015.06.OO1.机构设置锅炉使用单位未按规定设置特种设备安全管理机构。中华人民共和国特种设备安全法第三十六条特种设备使用管理规则TSG08-2017第2.3条2022.015.06.002制度建设锅炉使用单位未建立岗位责任制度、巡回检查制度、交接班制度、设备维修保养制度、水(介)质管理制度、安全管理制度、隐患治理制度、应急救援制度,未按规定建立健全锅炉使用安全节能管理制度。中华人民共和国特种设备安全法第三十四条特种设备使用管理规则TSG08-2017第2.4条、2.6.1条、2.7.1条、2

2、.11条、2.12条锅炉安全技术规程TSG1.1-2020第8.4条锅炉环保节能技术规程TSG91-2021第5.2条2022.015.06.003锅炉使用单位未按安全技术规范的要求制定锅炉及辅助设备的操作规程。中华人民共和国特种设备安全法第三十四条特种设备使用管理规则TSG08-2017第2.6条锅炉安全技术规程TSG1.1.-2020第8.4条2022.015.06.004人员配备锅炉使用单位未按规定配备具有相应资格的特种设备管理人员、作业人员。中华人民共和国特种设备安全法第十四条、第三十六条特种设备使用管理规则TSG08-2017第2.4条锅炉安全技术规程TSG1.1.-2020第8.2

3、条2022.015.06.005管理类锅炉使用单位未建立人员管理台账。特种设备使用管理规则TSG08-2017第2.2条2022.015.06.006档案管理锅炉使用单位未建立特种设备安全技术档案、锅炉能效技术档案或者安全技术档案、锅炉能效技术档案不符合规定要求。中华人民共和国特种设备安全法第三十五条,特种设备使用管理规则TSG08-2017第2.5条锅炉安全技术规程TSG11-2020第8.3条、8.15.1条锅炉环保节能技术规程TSG91-2021第5.5条2022.015.06.007购理采管锅炉使用单位采购、使用未取得许可生产、未经检验或者检验不合格的锅炉及安全附件,采购国家明令淘汰的

4、锅炉、禁止新建的锅炉以及未按生态环境主管部门的要求提供建设项目环境影响评价批复文件的锅炉、已经报废的锅炉及安全附件。中华人民共和国特种设备安全法第三十二条特种设备使用管理规则TSG08-2017第2.2条锅炉安全技术规程TSG11-2020第8.1条锅炉环保节能技术规程TSG91-2021第1.3条、第3.1条2022.015.06.008使用登记锅炉使用单位未按照规定办理使用登记的,或者未依法设置使用登记标志。中华人民共和国特种设备安全法第三十三条特种设备使用管理规则TSG08-2017第3.1条锅炉安全技术规程TSG1.1-2020第8.3条2022.015.06.009锅炉经改造、移装、

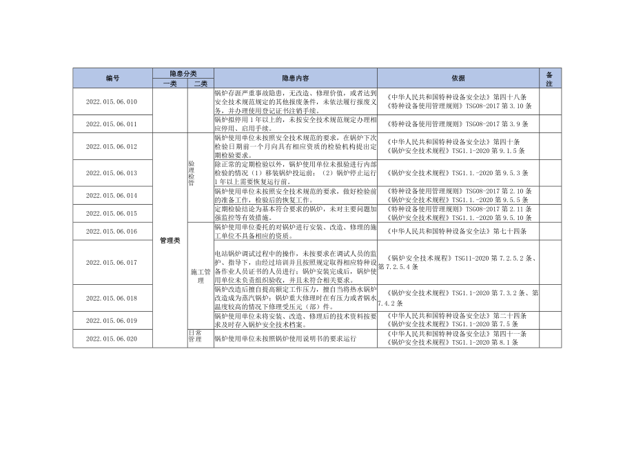
5、变更使用单位或使用单位更名等按规定需要办理登记变更而未办理。中华人民共和国特种设备安全法第四十七条特种设备使用管理规则TSG08-2017第3.8条编号隐患分类隐患内容依据备注一类二类2022.015.06.010锅炉存涯严重事故隐患,无改造、修理价值,或者达到安全技术规范规定的其他报废条件,未依法履行报废义务,并办理使用登记证书注销手续。中华人民共和国特种设备安全法第四十八条特种设备使用管理规则TSG08-2017第3.10条2022.015.06.011锅炉拟停用1年以上的,未按安全技术规范规定办理相应停用、启用手续。特种设备使用管理规则TSG08-2017第3.9条2022.015.06

6、.012锅炉使用单位未按照安全技术规范的要求,在锅炉下次检验日期前一个月向具有相应资质的检验机构提出定期检验要求。中华人民共和国特种设备安全法第四十条锅炉安全技术规程TSG1.1-2020第9.1.5条2022.015.06.013验理检管除正常的定期检验以外,锅炉使用单位未报验进行内部检验的情况(1)移装锅炉投运前;(2)锅炉停止运行1年以上需要恢复运行前。锅炉安全技术规程TSG1.1.-2020第9.5.3条2022.015.06.014锅炉使用单位未按照安全技术规范的要求,做好检验前的准备工作,检验后的恢复工作。特种设备使用管理规则TSG08-2017第2.10条锅炉安全技术规程TSG1

7、.1.-2020第9.5.5条2022.015.06.015定期检验结论为基本符合要求的锅炉,未对主要问题加强监控等有效措施。特种设备使用管理规则TSG08-2017第2.11条锅炉安全技术规程TSG1.1.-2020第9.5.10条2022.015.06.016管理类锅炉使用单位委托的对锅炉进行安装、改造、修理的施工单位不具备相应的资质。中华人民共和国特种设备安全法第七十四条2022.015.06.017施工管理电站锅炉调试过程中的操作,未按要求在调试人员的监护、指导下,由经过培训并且按照规定取得相应特种设备作业人员证书的人员进行;锅炉安装完成后,锅炉使用单位未负责组织验收,并且未符合相关要

8、求。锅炉安全技术规程TSG11-2020第7.2.5.2条、第7.2.5.4条2022.015.06.018锅炉改造后擅自提高额定工作压力,擅自当将热水锅炉改造成为蒸汽锅炉;锅炉重大修理时在有压力或者锅水温度较高的情况下修理受压元(部)件。锅炉安全技术规程TSG1.1-2020第7.3.2条、第7.4.2条2022.015.06.019锅炉使用单位未将安装、改造、修理后的技术资料按要求及时存入锅炉安全技术档案。中华人民共和国特种设备安全法第二十四条锅炉安全技术规程TSG1.1-2020第7.5条2022.015.06.020常理日管锅炉使用单位未按照锅炉使用说明书的要求运行中华人民共和国特种设

9、备安全法第四十一条锅炉安全技术规程TSG1.1-2020第8.1条编号隐患夕卜类隐患内容依据备注一类二类2022.015.06.021锅炉使用单位未对其使用的锅炉进行经常性维护保养,并作出记录。锅炉使用单位未做好停(备)用锅炉及水处理设备的防腐蚀等停炉保养工作。中华人民共和国特种设备安全法第三十九条特种设备使用管理规则TSG08-2017第2.7条锅炉安全技术规程TSG11-2020第8.4条、第8.5条、第8.12条锅炉节能环保技术规程TSG91-2021第5.3.1条2022.015.06.022锅炉使用单位未对其使用的锅炉的安全附件、安全保护装置进行定期校验、检修,并作出记录。中华人民共

10、和国特种设备安全法第”十九条特种设备使用管理规则TSG08-2017第2.2条锅炉节能环保技术规程TSG91-2021第5.3.1条2022.015.06.023锅炉使用单位未按安全技术规范要求每月对所使用的锅炉至少进行1次月度检查、并且记录检查情况。锅炉使用单位未按安全技术规范要求每年对燃烧器进行检查。中华人民共和国特种设备安全法第三十九条特种设备使用管理规则TSG08-2017第2.7条锅炉安全技术规程TSG1.1-2020第8.1条2022.015.06.024锅炉使用单位未正确做好水(介)质处理工作,未保证水汽或者有机热毂体的质量符合标准要求中华人民共和国特种设备安全法第四十四条锅炉安

11、全技术规程TSG1.1-2020第8.9条2022.015.06.025管理类日常管理当锅炉结垢(有机热载体锅炉循环管路中产生油泥、油垢)超过标准规定值时,锅炉使用单位未约请具有相关能力的化学清洗单位,按照相关国家标准的要求及时进行化学清洗。中华人民共和国特种设备安全法第四十四条锅炉安全技术规程TSG1.1-2020第8.11条2022.015.06.026锅炉使用单位未对出现故障或者发生异常情况的锅炉及其系统及时进行全面检查,查明故障和异常情况原因,并且及时采取有效措施。特种设备使用管理规则TSG08-2017第2.11.2条2022.015.06.027锅炉使用单位未根据锅水水质确定排污方

12、式及排污量,未按照水质变化进行调整。锅炉安全技术规程TSG1.1-2020第8.10条2022.015.06.028站炉项电锅专锅炉使用单位未做好锅炉、管道和阀门有关运行、检验、改造、修理以及事故等记录锅炉安全技术规程TSG1.1-2020第8.15.1条2022.015.06.029电站锅炉使用单位未加强燃料管理,燃料入炉前应当进行燃料分析,根据分析结果进行燃烧控制与调整。锅炉安全技术规程TSG1.1-2020第8.15.2条编号隐患夕卜类隐患内容依据备注一类二类2022.015.06.030电站锅炉使用单位未根据制造单位提供的有关资料和设备结构特点或者通过试验确定锅炉启动、停炉方式,并且绘

13、制锅炉控制(启、停)曲线。锅炉安全技术规程TSG1.1-2020第8.15.3条2022.015.06.031电站锅炉在运行中未立即停止向炉膛输送燃料的几种情况锅炉安全技术规程TSG1.1-2020第8.15.4条2022.015.06.032电站锅炉使用单位未按照相关标准规定对锅炉水汽质量异常情况进行处理。锅炉安全技术规程TSG11-2020第8.15.5条2022.015.06.033电站锅炉使用单位在锅炉检修时未按照相关标准规定进行化学检查。锅炉安全技术规程TSG1.1-2020第8.15.6条2022.015.06.034应急救援锅炉使用单位未制定特种设备事故应急措施和救援预案,未定期

14、进行应急演练,或演练未作好记录、未进行分析总结。中华人民共和国特种设备安全法第六十九条特种设备使用管理规则TSG08-2017第2.12条锅炉安全技术规程TSG1.1-2020第8.13条2022.015.06.035人员类人员资质从事有资质要求的特种设备安全管理、检测和作业的人员未取得相应资格证书。中华人民共和国特种设备安全法第十四条特种设备使用管理规则TSG08-2017第2.4条2022.015.06.036人员培训特种设备安全管理人员、检测人员和作业人员未进行安全教育和技能培训的。中华人民共和国特种设备安全法第十三条特种设备使用管理规则TSG08-2017第2.2条2022.015.06.037操作行为锅炉使用单位发生锅炉事故,未按照相关要求及时报告和处理中华人民共和国特种设备安全法第七十条特种设备使用管理规则TSG08-2017第2.12.2条锅炉安全技术规程TSG1.1-2020第8.14条2022.015.06.0

展开阅读全文
相关资源
猜你喜欢
相关搜索

当前位置:首页 > 行业资料 > 公共安全/安全评价

copyright@ 2008-2023 1wenmi网站版权所有

经营许可证编号:宁ICP备2022001189号-1

本站为文档C2C交易模式,即用户上传的文档直接被用户下载,本站只是中间服务平台,本站所有文档下载所得的收益归上传人(含作者)所有。第壹文秘仅提供信息存储空间,仅对用户上传内容的表现方式做保护处理,对上载内容本身不做任何修改或编辑。若文档所含内容侵犯了您的版权或隐私,请立即通知第壹文秘网,我们立即给予删除!