木门窗安装技术交底工程文档范本.docx

上传人:p** 文档编号:332385 上传时间:2023-06-02 格式:DOCX 页数:4 大小:29.86KB
下载 相关 举报
木门窗安装技术交底工程文档范本.docx_第1页
第1页 / 共4页
木门窗安装技术交底工程文档范本.docx_第2页
第2页 / 共4页
木门窗安装技术交底工程文档范本.docx_第3页
第3页 / 共4页
木门窗安装技术交底工程文档范本.docx_第4页
第4页 / 共4页
亲,该文档总共4页,全部预览完了,如果喜欢就下载吧!
资源描述

《木门窗安装技术交底工程文档范本.docx》由会员分享,可在线阅读,更多相关《木门窗安装技术交底工程文档范本.docx(4页珍藏版)》请在第壹文秘上搜索。

1、工程名称交底部位工程编号日期交底内容:木门窗安装本技术交底适用于工业与民用建筑木门窗及钢框木门安装工程.1 .材料产品要求(1)木门窗(包括纱门窗):由木材加工厂供应的木门窗框和扇必须经检验合格的产品并具有出厂合格证,进场前应对型号、数量及门窗框扇的加工质量全面进行检查(其中包括缝子大小、接缝平整、几何尺寸正确及门窗的平整度等).门窗框制作前的木材含水率不得超过12%,生产厂家应严格控制.(2)防腐剂:氟硅酸钠,其纯度不应小于95%,含水率不大于1%,细度要求应全部通过1600孔/cm2的筛或稀释的冷底子油涂刷木材与墙体接触部位进行防腐处理.钉子根据不同需要准备,木螺丝、合页、插销、拉手、挺钩

2、、门锁等根据门图表所列的各种型号、种类的小五金及其配件.(4)对于不同轻质墙体预埋预设的木砖及预埋件等.2 .主要机具一般应备粗刨、细刨、裁口刨、单线刨、锯锤子、斧子、改锥、线勒子、扁铲、塞尺、线锤、红线包、墨汁、木钻、小电锯、担子扳、扫帚等.3 .作业条件(1)门窗框和扁安装前应先检查有无窜角、翘曲、劈裂、如有以上情况应先进行修理.(2)门窗框靠墙、靠地的一面应刷防腐涂料,其它各面及扇活均应涂刷清油一道.刷刷油后分类码放平整,底层应垫平、垫高.每层框与框、扇与扇间垫木板条通风,如露天堆放时,需用苫布盖好,不准日晒雨淋.(3)安装外窗以前应从上往下吊好垂直,找好窗框位置,上下不对者应先进行处理

3、,对窗安装的高度,按室内50cm平线提前弹好,并在墙体上标注好安装位置.(4)门框的安装应依据图纸尺寸核实后进行安装,并按图纸开启方向要求安装时注意裁口方向.安装高度按室内50Cln平线控制.(5)门窗框安装应在抹灰前进行,门扇和窗扇的安装在抹灰完成后进行,如窗扇必须先行安装时应注意成品保护,防止碰撞和污染.4 .操作工艺工艺流程:弹线找规矩,找出门窗框安装位置一做掩扇及门框安装的样板一窗框、扇安装一门框安装一门扇安装(1)结构工程经过检验合格后,即可从顶层开始用大线坠吊垂直,检查容器位置的准确度,并在墙上弹出墨线,对出线的结构进行剔凿处理.(2)窗框安装的高度应根据室内50cm平线核对检查,

4、使其窗框安装在同一标高上.(3)室内外门框应根据图纸位置和标高安装,并根据门的高度合理设置木砖数量且每块木砖应钉2个IOcm长的钉子并应将钉帽砸扁钉入木豉内,使门框安装牢固.(4)轻质隔墙应预设带木砖的混凝土块,以保证其门窗安装的牢固性.(5)掩扇及做样板;把窗扇根据图纸要求安装到窗框上此道工序称为掩扇.对掩扇的质量按验评标准检查缝隙大小,五金位置,尺寸及牢固等,符合标准要求做为样板,以此为验收标准和依据.(6)弹线安装窗框扇应考虑抹灰层的厚度,并根据门窗尺寸、标高、位置及开启方向,在墙上画出安装位置线.有贴脸的门窗、立框时应与抹灰面平,有预制水磨石板的窗,应注意窗台板的出墙尺寸,以确定立框位

5、置.中立的外窗,如外墙为清水砖墙勾缝时,可稍移动,以盖上砖墙立缝为宜.窗框的安装标高,以墙上弹50cm平线为准,用木楔将框临时固定于窗洞内,为保证与相隔窗框工程名称交底部位工程编号日期的平直,应在窗框下边拉小线找直,并用铁水平将平线引入洞内做为立框时标准,再用线锤校正吊直.黄花松窗框安装前先对准木砖位置钻眼,便于钉钉.(7)木门框安装:应在地面工程施工前完成,门框安装应保证牢固,门框应用钉子与木砖钉牢,一般每边不少于2点固定,间距不大于L2m.若隔墙为加气混凝土条板时,应按要求间距预留45mm的孔,孔深7IOCm,并在孔内预埋木撅粘107胶水泥浆加入孔中(木撅直径应大于孔径Imm以使其打入牢固

6、),待其凝固后再安装门框.(8)钢门框安装:1)安装前先找正套方,防止在运输及安装过程中产生变形,并应提前刷好防锈漆.2)门框应按设计要求及水平标高、平面位置进行安装,并应注意成品保护.3)后塞口时,应按设计要求预先埋设铁件,并按规范要求每边不少于二个固定点,其间距不大于1.2m.4)钢门窗按图示位置安装就位,检查型号标高,位置无误,及时将框上的铁件与结构预埋件焊好焊牢.(9)木门扇的安装:D先确定门的开启方向及小五金型号和安装位置及对开等扇口的裁口位置开启方向(一般右扇为盖口扇).2)检查门口是否尺寸正确,边角是否方正,有无窜角,检查门口高度应量门的两侧,检查门口宽度应量门口的上、中、下三点

7、并在扇的相应部位定点画线.3)将门扇靠在框上划出相应的尺寸线,如果扇大,则应根据框的尺寸将大出部分刨去,若扇小应绑木条,用胶和钉子钉牢,钉帽要砸扁,并钉入木材内12mm.4)第一次修刨后的门扇应以能塞入口内为宜,塞好后用木楔顶住临时固定,按门扇与口边缝宽合适尺寸,画第二次修刨线,标上合页槽的位置(距门扇的上、下、端1/10,且避开上、下冒头).同时应注意口与扇安装的平整.5)门扇二次修刨,缝隙尺寸合适后即安装合页.应先用线勒子勒出合页的宽度,根据上、下、冒头1/10的要求,钉出合页安装边线,分别从上、下边线往里量出合页长度,剔合页槽,以槽的深度来调整门扇安装后与框的平整,剔合页槽时应留线,不应

8、剔的过大、过深.6)合页槽剔好后,即安装上、下合页,安装时应先拧一个螺丝,然后关上门检查缝隙是否合适,口与扇是否平整,无问题后方可将螺丝全部拧上拧紧.木螺丝应钉入全长1/3拧入2/3.如门窗为黄花松或其它硬木时,安装前应先打眼.眼的孔径为木螺丝直径的0.9倍,眼深为螺丝长的2/3,打眼后再拧螺丝,以防安装劈裂或将螺丝拧断.(7)安装对开扇时,应将门扇的宽度用尺量好再确定中间对口缝的裁口深度.如采用企口椎时,对口缝的裁口深度及裁口方向应满足装锁的要求,然后对四周修刨到准确尺寸.8)五金安装应按设计图纸要求,不得遗漏,一般门锁、碰珠、拉手等距地高度为95IOOCm,插销应在拉手下面,对开门装暗插销

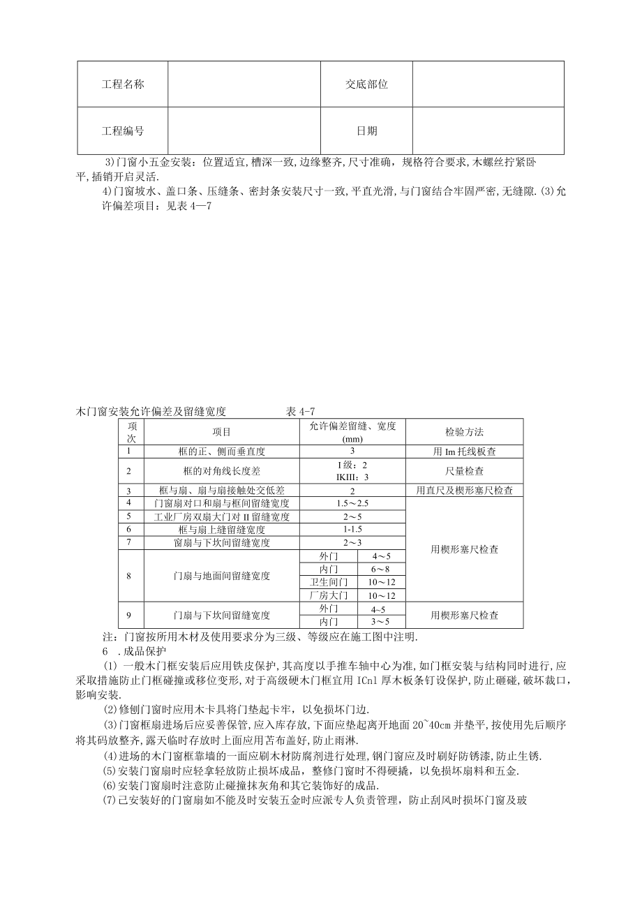
9、时,安装工艺同自由门.不宜在中冒头与立挺的结合处安装门锁.9)安装玻璃门时,一般玻璃裁口在走廊内、厨房、厕所玻璃裁口在室内.10)门扇开启后易碰墙,为固定门扇位置应安装定门器,对有特殊要求的门应安装门扇开启器,其安装方法,参照产品安装说明书.5.质量标准(D保证项目:1)门窗框安装位置必须符合设计要求.2)门窗框必须安装牢固,固定点符合设计要求和施工规范的规定.(2)基本项目:1)门窗框与墙体间需填塞保温材料时,应填塞饱满、均匀.2)门窗扇安装:裁口顺直,刨面平整光滑,开关灵活、稳定、无回弹和倒翘.工程名称交底部位工程编号日期3)门窗小五金安装:位置适宜,槽深一致,边缘整齐,尺寸准确,规格符合

10、要求,木螺丝拧紧卧平,插销开启灵活.4)门窗坡水、盖口条、压缝条、密封条安装尺寸一致,平直光滑,与门窗结合牢固严密,无缝隙.(3)允许偏差项目:见表47木门窗安装允许偏差及留缝宽度表4-7项次项目允许偏差留缝、宽度(mm)检验方法1框的正、侧而垂直度3用Im托线板查2框的对角线长度差I级:2IKIII:3尺量检查3框与扇、扇与扇接触处交低差2用直尺及楔形塞尺检查4门窗扇对口和扇与框间留缝宽度1.52.5用楔形塞尺检查5工业厂房双扇大门对II留缝宽度256框与扇上缝留缝宽度1-1.57窗扇与下坎间留缝宽度238门扇与地面间留缝宽度外门45内门68卫生间门1012厂房大门10129门扇与下坎间留缝

11、宽度外门45用楔形塞尺检查内门35注:门窗按所用木材及使用要求分为三级、等级应在施工图中注明.6 .成品保护(1) 一般木门框安装后应用铁皮保护,其高度以手推车轴中心为准,如门框安装与结构同时进行,应采取措施防止门框碰撞或移位变形,对于高级硬木门框宜用ICnl厚木板条钉设保护,防止砸碰,破坏裁口,影响安装.(2)修刨门窗时应用木卡具将门垫起卡牢,以免损坏门边.(3)门窗框扇进场后应妥善保管,应入库存放,下面应垫起离开地面2040cm并垫平,按使用先后顺序将其码放整齐,露天临时存放时上面应用苫布盖好,防止雨淋.(4)进场的木门窗框靠墙的一面应刷木材防腐剂进行处理,钢门窗应及时刷好防锈漆,防止生锈

12、.(5)安装门窗扇时应轻拿轻放防止损坏成品,整修门窗时不得硬撬,以免损坏扇料和五金.(6)安装门窗扇时注意防止碰撞抹灰角和其它装饰好的成品.(7)己安装好的门窗扇如不能及时安装五金时应派专人负责管理,防止刮风时损坏门窗及玻交底部位工程名称工程编号日期璃.(8)严禁将门窗扇做为架子的支点使用,防止用脚手板砸碰损坏.(9)五金安装应符合图纸要求,安装后应注意成品的保护,喷浆时应遮盖保护,以防污染.(10)门扇安装好后不得在室内再使用手推车,防止砸碰.7 .应注意的质量问题(1)有贴脸的门框安装后与抹灰面不平:主要原因是立口时没掌握好抹灰层的厚度.(2)门窗洞口预留尺寸不准:安装门窗框后四周的缝子过

13、大或过小,砌筑时门窗洞口尺寸不准,所留余量大小不均,或砌筑上下左右,拉线找规矩,偏位较多.一般情况下安装门窗框上皮应低于门窗过梁1015mm.窗框下皮应比窗台上皮高5mm.(3)门窗框安装不牢:预埋的木砖数量少或木砖不牢;砌半砖墙没设置带木质的预制混凝土块,而是直接使用木砖,灰干后木砖收缩活动,预制混凝土隔板,应在预制时埋设木砖使之牢固固定在混凝土内,以保证门窗框的安装牢固.木砖的设置一定要满足数量和间距的要求.(4)合页不平,螺丝松动,螺帽斜露,缺少螺丝:合页槽深浅不一,安装时螺丝钉入太长,或倾斜拧入,要求安装时螺丝应钉入1/3拧入2/3,拧时不能倾斜,安装时如遇木节,应在木节处钻眼,重新塞入木塞后再拧螺丝,同时注意不要遗漏螺丝.(5)上下层门窗不顺直,左右门窗安装不符线,洞口预留偏位,安装前没按要求弹线找规矩,没吊好垂直线,安装时没按50cm拉线找规矩,为解决此问题,要求施工者必须按工艺要求,施工安装前先弹线,找规矩做好准备工作后再干.技术负责人:交底人:接交人:

展开阅读全文
相关资源
猜你喜欢
相关搜索

当前位置:首页 > 建筑/环境 > 安全文明施工

copyright@ 2008-2023 1wenmi网站版权所有

经营许可证编号:宁ICP备2022001189号-1

本站为文档C2C交易模式,即用户上传的文档直接被用户下载,本站只是中间服务平台,本站所有文档下载所得的收益归上传人(含作者)所有。第壹文秘仅提供信息存储空间,仅对用户上传内容的表现方式做保护处理,对上载内容本身不做任何修改或编辑。若文档所含内容侵犯了您的版权或隐私,请立即通知第壹文秘网,我们立即给予删除!