罗茨鼓风机维护检修规程.docx

上传人:p** 文档编号:333240 上传时间:2023-06-02 格式:DOCX 页数:7 大小:70.42KB
下载 相关 举报
罗茨鼓风机维护检修规程.docx_第1页
第1页 / 共7页
罗茨鼓风机维护检修规程.docx_第2页
第2页 / 共7页
罗茨鼓风机维护检修规程.docx_第3页
第3页 / 共7页
罗茨鼓风机维护检修规程.docx_第4页
第4页 / 共7页
罗茨鼓风机维护检修规程.docx_第5页
第5页 / 共7页
罗茨鼓风机维护检修规程.docx_第6页
第6页 / 共7页
罗茨鼓风机维护检修规程.docx_第7页
第7页 / 共7页
亲,该文档总共7页,全部预览完了,如果喜欢就下载吧!
资源描述

《罗茨鼓风机维护检修规程.docx》由会员分享,可在线阅读,更多相关《罗茨鼓风机维护检修规程.docx(7页珍藏版)》请在第壹文秘上搜索。

1、1总则1.1 主题内容与适用范围1.1.1 本规程规定了罗茨鼓风机的检修周期与内容、检修与质量标准、试车与故障处理。1.1.2 本规程适用于石油化工常用的罗茨鼓风机。1.2 编写修订依据HGJ1023-79化工厂罗茨式鼓风机维护检修规程日本大晃罗茨鼓风机维护检修和安装企业标准德国AERZEN三叶转子罗茨风机、Delta系列罗茨风机维护检修和安装企业标准2检修周期与内容2.1 检修周期(见表1)表1检修周期月检修类别小修大修检修周期3636根据状态监测结果及设备运行状况,可适当调整检修周期。2.2 检修内容2.3 2.1小修项目2.2.1.1清理转子表面灰垢,检查各部位间隙。2.2.1.2检查轴

2、承箱、齿轮箱油位,补充或更换润滑油。2.2.1.3清理油箱过滤器和进、出口冷却水管。2.2.1.4紧固螺栓。2.2.1.5调整皮带松紧或检查联轴器对中。2.2.1.6清洗检查轴承、轴套。2.2.1.7清理气体过滤器。2.2.1.8清洗检查润滑系统。2.2.1.9校验自控装置、压力调节器。2.2.2大修项目2.2.2.1包括小修项目。2.2.2.2检查主轴、机壳、齿轮及前后墙板。2.2.2.3清洗检查传动齿轮、调节齿轮及零部件。2.2.2.4检查调整或更换各部位密封。2.2.2.5测量、调整各部位间隙。2.2.2.6检查主、从动转子,必要时进行动、静平衡试验和探伤。2.2,2.7校正机座水平。2

3、. 2.2.8安全阀调校。3检修与质量标准3. 1拆卸前准备3.1.1 掌握风机运行情况,并备齐必要的图纸资料。3.1.2 备齐检修工具、量具、起重机具、配件及材料。3.1.3 切断电源,工艺处理符合安全检修条件。3.2拆卸与检查3.2.1从风机上拆下所有附件,检查转子之间、转子与侧壁之间间隙.3.2.2拆卸联轴节或皮带轮,检查弹性圈或三角皮带。3.2.3拆卸齿轮箱,检查齿面及调节齿轮螺栓。3.2.4拆卸轴承、轴承箱,检查油封、轴承。3.2.5拆卸密封部件,检查迷宫套、动环、静环、。形圈等密封部件。3.2.6拆墙板,检查墙板、转子。3.3质量标准3. 3.1机体4. 3.1.1机体应无损伤、裂

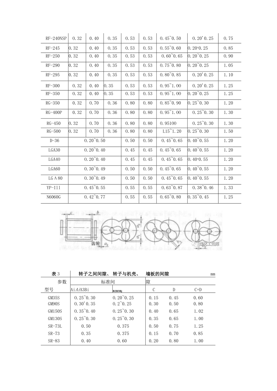
4、纹。5. 3.1.2转子安装水平度为O.04mmmo6. 3.2转子3.3.2.1转子表面应无砂眼、气孔、裂纹等缺陷。3.3.2.2转子端面圆跳动值不大于0.05mm。3.3.2.3转子进行静平衡或平衡校验。3.3.3转子之间间隙、转子与机壳、墙板的间隙应符合表2、表3规定。表2转子之间间隙、转子与机壳、墙板的间隙mm参数型号标准间隙(平均值)010203bibsCdc+dRD-IOO0.220.260.220.300.300.200.250.10v0.150.40RD-125KP0.220.260.220.300.300.300.350.100.150.50RD-1300.220.260.2

5、20.300.300.400.450.100.150.60RD-1500.220.260.220.350.350.500.550.100.150.70RD-1400.160.320.170.400.400.300.350.150.200.55RE-1450.160.320.170.400.400.350.400.150.200.60RE-1500.160.320.170.430.430.450.500.150.200.70RE-1900.160.320.170.430.430.550.600.150.200.80RE-200KP0.160.320.170.430.430.600.650.150

6、.250.90RE-250P0.170.320.170.400.400.600.650.150.250.90RF-240NSPO.320.40O.35O.53O.53O.450.50O.200.25O.75RF-245O.320.40O.35O.53O.53O.550.60O.20v0.25O.85RF-2500.32O.40O.35O.53O.53O.600.65O.200.25O.90RF-2900.32O.40O.35O.53O.53O.750.80O.200.251.05RF-2950.320.40O.35O.53O.53O.800.85O.200.251.10RF-300O.320.

7、40O.35O.53O.53O.951.OOO.200.251.25RF-350O.320.40O.35O.53O.53O.951.OOO.200.251.25RG-3500.32O.70O.36O.80O.80O.850.90O.250.301.20RG-400P0.32O.70O.36O.80O.80O.951.OOO.250.301.30RG-450O.32O.70O.36O.80O.80O.951OOO.250.301.30RG-500O.32O.70O.36O.80O.80L151.20O.250.301.50D-36O.200.50O.50O.50O.450.65O.400.551

8、.20LGA30O.200.40O.45O.45O.450.65O.400.551.20LGA4OO.200.40O.45O.45O.450.65O.40v0.551.20LGA60O.300.49O.50O.50O.450.65O.400.551.20LG80O.300.49O.50O.50O.450.65O.400.551.20YP-IllO.450.55O.55O.55O.630.87O.380.461.33N6060GO.420.77O.55O.55O.650.80O.350.451.25表3转子之间间隙、转子与机壳、墙板的间隙mm参数标准间隙型号AiAiA3BiB2B3BjCDC+D

9、GM35SO.250.30O.200.250.150.450.60GM90SO.300.35O.20.250.300.500.80GM150SO.350.40O.250.300.400.651.02GM130SO.250.30O.250.300.350.651.00SR-73L0.500.3750.500.751.25SR-730.350.3750.150.700.85SR-830.400.600.200.801.00ACD3.3.4轴3.3.4.1轴表面应光滑无无磨痕及裂纹等现象。3.3.4.2轴颈的圆柱度不大于轴径公差之半。3.3.4.3轴的同轴度为0.03Imn/m。3.3.5联轴器或V

10、形皮带3.3.5.1联轴器a.联轴器的对中,径向圆跳动误差为0.06mm,端面圆跳动误差为0.05mm。b.联轴器安装时的轴向间隙应符合表4。表4联轴器安装时的轴向间隙mm联轴器最大外圆直径106170190260290350轴向间隙2424463.3.5.2V形皮带a.皮带的张紧力W适度或如表5;在L的中心位置朝垂直于皮带的方向加力队使这点的挠度达到=0.016L,则所加力W应符合表5。表5皮带的张紧力N皮带型别5V8V最小值Wnin76.21211.70最大值Wreax101.90271.50b.皮带槽中心偏差不大于0.05mm/100mm。3.3.6轴承3.3.6.1滚动轴承a.滚动体与

11、滚道表面应无磨痕、麻点、锈蚀,保持架无变形、损伤。b.滚动轴承内圈与轴采用H7k6配合,轴承座与轴承外圈采用H7h6配合。c.滚动轴承安装必须紧靠在轴肩或轴肩垫上。d.热装轴承温度不大于120C,严禁用直接火焰加热。3.3.6.2滑动轴承a.刮研后瓦面印迹均匀,一般不小于23点cA其接触一般为6090。b.轴承顶间隙见表6。mm表6轴承顶间隙轴颈轴承顶间隙轴颈轴承顶间隙30-500.06-0.0880-1200.12-0.1650-800.08-0.12120-1600.16-0.20C.侧间隙为顶间隙1/2。d.轴承衬与轴承衬背应接触良好,接触面积一般在60%以上。3.3.7密封装置3.3.

12、7.1V形环与轴的过盈尺寸一般为0.lmmo3.3.7.2迷宫式密封轴套两端的平行度不大于0.0ImnI,密封环座与轴套的轴向间隙一般0.20.5mmo3.3.7.3机械密封组装后,在密封动环部位对轴中心线径向跳动不得大于O.06mmo3.3.8同步齿轮3.3.8.1齿轮用键固定后径向位移不超过0.02mm。3. 3.8.2齿表面接触沿齿高不小于50%,沿齿宽不小于70%。4. 3.8.3齿顶间隙取(0.20.3)m(m为模数),侧间隙应符合表7规定。表7侧间隙mm中心距5050-8080120120200200320320-520520-800侧间隙0.0860.1050.130.170.2

13、10.260.344试车与验收4.1 试车前准备4. 1.1检查检修记录,确认数据合格。4. 1.2点动电机,确认旋转方向正确。4. 1.3流道内不得有焊渣等硬杂颗粒。4. 1.4将润滑油注入齿轮箱和副油箱中,油面应到达油位指示计的刻度线。4. 1.5接通冷却水和密封油进、出管路,并检查不得有漏水、漏油现象。4. 1.6按旋转方向手动盘车检查有无异常现象。5. 1.7仪表指示准确、好用。4.2试车4.2.1无负荷运转0.5h后,停车检查工作间隙情况是否有变化,若无变化就逐渐将排气阀阀门关小,切不可突然加载到额定压力,并注意排气压力计上的压力值,排气压力不可超过标准的规定值,每升一次压运转4h,试车24h。4.2.2转子运转无杂音,振动情况符合SHS0

展开阅读全文
相关资源
猜你喜欢
相关搜索

当前位置:首页 > 行业资料 > 社会学

copyright@ 2008-2023 1wenmi网站版权所有

经营许可证编号:宁ICP备2022001189号-1

本站为文档C2C交易模式,即用户上传的文档直接被用户下载,本站只是中间服务平台,本站所有文档下载所得的收益归上传人(含作者)所有。第壹文秘仅提供信息存储空间,仅对用户上传内容的表现方式做保护处理,对上载内容本身不做任何修改或编辑。若文档所含内容侵犯了您的版权或隐私,请立即通知第壹文秘网,我们立即给予删除!