钢筋混凝土施工方案(DOC).docx

上传人:p** 文档编号:333716 上传时间:2023-06-02 格式:DOCX 页数:22 大小:57.03KB
下载 相关 举报
钢筋混凝土施工方案(DOC).docx_第1页
第1页 / 共22页
钢筋混凝土施工方案(DOC).docx_第2页
第2页 / 共22页
钢筋混凝土施工方案(DOC).docx_第3页
第3页 / 共22页
钢筋混凝土施工方案(DOC).docx_第4页
第4页 / 共22页
钢筋混凝土施工方案(DOC).docx_第5页
第5页 / 共22页
钢筋混凝土施工方案(DOC).docx_第6页
第6页 / 共22页
钢筋混凝土施工方案(DOC).docx_第7页
第7页 / 共22页
钢筋混凝土施工方案(DOC).docx_第8页
第8页 / 共22页
钢筋混凝土施工方案(DOC).docx_第9页
第9页 / 共22页
钢筋混凝土施工方案(DOC).docx_第10页
第10页 / 共22页
亲,该文档总共22页,到这儿已超出免费预览范围,如果喜欢就下载吧!
资源描述

《钢筋混凝土施工方案(DOC).docx》由会员分享,可在线阅读,更多相关《钢筋混凝土施工方案(DOC).docx(22页珍藏版)》请在第壹文秘上搜索。

1、1.编制依据有关规范、规程、图集序号名称编号1建造抗震设计规范GB50011-20012建造工程施工质量验收统一标准GB50300-20013混凝土结构工程施工质量验收规范GB50204-20024建造工程施工质量检验评定统一标准GB50300-20016混凝土结构施工图平面整体表示方法制图规则和构造详图03G101-17钢筋混凝土用热轧光圆钢筋GB13013-918混凝土强度检验评定标准GBJ107-879混凝土泵送施工技术规程JGJ/T10-9510回弹法检测混凝土抗压强度技术规程JGJ/T23-200111钢筋混凝土用热轧带肋钢筋GB1499-199812钢筋焊接及验收规程JGJ18-2

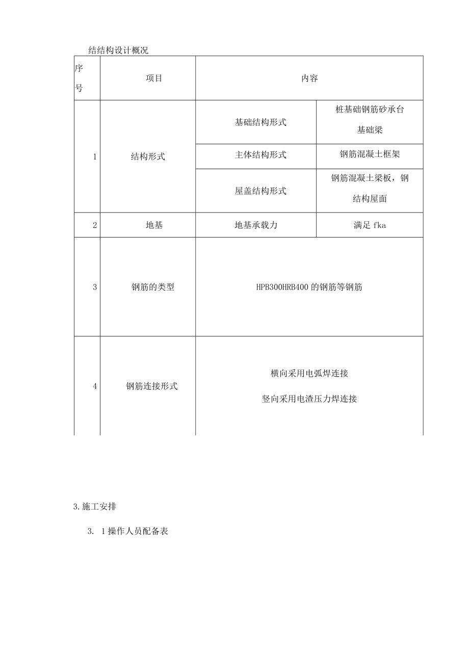
2、00314建造工程冬期施工规程JGJ104-9715钢筋焊接及验收规程JGJ18-200316本工程施工组织设计/17Itr5#厂房、水池泵房工程工程施工图纸/2.工程概况序项目内容1工程名称1#5#厂房、水池泵房2建设单位昆山瑞锦嘉电子科技有限公司3设计单位中铁时代建造设计有限公司4监理单位昆山开辟区富春江路西侧,澄湖路北侧5施工单位江苏五环建设有限公司6工程地址昆山开辟区富春江路西7建造面积12658.5m28工程造价1800万元8结构形式框架/五层结结构设计概况序号项目内容1结构形式基础结构形式桩基础钢筋砂承台基础梁主体结构形式钢筋混凝土框架屋盖结构形式钢筋混凝土梁板,钢结构屋面2地基地

3、基承载力满足fka3钢筋的类型HPB300HRB400的钢筋等钢筋4钢筋连接形式横向采用电弧焊连接竖向采用电渣压力焊连接3.施工安排3. 1操作人员配备表操作人员配备表工种每组人数组数小计人数瓦工20120木工15115钢筋工10110混凝土工5154.施工准备4. 1技术准备4.1.1 项目技术部组织进行图纸会审工作,提前编制施工方案,方案中必须具有切实可行的技术措施。4.1.2 根据我方技术要求与商品混凝土供应商密切联系,确定最优配合比。4.1.3 3针对浇筑部位结合现场场地特点,确定罐车的进出路线及泵车的布置。4. 1.4为了保证混凝土浇筑连续均匀进行,按计划合理组织劳动力,在施工过程中

4、正确执行施工方案,并在浇筑混凝土前组织召开一次班长以上人员参加的技术交底会,使工人能确实掌握操作要领以及浇筑混凝土时要注意的事项。4.1. 5现场养护室设置及设备的准备工作4. 2机具准备现场需用机械设备表序号名称型号数量(台)1电焊机BX3-500-212砂轮切割机13钢筋切断机GQ5024钢筋弯曲机25混凝土罐车8m316振动棒ZX-5037平板振动器HB-Il28电锯19电刨14.3材料准备4. 3.1钢筋钢筋原材由项目物资部份期分批采购,直接在现场钢筋加工棚加工。成型钢筋利用塔吊配合手推车进行水平及垂直运输。现场钢筋材料堆场及钢筋加工场地位置见平面布置图。5. 主要施工方法及措施5.1

5、 钢筋工程本工程全部钢筋均采用HRB400HPB300等的钢筋。施工过程中强调过程控制,对钢筋分项施工的全过程进行全面检查,检查的重点在于:进场检验、钢筋加工、钢筋绑扎、锚固、接头、抗震规定、钢筋到位、保护层、审图把关等方面。1.1 .1进场检验钢筋进入加工厂时,要按批进行验收,每一混合批验收分量不超过60吨。检查分两步进行:1)外观检查:每批钢筋抽取5国进行检查,钢筋表面不得有裂纹,结疤和折叠,表面凸块不得超过横肋高度,每Im的弯曲度不大于4mmo交货时随机抽取10根(长6m)称重,其分量偏差不得超过允许偏差。2)试验检查:每批钢筋中任选两根,每根上截取两个试件进行拉伸试验和冷弯试验。如有一

6、项试验结果不符合要求,则从同一批中另取双倍数量试件重新作各项试验,如仍有一个试件不合格,则该批钢筋判定为不合格,退回厂家,以确保用于工程的钢筋均为优质钢筋。1.2 .2钢筋加工1)钢筋除锈先制定防锈措施,钢筋堆放场地应硬化找坡(或者铺碎石)做好防雨、排水措施,钢筋下垫木方(不能及时使用的钢筋应进行覆盖)。钢筋一旦生锈处理方法如下:表面生有老锈的钢筋禁止使用,钢筋表面生有水锈的在下料前先除锈,将钢筋表面的油渍、漆溃及浮皮、铁锈等清除干净,以免影响其与混凝土的粘结效果。2)钢筋调直采用卷扬机调直钢筋,其调直冷拉率:HPB235钢筋不宜大于4%,冷拉过程应通过计算严格控制冷拉力值,严禁超拉。经过调直

7、工艺后,钢筋应平直,无局部蜿蜒。HRB335(II级)钢筋不得进行冷拉。3)钢筋切断钢筋切断时根据其直径、钢筋级别及钢筋端头加工形式等因素确定分别使用砂轮切割机和钢筋切断机下料,切断时要将同规格钢筋根据不同长度长短搭配,统筹排料,先下长料,后下短料,减少短头,减少损耗。断料时长料不得使用短尺丈量,防止产生积累误差,工作台上应标出尺寸刻度线并设置控制断料尺寸用的挡板,切断过程中,如发现钢筋有劈裂、缩头或者严重弯头等必须切除,硬度与钢种不符时,必须及时通知技术人员。钢筋断口有马蹄形或者起弯现象时,必须重新切断。4)钢筋弯曲成型(1)受力钢筋HPB235级钢筋末端应作180弯钩,其弯弧内直径不应小于

8、钢筋直径的2.5倍,弯钩的弯后平直部份长度不应小于钢筋直径的3倍;HRB335级钢筋末端需作135弯折时,弯弧内直径不应小于钢筋直径的4倍,弯钩的弯后平直部份长度应符合设计要求;钢筋作不大于90。的弯折时,弯折处的弯弧内直径不应小于钢筋直径的5倍;(2)箍筋、拉钩梁、柱封闭箍筋及剪力墙拉筋作135弯折,弯折的弯后平直部份长度不应小于IOd,且不小于75mm;拉钩要求同箍筋,在现场绑扎后手工弯成135弯钩仍需保证平直段IOdo要求加工厂在每种箍筋加工前,先做一样品,尺寸、弯曲直径等检查合格后,再成批加工。弯曲成型采用钢筋弯曲机和手动弯曲工具配合进行,弯曲后钢筋平面上不得有翘曲不平现象,弯曲点处不

9、得有裂纹。HRB335级钢筋不能反复弯折,只能一次成型。5)钢筋加工的允许偏差钢筋加工的允许偏差表项目允许偏差(mm)受力钢筋顺长度方向全长的净尺寸10弯起钢筋的弯折位置20箍筋内净尺寸5注:本表引自GB50204-2002o5.1.3 成型钢筋检查及验收I级钢筋末端的180弯钩,其圆弧弯曲直径不应小于钢筋直径的2.5倍,钢筋平直段长度不应小于钢筋直径的3倍,箍筋135弯钩弯曲直径不小于钢筋直径的4倍,平直段长度为10倍钢筋直径。II级钢筋末端的90弯钩弯曲直径不小于钢筋直径的4倍。5.1.4 钢筋的贮存及运输根据工程进度计划及现场实际情况将加工成型的钢筋分期、分批运抵操作面。现场设专用钢筋堆

10、放场,场地平整,铺设垫木,防止钢筋变形,成型钢筋按规格、使用部位整齐码放,挂牌标识,作到整洁清晰,一目了然,方便使用。5.1. 5钢筋绑扎钢筋绑扎前,钢筋作业人员、现场工长、技术员、质量检查员应全面熟悉图纸,并对照图纸及配料单检查钢筋品种、规格、尺寸及使用部位,全部符合要求后,才进行钢筋的绑扎施工。5. 1.5.1钢筋的锚固和搭接钢筋的连接采用搭接连接。圈、过梁以及构造柱内箍筋均为矩形封闭式双肢箍。梁、构造柱中矩形封闭箍(端头)均弯折不小于135的角度,形成弯钩。1)圈梁和构造柱的锚固长度:35do钢筋搭接长度表纵向受拉钢筋绑扎搭接长度Lie,Ll注:L当不同直径的钢筋搭接时,其Lie,Ll值

11、按较小直径计算。2 .在任何情况下Ll不得小于300mm03 .式中为搭接长度修正系数。抗震非抗震LlE=LaELl=La注:本表引自03G101-1纵向受拉钢筋搭接长度修正系数纵向钢筋搭接街头面积百分率(%)25501001.21.41.6注:本表引自03G101-h6. 1.5.2受力筋保护层厚度序号却位或者构保护层厚度1地圈梁30mm20.000以上梁、圈梁25mm3柱30mm4框架柱30mm5楼梯板、现浇板15m(1)施工顺序弹线一修整底层伸出的构造柱搭接筋f立主筋f穿箍筋,并进行绑扎f加砂浆保护层垫块(2)操作要点框架柱钢筋绑扎前,修整底层伸出的构造柱搭接筋,并按照柱箍间距尺寸画好箍

12、筋分档线,并按实际个数套好钢筋,然后再进行绑扎。框架柱的竖向受力钢筋,绑扎前必须作除锈、调直处理。钢筋末端应作弯钩。底层构造柱的竖向受力钢筋与基础圈梁(或者混凝土底脚)的锚固长度不应小于35倍竖向钢筋直径,并保证钢筋位置正确。绑扎构造柱时,竖向受力筋要吊正后再绑,并且模板支设完毕后要在模板上口用垫块将钢筋垫正,以免构造柱钢筋移位。框架柱的竖向受力钢筋需接长时,采用绑扎接头,其搭接长度为35倍钢筋的直径,在绑扎接头区段内的箍筋间距按加密区处理。框架柱钢筋必须与各层纵横墙的圈梁钢筋绑扎连接,形成一个封闭框架。在砌大马牙槎时,沿墙高每50cm埋设两根96水平拉结钢筋,与构造柱钢筋绑扎连接。砌完墙后,

13、对构造柱钢筋进行修整,以保证钢筋位置及间距准确。2)圈梁钢筋(1)工艺流程画钢筋位置线f放箍筋f穿圈梁受力筋f绑扎箍筋(2)操作要点按设计图纸要求间距,放箍筋后穿受力钢筋。箍筋搭接处应沿受力钢筋互相错开。圈梁与构造柱钢筋交叉处,圈梁钢筋宜放在构造柱受力钢筋内侧。圈梁钢筋在构造柱部位搭接时,其搭接倍数或者锚入长度要符合设计要求。圈梁钢筋应相互交圈,在内墙交接处、墙大角转角处的锚固长度均符合设计要求。楼梯间及洞口等部位的圈梁钢筋被切断时,要搭接补强,标高不同的高低圈梁钢筋,按设计要求搭接。钢筋绑扎完后,加水泥砂浆垫块,以控制受力钢筋的保护层。7. 绑板钢筋时用尺杆划线,绑扎时随时找平调直,防止板筋

14、不顺直,位置不许。7、顶板模板支好后,在顶板上按图纸间距要求弹出顶板钢筋线。按照“先铺短向,后铺长向的顺序绑扎顶板下铁钢筋。8、 在绑扎上铁的同时架设(PlO间距IOOOmm的钢筋马凳。9、 钢筋绑扎成型后派专人看守,禁止直接在钢筋上面行走,并派专人负责检修。6.1钢筋工程6.1.1本工程钢筋采用HPB300及HRB400抗拉强度实测值与屈服强度实测值的比值不应小于1.25。钢筋的屈服强度实测值与强度标准值的比值不应大于1.3o6.1.2钢筋安装主控项目钢筋安装时,受力钢筋的品种、级别、规格和数量必须符合设计要求。检查数量:全数检查检查方法:观察,钢尺检查。6.1.3钢筋安装普通项目钢筋安装位置的允许偏差和检验方法项目允许偏差(mm)检验方法绑扎钢筋网长、宽10钢尺检查网眼尺寸10钢尺梁连续三档,取最大值绑扎钢筋骨架长10钢尺检查宽、高5钢尺检查

展开阅读全文
相关资源
猜你喜欢
相关搜索

当前位置:首页 > 建筑/环境 > 施工组织

copyright@ 2008-2023 1wenmi网站版权所有

经营许可证编号:宁ICP备2022001189号-1

本站为文档C2C交易模式,即用户上传的文档直接被用户下载,本站只是中间服务平台,本站所有文档下载所得的收益归上传人(含作者)所有。第壹文秘仅提供信息存储空间,仅对用户上传内容的表现方式做保护处理,对上载内容本身不做任何修改或编辑。若文档所含内容侵犯了您的版权或隐私,请立即通知第壹文秘网,我们立即给予删除!