板蓝根浸膏提取工艺验证方案.docx

上传人:p** 文档编号:342205 上传时间:2023-08-03 格式:DOCX 页数:30 大小:174.47KB
下载 相关 举报
板蓝根浸膏提取工艺验证方案.docx_第1页
第1页 / 共30页
板蓝根浸膏提取工艺验证方案.docx_第2页
第2页 / 共30页
板蓝根浸膏提取工艺验证方案.docx_第3页
第3页 / 共30页
板蓝根浸膏提取工艺验证方案.docx_第4页
第4页 / 共30页
板蓝根浸膏提取工艺验证方案.docx_第5页
第5页 / 共30页
板蓝根浸膏提取工艺验证方案.docx_第6页
第6页 / 共30页
板蓝根浸膏提取工艺验证方案.docx_第7页
第7页 / 共30页
板蓝根浸膏提取工艺验证方案.docx_第8页
第8页 / 共30页
板蓝根浸膏提取工艺验证方案.docx_第9页
第9页 / 共30页
板蓝根浸膏提取工艺验证方案.docx_第10页
第10页 / 共30页
亲,该文档总共30页,到这儿已超出免费预览范围,如果喜欢就下载吧!
资源描述

《板蓝根浸膏提取工艺验证方案.docx》由会员分享,可在线阅读,更多相关《板蓝根浸膏提取工艺验证方案.docx(30页珍藏版)》请在第壹文秘上搜索。

1、标题板蓝根浸膏提取工艺验证方案文件编码版次第2版起草人起草日期执行日期审核人审核日期颁发部门生产技术管理中心批准人批准日期复制份数共2份分发部门质量保障管理中心、生产技术管理中心、提取车间1 .概述和目的1.1 峻:板蓝根颗粒是我公司多年生产的老产品,我们在对厂房、设备及公用工程系统按公司验证管理程序进行了全面的验证、文件系统按GMP要求进行了全面修订完善、人员也进行了全面系统的培训的基础上拟在该产品生产三批的同时,对板蓝根浸膏生产工艺进行三个批次的验证,以考察该品种在生产过程中工艺参数的稳定性、重现行及可靠性,保证在规定的条件下始终如一的生产出质量可靠的产品。1.2 目的:通过对板蓝根浸膏生

2、产过程中存在的可能影响产品质量的各种工艺因素进行验证,证明在正常条件下,本品工艺处于控制状态,且能够稳定地生产出符合质量标准的产品。2 .范围:本验证方案合用于在本方案指定的厂房、设施、设备、工艺条件下的板蓝根浸膏的生产,当上述条件改变时,应重新验证。3 .2验证小组成员:姓名部门职务职责任宾生产技术管理中心经理组长,负责验证的协调工作,负责验证方案、验证报告的起草工作,负责验证结果评价,提出再验证周期。马科建提取车间主任负责组织验证过程中的生产操作。喇顺忠质量保障管理中心经理负责对产品质量的现场监控和检验工作。张建东工程部经理负责组织试验所需设备、仪器的验证、校验,负责设备的维护保养。潘鹤供

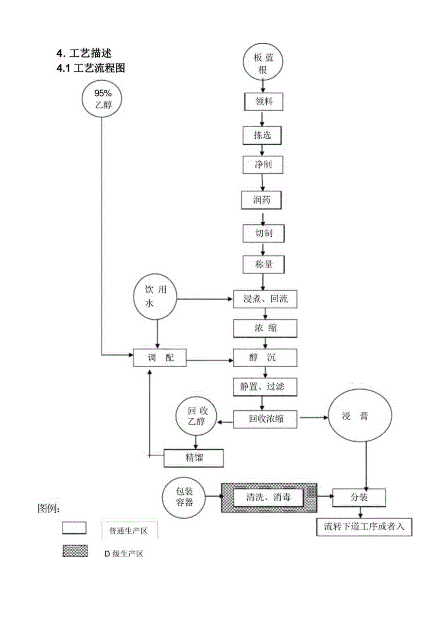
3、应部经理负责所采购物料符合国家及企业的法定标准,且物料的领、发、用、退、存管理符合GMP要求。4.2以上流程图中,领料过程、拣选过程、配料过程、净制过程、切制过程、浸煮过程、醇沉过程、浓缩过程、回收浓缩过程、精储过程、浸膏存放周期验证为关键工艺步骤。5关键工艺步骤和监控的关键过程工艺参数工序或者环质量控制点控制项目检查标准节预处理领料原药材外包装的完好性,中药材外包装上至少应当标明品名、规格、产地、采收(加工)时间、调出单位、质量合格标志,药材分量,限额领料、双人称量复核每包检查、称量、符合工艺用量拣诜原药材选净程度(无杂质、异物及非药用部位)无杂质、异物及非药用部位原药材水质、时间饮用水净制

4、原药材水质、时间、润药程度饮用水润药净药材切制规格、大小长ICm摆布切制称量净药材双人分别称量复核数量与品种,并做好标识(药材名称、数量、罐次号、称量人、复核人、日期)符合工艺用量、标识清晰浸煮净药材符合标识、监控投料每罐次投料浸泡溶剂溶剂浓度(饮用水)、工艺用量(两遍分别加6倍量水)符合工艺用量-药液温度(Ioo)、时间(一遍回流2小时;二遍1小时)、压力控制(加热0.06-02Mpa,回流0.02-0.06Mpa)符合工艺标准三效浓缩浓缩药液一效真空度(0.02-0.04Mpa)、蒸汽压力(0.02-0.09Mpa)、温度(7OB5oC),二效真空度(0.03-0.06Mpa),温度(60

5、-75)、三效真空度(0.04-0.08Mpa),温度(50-65)、进料速度(1次/30分钟)、相对密度/温度(1.2050oC)符合工艺标准醇沉乙醇醇沉浓度(60%)、静置时间(12h)温度(25oC)板框过滤(滤布加滤纸)符合工艺标准回收浓缩浸膏真空度(0.02-0.04MPa)、蒸汽压力(0-0.05MPa)、温度(55-65C)、进料速度、相对密度/温度(1.30/6(TC)、洁净环境下密闭出料符合工艺标准精微乙醇蒸汽压力(WSOIMpa)、温度(70-85oC)符合工艺标准6.验证前各生产要素的检查:6.1 目的:提供文字依据证明生产系统要素符合板蓝根浸膏生产工艺条件,从而保证产品

6、符合产品质量标准。系统要素评价方法判断标准文件完备检查与生产相关的文件是否完备,记录是否真实、完整生产过程中所从事的一切与生产有关的活动均需要有文件支持产艺件生工文正确的工艺规程签发核对工艺规程是否是现行批准的文件并已正确签发。工艺规程是现行的批准文件,并已正确签发。清晰明确的操作规程和质量标准在生产过程中,对照操作者的实际操作,检查操作规程和质量标准是否清晰,明确和充分。操作规程正确,不易引起误操作。生产指令的正确性在生产过程中,审核生产指令正确以保证其执行过程不会引起差错或者影响本批产品质量。检查指令正确,不易引起误操作。起始物料质量查原辅料是否符合现行质量标准以及这些标准是否被严格遵守。

7、均已按标准检验,并出据合格报告书贮存条件检查是否有状态标志,是否符合贮存条件贮存条件应正确。生产人员培训查阅培训档案,是否对其进行了操作方法及规程的培训。操作者均已按要求培训健康状况检查健康档案,是否有传染疾病及现场操作人是否有外伤。应按要求进行检查,建立健康档案6.2 生产及质量管理文件确认记录编码文件名称SOP/SCA-T-001-2022板蓝根浸膏工艺规程SOP-SB-064-04磅秤标准操作规程SOP-SB-065-04WDX-950型洗药机标准操作规程SOP-SB-066-04D74-10型切药机标准操作规程SOP-SB-067-04FzG-15型方形真空干燥机标准操作规程SOP-S

8、B-068-04中药提取罐标准操作规程SOP-SB-069-04SJN-100O型三效浓缩器标准操作规程SOP-SB-070-04DJN-1000A多功能酒精回收浓缩器标准操作规程SOP-SB-071-04DJN-1000B多功能酒精回收浓缩器标准操作规程SOP-SB-072-04YB90L-4型醇沉罐标准操作规程SOP-SB-073-04SS800离心机标准操作规程SOP-SB-074-04板框过滤器标准操作规程SOP-SB-075-04QWJ200型切药机标准操作规程SOP-SB-076-04洗药车标准操作消毒规程SOP-SB-077-04空气压缩机标准操作规程SOP-SB-078-043

9、2CQ-1.5型磁力驱动泵标准操作规程SOP-SB-079-0432FB-2.5型不锈钢离心泵标准操作规程SOP-QJ-061-04磅秤清洁规程SOP-QJ-062-04WDX-950型洗药机清洁规程SOP-QJ-063-04D74-10型切药机清洁规程SOP-QJ-064-04FzG-15型方形真空干燥机清洁规程SOP-QJ-065-04中药提取罐清洁规程SOP-QJ-066-04SJN-1000型三效浓缩器清洁规程SOP-QJ-067-04DJN-1000A多功能酒精回收浓缩器清洁规程SOP-QJ-068-04DJN-1000B多功能酒精回收浓缩器清洁规程SOP-QJ-069-04YB90

10、L-4型醇沉罐清洁规程SOP-QJ-070-04SS800离心机清洁规程SOP-QJ-071-04板框过滤器清洁规程SOP-QJ-072-04储罐清洁规程SOP-QJ-073-04浸膏转运桶清洁消毒规程SOP-QJ-074-04QWJ200型切药机清洁规程SOP-QJ-075-04洗药车清洁消毒规程SOP-QJ-076-04空气压缩机清洁规程SOP-QJ-077-0432CQ-1.5型磁力驱动泵清洁规程SOP-QJ-078-0432FB-2.5型不锈钢离心泵清洁规程SOP-SB-131-04磅秤维护保养操作规程SOP-SB-132-04WDX-950型洗药机维护保养操作规程SOP-SB-133

11、-04D74-10型切药机维护保养操作规程SOP-SB-134-04FzG-15型方形真空干燥机维护保养操作规程SOP-SB-135-04中药提取罐维护保养操作规程SOP-SB-136-04SJN-100O型三效浓缩器维护保养操作规程SOP-SB-137-04DJN-100OA多功能酒精回收浓缩器维护保养操作规程SOP-SB-138-04DJN-1000B多功能酒精回收浓缩器维护保养操作规程SOP-SB-139-04YB90L-4型醇沉罐维护保养操作规程SOP-SB-140-04SS800离心机维护保养操作规程SOP-SB-141-04板框过滤器维护保养操作规程SOP-SB-142-04储罐维

12、护保养操作规程SOP-SB-143-04QWJ200型切药机维护保养操作规程SOP-SB-144-04洗药车维护保养操作消毒规程SOP-SB-145-04空气压缩机维护保养操作规程SOP-SB-146-0432CQ-1.5型磁力驱动泵维护保养操作规程SOP-SB-147-0432FB-2.5型不锈钢离心泵维护保养操作规程6.3 设备设施设备名称规格型号设备编号洗药机WDX-950HGZ/SC/1-1002切药机D7410HGZ/SC/1-1003切药机QWJ200DHGZ/SC/1-1070中药提取罐3.7m3型HGZ/SC/1-1008中药提取罐3.7m3型HGZ/SC/1-1009中药提取

13、罐3.7m3型HGZ/SC/1-1010多功能提取罐TQ-Z4.0型HGZ/SC/1-1040醇沉罐YB90L-4型HGZ/SC/1-1029醇沉罐YB90L-4型HGZ/SC/1-1030醇沉罐YB90L-4型HGZ/SC/1-1031多功能酒精回收浓缩器DJN-100Oa型HGZ/SC/1-1036多功能酒精回收浓缩器DJN-100Ob型HGZ/SC/1-1037三效节能浓缩器SJN-IoOO型HGZ/SC/1-1024三效节能浓缩器SJN-100O型HGZ/SC/1-1024304储罐FBCI-160HGZ/SC/1-1062304储罐FBCI-160HGZ/SC/1-1063确认设备已

14、验证并合格,设备清洗均已验证。验证结果见相应验证材料及报告。6.4 仪器仪表校验的确认仪器仪表校验已验证并合格,见相应校验报告和验证报告。6.5 物料的确认工艺验证过程采用以下固定并经并质量审核合格的供应商提供的合格物料,若在实际生产过程中更换供应厂家,则必须经过验证合格后方可使用:物料名称规格单供应商名称物料代码备注位板蓝根原药材KgZL00195%港证项目药用Kg新疆祥顺轻工有限公司VX010为证明板蓝根浸膏工艺可行与可靠,本验证方案将验证次数定为连续的3批次,每罐投料量为420公斤,共计4罐,每批投料总量为1680公斤。1.1 领料工序1.1.1 验证场所:库房。1.1.2 验证目的:确认使用的中药材未受到污染,管理有序,贴有检验标识,且均已检验合格。713验证方法:目检。1.1.4 验证标准:每件物

展开阅读全文
相关资源
猜你喜欢
相关搜索

当前位置:首页 > 医学/心理学 > 药学

copyright@ 2008-2023 1wenmi网站版权所有

经营许可证编号:宁ICP备2022001189号-1

本站为文档C2C交易模式,即用户上传的文档直接被用户下载,本站只是中间服务平台,本站所有文档下载所得的收益归上传人(含作者)所有。第壹文秘仅提供信息存储空间,仅对用户上传内容的表现方式做保护处理,对上载内容本身不做任何修改或编辑。若文档所含内容侵犯了您的版权或隐私,请立即通知第壹文秘网,我们立即给予删除!