贝雷桥专项施工组织设计.docx

上传人:p** 文档编号:344340 上传时间:2023-08-03 格式:DOCX 页数:21 大小:81.47KB
下载 相关 举报
贝雷桥专项施工组织设计.docx_第1页
第1页 / 共21页
贝雷桥专项施工组织设计.docx_第2页
第2页 / 共21页
贝雷桥专项施工组织设计.docx_第3页
第3页 / 共21页
贝雷桥专项施工组织设计.docx_第4页
第4页 / 共21页
贝雷桥专项施工组织设计.docx_第5页
第5页 / 共21页
贝雷桥专项施工组织设计.docx_第6页
第6页 / 共21页
贝雷桥专项施工组织设计.docx_第7页
第7页 / 共21页
贝雷桥专项施工组织设计.docx_第8页
第8页 / 共21页
贝雷桥专项施工组织设计.docx_第9页
第9页 / 共21页
贝雷桥专项施工组织设计.docx_第10页
第10页 / 共21页
亲,该文档总共21页,到这儿已超出免费预览范围,如果喜欢就下载吧!
资源描述

《贝雷桥专项施工组织设计.docx》由会员分享,可在线阅读,更多相关《贝雷桥专项施工组织设计.docx(21页珍藏版)》请在第壹文秘上搜索。

1、便桥专项方案一、工程简介因工程施工需要在蒲阳河搭设一座施工便桥,以满足施工车辆、As及机械通行,设计通行荷载单车80电钢桥总长30米,共一跨,桥体宽4.5米,因两端桥台各搭载1.5米,故最大跨径为30-1.5x2=27米。如下图:纵桥向立面图拟采用321型贝雷片为桁架,桁架编组为30米7升弹层上下加强型上承式,12Ob型工字钢为横梁,桥面板为8mm花纹板,两侧以10槽钢、?48钢管焊立栏杆。如下图:横桥向立面图二、编制依据1.装配式公路钢桥创造(JT/T728-2022);2、公路桥涵施工技术规范(JTGTF50-2022);3、公路桥涵地基与基础设计规范(JTGD63-2022);4、公路工

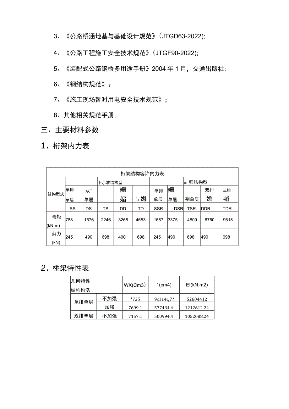
2、程施工安全技术规范(JTGF90-2022);5、装配式公路钢桥多用途手册2004年1月,交通出版社;6、钢结构规范;7、施工现场暂时用电安全技术规范;8、其他相关规范手册。三、主要材料参数1、桁架内力表桁架结构容许内力表结构型式卜示准结构型m强结构型单排单层双单层姗媚h姆单排单层姗单层割单层双排媚三排嵋SSDSTSDDTDSSRDSRTSRDDRTDR弯矩(kN-m)788157622463265465316873375480967509618剪力(kN)2454906984906982454906984906982、桥梁特性表几何特性结构构浩WX(Cm3)1(cm4)EI(kN.m2)单排

3、单层不加强*7259114Q7?52604412加强7699.1577434.41212612.24双排单层不加强7157.1500994.41052088.24加强15398.31154868.82425224.48三排单层不加强10735.6751491.6157813236加强23097.41732303.23637836.72双排双层不加强14817.92148588.84512036.48加强30641.74596255.29652135.92三排双层不加强22226.83222883.26768054.72加强45962.66894390144782193、钢桥主要材料表取最大跨2

4、7米主材分量单位单重t合重t贝雷片片0.276317.010加强弦杆根0.0812610.080弦杆螺栓套0.0032520.756钢销个0.0032240.672保睑销个02240.00045支架个0.021400.84090支架个0.03200.60045联板对0.00580.04090联板对0.0140.040支架螺栓0.00052880.144横梁坦0.13981058211.464横梁夹板()恨套0.0123283.9368mm花纹板平米0.0628121.57.630桥面板(纵+花)块0.3600.000IlO立柱根0.01220024048钢管斜撑米0.003841080.415

5、根0.01100.000抗风栉杆根0.03300.000横梁夹具CF)个0.00300.000合计分量53.867四、荷载计算1、贝雷梁荷载计算1.1 钢桥恒载由27米跨钢桥材料表可知:钢桥上部结构共重54吨,即恒载N=54t=54Okn,贝族冈恒载q=NL=540kn27m=20knmo1.2 钢桥活载车辆通行荷载80吨,即P=80t=800kn,最大计算跨径30mo1.3 弯矩验算弯矩最不利位置为梁的中部,弯矩值最大。M=M+1.4M恒活=qL8+L4pl4=202728+L48274=9382.5(kn.m)MM=1687X7=11809(kn.m,)取值自桁架内力表-单抖弹层加强型弯矩

6、容许值并乘以7排,验算通过!1.4 剪力验算剪力最不利位置为梁的端部,其剪力值最大P=800knQ=Q+1.4Q恒活=qL2+L4P=20272+L48=1390(kn)QQ=2457=1715(kn),取值自桁架内力表-单升弹层加强型剪力容许值并乘以7排,验算通过!1.5 挠度验算钢桥计算长度取为27米,钢桥为单层上下加强,根据桥梁特性表,故EI值为1212612.24,故钢桥挠度为:=(5ql384EI+F348EI)7排=(5x20x274/384/1212612.24+800x273/48/1212612.24)/7比排=0.0549517m33=27/400=0.0675m,3佥算通

7、过!2、120横梁验算2.1 荷载分析由钢桥横立面图可知:1.SI横桥向立面图贝雷片均布排间距最大为900mm,排间距即横梁受力跨度,本计算中横梁计算跨度取L=0.9m,并忽略其自重。查型钢参数表知:横梁即120型工字钢截面和A=39.578Cm2,截面曙WX=250Cm3。载800kn,最大轴荷F=230kn,轴侧轮荷为F=F2=115kno轴轮轴总10O2875t 28.75t总垄80吨23t23t东风四新车T轴有2L.25t2L25tUt17t1%03800122545002.2 弯应力验算弯应力=MW=FL/4/Wx轮=115kn0.9m4250cm3=103.5MPa=14OMPa,

8、验算3!2.3 剪应力验算剪应力T=F/A轮=115kn/39.578cm2=29.06MPa=80MPa,3佥算通过!3、桥面板验算3.1荷载分析桥面板为8mm花纹钢板,其计算跨径等于横梁间距,纵梁间距0.24m,小于荷载80吨的车辆轮胎着地宽度,因此桥面板免于计算。4、计论计算结果偏于安全,满足荷载要求。五、施工准备第一节工期、质量、安全目标1、工程工期目标开工日期:2022年月曰,竣工日期:2022年月日,总工期:天。2、辘本工程的质量标准为交工验收质量评定为合格。3、安全目标工程安全目标:遏制重大责任和财产损失事故,死亡事故为0,重伤事故为0,负伤事故频率小于3%0,定期对作业人员进行

9、健康检查,把职业病控制在最低限度。4、环境保护目标遵守当地有关规定,噪声排放达标,现场无尘,运输无遗洒,生产及生活污水达标排放。第二节施工进度安排及人员计划1、人员计划根据本工程特点,每班工作10小时摆布。第一阶段为下部结构钢管桩施工,第二阶段为上音睇构桁架及贝雷架施工。因施工场地较为复杂,施工进度相对较慢,需相应增加劳动力人数。劳动力计划如F表。劳动力计划表工种按工程施工阶段投入劳动力情况项目负责人1施工员1安全员2测量工4焊割工5起重工3普工6电工1总计23可根据现场条件要求,合适安排适当人员进行施工。2、工程进度安排本工程拟在2022年月日开工,2022年月日安装完毕。施工总体计划表主要

10、工程项目完成时间2022年月中旬月卜旬月上旬L施工准备2、钢管桩施工,3、贝雷架安装,4、桥面铺装5、栏杆施工第三节供电方案通过施工现场变压器接口接入,在适当位置安装配电箱,并备用台发机电。六、施工部署第一节施工测量1、测岸制网的建立正式开工前,测量人员首先对业省怒共的水准点和导线点进行复觎然后根瘴!喷施!需要适当加密导线点和水准点,并好则量控制网进行再次复测。将复测结果与业主方核对无误后,依此进行各项施工定位放样和高程测量,测量方法要符合有关测量技术规范要求。在施工过程中须采取措施,有效防止导线点和水准点被破坏。测量组人员同时对桩的平面位置和横纵平台向垂直度进行测量控制。钢管桩应符合以下要求

11、:桩顶标高误差不超过ICm,桩身垂直度不超过1%。上部结构吊装时,测量人员要提前在承重梁、分配梁上测放出准确位置。3、测量人员及仪器配备3.1测量人员配备如下:测量负责人:1名测量员:3名3.2主要测量仪器配备如下:序号测量仪器名称单位妣1全站仪台22经纬仪台23水准仪台2第二节钢桥施工总体施工工艺流程如下图桩位放样运桩桩位检查I剪刀撑与平联焊接桩顶托氮接固珥贝雷架拼装贝雷架成组整跨吊装分配梁施工附属工程施工下一跨施工1、钢管桩组施工1.1 钢管桩的加工与创造钢管桩由专业厂家加工,卷制钢管桩的钢板需符合设计及规范要求。1.2 施工前的准备钢管桩运至现场后,减靖桩焊缝进行检测,对焊缝厚度够、口烛

12、、开裂、夹硝等有缺陷的焊缝进行外包加强并做表面处理:用砂轮、刮刀、钢丝等除去钢管表面的锈迹和氧化皮,然后进行防腐防锈处理。13钢管桩的焊接与连接用吊车将钢管桩吊到页设桩位,用65或者90锤进行打桩,确定垂直度与深度后与预埋钢板焊接固定,焊接过程中要注意观察与测量,保证其垂直度不超过l%o1.4钢管桩间剪刀撑、平联、桩顶承重梁施工1.4.1 将安装跨度内的钢管焊接固定完毕后,技术员实测桩间平联长度、剪刀撑长度并在后场B斗,同步进行桩顶测量以及桩顶承重梁的加工。1.4.2 用吊装设备将剪刀撑、平联、承重梁分别吊装到位,电焊工进行焊接作业的同时,技术人员须及时检查焊缝质量,合格后再进入下一步工序,并

13、最终将钢管桩横向、纵向连接成钢管桩组。2、钢桥施工2.1 贝雷架的拼装用吊装设备将贝雷片吊到拼装场地,贝雷片下弦杆平整着地后由拼装工稳,再吊另一片贝雷片与其公母津目对应插入,待销孔对准时打入钢销,钢销彻底穿透销孔后再插入保险插销。以此类推,将贝雷片雌成排,按施工设计两井或者三排为一组,组间用对掌架连接固定。每组贝雷架连接到预设长度后即可准备吊装至承重梁上。2.2 贝雷架的架设2.2.1 贝雷架安装位置放样定位为确保贝雷架定位准确,技术员先在承重梁上放样定位,每组贝雷架就位后须复查组间距离是否准确,防止与组间支撑架安装尺寸不符。2.2.2 贝雷架的安装用吊装设备将贝雷架吊至承稣上,确定横向、纵向的放样位置后将其就位,为防止贝雷架横向位移须及时安装焊接限位器。贝雷架必须完成组间连接施工后方可吊装下一组。2.3 分配梁的安装用吊装设备进行分配梁的安装,按每节贝雷片(3米)布置9根分配梁即间距约0.33米,并用U型螺栓或者直接焊接固定在贝雷架上,

展开阅读全文
相关资源
猜你喜欢
相关搜索

当前位置:首页 > 建筑/环境 > 施工组织

copyright@ 2008-2023 1wenmi网站版权所有

经营许可证编号:宁ICP备2022001189号-1

本站为文档C2C交易模式,即用户上传的文档直接被用户下载,本站只是中间服务平台,本站所有文档下载所得的收益归上传人(含作者)所有。第壹文秘仅提供信息存储空间,仅对用户上传内容的表现方式做保护处理,对上载内容本身不做任何修改或编辑。若文档所含内容侵犯了您的版权或隐私,请立即通知第壹文秘网,我们立即给予删除!