进货检验作业规范采购进货产品检验和验证的方法与步骤.docx

上传人:p** 文档编号:344554 上传时间:2023-08-03 格式:DOCX 页数:7 大小:33.96KB
下载 相关 举报
进货检验作业规范采购进货产品检验和验证的方法与步骤.docx_第1页
第1页 / 共7页
进货检验作业规范采购进货产品检验和验证的方法与步骤.docx_第2页
第2页 / 共7页
进货检验作业规范采购进货产品检验和验证的方法与步骤.docx_第3页
第3页 / 共7页
进货检验作业规范采购进货产品检验和验证的方法与步骤.docx_第4页
第4页 / 共7页
进货检验作业规范采购进货产品检验和验证的方法与步骤.docx_第5页
第5页 / 共7页
进货检验作业规范采购进货产品检验和验证的方法与步骤.docx_第6页
第6页 / 共7页
进货检验作业规范采购进货产品检验和验证的方法与步骤.docx_第7页
第7页 / 共7页
亲,该文档总共7页,全部预览完了,如果喜欢就下载吧!
资源描述

《进货检验作业规范采购进货产品检验和验证的方法与步骤.docx》由会员分享,可在线阅读,更多相关《进货检验作业规范采购进货产品检验和验证的方法与步骤.docx(7页珍藏版)》请在第壹文秘上搜索。

1、卓成公司进货检验作业规范编号:发布部门:技术质量部批准人:日期:版本:1 .目的明确采购产品检验和验证的方法及步骤,规范进货检验工作。2 .适用范围适用于公司采购产品(主要包括化工材料、功能件、原材料、标准件、低值易耗品、机加件等)的检验和验证。3 .职责3.1 技术质量部负责提供详细的、可操作的技术、工艺文件(如“采购产品技术要求”等)和必须的检验工具。3.2 生产管理部负责按技术要求采购适宜的产品,及时通知技术质量部检验并办理入库手续。3.3 技术质量部负责按技术、工艺要求以及本规范的要求对采购进行验收,并做好相关标识和记录。4 .控制措施4.1 化工材料的检验和验证序号主要质量特性质量要

2、求检验手段1规格型号符合技术要求。实物与“验收入库单”对照。2生产日期符合保存期的规定。查验包装标识。3生产批号有明确的生产批号,便于追溯。查验包装标识。4产品包装包装完好,无泄露、渗漏,不受潮。目测检查产品包装。5重量实际重量不得低于额定重量的2%或按包装标识的要求执行。必要时用磅秤抽查测量。6质保资料验证每批产品必须提供出厂检验报告或批次证明资料;此外,每年必须提供有效的型式实验报告(无法索证的进口化工材料除外)。验证资料。4.2功肓8件的检验和验证序号主要质量特性质量要求检验手段1规格型号符合技术要求。实物与“验收入库单”对照。2外观包装完好,无外观受损现象。目测检查。3质保资料验证每批

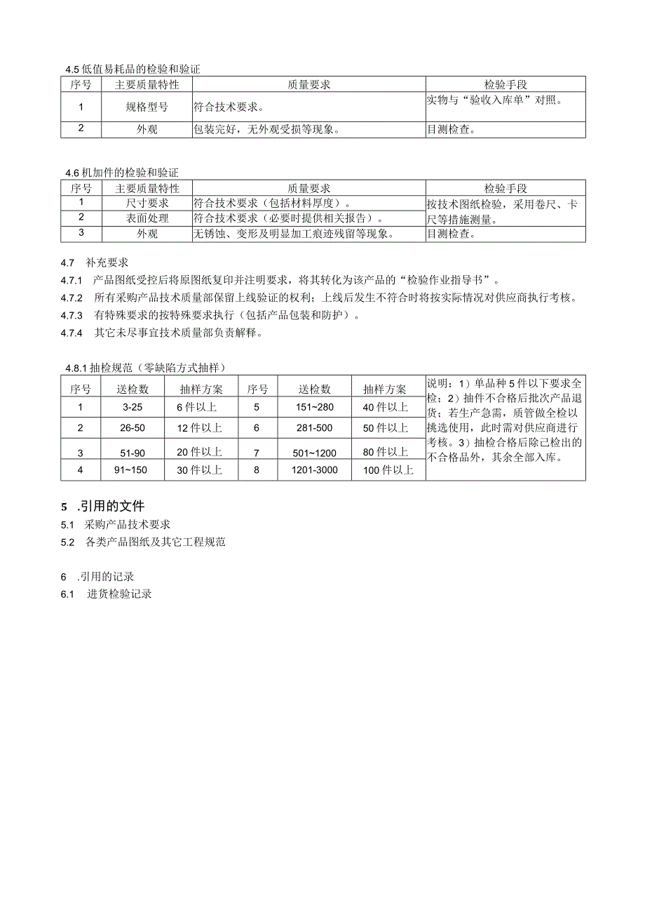
3、产品必须提供出厂检验报告或批次证明资料;此外,每年必须提供有效的型式实验报告(无法索证的进口件除外)。验证资料。4.3原材料的检验和验证序号主要质量特性质量要求检验手段1规格型号符合技术要求。实物与“验收入库单”对照,重量用磅秤测量。2外观符合采购要求目测检查。4.4标7用件的检验和验证序号主要质量特性质量要求检验手段1规格型号符合技术要求。实物与“验收入库单”对照。2外观包装完好,无外观受损等现象。目测检查。4.5低值易耗品的检验和验证序号主要质量特性质量要求检验手段1规格型号符合技术要求。实物与“验收入库单”对照。2外观包装完好,无外观受损等现象。目测检查。4.6机加件的检验和验证序号主要

4、质量特性质量要求检验手段1尺寸要求符合技术要求(包括材料厚度)。按技术图纸检验,采用卷尺、卡尺等措施测量。2表面处理符合技术要求(必要时提供相关报告)。3外观无锈蚀、变形及明显加工痕迹残留等现象。目测检查。4.7 补充要求4.7.1 产品图纸受控后将原图纸复印并注明要求,将其转化为该产品的“检验作业指导书”。4.7.2 所有采购产品技术质量部保留上线验证的权利;上线后发生不符合时将按实际情况对供应商执行考核。4.7.3 有特殊要求的按特殊要求执行(包括产品包装和防护)。4.7.4 其它未尽事宜技术质量部负责解释。4.8.1抽检规范(零缺陷方式抽样)序号送检数抽样方案序号送检数抽样方案说明:1)

5、单品种5件以下要求全检;2)抽件不合格后批次产品退货;若生产急需,质管做全检以挑选使用,此时需对供应商进行考核。3)抽检合格后除己检出的不合格品外,其余全部入库。13-256件以上515128040件以上226-5012件以上6281-50050件以上351-9020件以上7501120080件以上49115030件以上81201-3000100件以上5 .引用的文件5.1 采购产品技术要求5.2 各类产品图纸及其它工程规范6 .引用的记录6.1 进货检验记录进货检验记录表编号:产品名称型号进货数量检验数量序号检验项目检验标准检验记录检验结果1合格;不合格2合格;口不合格3合格;不合格4合格;

6、口不合格5合格;口不合格6合格;口不合格7合格;口不合格8合格;口不合格9合格;口不合格10合格;口不合格检验结论口合格;口不合格:【口退货;口换货;口0E步接收】检验员检验日期不合格审批标准工时管理办法全文目录1 .总则1. 1.制定目的2. 2.适用范围1. 3.权责单位2.标准工时管理规定2. 1.定义2. 2.标准工时的测算方法22. 3.标准工时管理3时间研究用纸(正面)3时间研究用纸(反面)41.总则1.L制定目的为规范本公司标准工时之制定与管理,方便生产效率之计算,特制定本办法。1. 2.适用范围本公司产品作业标准工时之测定、制定、修改等,均适用本办法。1.3.权责单位D生技部负

7、责本办法制定、修改、废止之起草工作。2)总经理负责本办法制定、修改、废止之核准。2.标准工时管理规定2. 1.定义2.1.1.标准工时某一加工工序,在标准的作业条件下,中等熟练之作业人员以正常之努力,完成一件工作的时间,称为标准工时,单位为分、人/件(或秒、人/件、小时、人/件)。2.1.2.标准产量某一加工工序,在标准的作业条件下,中等熟练之人员以正常之努力,在一个工作日内(一般为8小时),可以加工完成的产品数量,称为标准产量,单位为件。1 .1.3.标准工时与标准产量的关系标准产量=标准工时*标准人数*每日工作时间2 .L4.宽裕时间、宽裕率1)为了执行所定之作业,必要的、不可避免的耽误时

8、间,称为宽裕时间。2)在本公司管理现状下,完成作业所必要的不可避免的耽误时间,称为管理宽裕,如工装夹具之安装、整理整顿等。3)为恢复疲劳所必要之耽误时间称为疲劳宽裕。4)因人类生理需要必要之耽误时间称为生理宽裕,如喝水、上洗手间等。5)计算公式管理宽裕率=管理宽裕时间/实际时间*100%生理宽裕率二生理宽裕时间/实际时间*100%疲劳宽裕率二疲劳宽裕时间/实际时间*100%宽裕时间二管理宽裕时间+生理宽裕时间+疲劳宽裕时间宽裕率二宽裕时间/实际时间*100%=管理宽裕率+生理宽裕率+疲劳宽裕率6)评核系数测试实际作业时间时:参照之作业人员,其劳动熟练程度与中等熟练工人之比较系数称为评核系数。系

9、数越大表示其劳动熟练程度越高。2. 2.标准工时的测算方法3. 2.L作业时间测算1)新产品小批试制是生技部工艺人员持秒表在作业现场对每一工序作业时间进行实际测算。2)应选择生产较为顺畅时进行测算,并连续测试20个以上的周期时间。3)周期时间系指作业人员从取料开始到下一次取料的总时间。4)实测时间二测试总时间/测试周期数。1. 2.2.评核系数测算生技部工艺人员根据观测之作业人员劳动熟练程度,给出评核系数。2. 2.3.宽裕率之测算生技部工艺人员根据作业条件测算宽裕,其中:1)管理宽裕率:一般取2)疲劳宽裕率:一般取5%-20%,可参阅下表:作业种类特轻作业轻作业中作业重作业特重作业疲劳宽裕率

10、%0.55-1010-2020-3030-603)生理宽裕率:一般取225机2.2.4.标准工时的计算标准工时工实测时间*评核系数*(1+宽裕率)2.3.标准工时管理2.3.1. 标准工时之制定与作用D生技部测定标准工时,并填入作业标准书,分发相关部门。2)如系流水作业,生技部测定每个工作站之标准工时后,应利用工业工程之平衡手法,对每个工作站之工作内容、人数进行平衡分析,必要时应对工艺流程作调整,以利生产线之平衡。3)流水作业之标准产量以该流水线瓶颈站位之标准产量为准,即各工作站中标准产量最低的一站。4)生管部依据标准工时制定生产计划中之产量定额。5)制造部依据标准工时进行效率管理等作业。6)

11、财务部依据标准工时制订标准成本之制造费率等作业。7)业务部依据标准工时评估接单量等作业。注标准工时系生产管理中重要之基础之一,其作用相当广泛,此处未列出。2.3.2. 标准工时之修改1)产品正式导入量产后,生产趋于稳定时(一般为生产一周以上),生技部工艺人员应再次测评标准工时,必要时应予修改,并发出变更通知。2)当生产工艺条件发生变化或技术变更对生产作业有明显影响时,生技部应重新测评标准工时,必要时应予修改,并发出变更通知。3)其他客观条件导致标准工时不能反映实际工作绩效时,生技部应重新测评标准工时,必要时应予修改,并发出变更通知。4)各部门认为标准时不能真实体现作业状况时,可向生技部申请重新测评。时间研究用纸(正面)日期:制品型号II工作场所略图I作业要素I时间I工序号码1工序名称2使用机器3工、夹具4作业部门5作业者零件略图6作业者经验年7观测时间月日至月日8观测目的口改善用口标准用合计宽裕率%标准时间时间研究用纸(反面)、次数要素、123456合计平均备注1、234567合计主管:观测者:说明:1、本表适合机械业使用;2、时间研究的另一目的在于改善作业方法。

展开阅读全文
相关资源
猜你喜欢
相关搜索

当前位置:首页 > 行业资料 > 零售业

copyright@ 2008-2023 1wenmi网站版权所有

经营许可证编号:宁ICP备2022001189号-1

本站为文档C2C交易模式,即用户上传的文档直接被用户下载,本站只是中间服务平台,本站所有文档下载所得的收益归上传人(含作者)所有。第壹文秘仅提供信息存储空间,仅对用户上传内容的表现方式做保护处理,对上载内容本身不做任何修改或编辑。若文档所含内容侵犯了您的版权或隐私,请立即通知第壹文秘网,我们立即给予删除!