容重与塌落度试验结果.docx

上传人:p** 文档编号:345657 上传时间:2023-08-03 格式:DOCX 页数:4 大小:190.29KB
下载 相关 举报
容重与塌落度试验结果.docx_第1页
第1页 / 共4页
容重与塌落度试验结果.docx_第2页
第2页 / 共4页
容重与塌落度试验结果.docx_第3页
第3页 / 共4页
容重与塌落度试验结果.docx_第4页
第4页 / 共4页
亲,该文档总共4页,全部预览完了,如果喜欢就下载吧!
资源描述

《容重与塌落度试验结果.docx》由会员分享,可在线阅读,更多相关《容重与塌落度试验结果.docx(4页珍藏版)》请在第壹文秘上搜索。

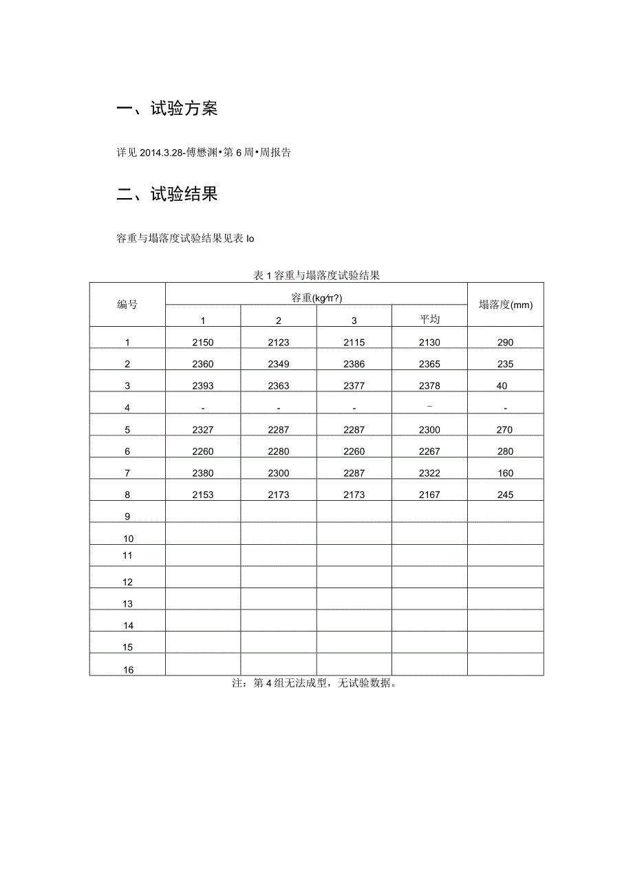
1、一、试验方案详见2014.3.28-傅懋渊第6周周报告二、试验结果容重与塌落度试验结果见表Io表1容重与塌落度试验结果编号容重(kg?)塌落度(mm)123平均121502123211521302902236023492386236523532393236323772378404-52327228722872300270622602280226022672807238023002287232216082153217321732167245910111213141516注:第4组无法成型,无试验数据。图15组塌落度测量照图37组塌落度测量照图48组塌落度测量照每组配合比做3组试块(一组为3个试块

2、,即1个100mmXloommXlOOmm三联模),分别测其蒸压养护的7d强度,自然养护的7d、28d强度,抗压强度试验结果见表2o表2抗压强度试验结果组测试结果(MPa)抗压强度(MPa)1-1107.657.898.7103.21-272.177.970.673.51-32-1170.0155.8159.2161.72-2108.8111.9108.6109.82-33-1187.2196.4191.5191.73-2120.3120.0119.8120.03-3注:A.l*表示编号1的抗压强度试验结果。B.*-l表示养护方式为蒸压养护,测7d抗压强度;*-2表示养护方式为自然养护,测7d

3、抗压强度;*3表示养护方式为自然养护,测28d抗压强度,还未有数据。C.表中加下划线为超出中间值的15%,计算结果时舍去。从前面几组试验的结果推测:RPC的容重大约在2300kgm3左右,而不掺钢纤维的RPC容重会有所降低,大约2150kgn3继续测量剩下几组的容重,看是否仍符合这个情况。如果是,对将来采用密度法进行配合比设计有所帮助。对比5、6组与7、8组的塌落度,认为塌落度受砂胶比的影响较钢纤维大。5、6组钢纤维掺量多,但砂胶比小,工作性较好;而7、8组钢纤维掺量少,砂胶比大,工作性相对较差。我打算对比自然养护28d与自然养护7d、自然养护28d与蒸压养护7d的强度,看其中是否有什么规律,如果有可以节省RPe试验的周期,用7d强度预测出28d强度。

展开阅读全文
相关资源
猜你喜欢
相关搜索

当前位置:首页 > 建筑/环境 > 桩基础

copyright@ 2008-2023 1wenmi网站版权所有

经营许可证编号:宁ICP备2022001189号-1

本站为文档C2C交易模式,即用户上传的文档直接被用户下载,本站只是中间服务平台,本站所有文档下载所得的收益归上传人(含作者)所有。第壹文秘仅提供信息存储空间,仅对用户上传内容的表现方式做保护处理,对上载内容本身不做任何修改或编辑。若文档所含内容侵犯了您的版权或隐私,请立即通知第壹文秘网,我们立即给予删除!