幕墙工程施工现场工具、设备维修保养记录表.docx

上传人:p** 文档编号:347937 上传时间:2023-08-05 格式:DOCX 页数:4 大小:27.29KB
下载 相关 举报
幕墙工程施工现场工具、设备维修保养记录表.docx_第1页
第1页 / 共4页
幕墙工程施工现场工具、设备维修保养记录表.docx_第2页
第2页 / 共4页
幕墙工程施工现场工具、设备维修保养记录表.docx_第3页
第3页 / 共4页
幕墙工程施工现场工具、设备维修保养记录表.docx_第4页
第4页 / 共4页
亲,该文档总共4页,全部预览完了,如果喜欢就下载吧!
资源描述

《幕墙工程施工现场工具、设备维修保养记录表.docx》由会员分享,可在线阅读,更多相关《幕墙工程施工现场工具、设备维修保养记录表.docx(4页珍藏版)》请在第壹文秘上搜索。

1、年月曰工程名称华平金山银河一号智慧产业园二期C地块幕墙专业工程使用单位美巧建筑(上海)有限公司设备名称电动葫芦规格型号G10ASF2设备编号1序号保养作业项目保养要求及说明维保记录1检查螺栓紧固情况检查各部联接螺栓是否齐全,有无松动现象,如传动底板螺栓、附墙螺栓等。合格2检查限位开关检查上下限位开关,上、下极限开关均应安全可靠,检查各门、断绳等开关动作是否正常。合格3检查滚轮与导轨间隙查看滚轮与导轨间隙是否偏大,正常间隙应为0.30.5mm,经调整达不到要求进行更换。合格4检查电动制动力矩情况,检查齿轮、齿条啮合情况,检查钢绳情况检查制动摩擦片有无松脱裂纹和过度磨损,过度磨损应更换。查看齿轮与

2、齿条啮合情况,齿轮过度磨损应更换,钢绳表面磨损达40%时应合格5检查限速器、调速器检查锥鼓形限速器是否完好,使用每三个进行一次防坠落试验,保证制动安全可靠,检查涡流制动调速器工作情况。合格6润滑清洁工作按规定加注润滑油,清除笼内设备上的油污、灰尘及笼内外清洁合格备注年月日工程名称华平金山银河一号智慧产业园二期C地块幕墙专业工程使用单位美巧建筑(上海)有限公司设备名称电焊机规格型号DX-500设备编号序号保养作业项目保养要求及说明维保记录1检查导线各线路在短路,一次线规格必须符合要求,定型接头(铜鼻子均应完好。合格2检查接地装置铁壳开关和机体的接地,均应良好(并联接),电阻不得大于10欧姆。合格

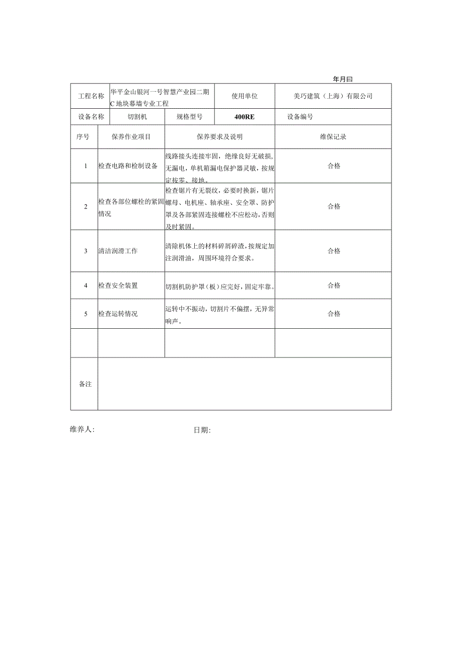
3、3检查防护罩及外罩防护罩设置齐全,装置牢靠。合格4检查一、二次回路接线柱和绝缘板情况接线柱表面平整不准有烧损,装接头时,上下面应垫铜垫圈然后拧紧螺母,绝缘板不准破裂和烧损。合格5检查运转情况焊机运转时不得有噪音,否则应紧固各机构的螺栓。合格6清洁和整理线头吹掉线圈上的灰尘,紧固铁芯夹箍螺栓,线圈和接线头应排列整齐,紧固接线柱内侧螺母。合格7检查各部件的完好情况调节螺杆、调节手轮、机罩等均应完好,否则修理或更换已损坏的零件。合格备注年月曰工程名称华平金山银河一号智慧产业园二期C地块幕墙专业工程使用单位美巧建筑(上海)有限公司设备名称切割机规格型号400RE设备编号序号保养作业项目保养要求及说明维

4、保记录1检查电路和检制设备线路接头连接牢固,绝缘良好无破损,无漏电,单机箱漏电保护器灵敏,按规定按零、接地。合格2检查各部位螺栓的紧固情况检查锯片有无裂纹,必要时换新,锯片螺母、电机座、轴承座、安全罩、防护罩及各部紧固连接螺栓不应松动,否则及时紧固。合格3清洁润滑工作清除机体上的材料碎屑碎渣,按规定加注润滑油,周围环境符合要求。合格4检查安全装置切割机防护罩(板)应完好,固定牢靠。合格5检查运转情况运转中不振动,切割片不偏摆,无异常响声。合格备注日期:维养人:年月日工程名称华平金山银河一号智慧产业园二期C地块幕墙专业工程使用单位美巧建筑(上海)有限公司设备名称电钻规格型号2X705设备编号序号保养作业项目保养要求及说明维保记录1检查电路和检制设备线路接头连接牢固,绝缘良好无破损,无漏电,单机箱漏电保护器灵敏,按规定按零、接地。合格2检查各部位螺栓的紧固情况检查锯片有无裂纹,必要时换新,锯片螺母、电机座、轴承座、安全罩、防护罩及各部紧固连接螺栓不应松动,否则及时紧固。合格3清洁润滑工作清除机体上的材料碎屑碎渣,按规定加注润滑油,周围环境符合要求。合格4检查夹紧装置钻头夹紧装置夹持力可靠安全,出现打滑或夹齿磨损应予更换或修复。合格备注日期:维养人:

展开阅读全文
相关资源
猜你喜欢
相关搜索

当前位置:首页 > 建筑/环境 > 施工组织

copyright@ 2008-2023 1wenmi网站版权所有

经营许可证编号:宁ICP备2022001189号-1

本站为文档C2C交易模式,即用户上传的文档直接被用户下载,本站只是中间服务平台,本站所有文档下载所得的收益归上传人(含作者)所有。第壹文秘仅提供信息存储空间,仅对用户上传内容的表现方式做保护处理,对上载内容本身不做任何修改或编辑。若文档所含内容侵犯了您的版权或隐私,请立即通知第壹文秘网,我们立即给予删除!