市政道路管道吊装施工方案.docx

上传人:p** 文档编号:348026 上传时间:2023-08-05 格式:DOCX 页数:5 大小:79.10KB
下载 相关 举报
市政道路管道吊装施工方案.docx_第1页
第1页 / 共5页
市政道路管道吊装施工方案.docx_第2页
第2页 / 共5页
市政道路管道吊装施工方案.docx_第3页
第3页 / 共5页
市政道路管道吊装施工方案.docx_第4页
第4页 / 共5页
市政道路管道吊装施工方案.docx_第5页
第5页 / 共5页
亲,该文档总共5页,全部预览完了,如果喜欢就下载吧!
资源描述

《市政道路管道吊装施工方案.docx》由会员分享,可在线阅读,更多相关《市政道路管道吊装施工方案.docx(5页珍藏版)》请在第壹文秘上搜索。

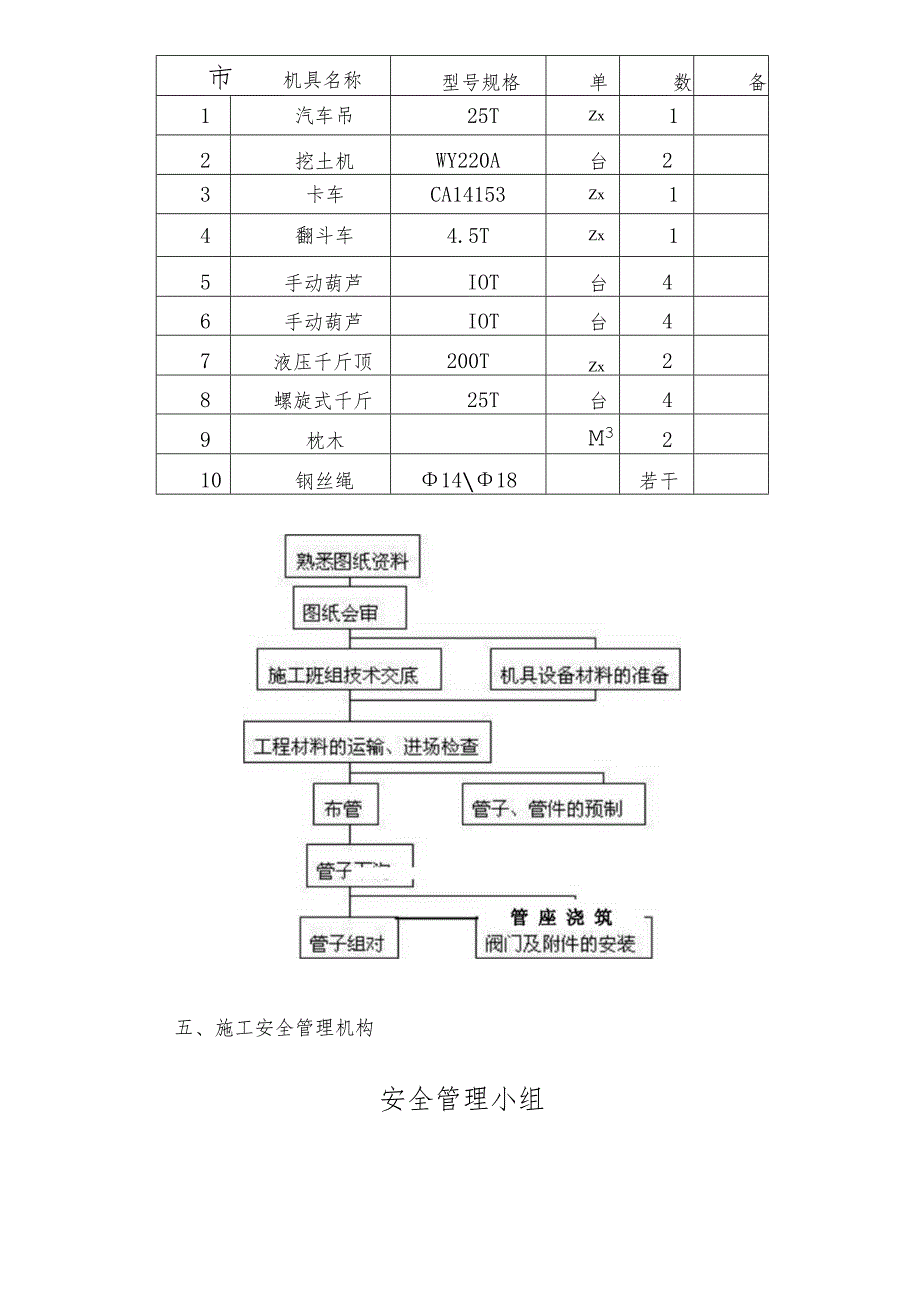
1、市机具名称型号规格单数备1汽车吊25TZx12挖土机WY220A台23卡车CA14153Zx14翻斗车4.5TZx15手动葫芦IOT台46手动葫芦IOT台47液压千斤顶200TZx28螺旋式千斤25T台49枕木M3210钢丝绳1418若干五、施工安全管理机构安全管理小组副组长:XX组员:XX、XX、XX、XX、XXX、XX、XX六、施工技术要求及注意事项:1、吊车的选择汽车吊理论吨位乘以3,再除以你要掉的重量能得出距离,除以距离能得出重量,但是吊车的实际能力达不到计算出来的结果,还要把主臂的重量与吊钩的重量算上。2、吊装方法及钢丝绳的选用根据管道重量的计算,捆绑管子时选用绳索兜底平吊法使用绳索

2、兜底平吊法时,吊绳与管子的夹角不宜过小,通常夹角应大于45为宜。钢丝绳的选用应根据其有效破断拉力Pp来确定,若钢丝绳的有效破段拉力PP小于钢丝绳破断拉力总与P,那么钢丝绳就能够选用。在施工现场中,钢丝绳的有效破断拉力可由下面的经验公式进行估算:Cd2=FF:最大破坏拉力单位Kg,d:直径单位mm最大破坏拉力F=(16250/4)*3=12188Kg即:钢丝绳的直径为:d=(F/C)1/2=(12188/55)1/2=15mmy三:C:取5550倍。选用15mm钢丝绳3、管道下沟方法:本段25T吊车下管时使用分段式下管,马上管一节一节分别吊起后4、注意事项:(1)、管子装御的注意事项:进场的管子

3、应堆放在平整的地方,不一致类别与不一致规格的管子要分开堆放,跺与跺之间要留有通道。预应力混凝土管应用垫木垫起,每层管子之间的垫木务必上下对齐在一条直线上,每根管子的两块垫木间距离为0.6倍的管子长度,堆放高度为1层。(2)、下管的注意事项、吊车沿沟槽开行距沟边应间隔IM的距离,以避免沟壁坍塌;、吊车不得在架空输电线路下作业,在架空线路邻近作业时,其安全距离应符合当地电业管理部门的规定。、吊装时管段与管件其外形尺寸与防腐已完全符合要求后才可进行下沟。、所吊装的管段或者组合件的重量应与起重工具相习惯;绑扎点应确能承受其负荷。起吊时应按重心位置正确地绑扎绳扣,保证起吊平稳。、已吊装的管段应马上进行调

4、整连接,不同意长期处于临时固定状态。、为避免吊装机具的往返般动,下管时应顺次逐段吊装,马上一段全部吊装完毕后,再将吊装机具般至下一段进行吊装。(3)周边管道保护管道起吊及下管时,为防止管道旋转及脱落碰撞到周边的水管及电缆,在挡墙上用钢管搭设隔离防护架,以保护周边管线不受损坏。(4)管道的运输1、吊装应由一人负责指挥,指挥人员务必熟悉机械吊装的有关安全操作规程与指挥信号;架驶员务必听从信号进行操作。2、管子在下沟前应先进行试吊,确认可靠后方可吊运。3、起吊及搬运管材、配件时,关于法兰盘面,非金属管材承插口工作面金属管防腐层等,均应采取保护措施,以防损坏。4、在起吊作业区内,任何人不得在吊钩或者被吊起的重物下面通过或者站立。5、管节下入沟槽时,不得与槽壁支撑及槽下的管道相互碰撞;沟内运管不得扰动天然地基。6、使用千斤顶时,务必上下垫牢,随起随垫,随落随抽垫木。7、在工作中起重人员禁止用手直接校正已被重物张紧的绳子,如钢丝绳、链条等。吊运中发现捆缚松动或者吊运工具发生异样、怪声应立即指挥停车进行检查,绝不可图侥幸之心。8、在吊装工程中吊装作业范围内用锥型筒隔离,拉警戒线,四周摆放安全警示牌,设安全指挥人员2名,至吊装完毕方可撤离。安全施工平面布置图如下:管道安装沟槽XXXXXXXXXXXXXXXXX公司XXXXXXXXXXXX工程项目部

展开阅读全文
相关资源
猜你喜欢
相关搜索

当前位置:首页 > 建筑/环境 > 市政工程

copyright@ 2008-2023 1wenmi网站版权所有

经营许可证编号:宁ICP备2022001189号-1

本站为文档C2C交易模式,即用户上传的文档直接被用户下载,本站只是中间服务平台,本站所有文档下载所得的收益归上传人(含作者)所有。第壹文秘仅提供信息存储空间,仅对用户上传内容的表现方式做保护处理,对上载内容本身不做任何修改或编辑。若文档所含内容侵犯了您的版权或隐私,请立即通知第壹文秘网,我们立即给予删除!