耳机插头铜针机械强度试验指导书.docx

上传人:p** 文档编号:349220 上传时间:2023-08-05 格式:DOCX 页数:1 大小:37.47KB
下载 相关 举报
耳机插头铜针机械强度试验指导书.docx_第1页
第1页 / 共1页
亲,该文档总共1页,全部预览完了,如果喜欢就下载吧!
资源描述

《耳机插头铜针机械强度试验指导书.docx》由会员分享,可在线阅读,更多相关《耳机插头铜针机械强度试验指导书.docx(1页珍藏版)》请在第壹文秘上搜索。

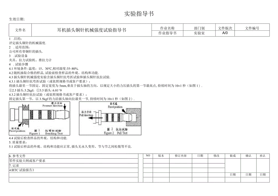
实验指导书生效日期:文件名耳机插头铜针机械强度试验指导书作业名称部门别文件版次文件编号作业指导书实验室A/01 .目的:评定插头铜针的机械强度.2 .适用范围:公司所有带铜针的插头.3 .试验设备夹具、拉力试验机、推拉力计4 .试验步骤4.1环境条件:温度:15、30,相对湿度:3580%.4.2随机抽取合格的样品,试验前检查样品的外观、结构和功能.4.3插头铜针机械强度实验含插头铜针抗弯折试验和插头铜针抗拉试验.4.3.1插头铜针抗弯折试验(或依照规格书或客户要求):将插头最里一节固定,固定宽度为5mm,垂直于插头轴的方向,以规定大小的力压插头的第一节最高点,持续时间为101秒(如图1).2.5插头:3.2kgf;3.5插头:6.8194.3.2插头铜针抗拉试验(或依照规格书或客户要求):固定插头第一节,以3.5kgf的力沿插头轴向拉最里一节,持续时间为101秒(如图2).4.4试验后检查样品的外观、结构和功能.5.质量要求:5.1试验后样品的外观、结构和功能应正常,插头无永久变形、节与节之间松脱等不良.6.参考文件NO版本修订内容日期修改做成确认承认零件实验大纲或客户要求7.记录RTC试验报告日期日期日期

展开阅读全文
相关资源
猜你喜欢
相关搜索

当前位置:首页 > 行业资料 > 家电行业

copyright@ 2008-2023 1wenmi网站版权所有

经营许可证编号:宁ICP备2022001189号-1

本站为文档C2C交易模式,即用户上传的文档直接被用户下载,本站只是中间服务平台,本站所有文档下载所得的收益归上传人(含作者)所有。第壹文秘仅提供信息存储空间,仅对用户上传内容的表现方式做保护处理,对上载内容本身不做任何修改或编辑。若文档所含内容侵犯了您的版权或隐私,请立即通知第壹文秘网,我们立即给予删除!