质量管理考核方法.docx

上传人:p** 文档编号:350278 上传时间:2023-08-05 格式:DOCX 页数:6 大小:49.30KB
下载 相关 举报
质量管理考核方法.docx_第1页
第1页 / 共6页
质量管理考核方法.docx_第2页
第2页 / 共6页
质量管理考核方法.docx_第3页
第3页 / 共6页
质量管理考核方法.docx_第4页
第4页 / 共6页
质量管理考核方法.docx_第5页
第5页 / 共6页
质量管理考核方法.docx_第6页
第6页 / 共6页
亲,该文档总共6页,全部预览完了,如果喜欢就下载吧!
资源描述

《质量管理考核方法.docx》由会员分享,可在线阅读,更多相关《质量管理考核方法.docx(6页珍藏版)》请在第壹文秘上搜索。

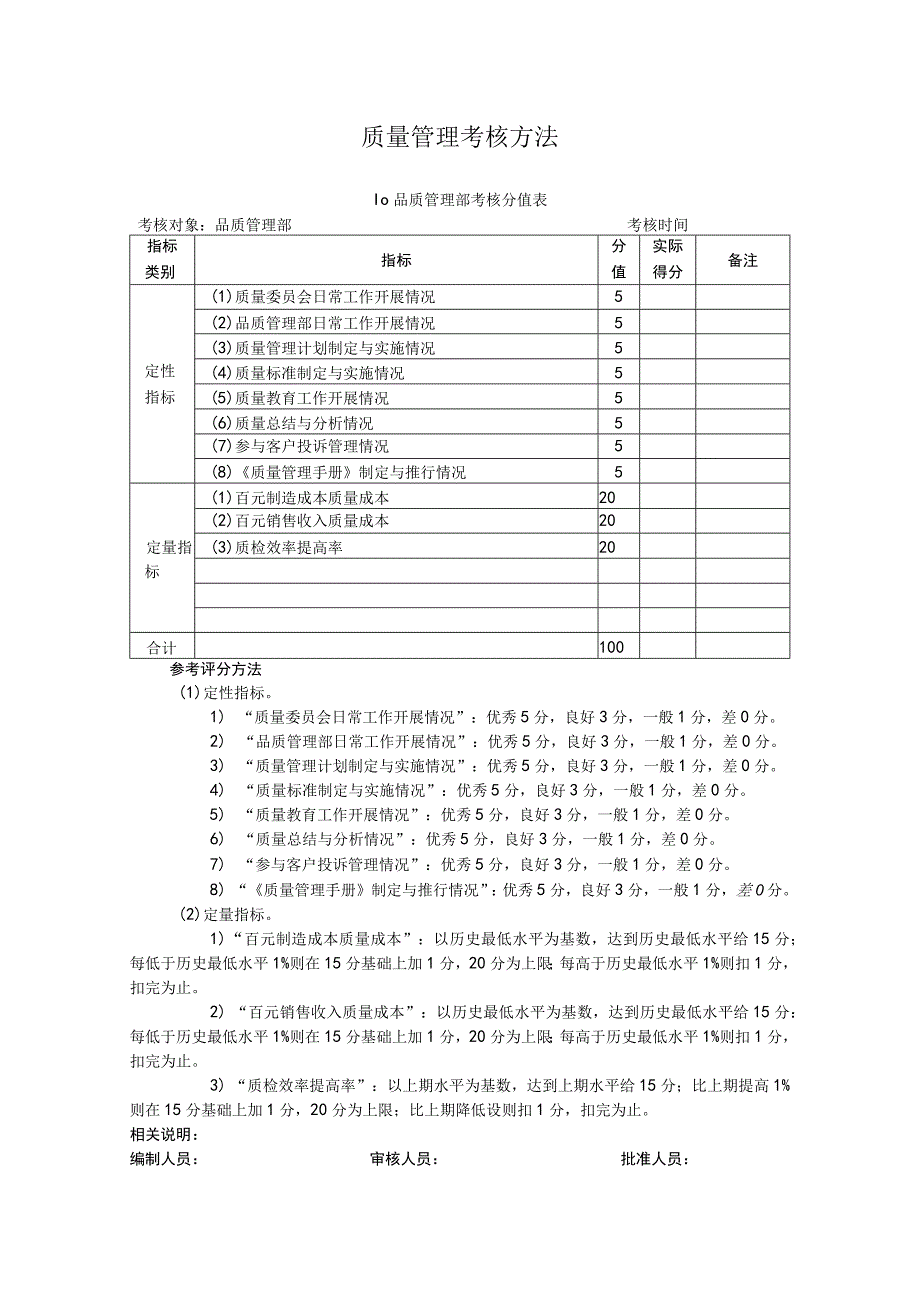
1、质量管理考核方法Io品质管理部考核分值表考核对象:品质管理部考核时间指标类别指标分值实际得分备注定性指标(1)质量委员会日常工作开展情况5(2)品质管理部日常工作开展情况5(3)质量管理计划制定与实施情况5(4)质量标准制定与实施情况5(5)质量教育工作开展情况5(6)质量总结与分析情况5(7)参与客户投诉管理情况5(8)质量管理手册制定与推行情况5定量指标(1)百元制造成本质量成本20(2)百元销售收入质量成本20(3)质检效率提高率20合计100参考评分方法(1)定性指标。1) “质量委员会日常工作开展情况”:优秀5分,良好3分,一般1分,差0分。2) “品质管理部日常工作开展情况”:优秀

2、5分,良好3分,一般1分,差0分。3) “质量管理计划制定与实施情况”:优秀5分,良好3分,一般1分,差0分。4) “质量标准制定与实施情况”:优秀5分,良好3分,一般1分,差0分。5) “质量教育工作开展情况”:优秀5分,良好3分,一般1分,差0分。6) “质量总结与分析情况”:优秀5分,良好3分,一般1分,差0分。7) “参与客户投诉管理情况”:优秀5分,良好3分,一般1分,差0分。8) “质量管理手册制定与推行情况”:优秀5分,良好3分,一般1分,差0分。(2)定量指标。1)“百元制造成本质量成本”:以历史最低水平为基数,达到历史最低水平给15分;每低于历史最低水平1%则在15分基础上加

3、1分,20分为上限;每高于历史最低水平1%则扣1分,扣完为止。2) “百元销售收入质量成本”:以历史最低水平为基数,达到历史最低水平给15分:每低于历史最低水平1%则在15分基础上加1分,20分为上限;每高于历史最低水平1%则扣1分,扣完为止。3) “质检效率提高率”:以上期水平为基数,达到上期水平给15分;比上期提高1%则在15分基础上加1分,20分为上限;比上期降低设则扣1分,扣完为止。相关说明:编制人员:审核人员:批准人员:2.生产计划部考核分值表考核对象:生产计划部考核时间:指标类别指标分值实际得分备注定性指标(I)参与质量委员会工作的情况5(2)生产质量管理情况10(3)成品库质量管

4、理情况10(4)参与客户投诉管理情况5(5)质量标准执行情况5(6)部门质量教育开展情况5定量指标百元制造成本质量成本60合计100参考评分方法编制日期:审核日期:批准日期:(1)定性指标。1) “参与质量委员会工作的情况”:优秀5分,良好3分,一般1分,差O分。2) “生产质量管理情况”:优秀10分,良好6分,一般2分,差。分。3) “成品库质量管理情况”:优秀IO分,良好6分,一般2分,差0分。4) “参与客户投诉管理情况”:优秀5分,良好3分,一般1分,差0分。5) “质量标准执行情况”:优秀5分,良好3分,一般1分,差0分。6) “部门质量教育开展情况”:优秀5分,良好3分,一般1分,

5、差0分。(2)定量指标。“百元制造成本质量成本”:以历史最低水平为基数,达到历史最低水平给50分;每低于历史最低水平1%则在50分基础上加1分,60分为上限;每高于历史最低水平1%则扣1分,扣完为止。相关说明:编制人员:审核人员:批准人员:编制日期:审核日期,批准日期:指标类别指标分值实际得分备注(O参与质量委员会工作的情况53.技术开发部考核分值表考核对象:技术开发部考核时司:定性指标(2)设计开发质量情况20(3)参与客户投诉管理的情况5(4)质量标准执行情况5(5)部门质量教育开展情况5定量指标新产品增加值率60合计100参考评分方法(1)定性指标。1) “参与质量委员会工作的情况”:优

6、秀5分,良好3分,一般1分,差。分。2) “设计开发质量情况”:优秀20分,良好15分,一般8分,差。分。3) “参与客户投诉管理的情况”:优秀5分,良好3分,一般1分,差。分。4) “质量标准执行情况”:优秀5分,良好3分,一般1分,差。分。5) “部门质量教育开展情况”:优秀5分,良好3分,一般1分,差0分。(2)定量指标。“新产品增加值率”:以历史最佳水平为基数,达到历史最佳水平给50分;每超过历史最佳水平遥则在50分基础上加1分,60分为上限;每低于历史最佳水平1%则扣1分,扣完为止。相关说明:编制人员:审核人员:批准人员:编制日期:审核日期:批准日期:4.供应部考核分值表考核对专电供

7、应部考核时间指标类别指标分值实际得分备注定性指标(1)参与质量委员会工作情况5(2)供应质量管理情况20(3)参与客户投诉管理情况5(4)质量标准执行情况5(5)部门质量教育开展情况5定量采购合格品率60指标合计100参考评分方法(1)定性指标。1) “参与质量委员会工作情况”:优秀5分,良好3分,一般1分,差O分。2) “供应质量管理情况”:优秀20分,良好15分,一般8分,差0分。3) “参与客户投诉管理情况”:优秀5分,良好3分,一般1分,差0分。4) “质量标准执行情况”:优秀5分,良好3分,一般1分,差0分。5) “部门质量教育开展情况”:优秀5分,良好3分,一般1分,差0分。(2)

8、定量指标。“采购合格品率”:以历史最佳水平为基数,达到历史最佳水平给50分;每超过历史最佳水平1%则在50分基础上加1分,60分为上限;每低于历史最佳水平1%则扣1分,扣完为止。相关说明:编制人员:审核人员:批准人员:编制日期:审核日期:批准日期:5.机电设备部考核分值表考核对象:机电设备部考核时间:指标类别指标分值实际得分备注(1)参与质量委员会工作的情况5(2)设备管理情况20(3)参与客户投诉管理情况5(4)质量标准执行情况5定性(5)部门质量教育开展情况5指标设备故障率60定量指标合计100参号评分方法(1)定性指标。1)“参与质量委员会工作情况”:优秀5分,良好3分,一般1分,差。分

9、。2)“设备管理情况”:优秀20分,良好15分,一般8分,差0分。3)“参与客户投诉管理情况”:优秀5分,良好3分,一般1分,差0分。4)“质量标准执行情况”:优秀5分,良好3分,一般1分,差。分。5)“部门质量教育开展情况”:优秀5分,良好3分,一般1分,差。分。(2)定量指标。“设备故障率”:以历史最低水平为基数,达到历史最低水平给50分;每超过历史最低水平1%则在50分基础上加1分,60分为上限;每低于历史最低水平1%则扣1分,扣完为止。相关说明:编制人员:审核人员:批准人员:编制日期:审核日期:批准日期:6.分厂考核分值表考核对象:分厂考核时间:指标类别指标分值实际得分备注定性指标1)

10、参与质量委员会工作的情况5(2)制造质量管理情况20(3)参与客户投诉管理的情况5(4)质量标准执行情况5(5)分厂质量教育开展情况5定量指标(1)百元制造成本质量成本30(2)产品收率30合计100参考评分方法(1)定性指标。1) “参与质量委员会工作的情况”:优秀5分,良好3分,一般1分,差0分。2) “制造质量管理情况”:优秀20分,良好15分,一般8分,差。分。3) “参与客户投诉管理情况”:优秀5分,良好3分,一般1分,差0分。4) “质量标准执行情况”:优秀5分,良好3分,一般1分,差。分。5) “分厂质量教育开展情况”:优秀5分,良好3分,一般1分,差0分。(2)定量指标。1)“

11、百元制造成本质量成本”:以历史最低水平为基数,达到历史最低水平给25分;每低于历史最低水平1%则在25分基础上加1分,30分为上限;每高于历史最低水平1%则扣1分,扣完为止。2)“产品收率”:以历史最佳水平为基数,达到历史最佳水平给25分;每超过历史最佳水平1%则在25分基础上加1分,30分为上限;每低于历史最佳水平整则扣1分,扣完为止。相关说明:编制人员:审核人员:批准人员,7.其他部室考核分值表考核对象:其他部室考核时间指标类别指标分值实际得分备注定性指标(I)参与质量委员会工作的情况25(2)部门职能范围内的质量管理情况25(3)质量标准执行情况25(4)部门质量教育开展情况25定量指标合计100参考评分方法编制日期:审核日期:批准日期:定性指标1)“参与质量委员会工作的情况”:优秀25分,良好20分,一般10分,差0分。2) “部门职能范围内的质量管理情况”:优秀25分,良好20分,一般10分,差0分。3) “质量标准执行情况”:优秀25分,良好20分,一般10分,差0分。4) “部门质量教育开展情况”:优秀25分,良好20分,一般10分,差。分。相关说明:编制人员:审核人员:批准人员:编制日期:审核日期,批准日期:

展开阅读全文
相关资源
猜你喜欢
相关搜索

当前位置:首页 > 管理/人力资源 > 绩效管理

copyright@ 2008-2023 1wenmi网站版权所有

经营许可证编号:宁ICP备2022001189号-1

本站为文档C2C交易模式,即用户上传的文档直接被用户下载,本站只是中间服务平台,本站所有文档下载所得的收益归上传人(含作者)所有。第壹文秘仅提供信息存储空间,仅对用户上传内容的表现方式做保护处理,对上载内容本身不做任何修改或编辑。若文档所含内容侵犯了您的版权或隐私,请立即通知第壹文秘网,我们立即给予删除!